Скачать Серия 1.812.1-3 Выпуск 2. Арматурные и закладные изделия. Рабочие чертежиДата актуализации: 01.01.2021
|
| Обозначение: | Серия 1.812.1-3 |
| Обозначение англ: | Series 1.812.1-3 |
| Статус: | не определен законодательством |
| Название рус.: | Выпуск 2. Арматурные и закладные изделия. Рабочие чертежи |
| Дата добавления в базу: | 01.09.2013 |
| Дата актуализации: | 01.01.2021 |
| Дата введения: | 01.04.1984 |
| Дата окончания срока действия: | 30.06.2003 |
| Область применения: | Настоящий выпуск содержит рабочие чертежи арматурных и закладных изделий железобетонных фундаментов |
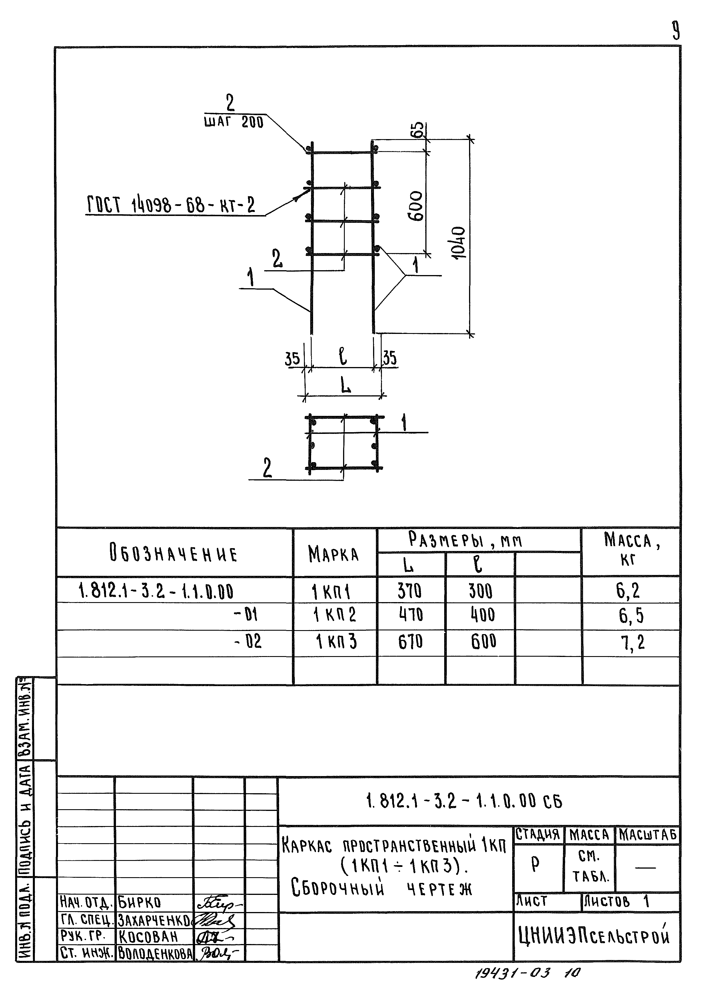
| Оглавление: | 1.812.1-3.2-0.0.0. 00ТО Техническое описание 1.812.1-3.2-1.0.0. 00 Каркас пространственный КП (КП1/КП9) 1.812.1-3.2-1.0.0. 00 СБ Каркас пространственный КП (КП1/КП9). Сборочный чертеж 1.812.1-3.2-1.1.0. 00 Каркас пространственный 1КП (1КП1/1КП9) 1.812.1-3.2-1.1.0. 00 СБ Каркас пространственный 1КП (1КП1/1КП9). Сборочный чертеж 1.812.1-3.2-1.1.1. 00 Каркас плоский КР1 1.812.1-3.2-1.0.2. 00 Сетка арматурная 1С(1С1/1С9) 1.812.1-3.2-1.0.2. 00 СБ Сетка арматурная 1С(1С1/1С9). Сборочный чертеж 1.812.1-3.2-0.0.2. 00 Сетка арматурная С(С1/С6) 1.812.1-3.2-0.0.2. 00 СБ Сетка арматурная С(С1/С6). Сборочный чертеж 1.812.1-3.2-0.0.3. 00 Изделие закладное МН (МН1/МН3) |
| Разработан: | НИИЖБ Госстроя СССР НИИОСП им. Герсеванова Госстроя России ЦНИИЭПсельстрой |
| Утверждён: | 20.12.1983 Госстрой СССР (Государственный комитет Совета Министров СССР по делам строительства) (USSR Gosstroy ВА-79) |
| Нормативные ссылки: |
|


















