Скачать Серия 1.117-12с Выпуск 0-1. Общие материалы и унифицированные детали панелей высотой 2780 мм, толщиной 250 мм. Рабочие чертежиДата актуализации: 01.01.2021
|
| Обозначение: | Серия 1.117-12с |
| Обозначение англ: | Series 1.117-12с |
| Статус: | не определен законодательством |
| Название рус.: | Выпуск 0-1. Общие материалы и унифицированные детали панелей высотой 2780 мм, толщиной 250 мм. Рабочие чертежи |
| Дата добавления в базу: | 01.09.2013 |
| Дата актуализации: | 01.01.2021 |
| Дата введения: | 01.09.1980 |
| Дата окончания срока действия: | 30.06.2003 |
| Область применения: | Рабочие чертежи унифицированных трехслойных железобетонных панелей с утеплителем, расположенным между слоями, и соединительными ребрами из легкого бетона разработаны для наружных цокольных стен крупнопанельных жилых зданий на сборных или монолитных фундаментах с шагом поперечных внутренних несущих стен 2,4+3,6 м и высотой 4 - 9 этажей, предназначенных для строительства в районах с расчетной сейсмичностью 7 и 8 баллов, а также высотой 4+7 этажей в районах с сейсмичностью 9 баллов во II, III и IV климатических районах и подрайонах IВ и IГ при расчетных температурах наружного воздуха выше минус 40 градусов Цельсия |
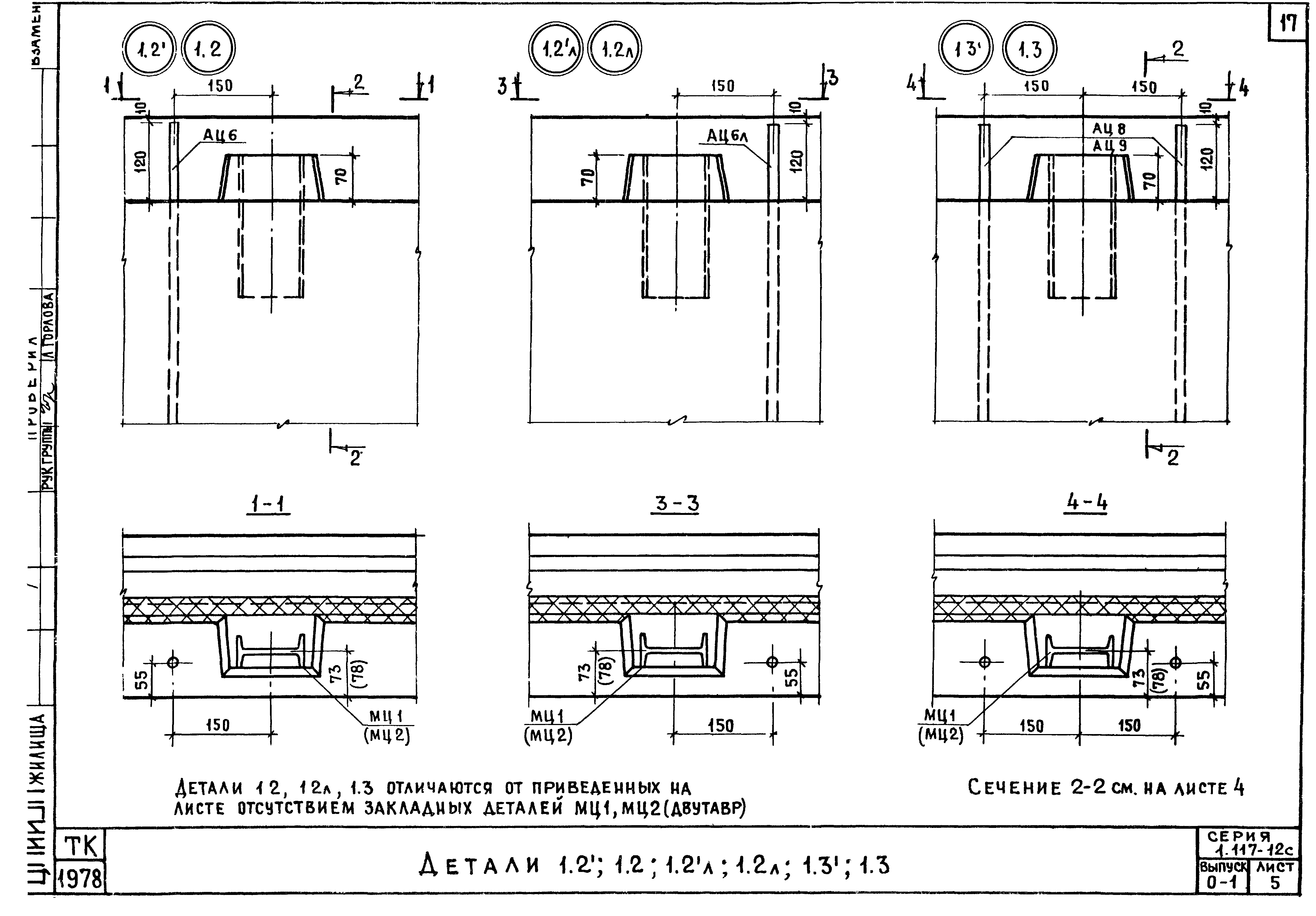
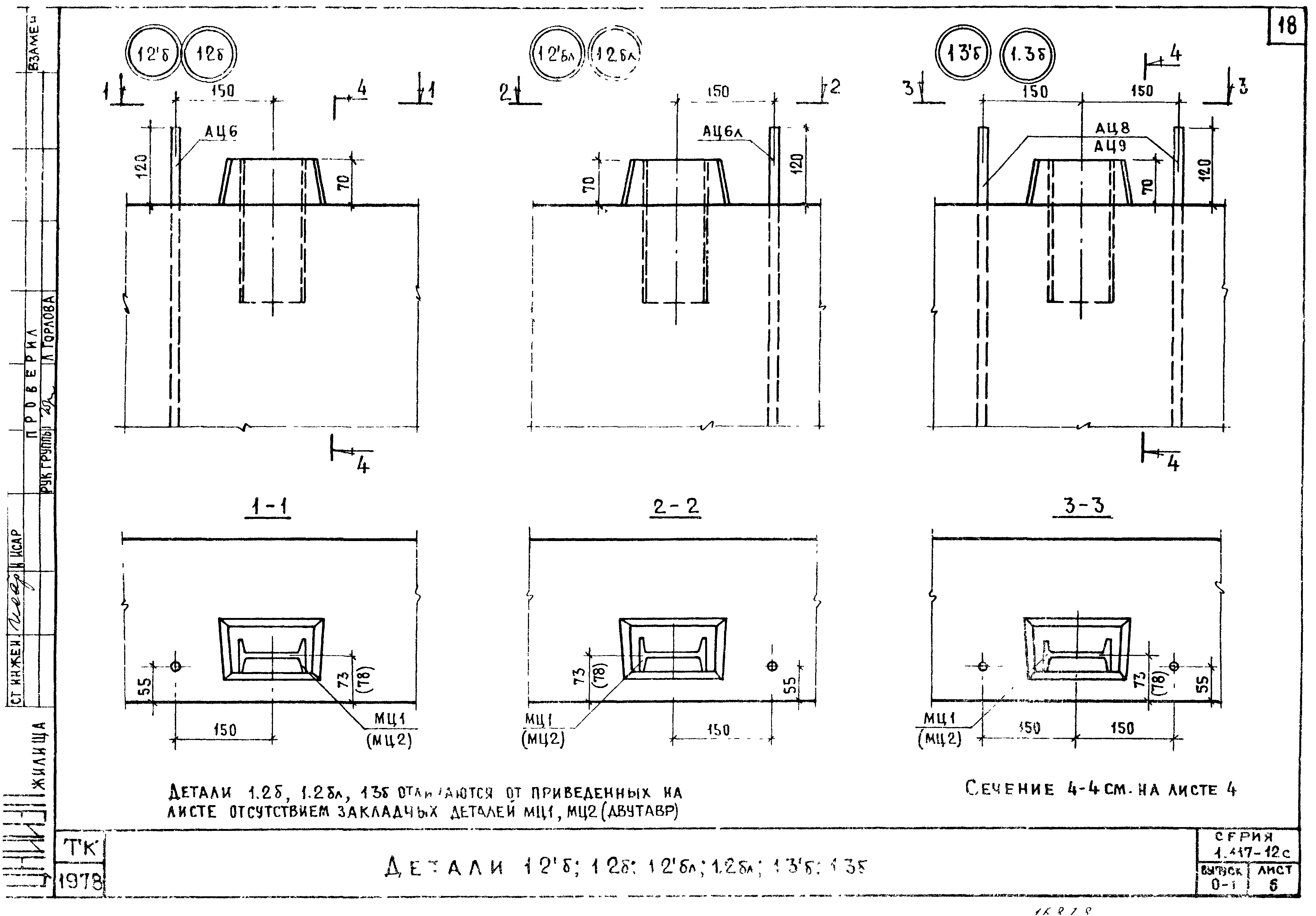
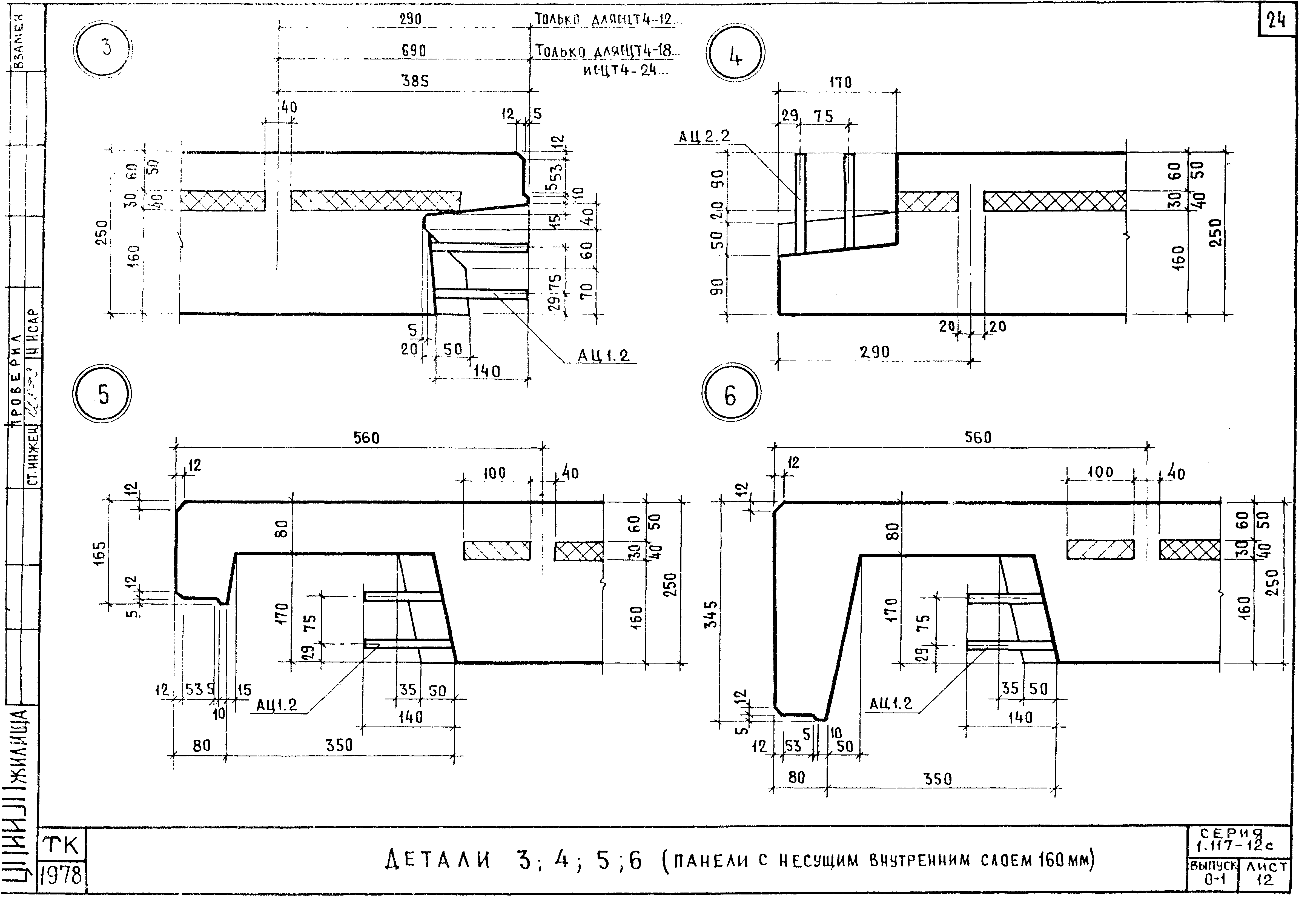
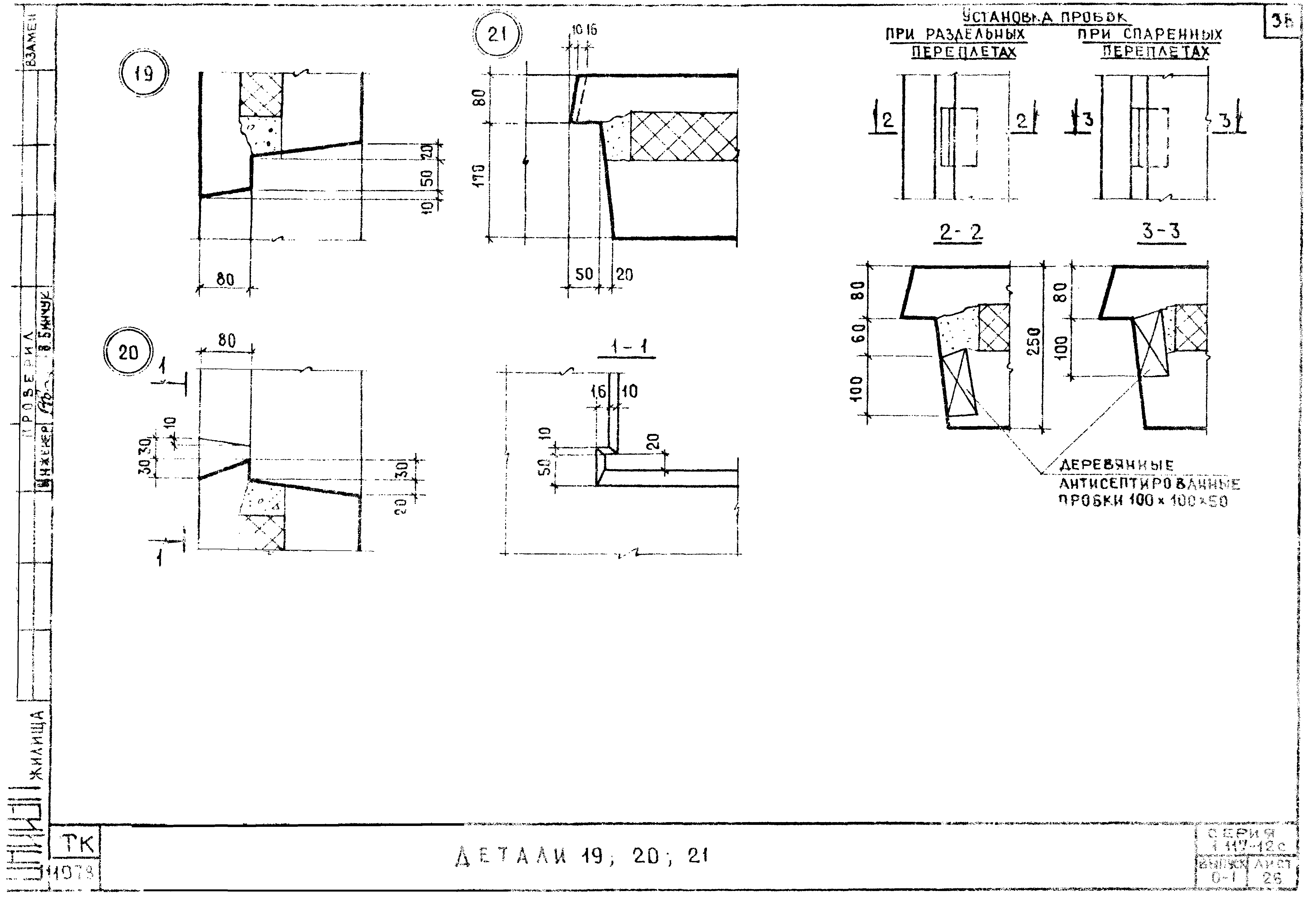
| Оглавление: | Содержание Пояснительная записка Схемы видов панелей групп С-ЦР1, С-ЦР4 и С-ЦР5 с маркировкой опалубочных деталей Схемы видов панелей групп С-ЦТ1 и С-ЦТ4 с маркировкой опалубочных деталей Детали 1.0'; 1.0; 1.0'б; 1.0б; 2 Детали 1.1'; 1.1; 1.1'б; 1.1б Детали 1.2'; 1.2; 1.2'л; 1.2л; 1.3'; 1.3 Детали 1.2'б; 1.2б; 1.2'бл; 1.2бл; 1.3'б; 1.3б Детали 1.4'; 1.4; 1.4'л; 1.4л; 1.4'б; 1.4б; 1.4'бл; 1.4бл Детали 2.0'; 2.0; 2.1'; 2.1 Детали 2.2'; 2.2; 2.2'л; 2.2л Детали 2.3'; 2.3; 2.4'; 2.4; 2.4'л; 2.4л Детали 3; 4; 5; 6 (панели с несущим внутренним слоем 120 мм) Детали 3; 4; 5; 6 (панели с несущим внутренним слоем 160 мм) Деталь 7 Деталь 7а Деталь 7б; 8 Деталь 9 Деталь 9б; 10 Деталь 11 Деталь 11б; 12 Деталь 13 Деталь 13б; 14 Детали 15; 15б; 16.1; 16.2; 16.3 (панели с несущим внутренним слоем 120 мм) Детали 15; 15б; 16.1; 16.2; 16.3 (панели с несущим внутренним слоем 160 мм) Детали 17 и 18 (панели с несущим внутренним слоем 120 мм) Детали 17 и 18 (панели с несущим внутренним слоем 160 мм) Детали 19; 20; 21 Разбивка горизонтальных выпусков и шпонок в панелях групп С-ЦР1, С-ЦР4 и С-ЦР5 с несущим внутренним слоем 120 мм. Детали шпонок Разбивка горизонтальных выпусков и шпонок в панелях групп С-ЦР1, С-ЦР4 и С-ЦР5 с несущим внутренним слоем 160 мм Разбивка горизонтальных выпусков и шпонок в панелях групп С-ЦТ1и С-ЦТ4 с несущим внутренним слоем 120 мм. Детали шпонок Разбивка горизонтальных выпусков и шпонок в панелях групп С-ЦТ1и С-ЦТ4 с несущим внутренним слоем 160 мм. Детали шпонок Промеры установки вертикальных выпусков Схемы армирования наружного слоя панелей и маркировка деталей Детали армирования 1.0'; 1.0; 2 Детали армирования 1.1'; 1.1; 1. 2'; 1.2; 1. 2'л;1.2л Детали армирования 1.3'; 1.3; 1.4'; 1.4; 1. 4'л;1.4л Детали армирования 2.0'; 2.0; 2.1'; 2.1 Детали армирования 2.2'; 2.2; 2.2'л; 2.2л Детали армирования 2.3'; 2.3; 2.4'; 2.4; 2.4'л; 2.4л; Детали армирования 3; 4; 5; 6 (панели с несущим внутренним слоем 120 мм) Детали армирования 3; 4; 5; 6 (панели с несущим внутренним слоем 160 мм) Детали армирования 7; 7а; 8; 8а Детали армирования 7в; 8в Детали армирования 9; 10 Детали армирования 11; 12 Детали армирования 13; 14 Детали армирования 15; 15б; 16 (панели с несущим внутренним слоем 120 мм) Детали армирования 15; 15б; 16 (панели с несущим внутренним слоем 160 мм) Деталь армирования 15в Детали армирования 17; 18 Детали армирования 19; 20; 21. Армирование наружного слоя. Детали 22, 23 Армирование наружного слоя. Деталь 24 Армирование наружного слоя. Детали 25, 26 Разбивка и схемы установки горизонтальных выпусков (панели с несущим внутренним слоем 120 мм) Разбивка и схемы установки горизонтальных выпусков (панели с несущим внутренним слоем 160 мм) Детали 1.5'; 1.5; 1.5'б; 1.5б; 1.5'л; 1.5л; 1.5'бл; 1.5бл; 2.5'; 2.5; 2.5'л; 2.5л (панели с несущим внутренним слоем 160 мм) Детали армирования 1.5'; 1.5; 1.5'л; 1.5л; 2.5'; 2.5; 2.5'л; 2.5л (панели с несущим внутренним слоем 160 мм) |
| Разработан: | ЦНИИСК им. В.А. Кучеренко ЦНИИЭП жилища |
| Утверждён: | 04.03.1980 Госстрой СССР (Государственный комитет Совета Министров СССР по делам строительства) (USSR Gosstroy 204) |
| Нормативные ссылки: |




































































