Скачать Серия 1.117-12с Выпуск 1-2. Панели групп С-ЦТ1 и С-ЦТ4 высотой 2780 мм, толщиной 250 мм. Рабочие чертежиДата актуализации: 01.01.2021
|
| Обозначение: | Серия 1.117-12с |
| Обозначение англ: | Series 1.117-12с |
| Статус: | не определен законодательством |
| Название рус.: | Выпуск 1-2. Панели групп С-ЦТ1 и С-ЦТ4 высотой 2780 мм, толщиной 250 мм. Рабочие чертежи |
| Дата добавления в базу: | 01.09.2013 |
| Дата актуализации: | 01.01.2021 |
| Дата введения: | 01.09.1980 |
| Дата окончания срока действия: | 30.06.2003 |
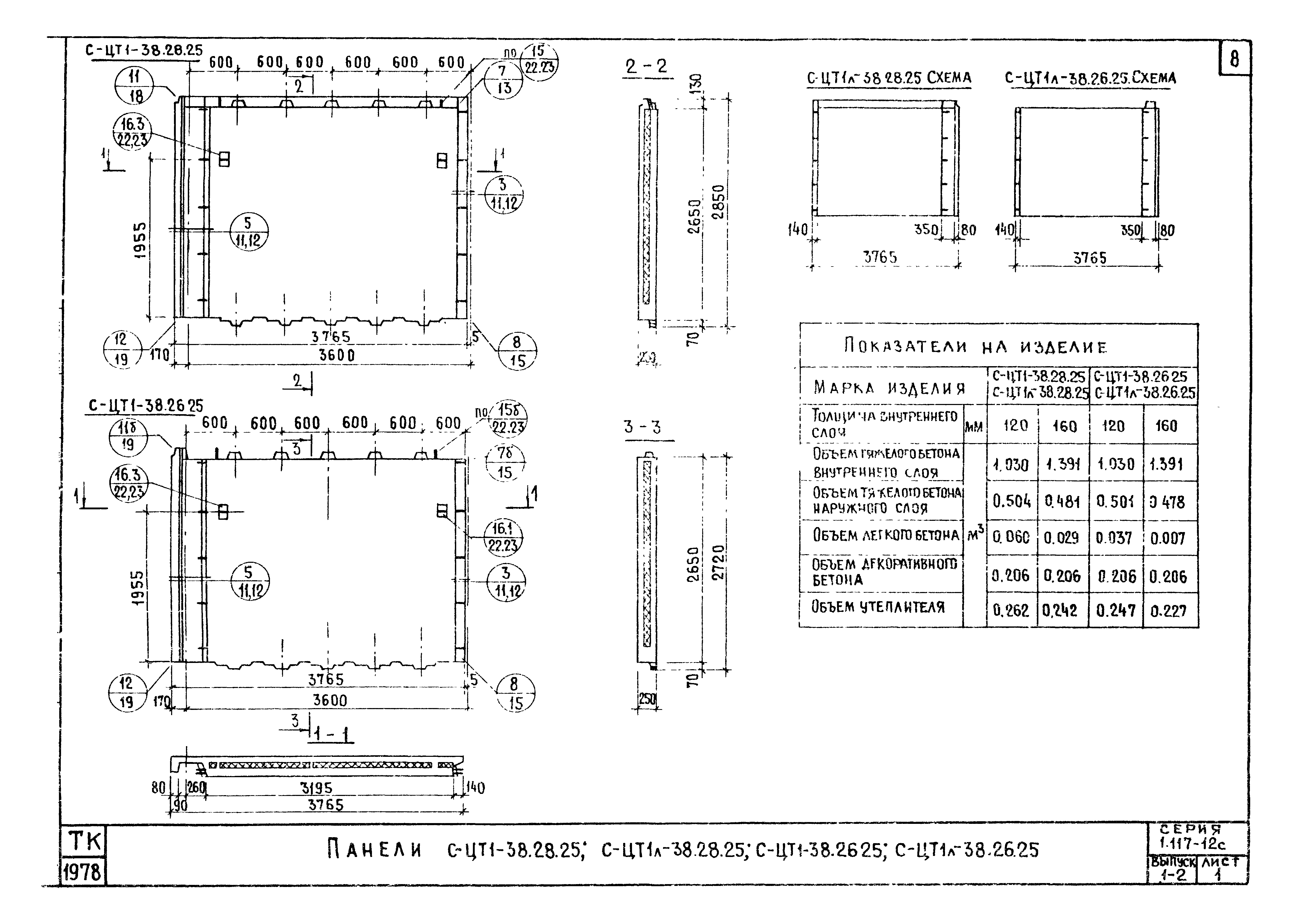
| Область применения: | В выпуске 1-2 представлены рабочие чертежи панелей наружных цокольных стен групп С-ЦТI и С-ЦТ4 с толщиной внутреннего несущего слоя 120 мм и 3-1 настоящей серии |
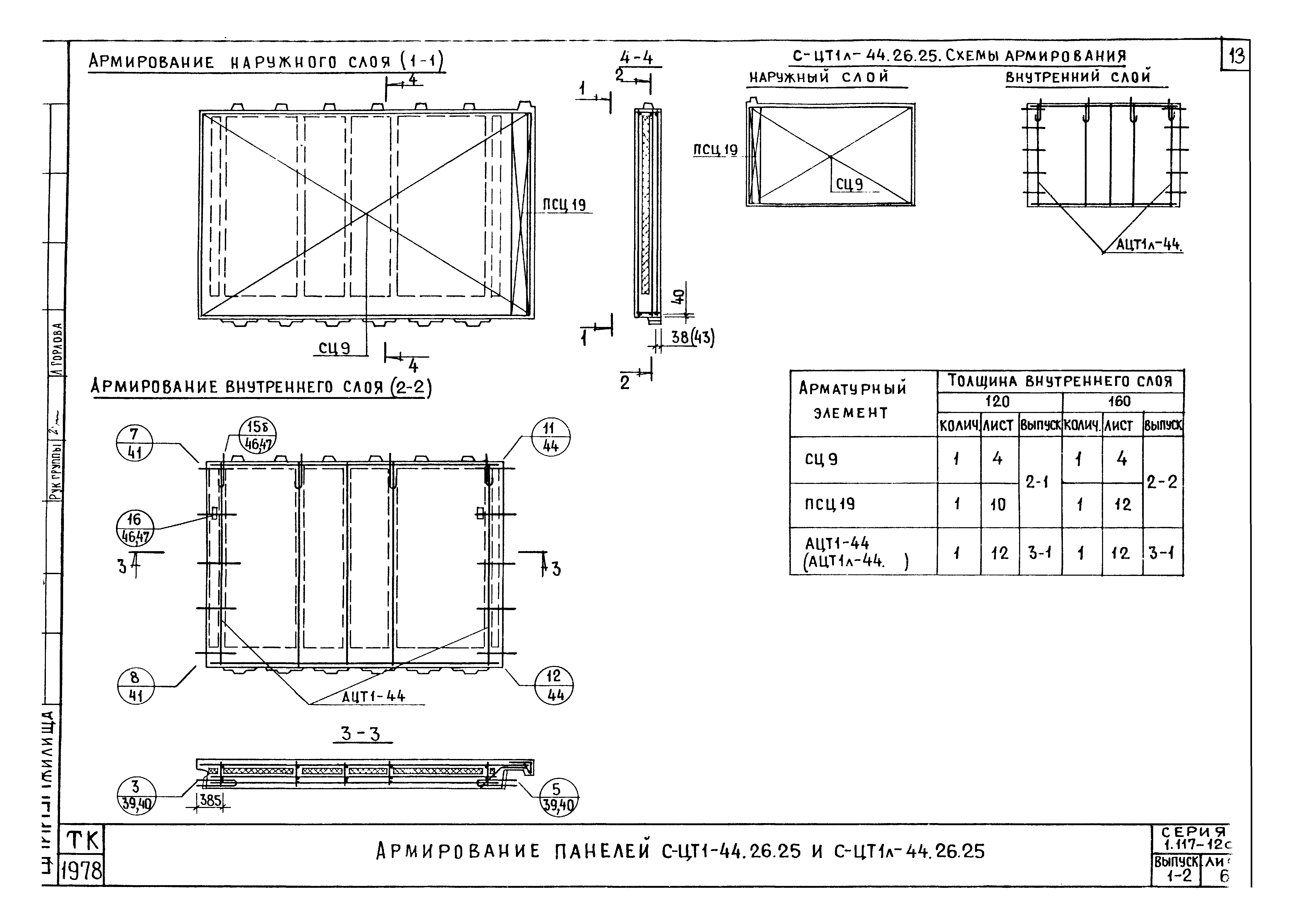
| Оглавление: | Содержание Пояснительная записка Номенклатура панелей Панели С-ЦТ1-38.28.25; С-ЦТ1л-38.28.25; С-ЦТ1-38.26.25; С-ЦТ1л-38.26.25 Армирование панелей С-ЦТ1-38.28.25; С-ЦТ1л-38.28.25 Армирование панелей С-ЦТ1-38.26.25; С-ЦТ1л-38.26.25 Панели С-ЦТ1-44.28.25; С-ЦТ1л-44.28.25; С-ЦТ1-44.26.25; С-ЦТ1л-44.26.25 Армирование панелей С-ЦТ1-44.28.25; С-ЦТ1л-44.28.25 Армирование панелей С-ЦТ1-44.26.25; С-ЦТ1л-44.26.25 Панели С-ЦТ1-50.28.25; С-ЦТ1л-50.28.25; С-ЦТ1-50.26.25; С-ЦТ1л-50.26.25 Армирование панелей С-ЦТ1-50.28.25; С-ЦТ1л-50.28.25 Армирование панелей С-ЦТ1-50.26.25; С-ЦТ1л-50.26.25 Панели С-ЦТ4-12.28.25; С-ЦТ4л-12.28.25; С-ЦТ4-12.26.25; С-ЦТ4л-12.26.25 Армирование панелей С-ЦТ4-12.28.25; С-ЦТ4л-12.28.25 Армирование панелей С-ЦТ4-12.26.25; С-ЦТ4л-12.26.25 Панели С-ЦТ4-18.28.25; С-ЦТ4л-18.28.25; С-ЦТ4-18.26.25; С-ЦТ4л-18.26.25 Армирование панелей С-ЦТ4-18.28.25; С-ЦТ4л-18.28.25 Армирование панелей С-ЦТ4-18.26.25; С-ЦТ4л-18.26.25 Панели С-ЦТ4-24.28.25; С-ЦТ4л-24.28.25; С-ЦТ4-24.26.25; С-ЦТ4л-24.26.25 Армирование панелей С-ЦТ4-24.28.25; С-ЦТ4л-24.28.25 Армирование панелей С-ЦТ4-24.26.25; С-ЦТ4л-24.26.25 Выборка и расход стали на армирование наружного слоя панелей Расход стали на панели с несущим слоем 120 мм Расход стали на панели с несущим слоем 160 мм |
| Разработан: | ЦНИИСК им. В.А. Кучеренко ЦНИИЭП жилища |
| Утверждён: | 04.08.1980 Госстрой СССР (Государственный комитет Совета Министров СССР по делам строительства) (USSR Gosstroy 204) |



























