Скачать Серия 1.117-12с Выпуск 3-1. Арматурные блоки панелей высотой 2780 мм, толщиной 250 мм. Рабочие чертежиДата актуализации: 01.01.2021
|
| Обозначение: | Серия 1.117-12с |
| Обозначение англ: | Series 1.117-12с |
| Статус: | не определен законодательством |
| Название рус.: | Выпуск 3-1. Арматурные блоки панелей высотой 2780 мм, толщиной 250 мм. Рабочие чертежи |
| Дата добавления в базу: | 01.09.2013 |
| Дата актуализации: | 01.01.2021 |
| Дата введения: | 01.09.1980 |
| Дата окончания срока действия: | 30.06.2003 |
| Область применения: | В настоящем выпуске представлены чертежи арматурных блоков, которые при соответствующей доработке, осуществляемой при привязке к конкретному проекту, предназначены для изготовления арматурных блоков несущего слоя панелей толщиной 120 и 160 мм |
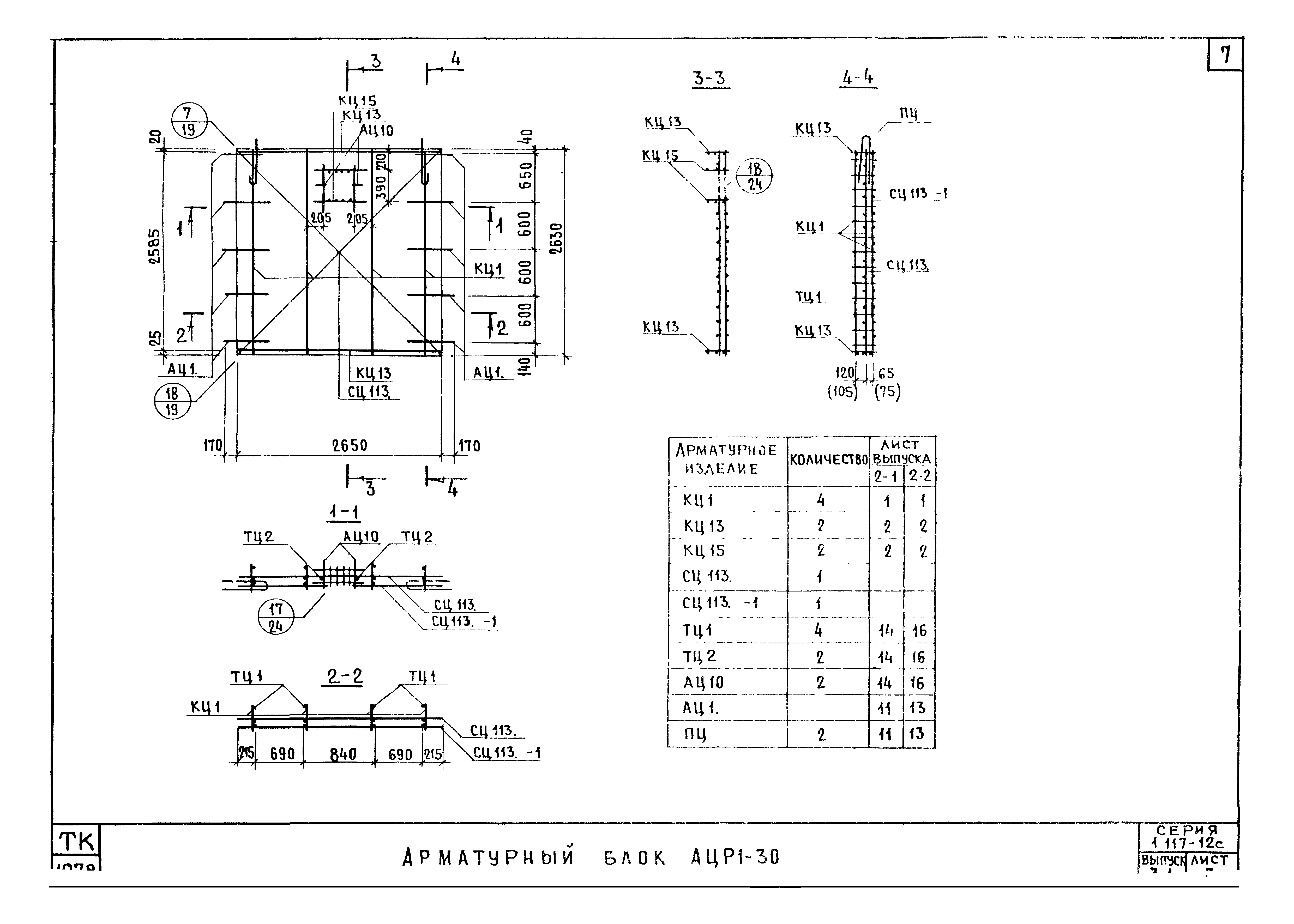
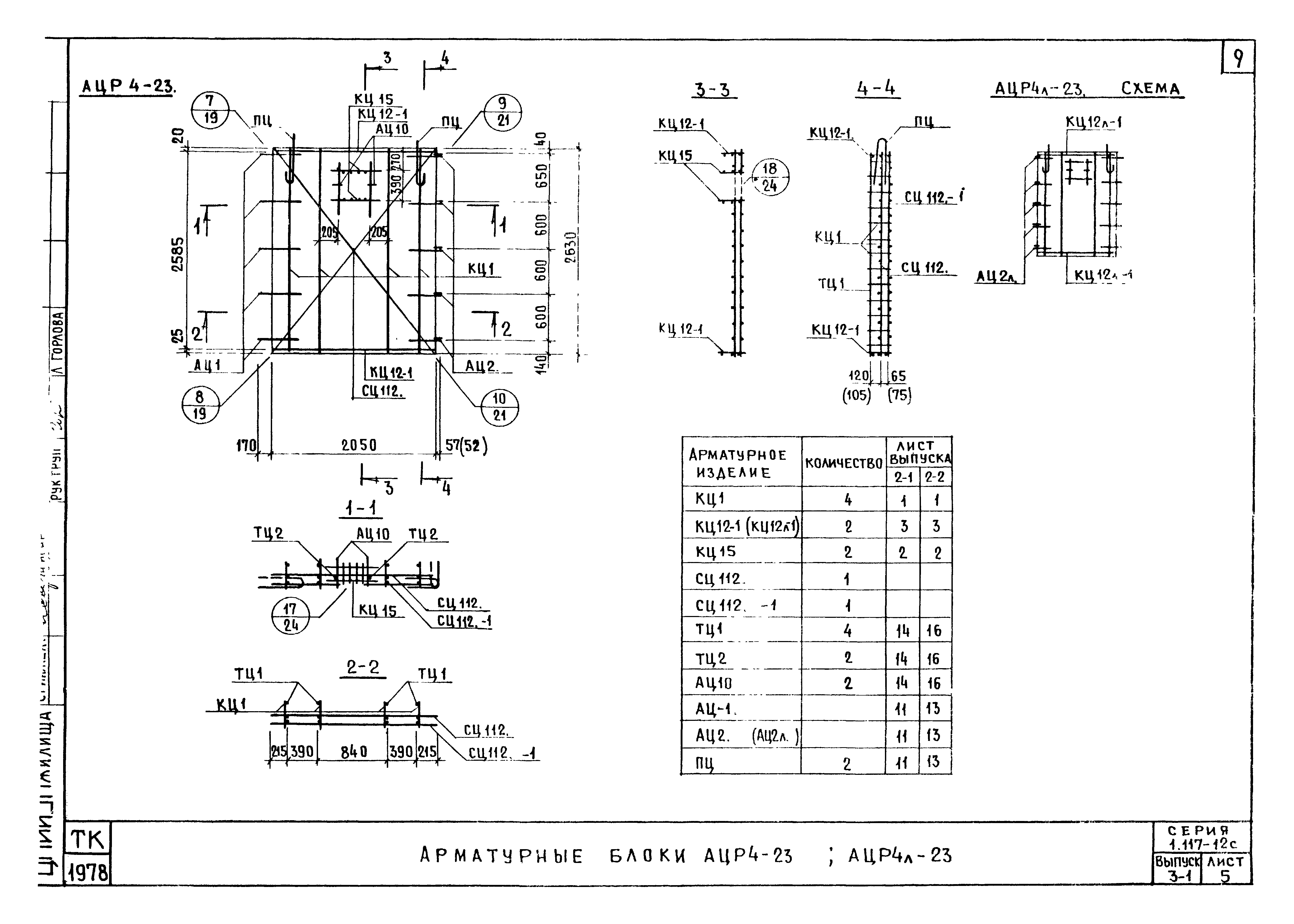
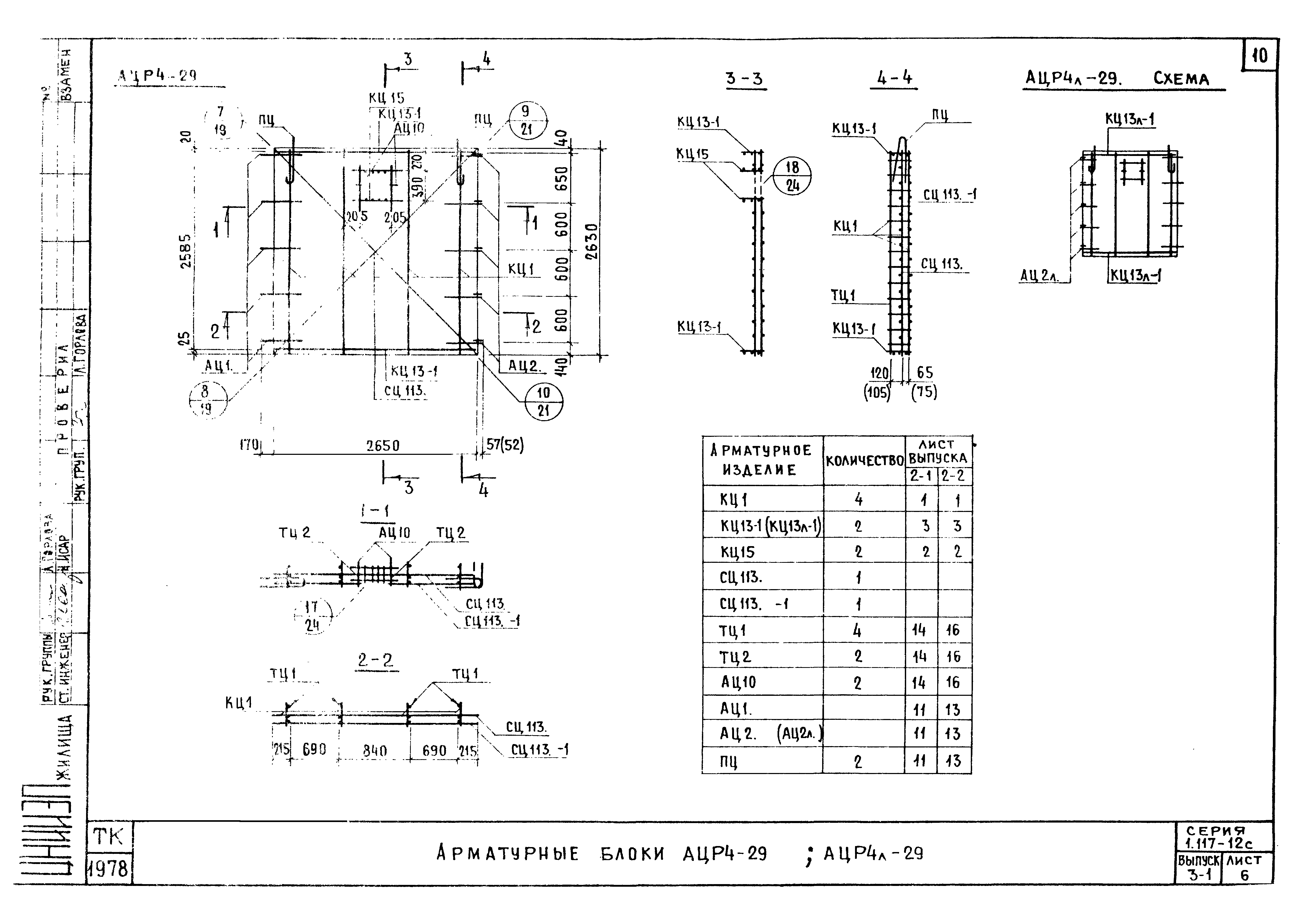
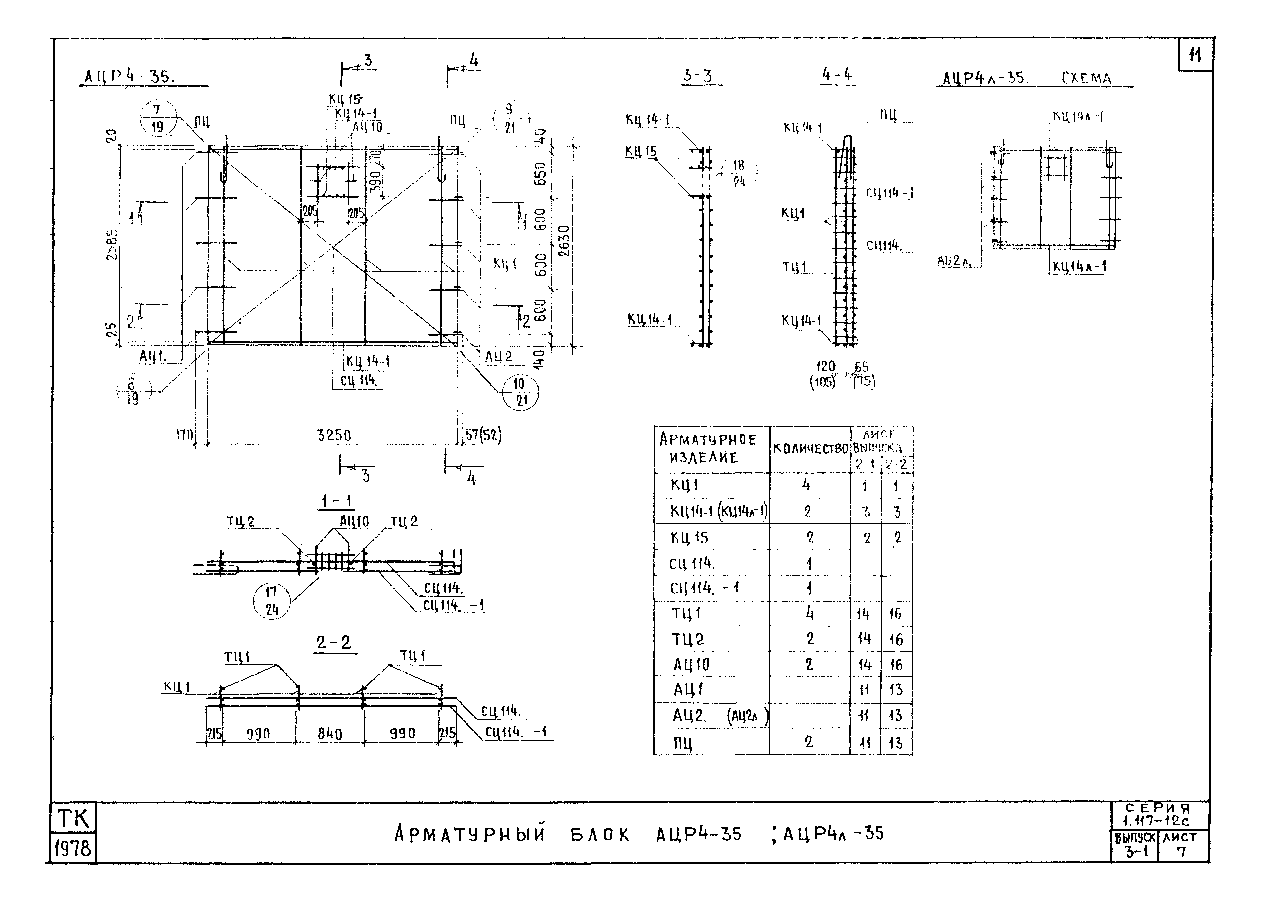
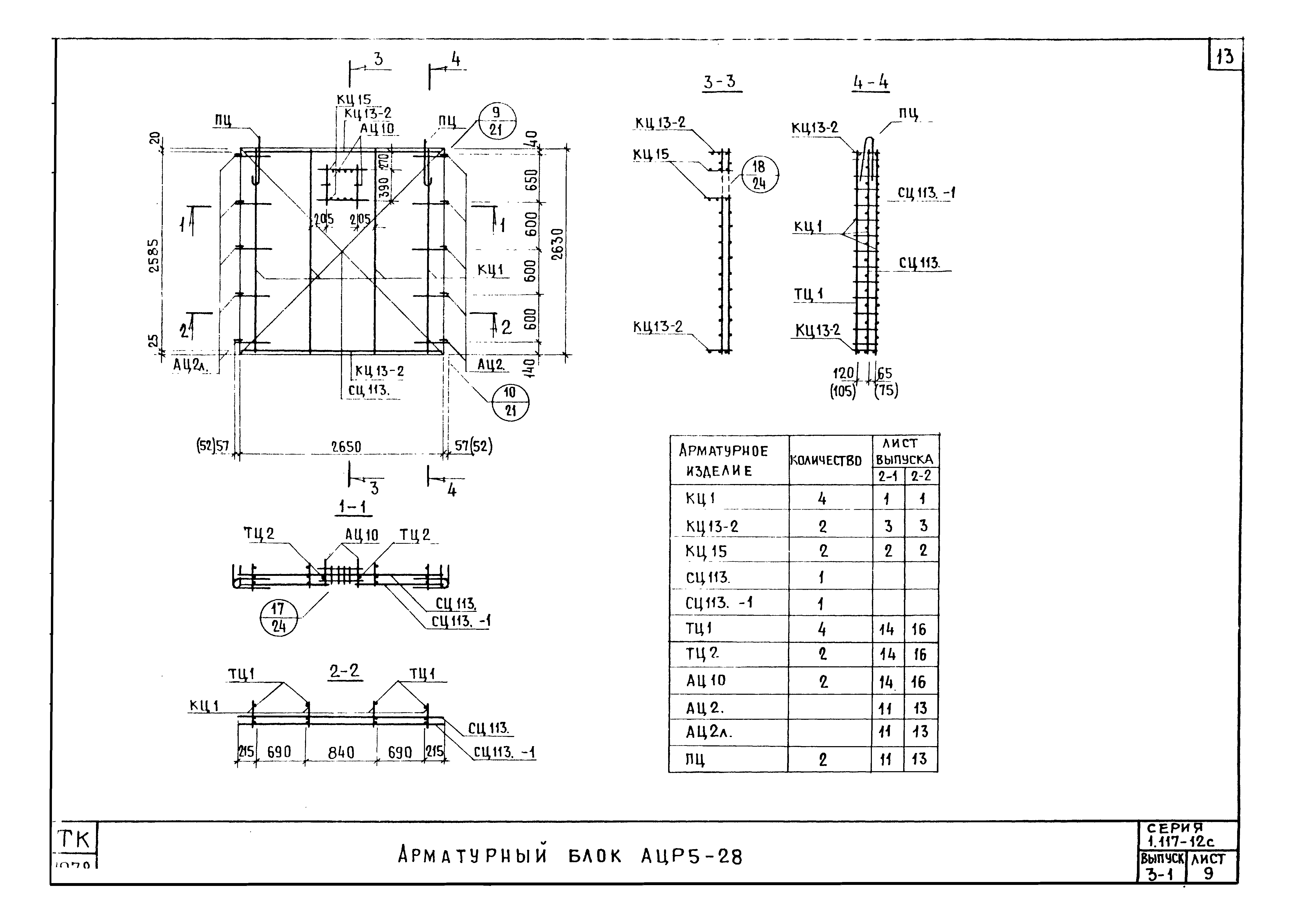
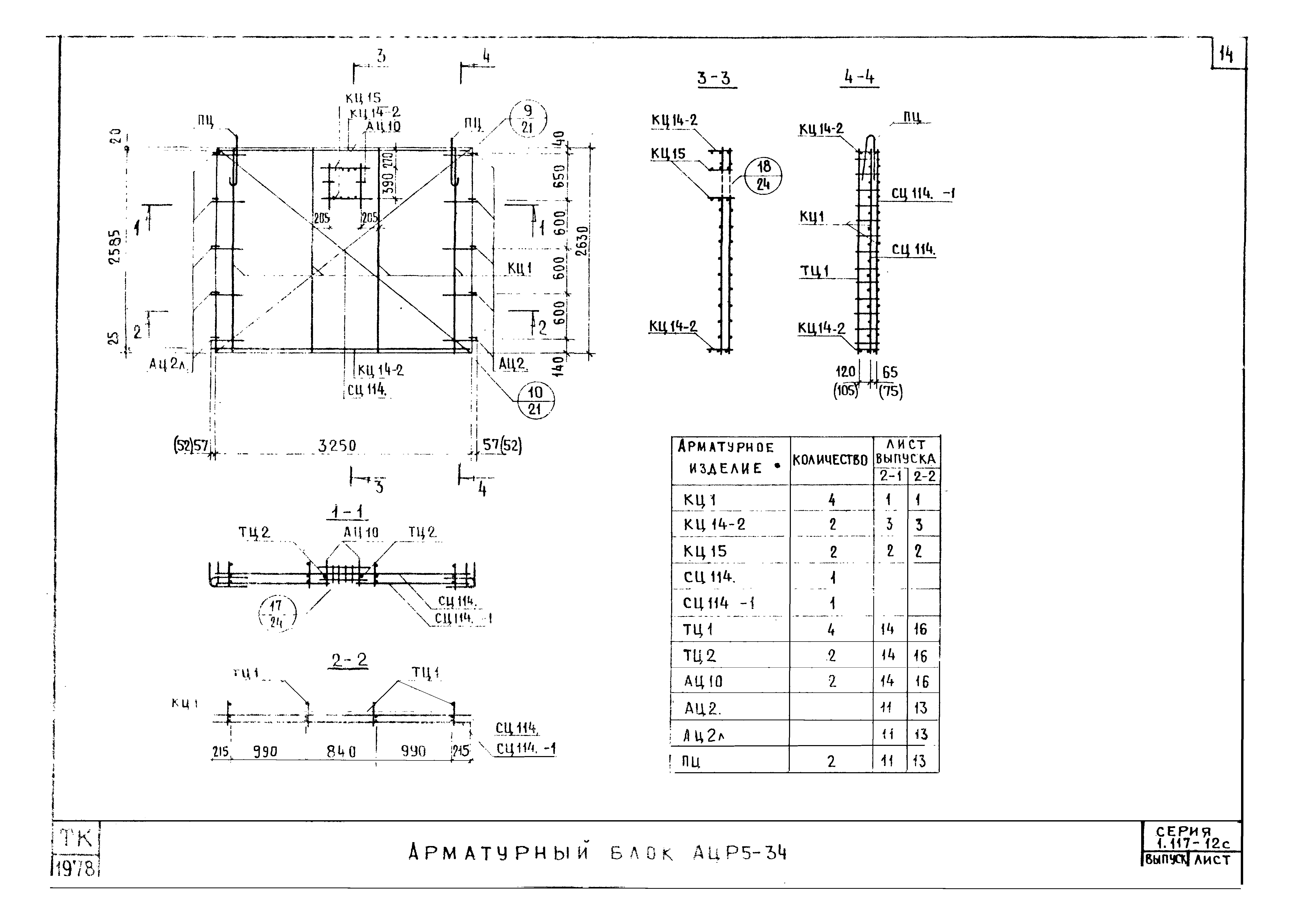
| Оглавление: | Содержание Пояснительная записка Арматурный блок АЦР1-18 Арматурный блок АЦР1-24 Арматурный блок АЦР1-30 Арматурный блок АЦР1-36 Арматурные блоки АЦР4-23; АЦР4л-23 Арматурные блоки АЦР4-29; АЦР4л-29 Арматурные блоки АЦР4-35; АЦР4л-35 Арматурный блок АЦР5-22 Арматурный блок АЦР5-28 Арматурный блок АЦР5-34 Арматурные блоки АЦТ1-38; АЦТ1л-38 Арматурные блоки АЦТ1-44; АЦТ1л-44 Арматурные блоки АЦТ1-50; АЦТ1л-50 Арматурные блоки АЦТ4-12; АЦТ4л-12; АЦТ4-18; АЦТ4л-18 Арматурные блоки АЦТ4-24; АЦТ4л-24 Арматурный блок АЦР1-24-1 Арматурный блок АЦР1-30-1 Арматурный блок АЦР1-36-1 Детали 7; 7а; 8; 8а Детали 7в; 8в Детали 9; 10 Детали 11; 12 Детали 13; 14 Детали 17; 18 Детали 15в; 19; 20; 21 Арматурный блок АЦР1 (АЦР1-30. Чертеж привязчика) Выборка стали на базисные арматурные блоки панелей с несущим внутренним слоем 120 мм |
| Разработан: | ЦНИИСК им. В.А. Кучеренко ЦНИИЭП жилища |
| Утверждён: | 04.08.1980 Госстрой СССР (Государственный комитет Совета Министров СССР по делам строительства) (USSR Gosstroy 204) |
| Нормативные ссылки: |
































