Скачать Серия 1.117.1-21 Выпуск 2. Панели толщиной 350 мм. Арматурные и закладные изделия. Рабочие чертежиДата актуализации: 01.01.2021
|
| Обозначение: | Серия 1.117.1-21 |
| Обозначение англ: | Series 1.117.1-21 |
| Статус: | не определен законодательством |
| Название рус.: | Выпуск 2. Панели толщиной 350 мм. Арматурные и закладные изделия. Рабочие чертежи |
| Дата добавления в базу: | 01.09.2013 |
| Дата актуализации: | 01.01.2021 |
| Дата введения: | 30.01.1986 |
| Дата окончания срока действия: | 30.06.2003 |
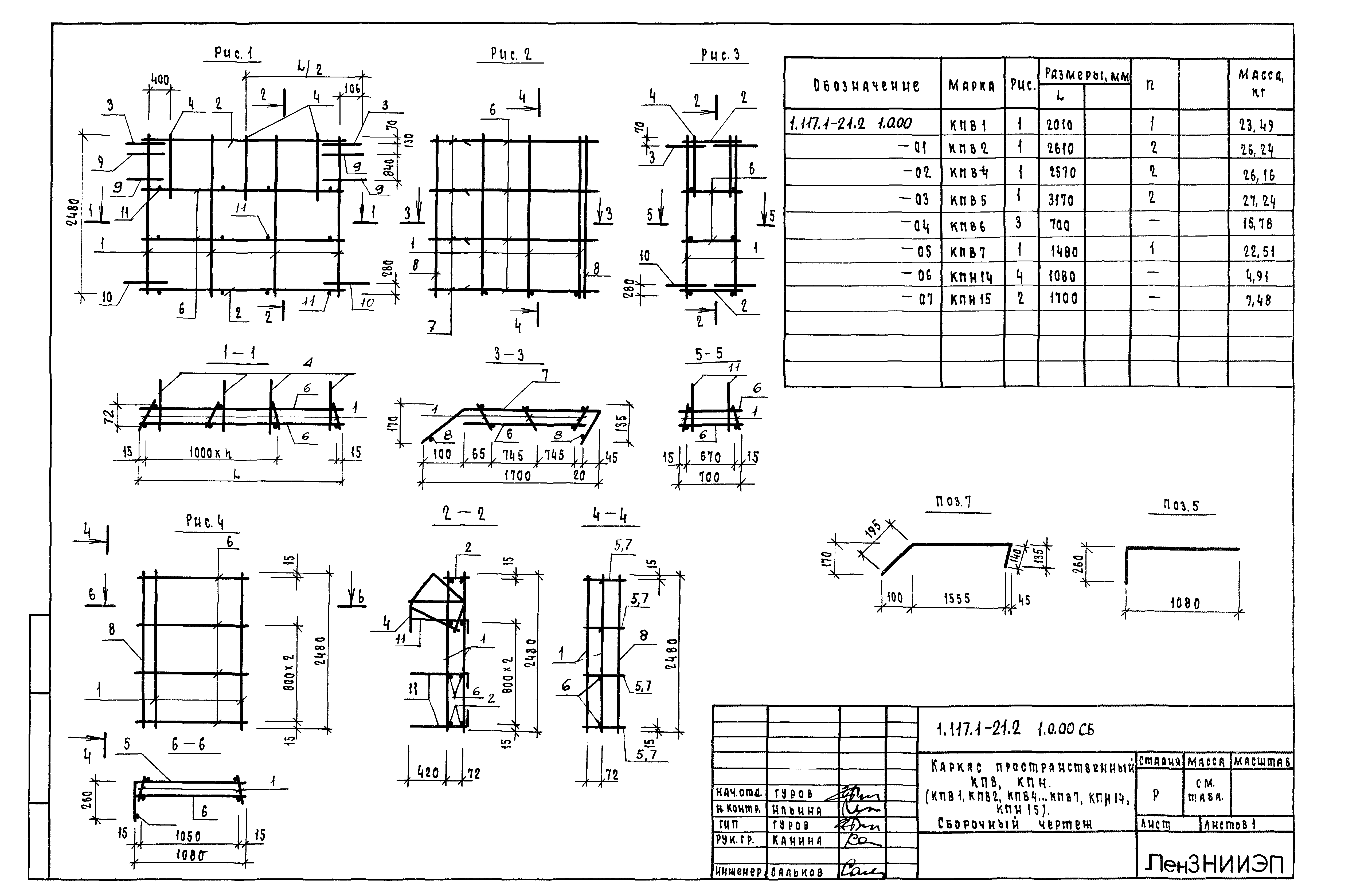
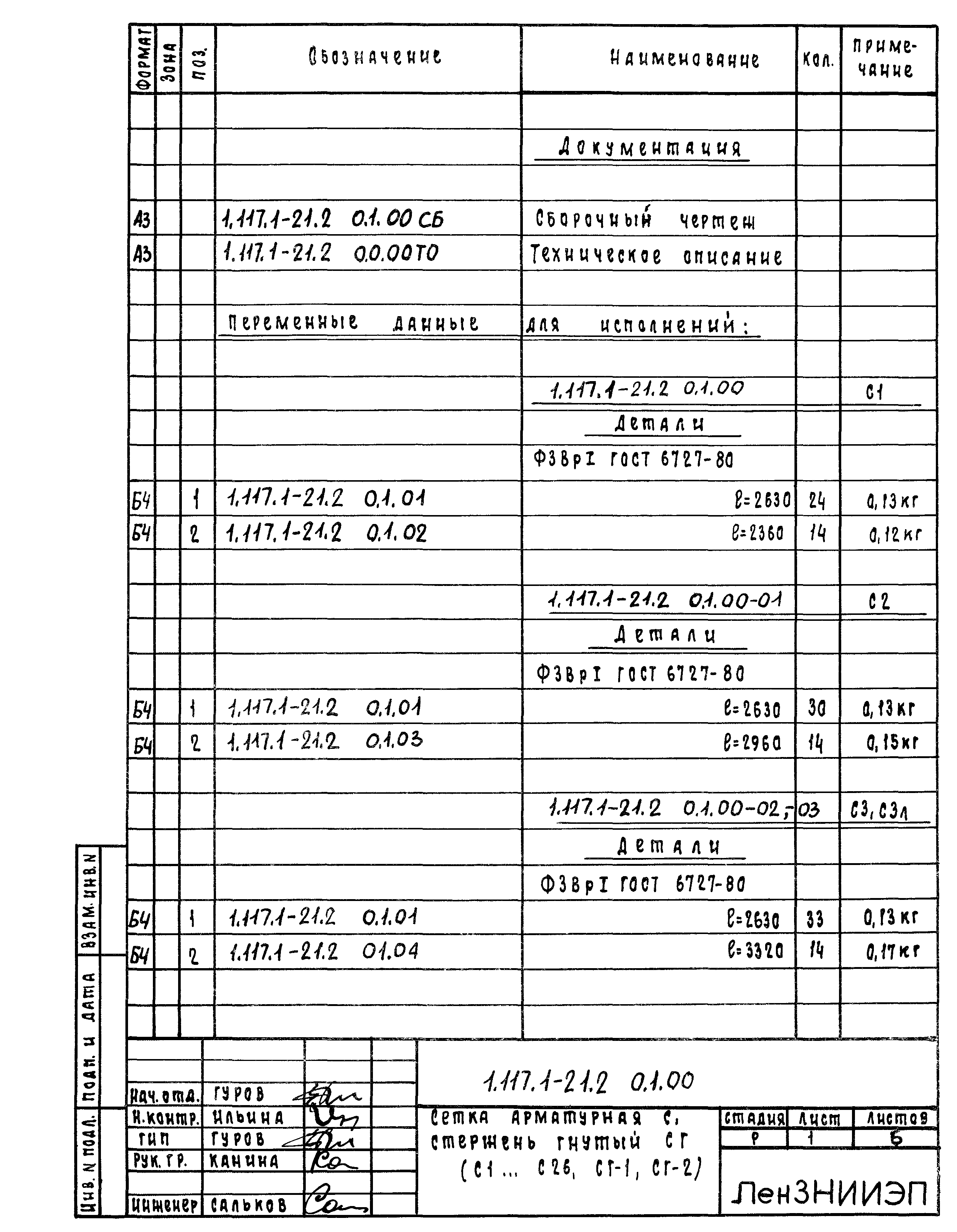
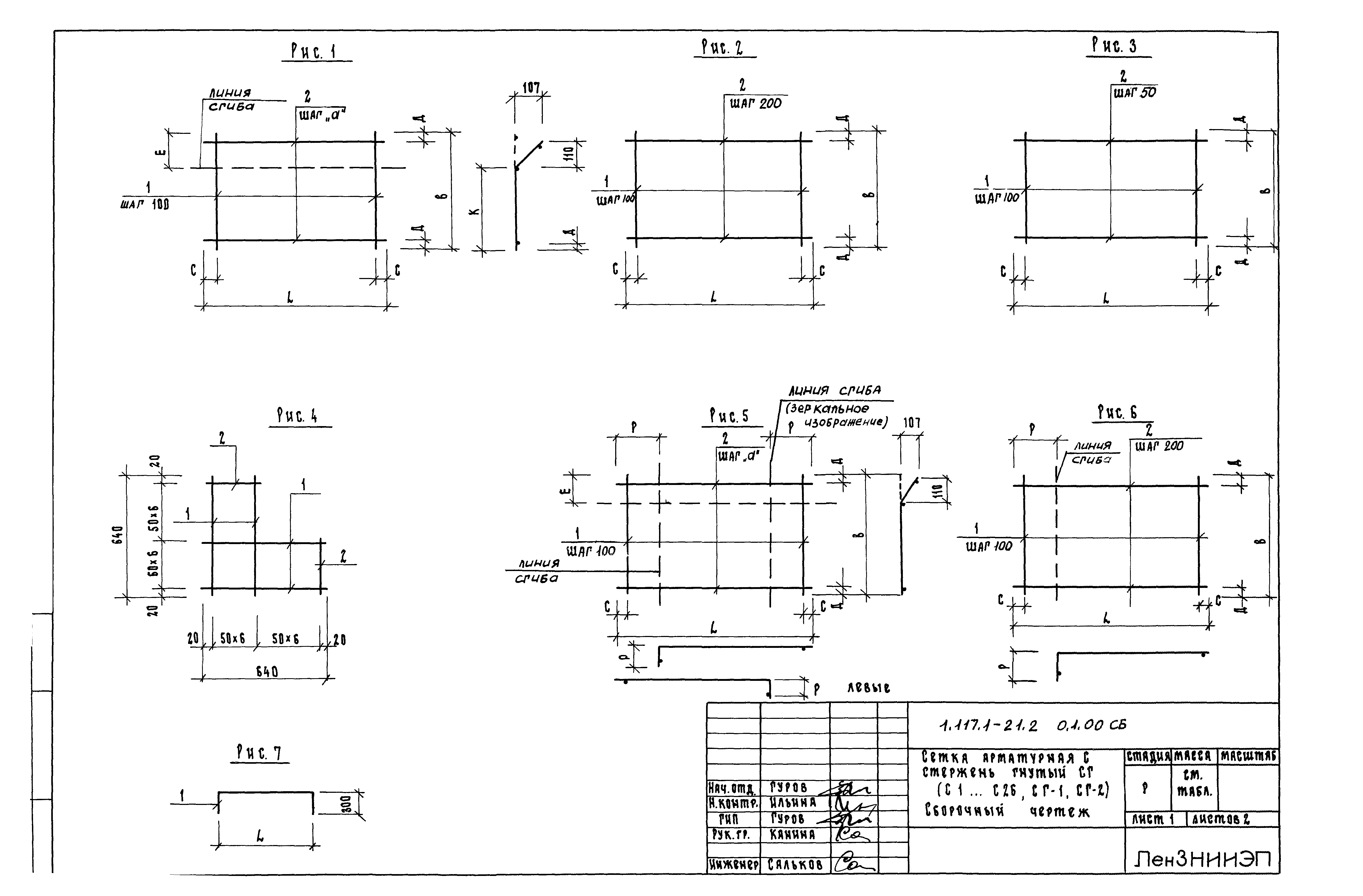
| Оглавление: | 1.117-21.2.0.0.00 Техническое описание 1.117-21.2.1.0.00 Каркас пространственный КПВ, КПН (КПВ1, КПВ2, КПВ4… КПВ7, КПН14, КПН 15 ) 1.117-21.2.1.0.00 СБ Каркас пространственный КПВ, КПН (КПВ1, КПВ2, КПВ4… КПВ7, КПН14, КПН 15 ). Сборочный чертеж 1.117-21.2.2.0.00 Каркас пространственный КПВ(КПВ8, КПВ9, КПВ12… КПВ16) 1.117-21.2.2.0.00 СБ Каркас пространственный КПВ(КПВ8, КПВ9, КПВ12… КПВ16). Сборочный чертеж 1.117-21.2.3.0.00 Каркас пространственный КПН(КПН1, КПН2, КПН6… КПН13, КПН16… КПН18) 1.117-21.2.3.0.00 СБ Каркас пространственный КПН(КПН1, КПН2, КПН6… КПН13, КПН16… КПН18). Сборочный чертеж 1.117-21.2.0.1.00 Сетка арматурная С1, Стержень гнутый СГ(С1… С26, СГ-1, СГ-2) 1.117-21.2.0.1.00 СБ Сетка арматурная С1, Стержень гнутый СГ(С1… С26, СГ-1, СГ-2). Сборочный чертеж 1.117-21.2.1.1.00 Каркас плоский К(К1… К13) 1.117-21.2.1.1.00 СБ Каркас плоский К(К1… К13). Сборочный чертеж 1.117-21.2.1.2.00 Изделие закладное (П1, АН2) 1.117-21.2.1.3.00 Изделие закладное АН1, Ана1, МНа1, МН1 |
| Разработан: | ЛенЗНИИЭП Госгражданстроя |
| Утверждён: | 20.01.1986 Госгражданстрой (Gosgrazhdanstroy 23) |
| Нормативные ссылки: |
|

























