Скачать 3РС 43-15 Объемный эркер бетонный трехслойный с высокими теплотехническими характеристиками. Рабочие чертежиДата актуализации: 01.01.2021
|
| Обозначение: | 3РС 43-15 |
| Обозначение англ: | 3РС 43-15 |
| Статус: | не определен законодательством |
| Название рус.: | Объемный эркер бетонный трехслойный с высокими теплотехническими характеристиками. Рабочие чертежи |
| Дата добавления в базу: | 01.09.2013 |
| Дата актуализации: | 01.01.2021 |
| Дата введения: | 24.06.1997 |
| Дата окончания срока действия: | 30.06.2003 |
| Область применения: | Альбом содержит рабочие чертежи объемного эркера бетонного трехслойного с высокими теплотехническими характеристиками, предназначенного для жилых домов серии П3М производства АО ДСК-3. |
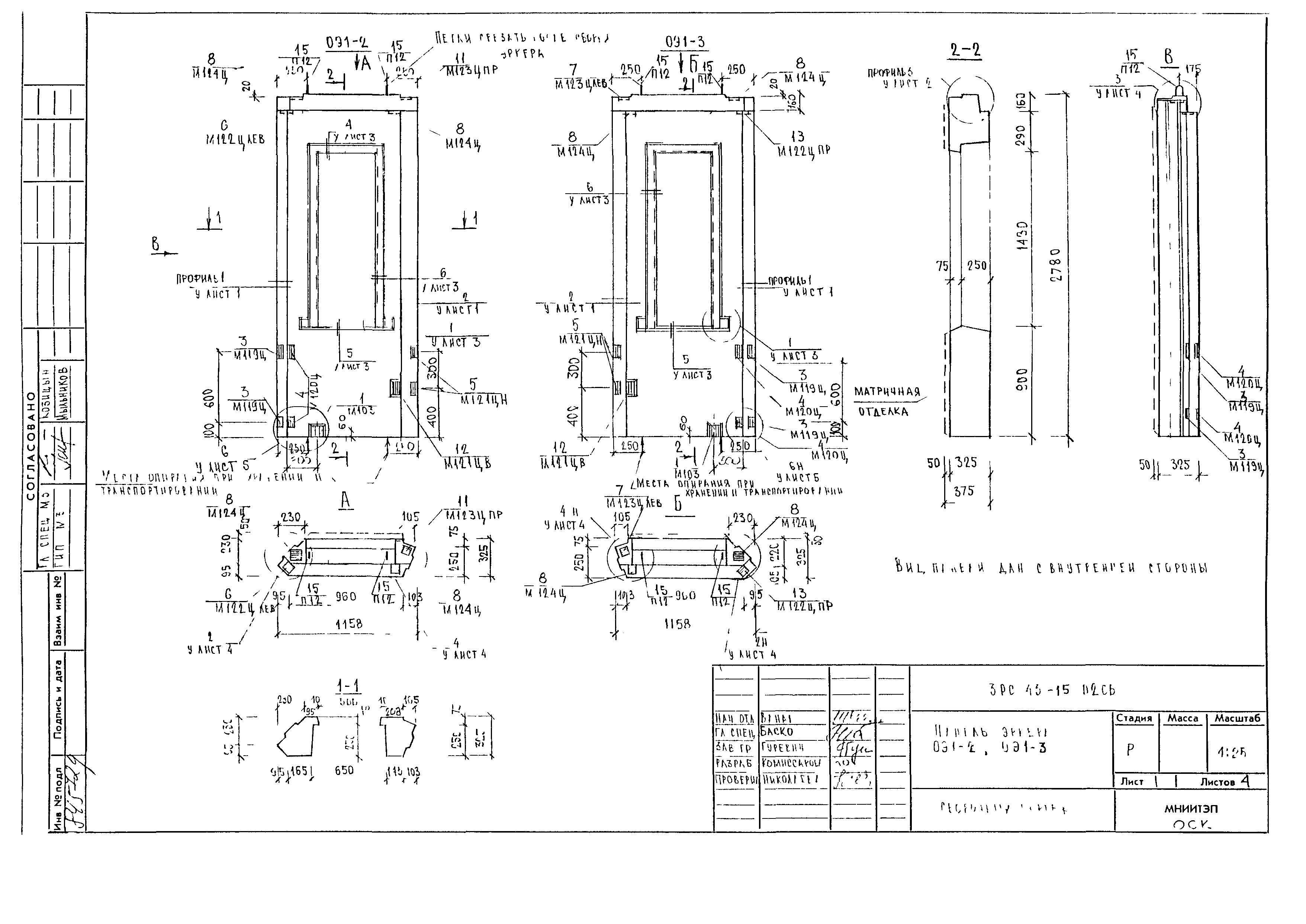
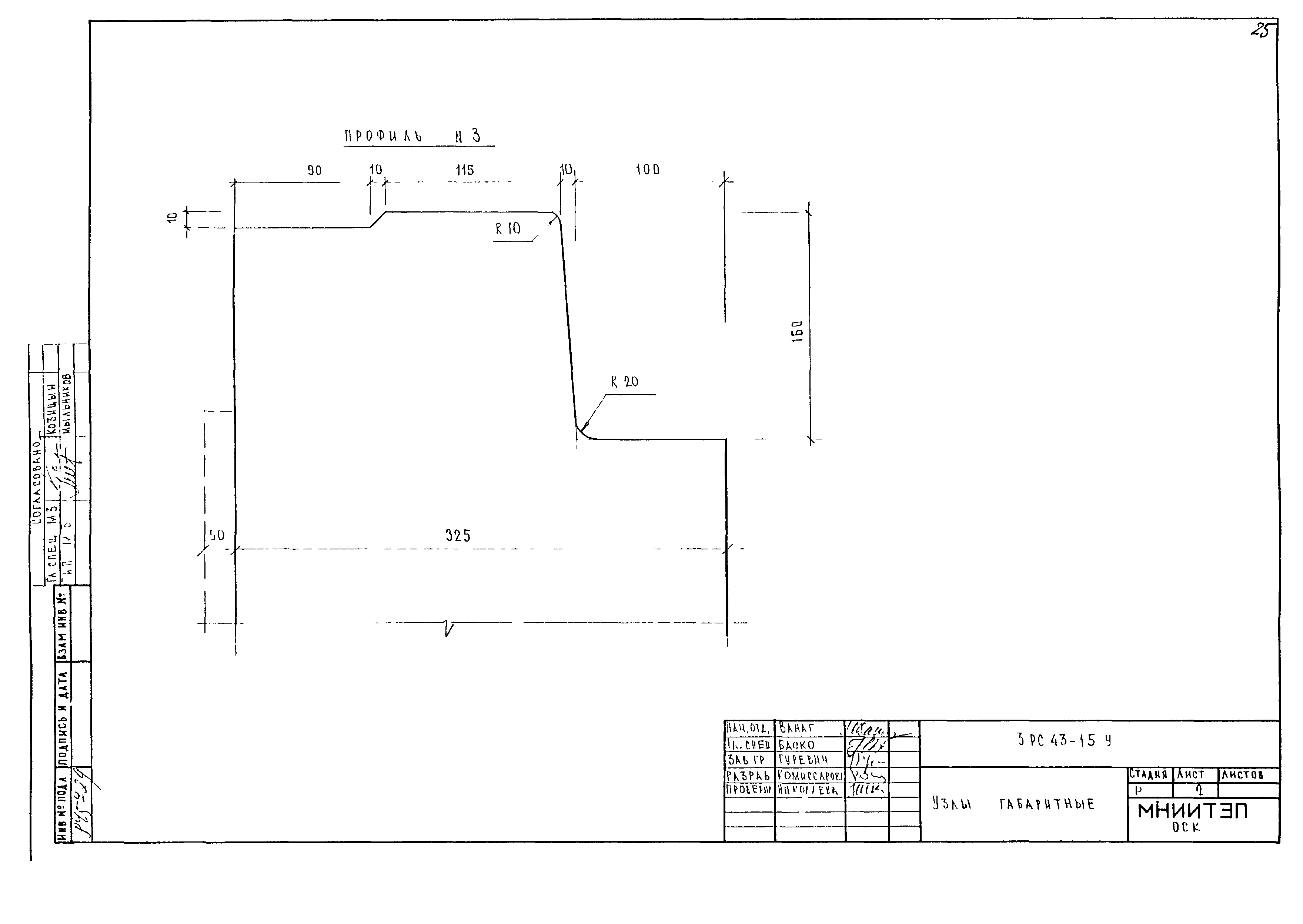
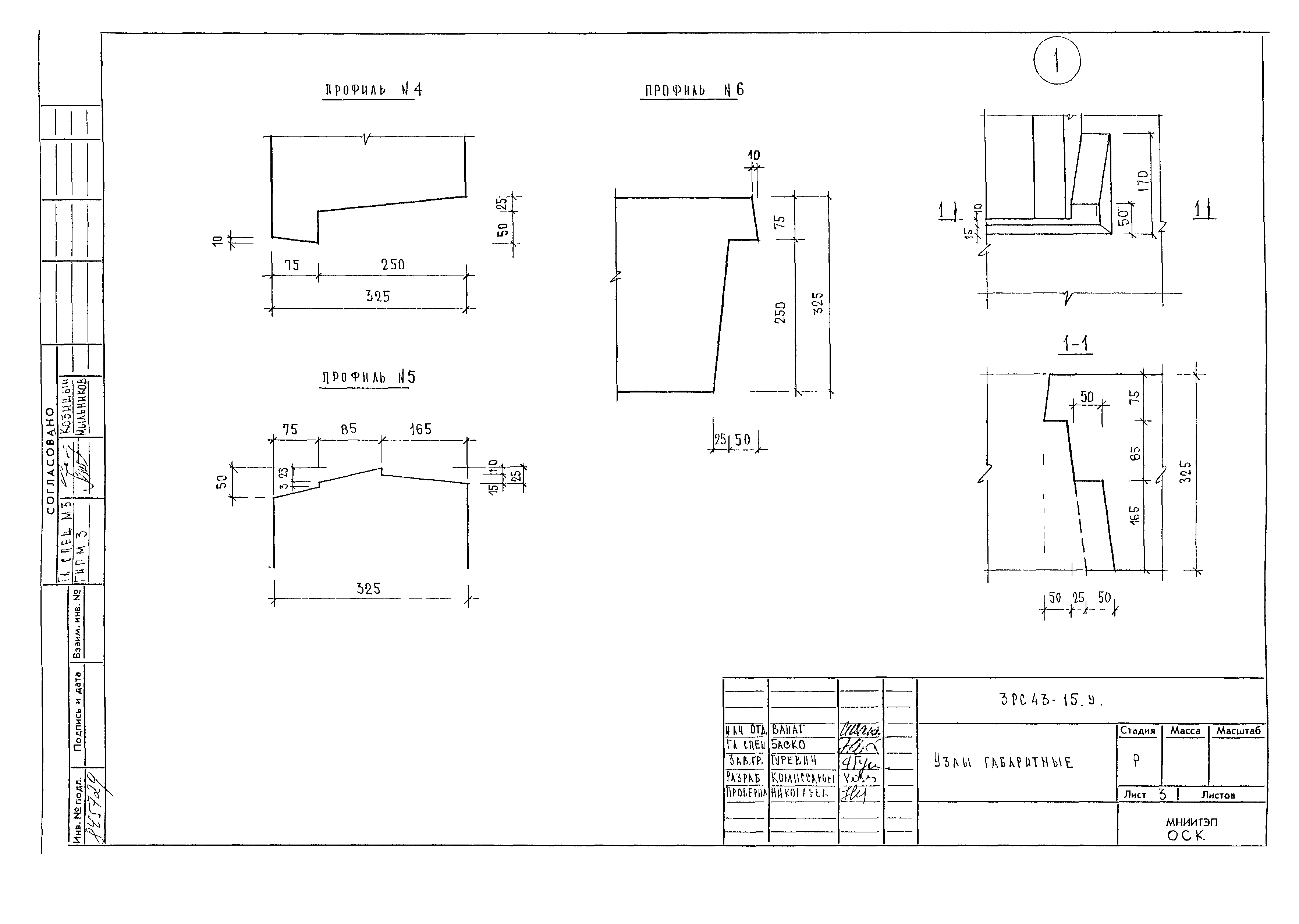
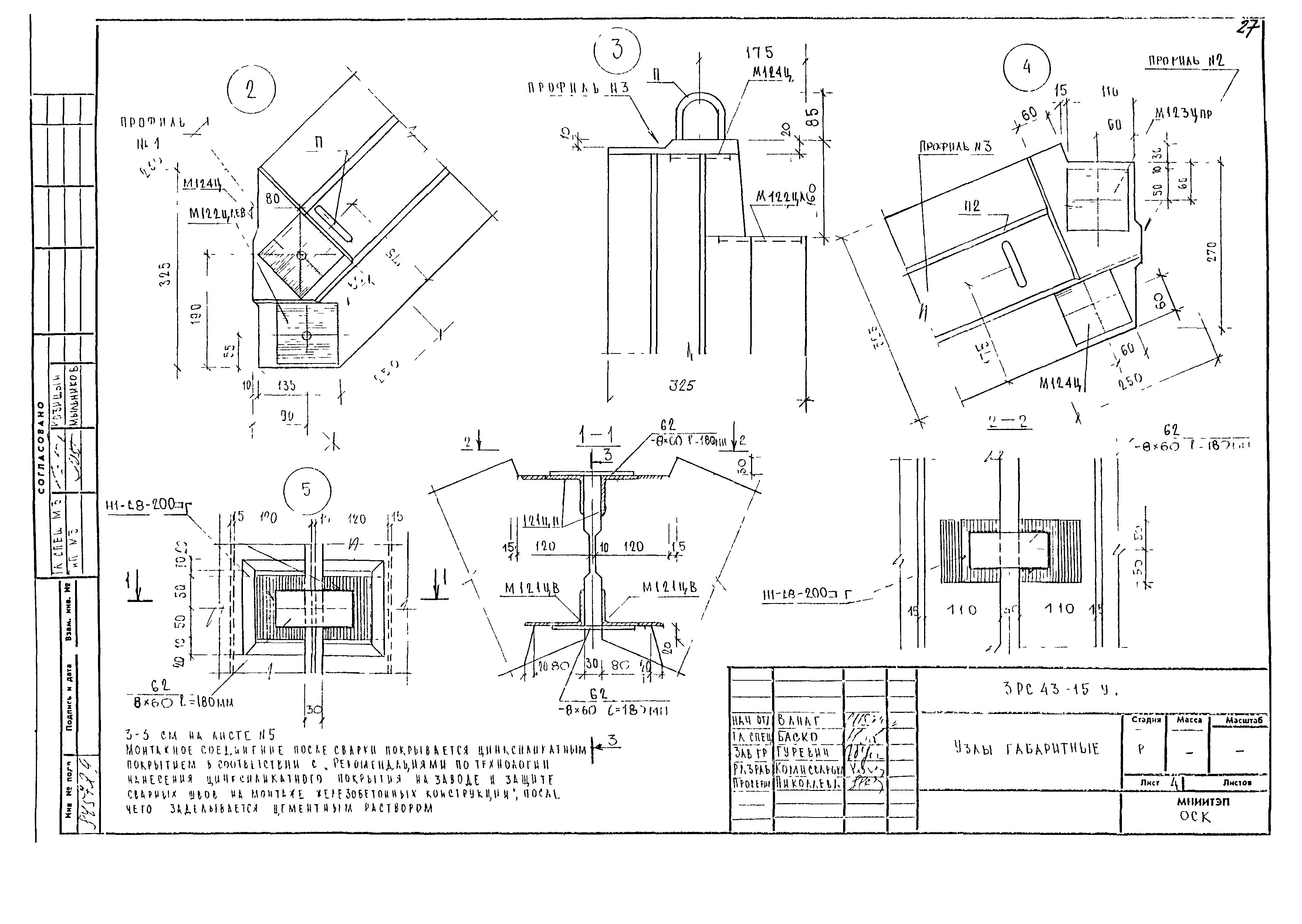
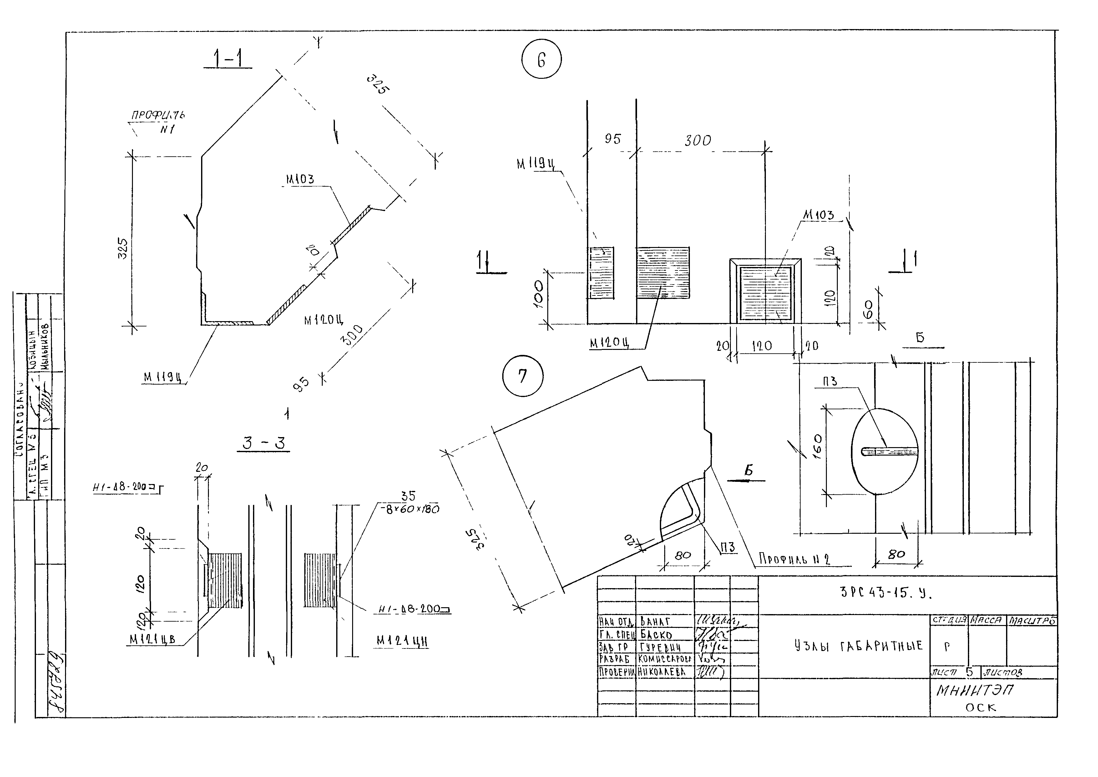
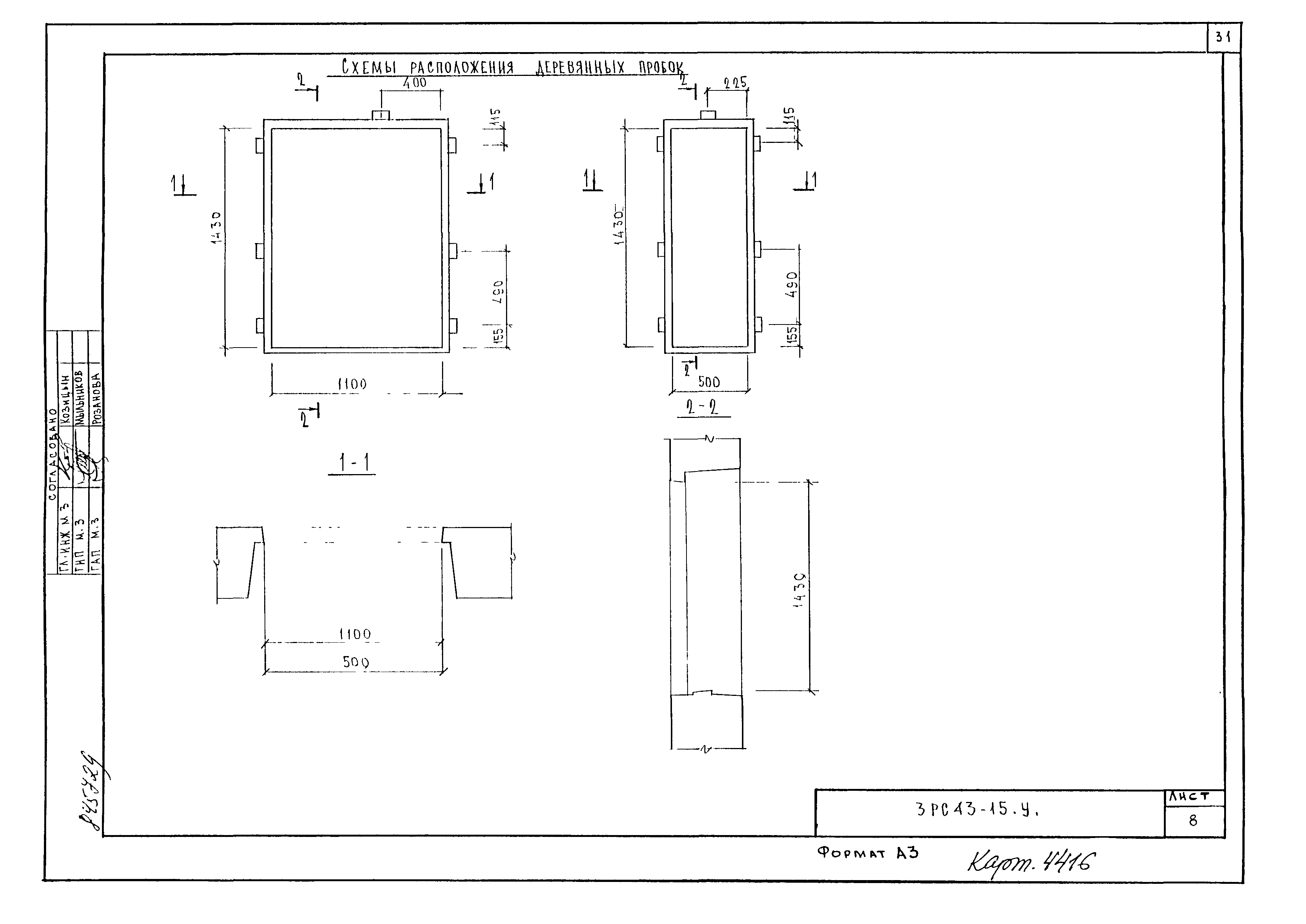
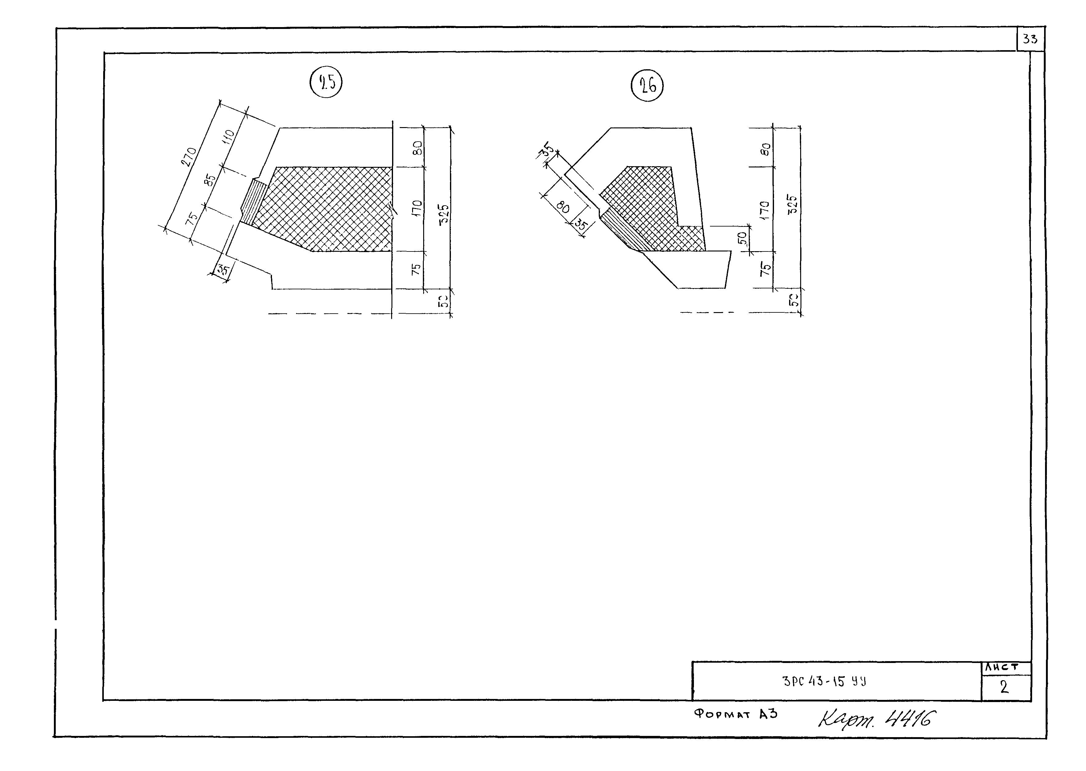
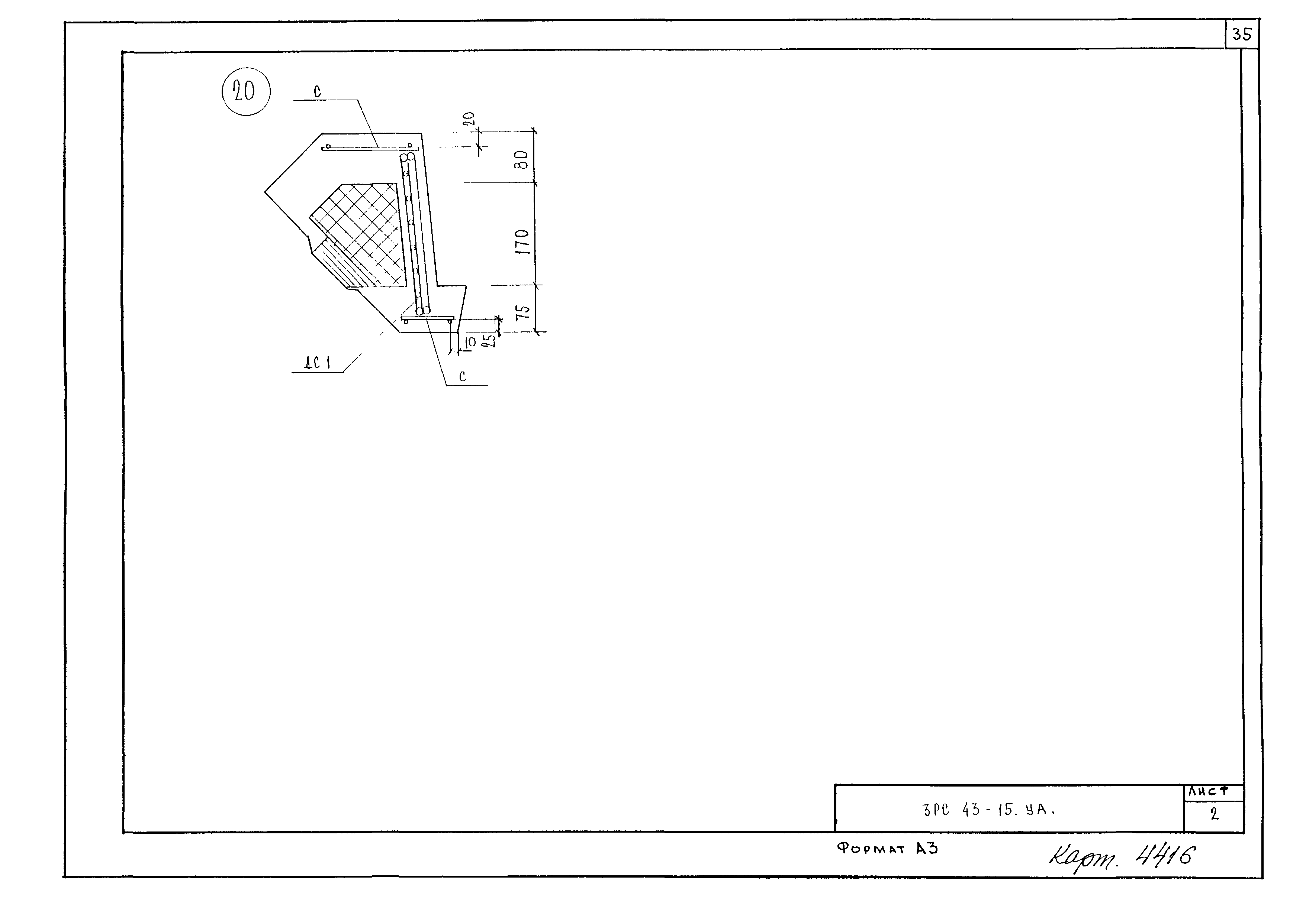
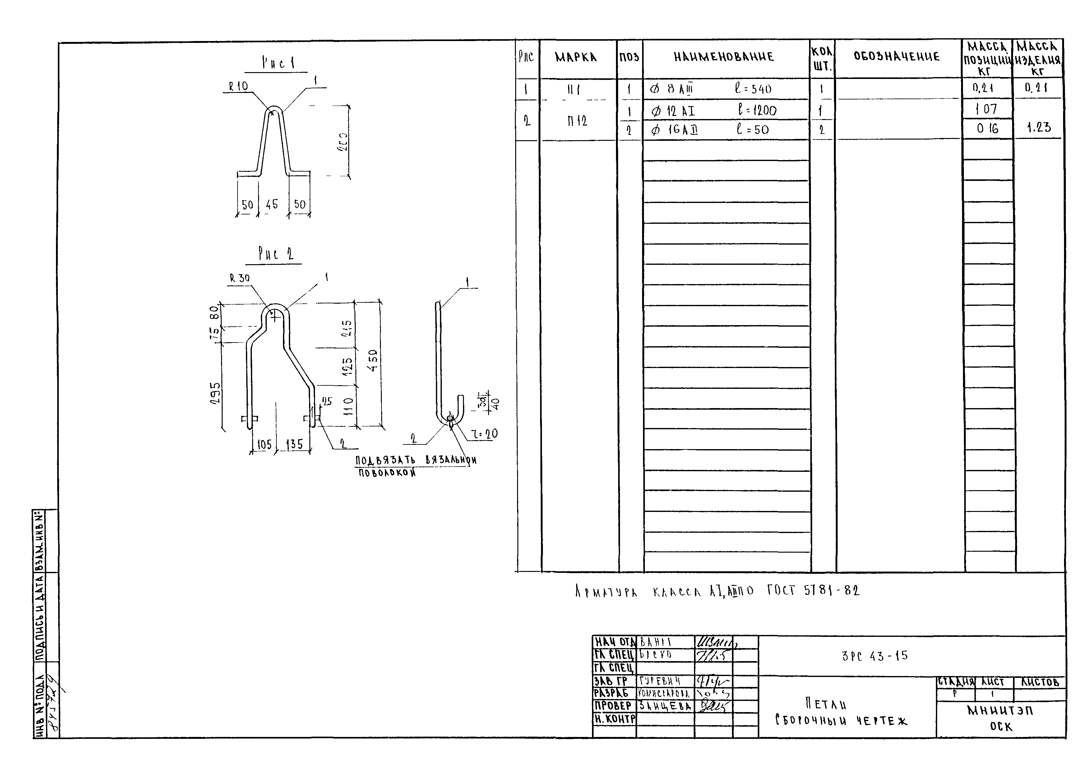
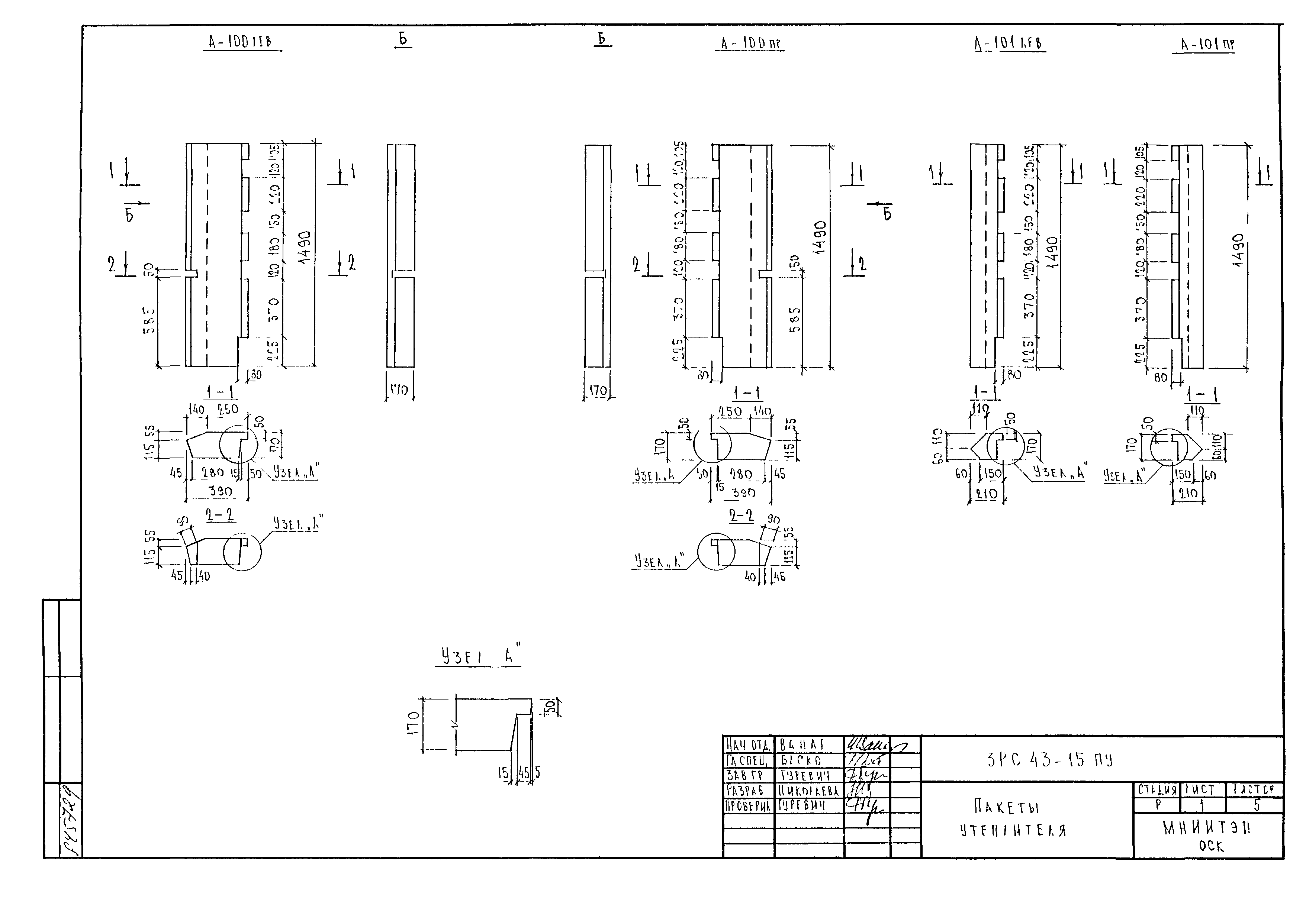
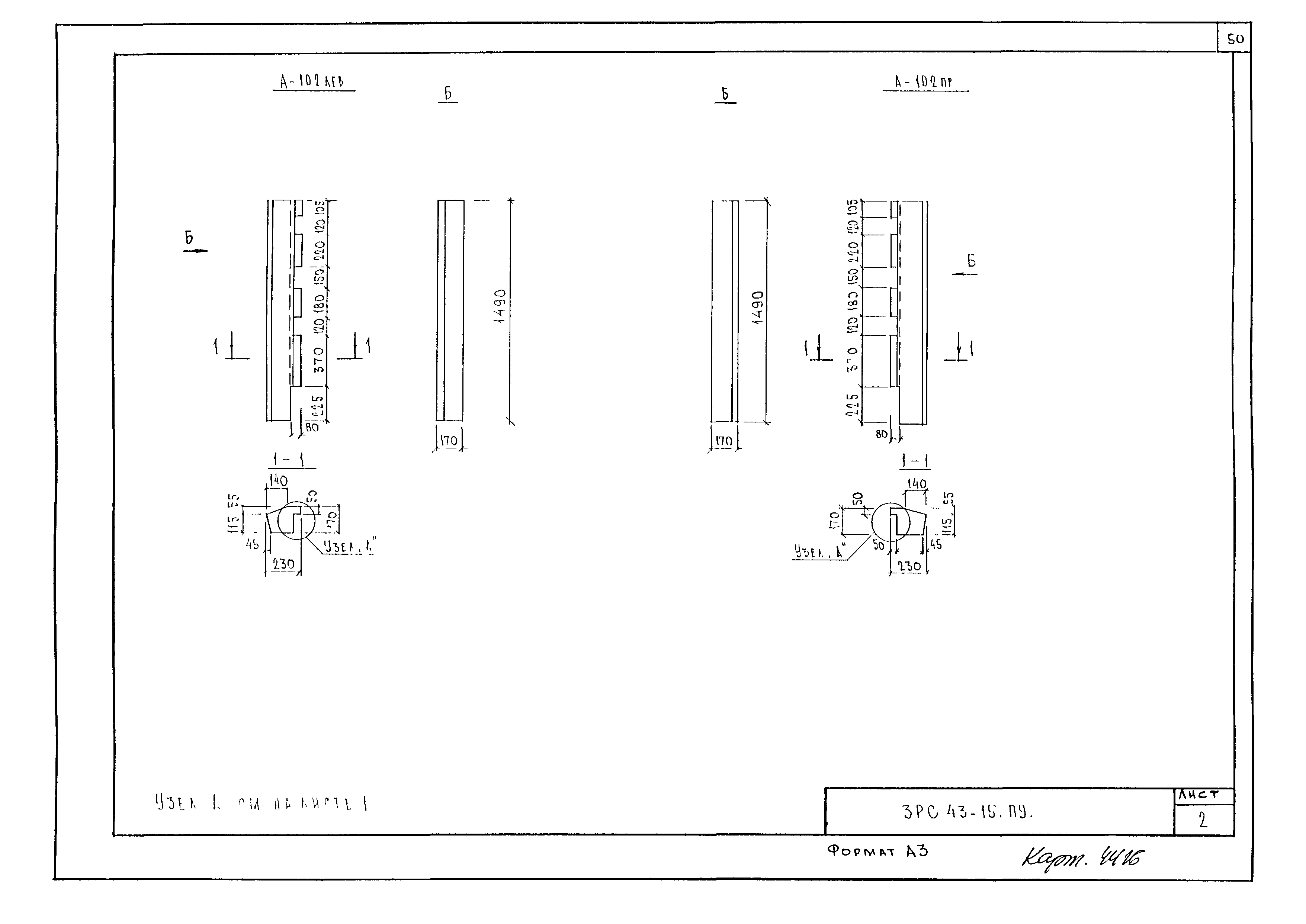
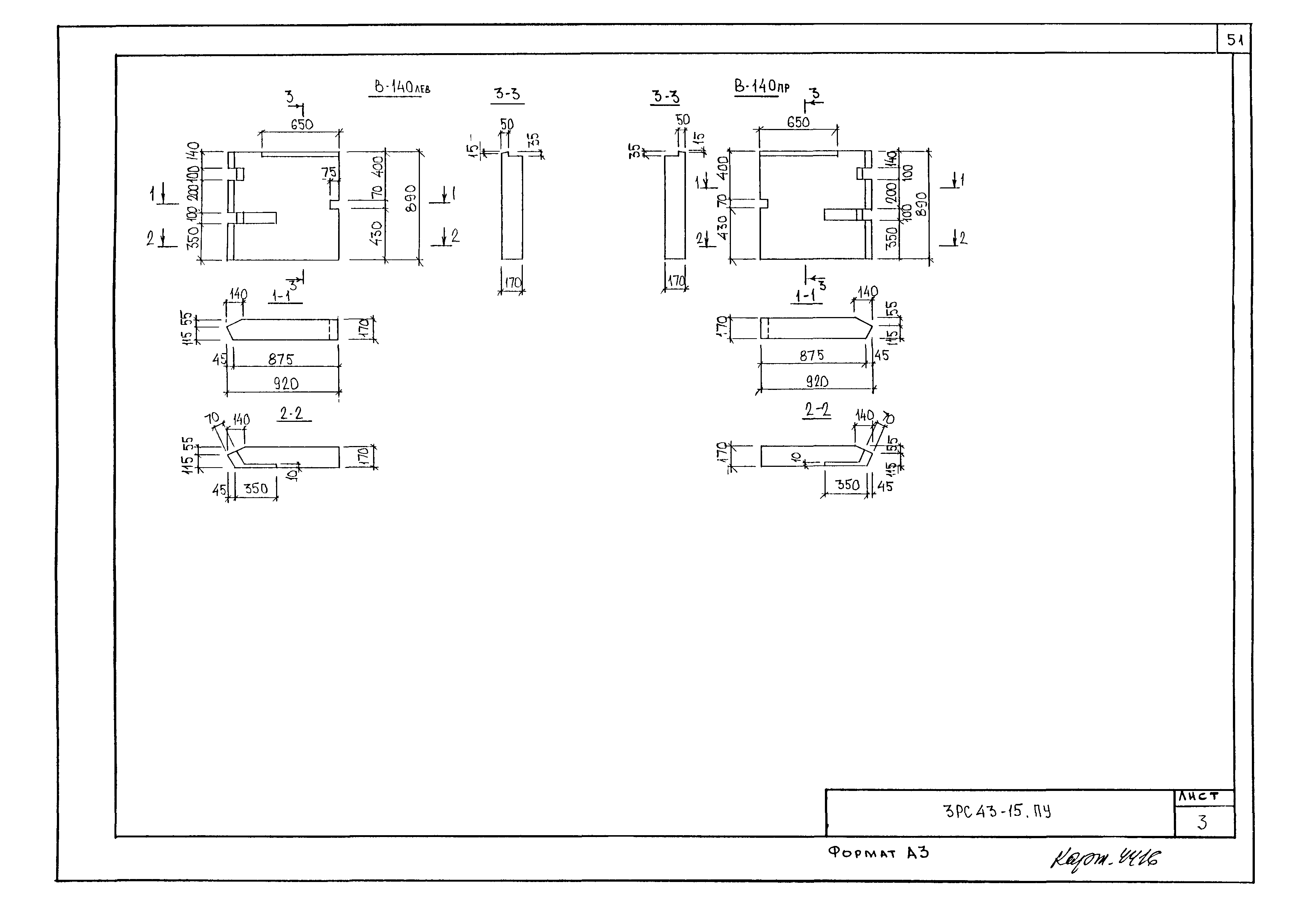
| Оглавление: | ЗРС43-15.ПЗ. Пояснительная записка ЗРС43-15.НИ. Номенклатура изделий ЗРС43-15.РС. Ведомость расхода стали ЗРС43-15.СУ. Спецификация пакетов утеплителя ЗРС43-15.01СБ. Панель эркера ОЭ1-1. Сборочный чертеж ЗРС43-15.02СБ. Панель эркера ОЭ1-2, ОЭ1-3. Сборочный чертеж ЗРС43-15.03СБ. Нащельник HI. Сборочный чертеж ЗРС43-15.04СБ. Объемный эркер 0Э1. Сборочный чертеж ЗРС43-15.У. Узлы габаритные ЗРС43-15.УУ. Узлы раскладки утеплителя ЗРС43-15.УА. Узлы арматурные ЗРС43-15. Каркасы. Сборочный чертеж ЗРС43-15. Сетки. Сборочный чертеж ЗРС43-15. Дискретная связь. Сборочный чертеж ЗРС43-15. Закладные детали. Сборочный чертеж ЗРС43-15. Петли. Сборочный чертеж ЗРС43-15. Пакеты утеплителя ЗРС43-15. Информационная карта |
| Разработан: | МНИИТЭП |
| Утверждён: | 24.06.1997 МНИИТЭП (MNIITEP 12-то) |





















































