Скачать Серия 1.116-5 Выпуск 1. Цокольные бетонные блоки толщиной 45 и 55 смДата актуализации: 01.01.2021
|
| Обозначение: | Серия 1.116-5 |
| Обозначение англ: | Series 1.116-5 |
| Статус: | действует |
| Название рус.: | Выпуск 1. Цокольные бетонные блоки толщиной 45 и 55 см |
| Дата добавления в базу: | 01.09.2013 |
| Дата актуализации: | 01.01.2021 |
| Дата введения: | 01.07.1980 |
| Область применения: | Рабочие чертежи цокольных блоков для жилых зданий с крупноблочными стенами разработаны в составе общесоюзного каталога индустриальных изделий для жилищно-гражданского строительства. Область применения: I климатический район СССР (подрайоны 1А, 1Б, 1Г) и районы с обычными условиями строительства |
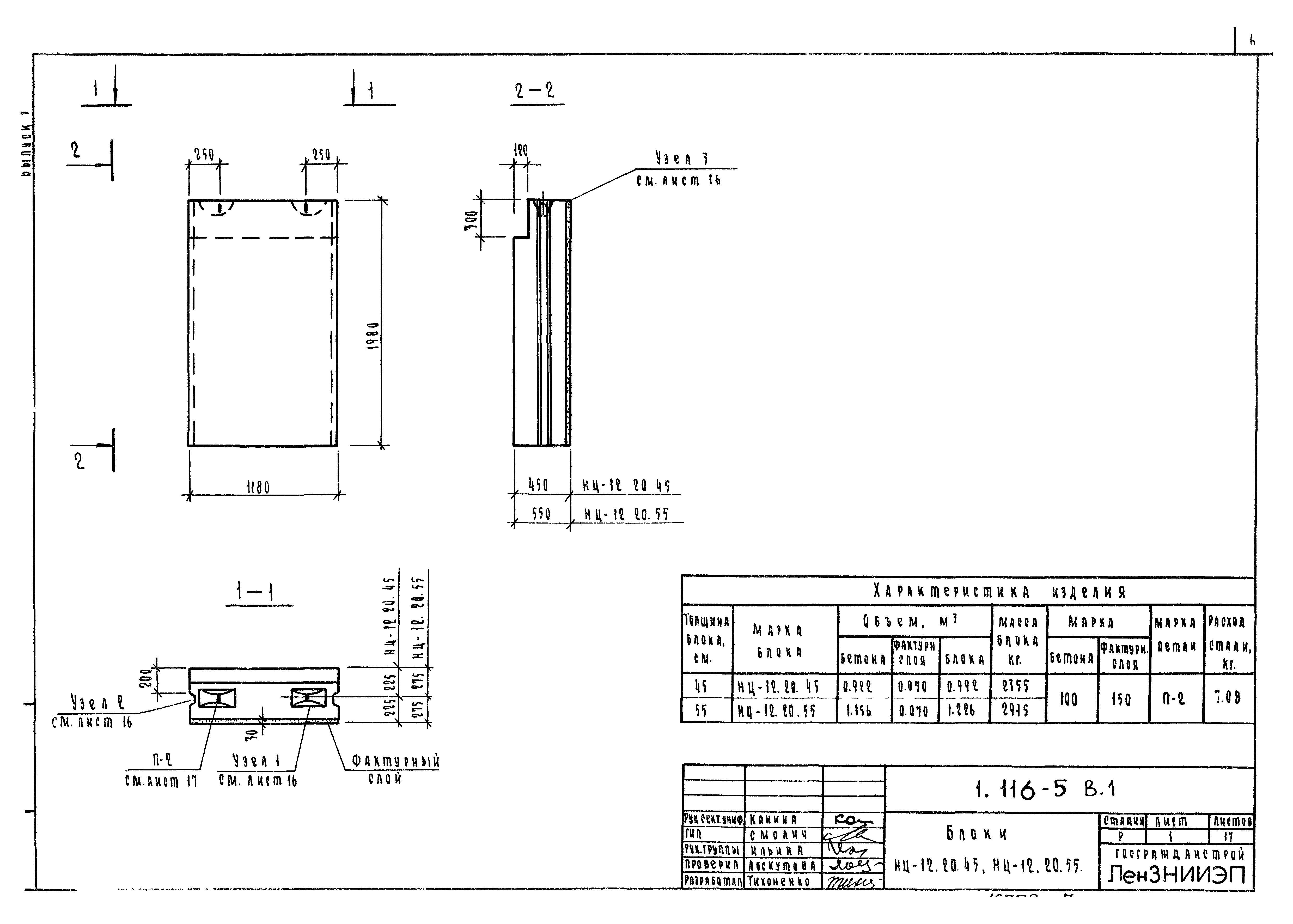
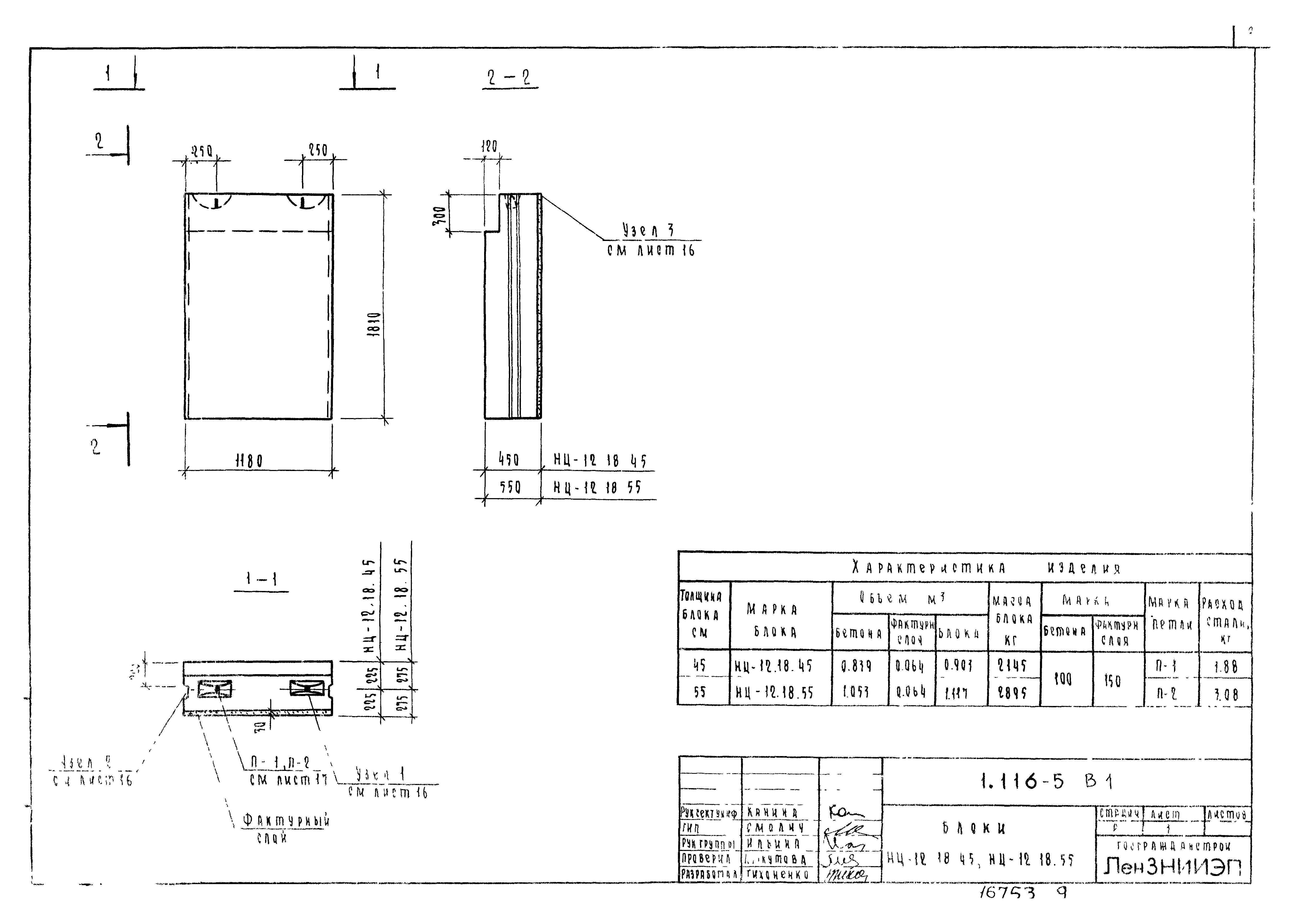
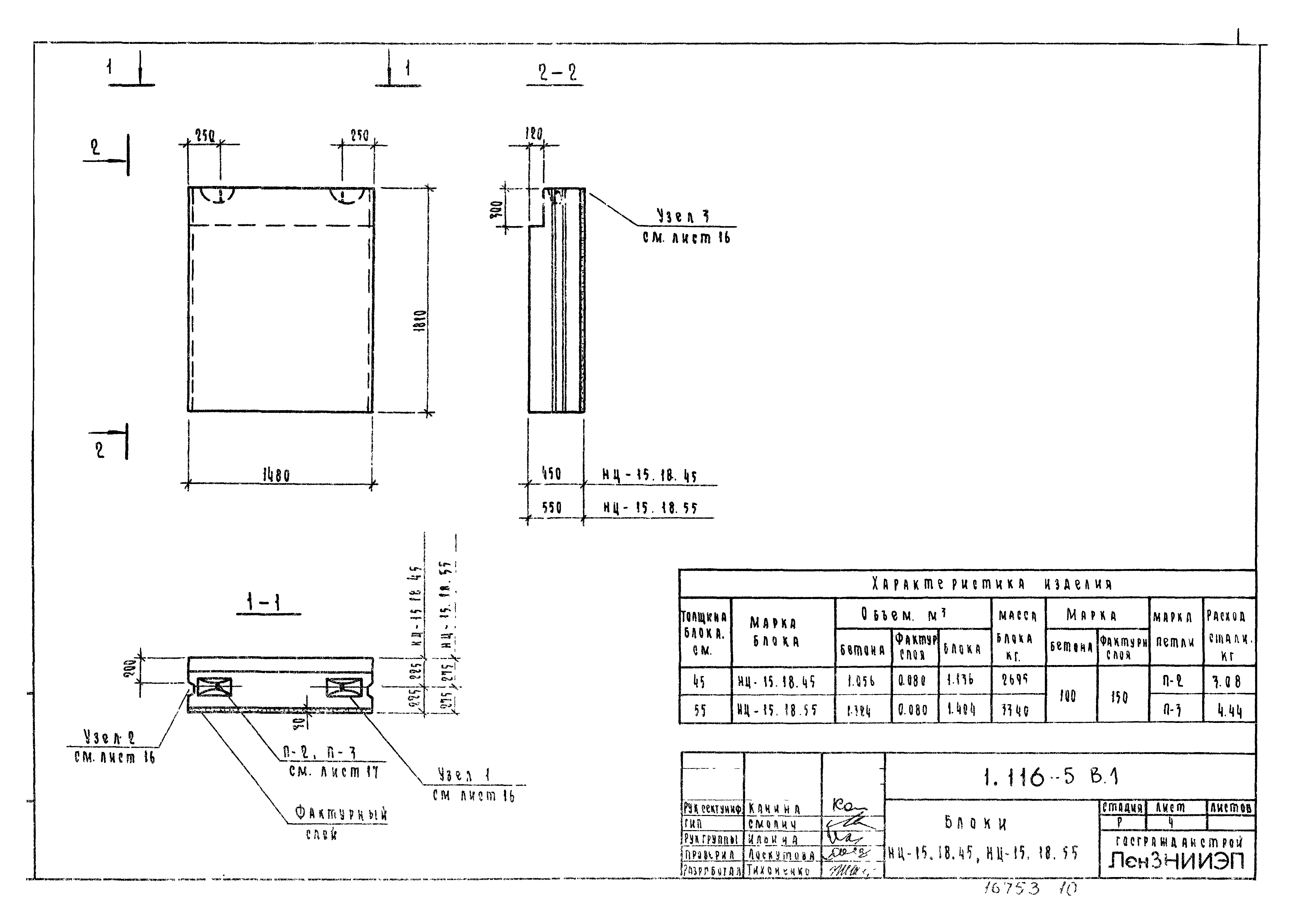
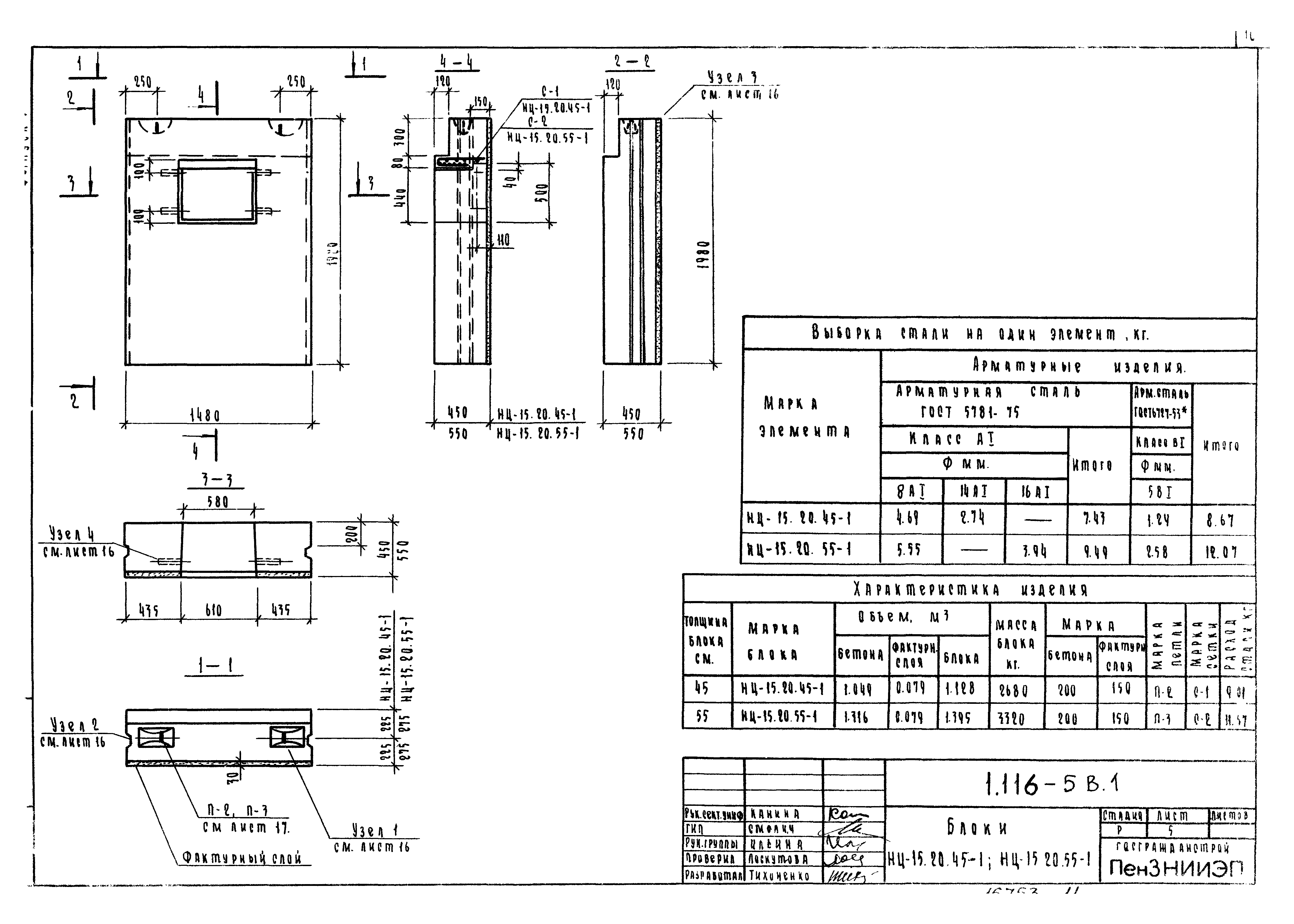
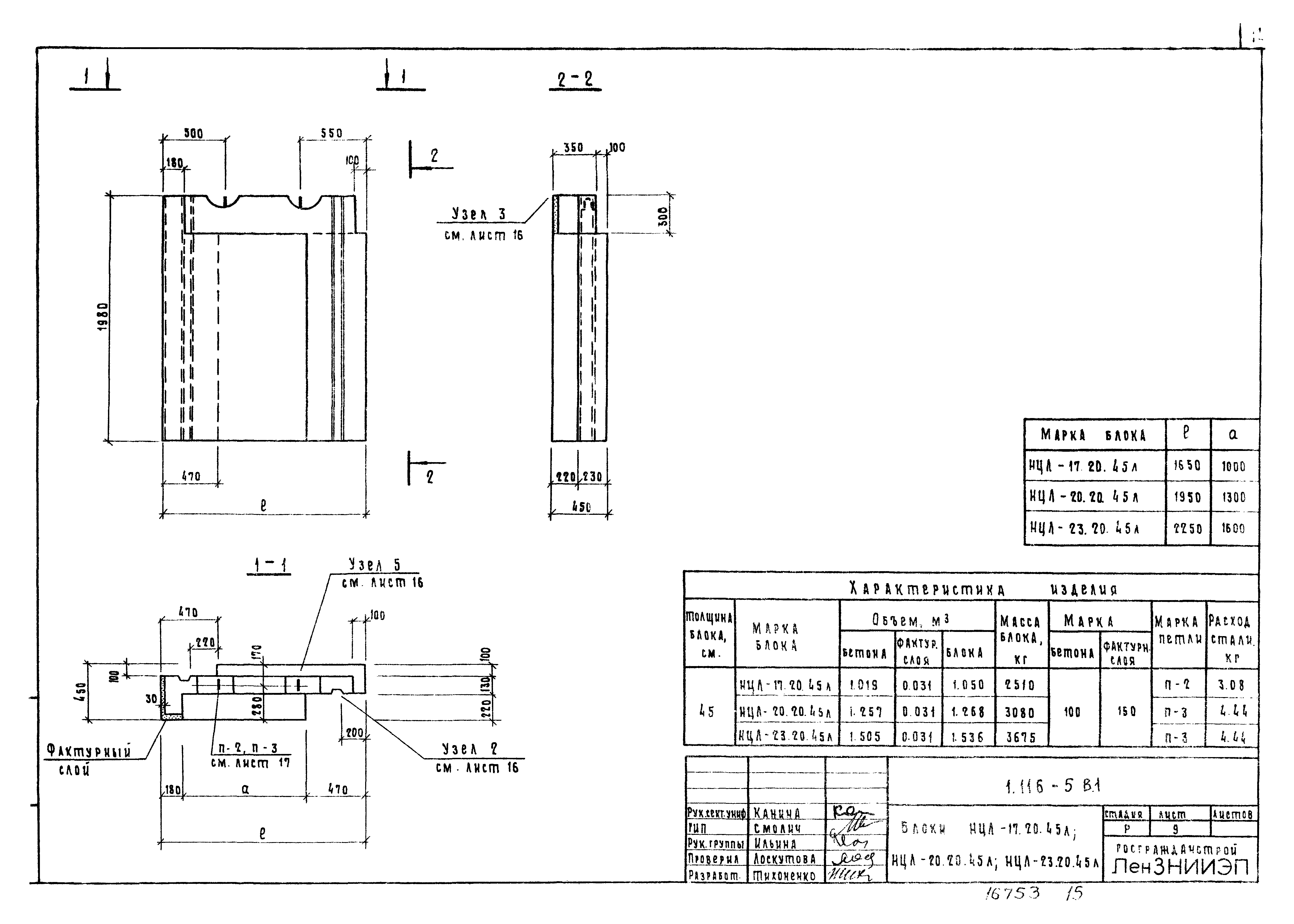
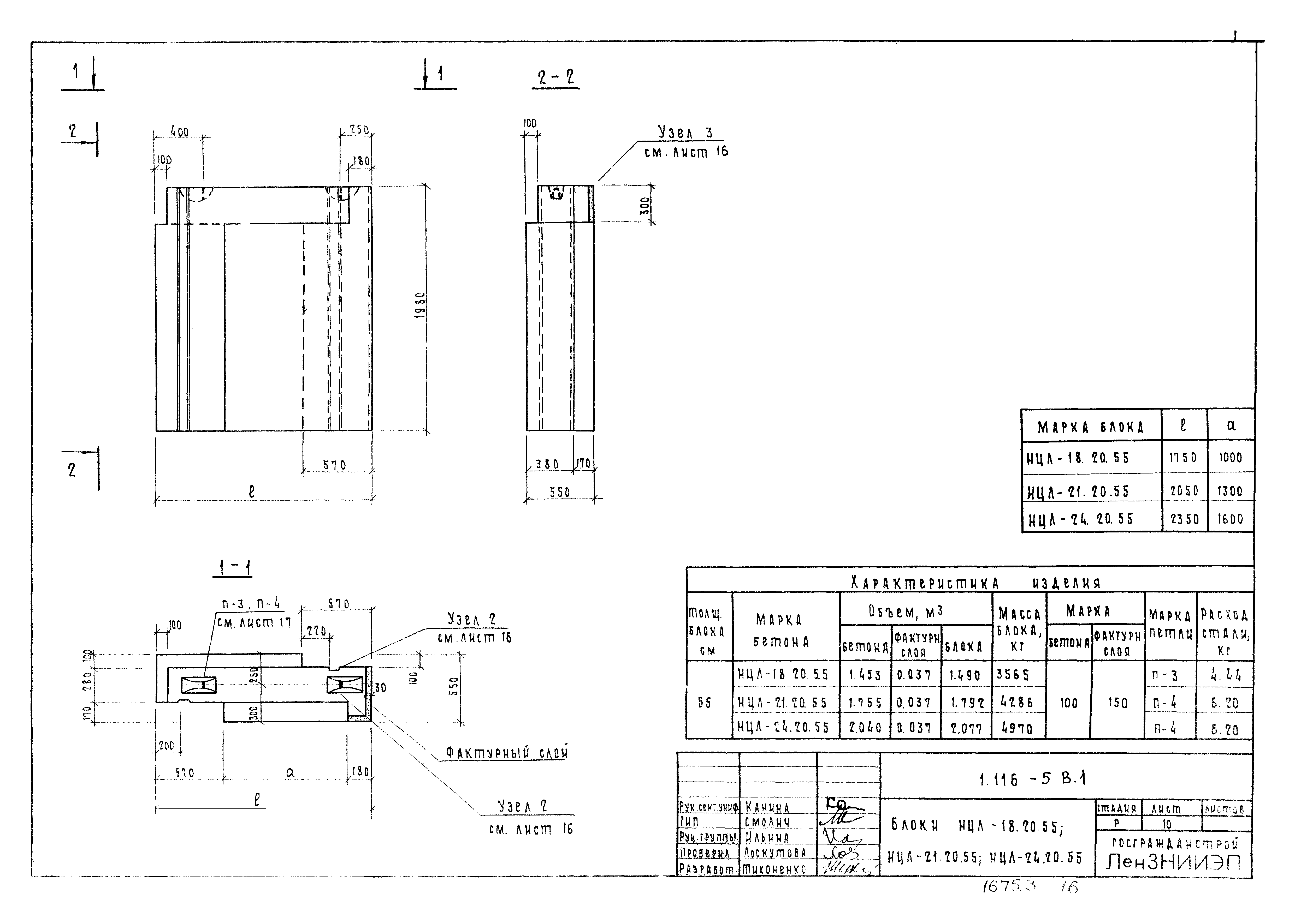
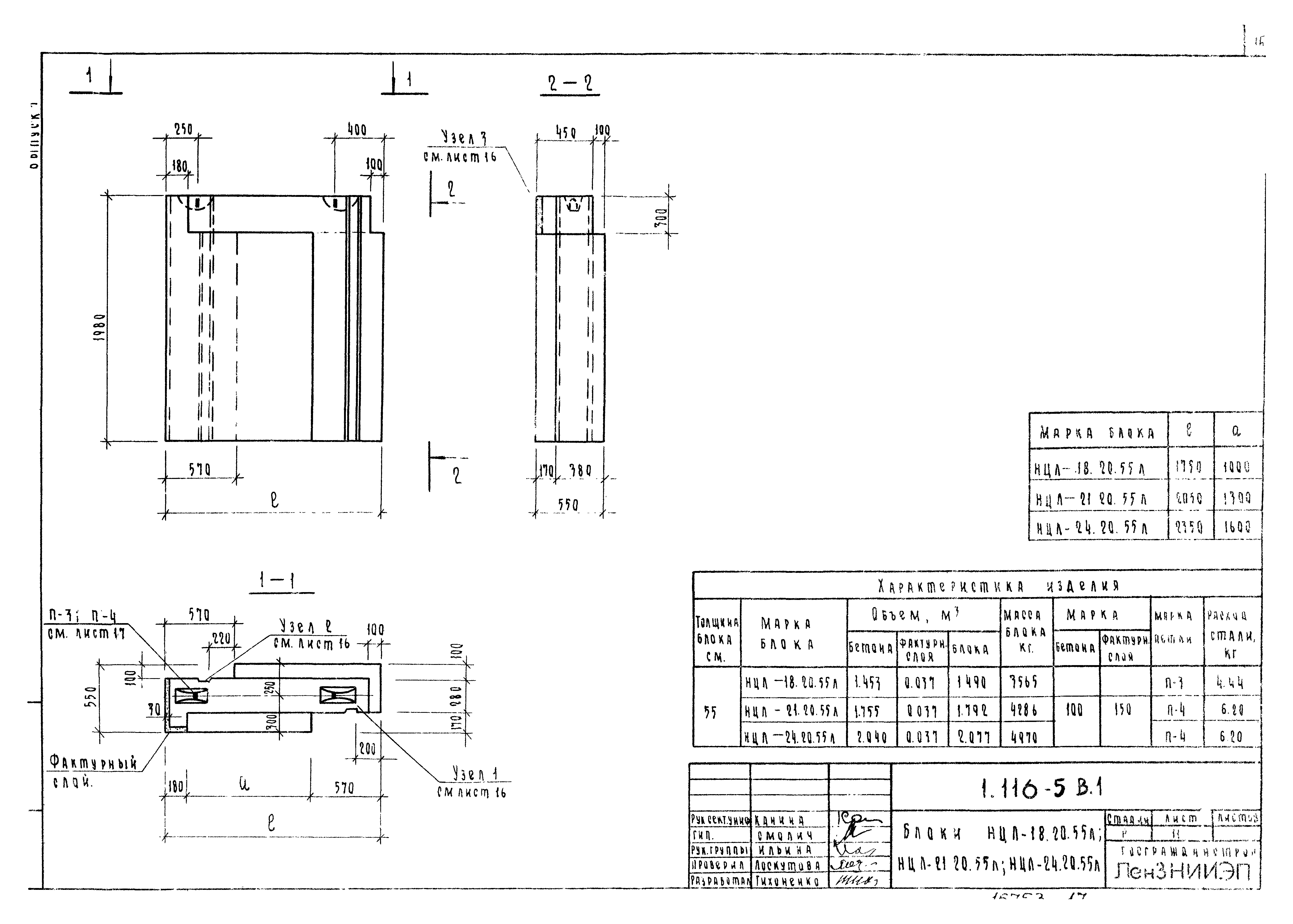
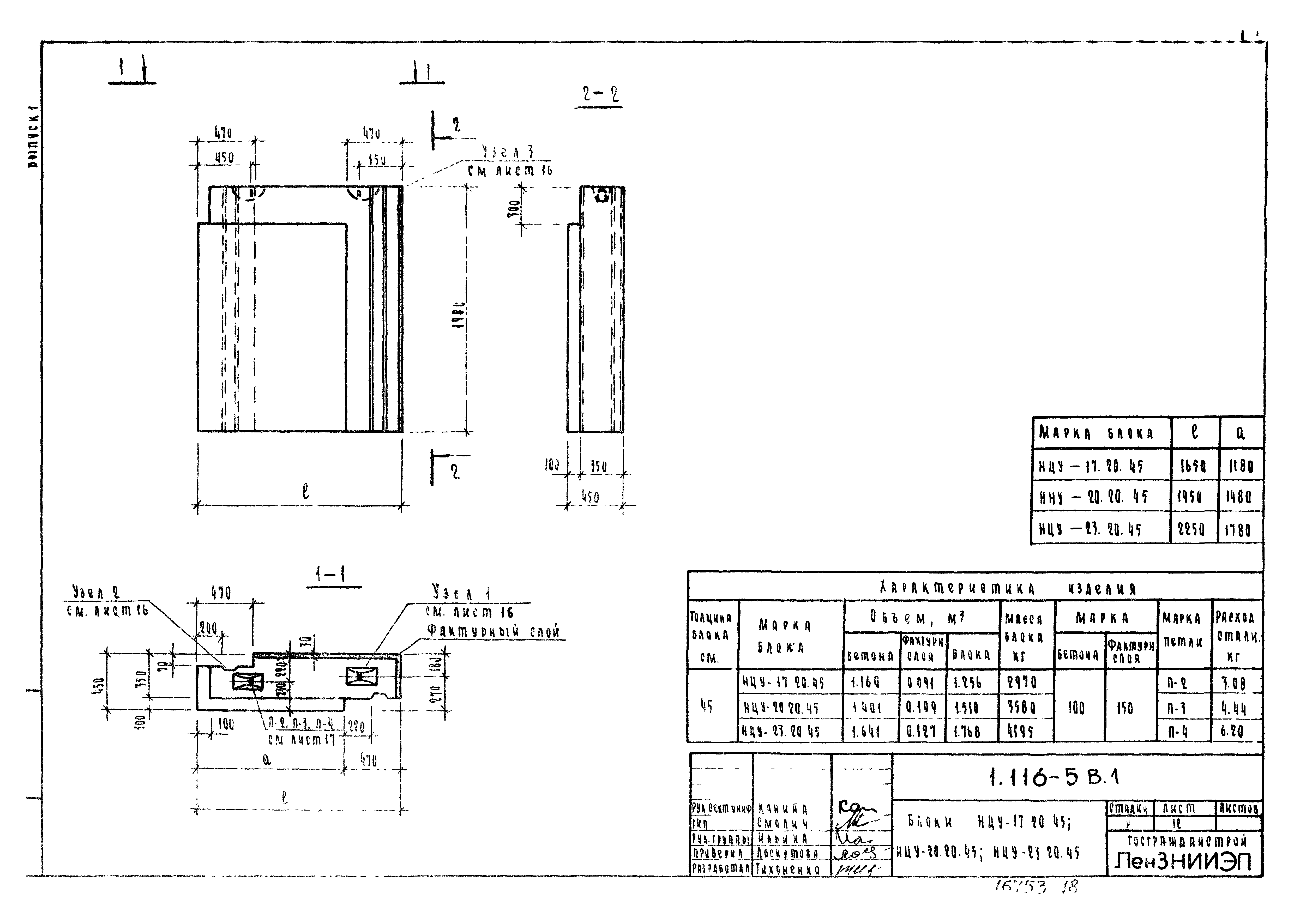
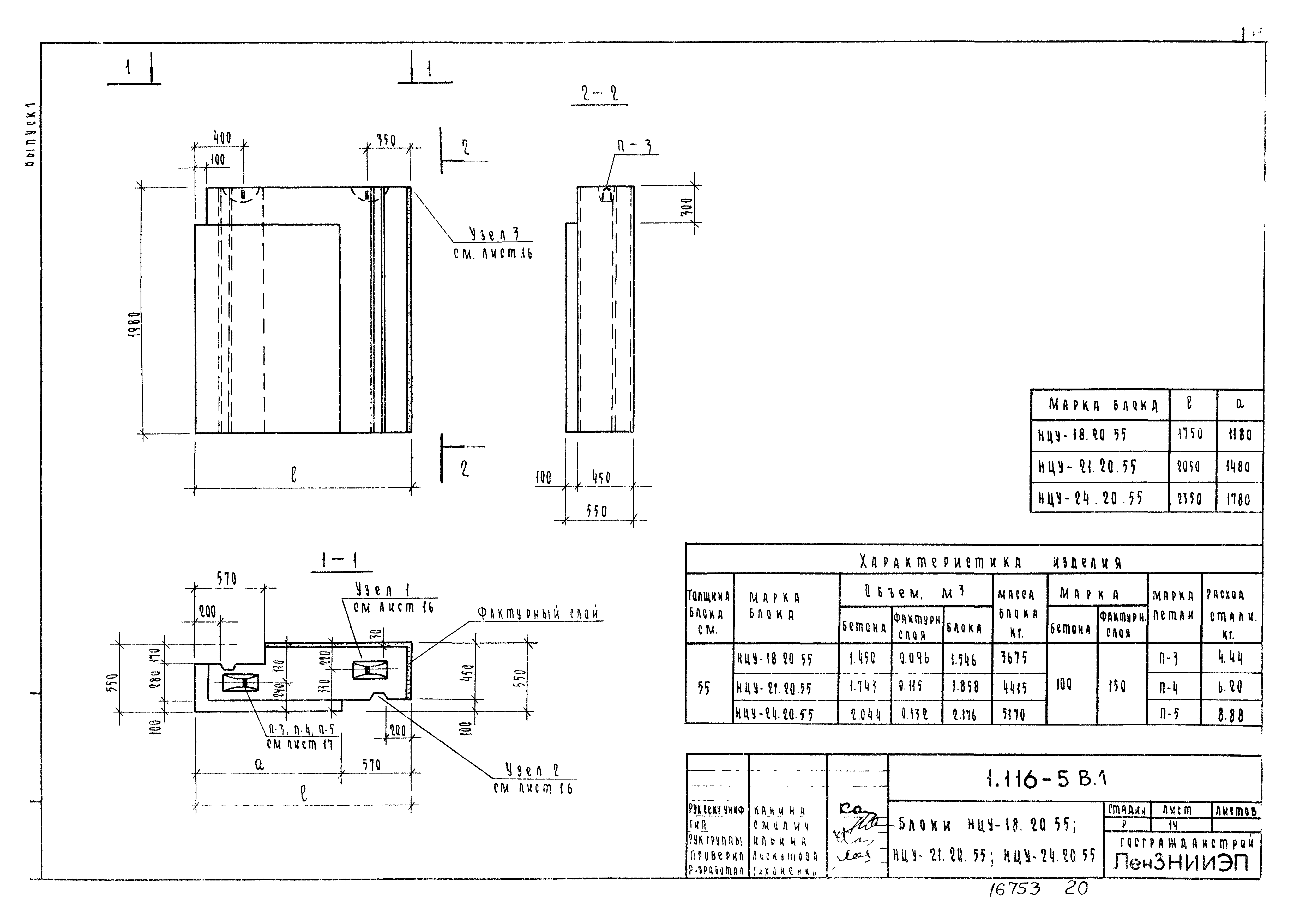
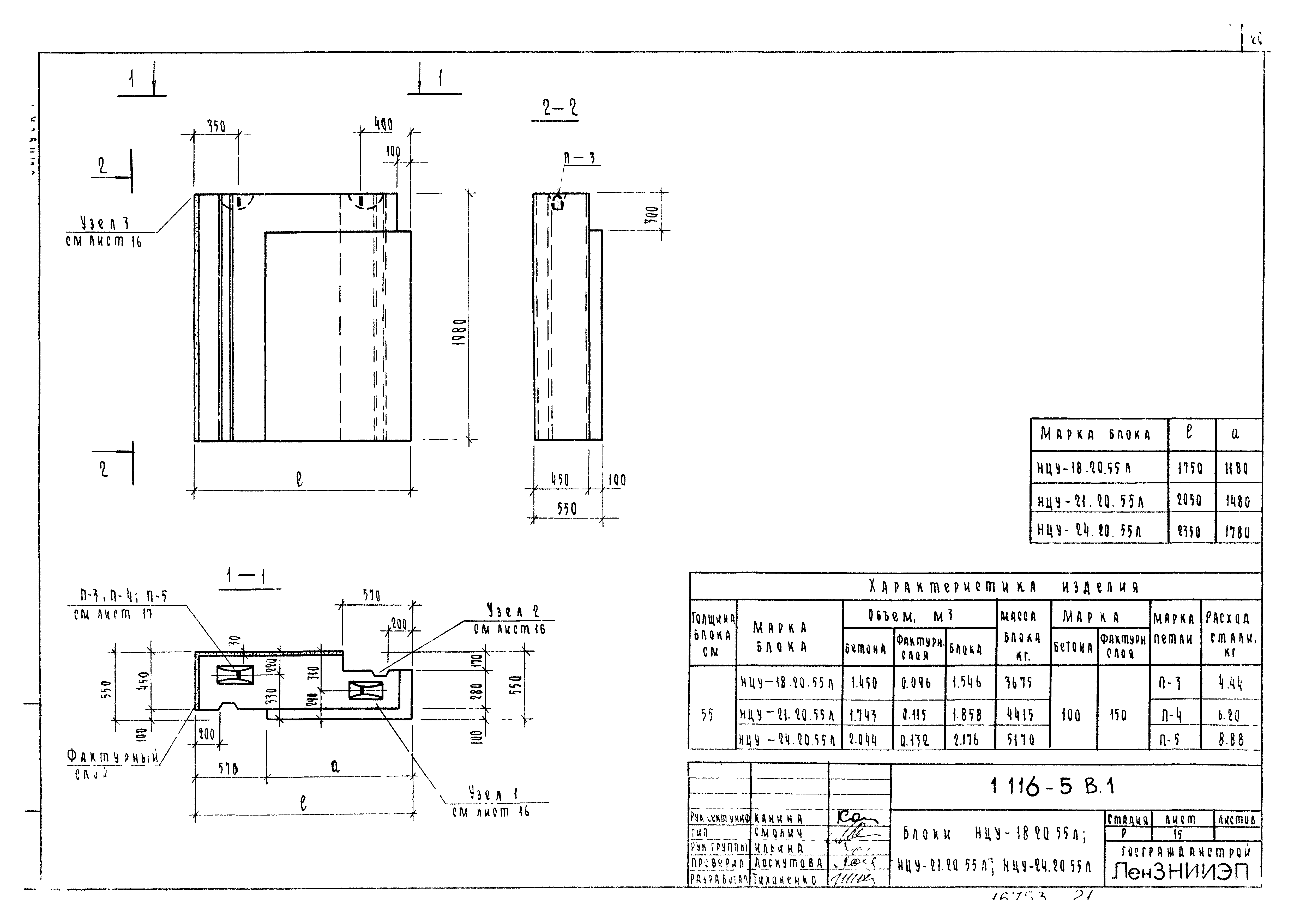
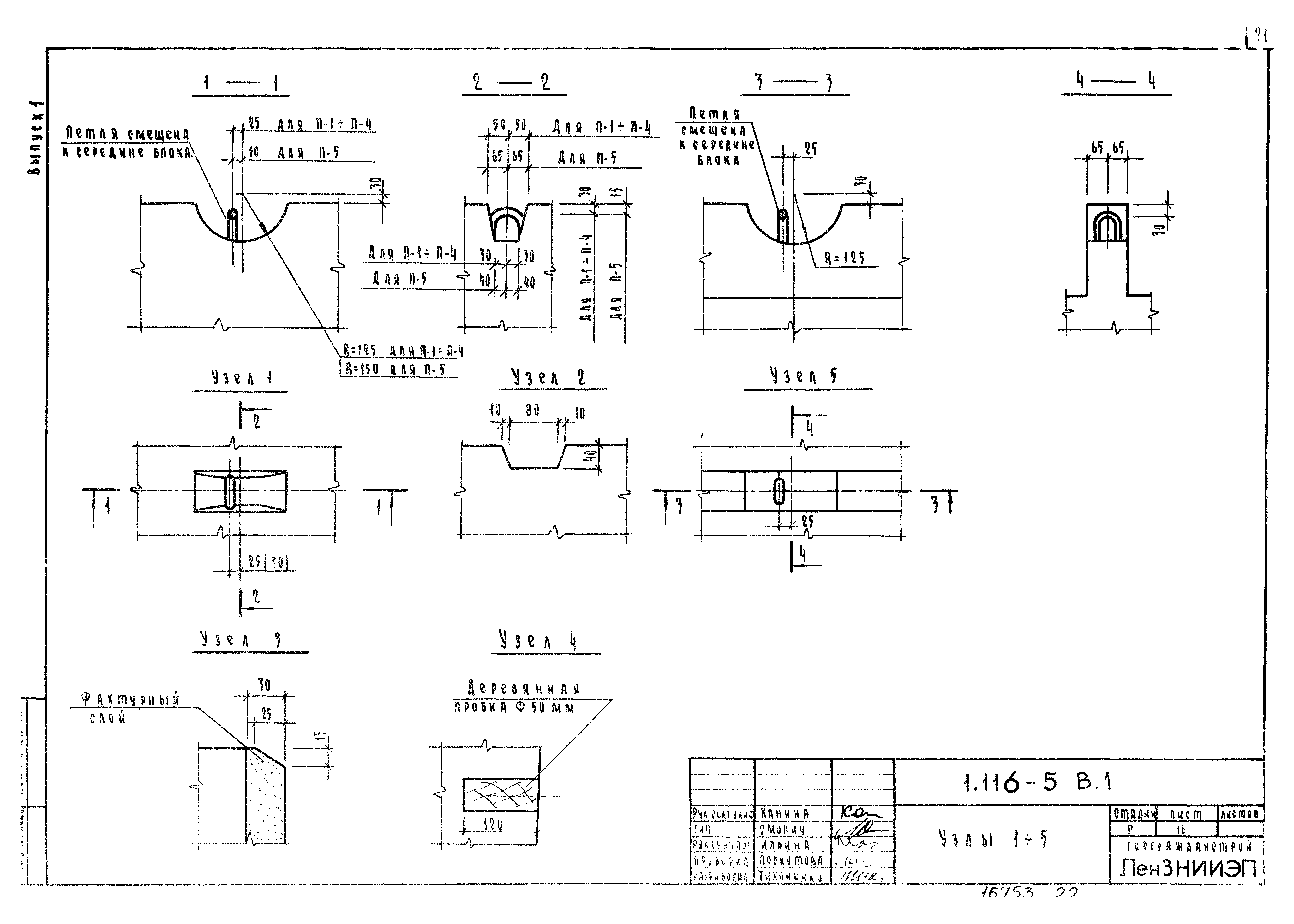
| Оглавление: | Содержание. Пояснительная записка Номенклатура изделий Блоки НЦ-12.20.45; НЦ-12.20.55 Блоки НЦ-15.20.45; НЦ-15.20.55 Блоки НЦ-12.18.45; НЦ-12.18.55 Блоки НЦ-15.18.45; НЦ-15.18.55 Блоки НЦ-15.20.45-1; НЦ-15.20.55-1 Блоки НЦУ-16.20.45; НЦУ-17.20.55 Блоки НЦУ-16.20.45л; НЦУ-17.20.55л Блоки НЦЛ-17.20.45; НЦЛ-20.20.45; НЦЛ-23.20.45 Блоки НЦЛ-17.20.45л; НЦЛ-20.20.45л; НЦЛ-23.20.45л Блоки НЦЛ-18.20.55; НЦЛ-21.20.55; НЦЛ-24.20.55 Блоки НЦЛ-18.20.55л; НЦЛ-21.20.55л; НЦЛ-24.20.55л Блоки НЦУ-17.20.45; НЦУ-20.20.45; НЦУ-23.20.45 Блоки НЦУ-17.20.45л; НЦУ-20.20.45л; НЦУ-23.20.45л Блоки НЦУ-18.20.55; НЦУ-21.20.55; НЦУ-24.20.55 Блоки НЦУ-18.20.55л; НЦУ-21.20.55л; НЦУ-24.20.55л Узлы 1/5 Сетки С-1, С-2, монтажные петли П-1/П-5 |
| Разработан: | ЛенЗНИИЭП Госгражданстроя |
| Утверждён: | 06.06.1980 Госгражданстрой (Gosgrazhdanstroy 150) |
| Нормативные ссылки: |






















