Скачать Серия 1.030.1-1/88 Выпуск 1-12с. Панели из легких бетонов толщиной 400 мм для стен многоэтажных зданий в районах сейсмичностью 7, 8 и 9 баллов. Опалубка и армирование. Рабочие чертежиДата актуализации: 01.01.2021
|
| Обозначение: | Серия 1.030.1-1/88 |
| Обозначение англ: | Series 1.030.1-1/88 |
| Статус: | действует |
| Название рус.: | Выпуск 1-12с. Панели из легких бетонов толщиной 400 мм для стен многоэтажных зданий в районах сейсмичностью 7, 8 и 9 баллов. Опалубка и армирование. Рабочие чертежи |
| Дата добавления в базу: | 01.09.2013 |
| Дата актуализации: | 01.01.2021 |
| Дата введения: | 01.03.1991 |
| Область применения: | Выпуск содержит технические требования, опалубочные чертежи, армирование, спецификации, опалубочные и арматурные узлы, ведомость расхода стали |
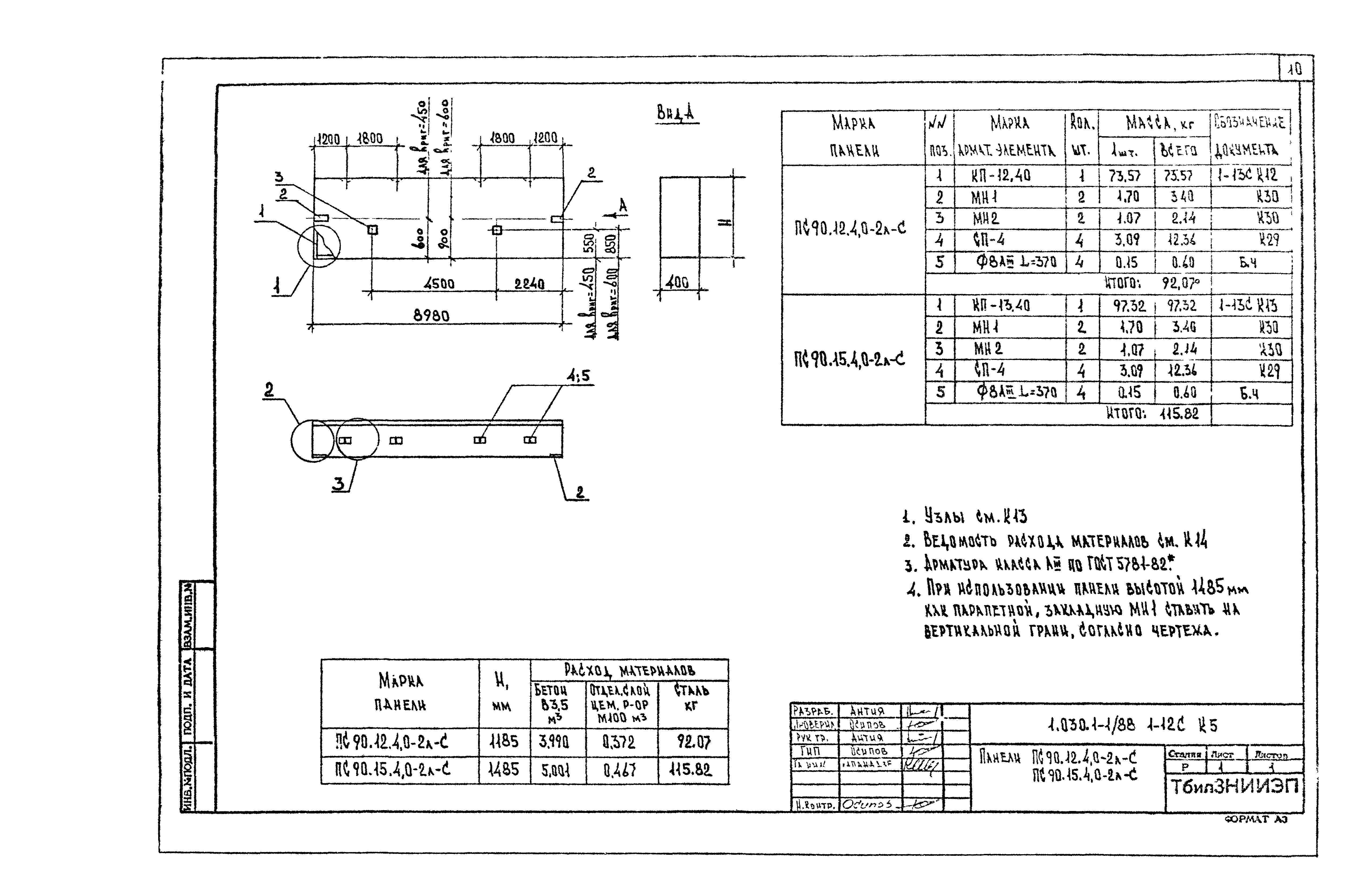
| Оглавление: | 1.030.1-1/88.1-12сС Содержание 1.030.1-1/88.1-12сТТ Технические требоания 1.030.1-1/88.1-12сК1 Панели ПС 60.6.4,0-2л-С, ПС 60.9.4,0-2л-С, ПС 60.12.4,0-2л-С 1.030.1-1/88.1-12сК2 Панели ПС 60.15.4,0-2л-С, ПС 60.18.4,0-2л-С, ПС 60.21.4,0-2л-С 1.030.1-1/88.1-12сК3 Панели ПС 72.9.4,0-2л-С, ПС 72.12.4,0-2л-С 1.030.1-1/88.1-12сК4 Панели ПС 72.15.4,0-2л-С, ПС 72.18.4,0-2л-С, ПС 72.21.4,0-2л-С 1.030.1-1/88.1-12сК5 Панели ПС 90.12.4,0-2л-С, ПС 90.15.4,0-2л-С 1.030.1-1/88.1-12сК6 Панели ПС 90.18.4,0-2л-С, ПС 90.21.4,0-2л-С 1.030.1-1/88.1-12сК8 Панели 1ПС 57.12.4,0-2л-С, 1ПС 57.15.4,0-2л-С 1.030.1-1/88.1-12сК9 Панели 1ПС 57.18.4,0-2л-С, 1ПС 57.21.4,0-2л-С 1.030.1-1/88.1-12сК10 Панели 2ПС 57.6.4,0-2л-С, 2ПС 57.9.4,0-2л-С 1.030.1-1/88.1-12сК11 Панели 2ПС 57.12.4,0-2л-С, 2ПС 57.15.4,0-2л-С 1.030.1-1/88.1-12сК12 Панели 2ПС 57.18.4,0-2л-С, 2ПС 57.21.4,0-2л-С 1.030.1-1/88.1-12сК13 Узлы опалубочные 1.030.1-1/88.1-12сК14 Ведомость расхода стали |
| Разработан: | ТбилЗНИИЭП |
| Утверждён: | 11.12.1990 Госкомархитектура (226) |
| Нормативные ссылки: |
|
























