Скачать Серия 1.132.1-12с Выпуск 1-2. Панели группы С-НР1 двухшаговые толщиной 300 и 350 мм

Дата актуализации: 01.01.2021

Серия 1.132.1-12с

Выпуск 1-2. Панели группы С-НР1 двухшаговые толщиной 300 и 350 мм

Обозначение: Серия 1.132.1-12с
Обозначение англ: Series 1.132.1-12с
Статус:действует
Название рус.:Выпуск 1-2. Панели группы С-НР1 двухшаговые толщиной 300 и 350 мм
Дата добавления в базу:01.09.2013
Дата актуализации:01.01.2021
Дата введения:01.02.1983
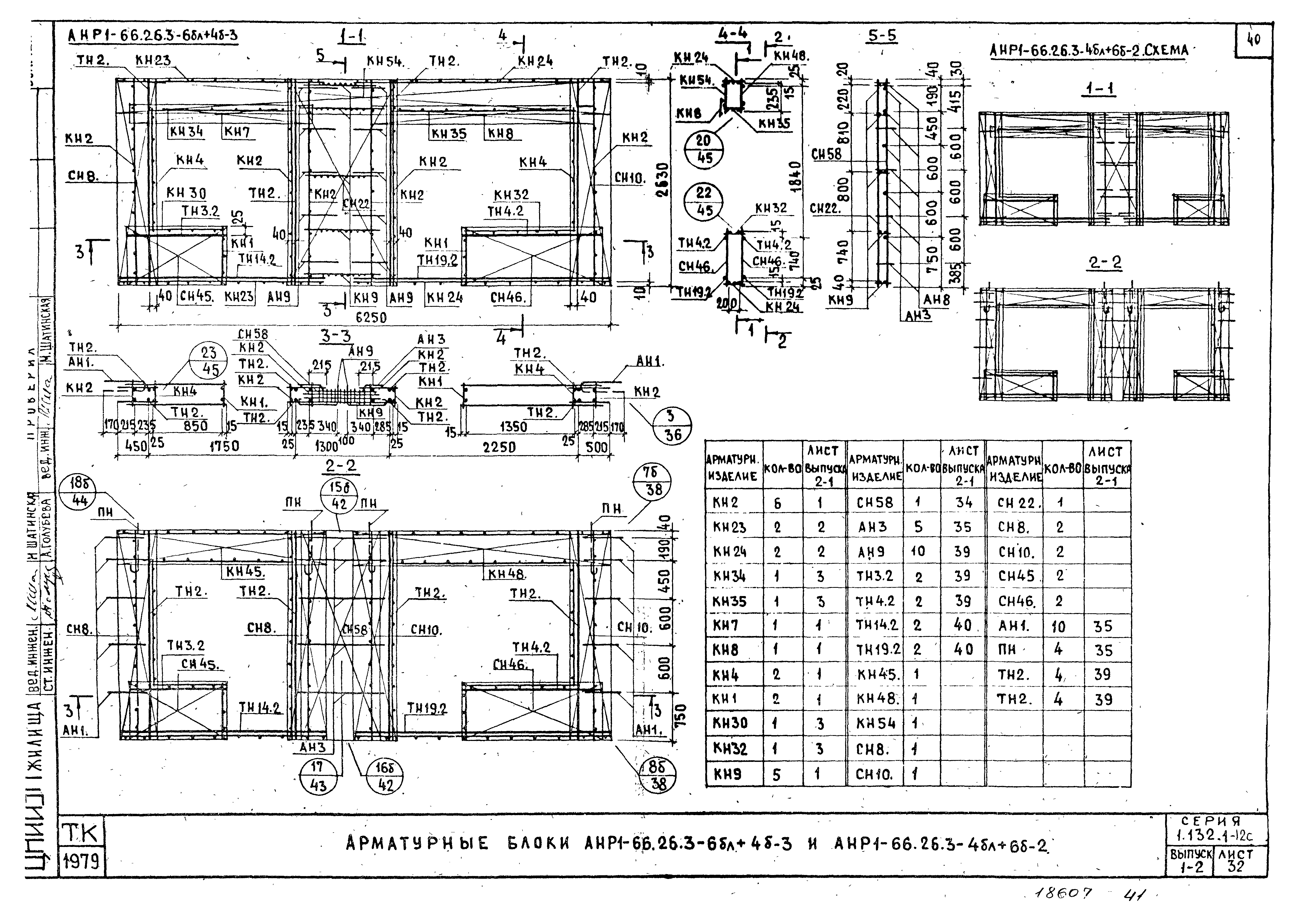
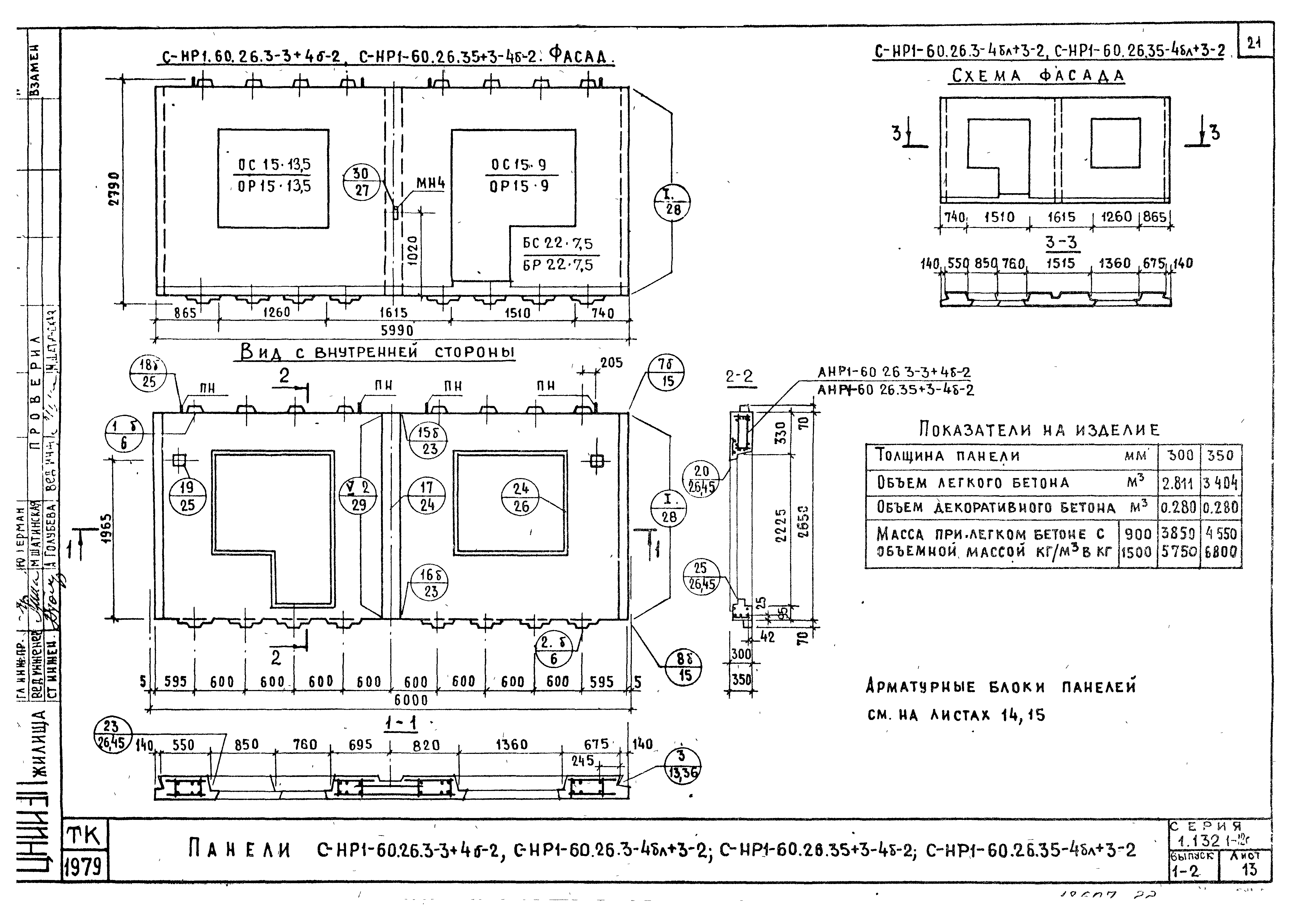
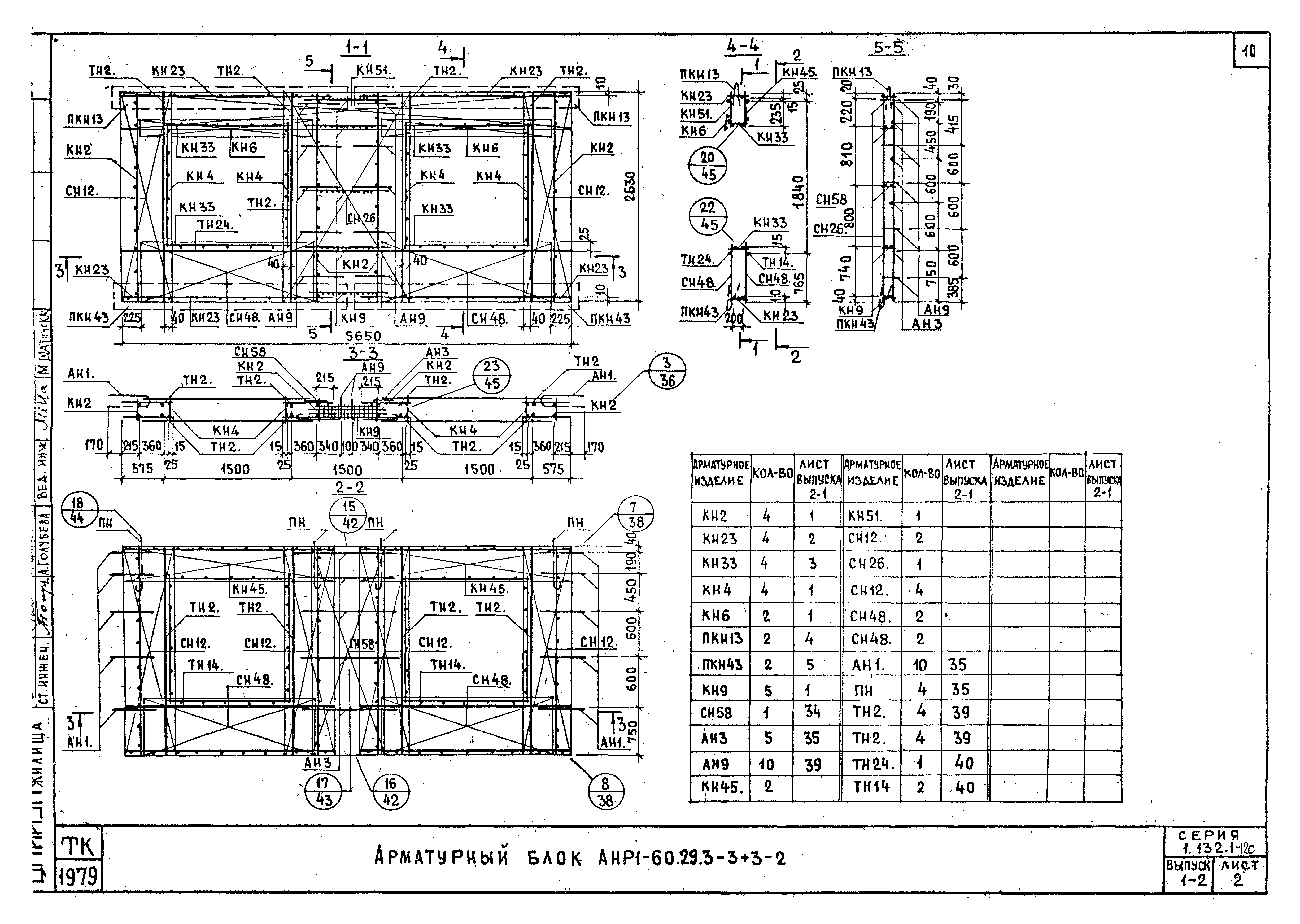
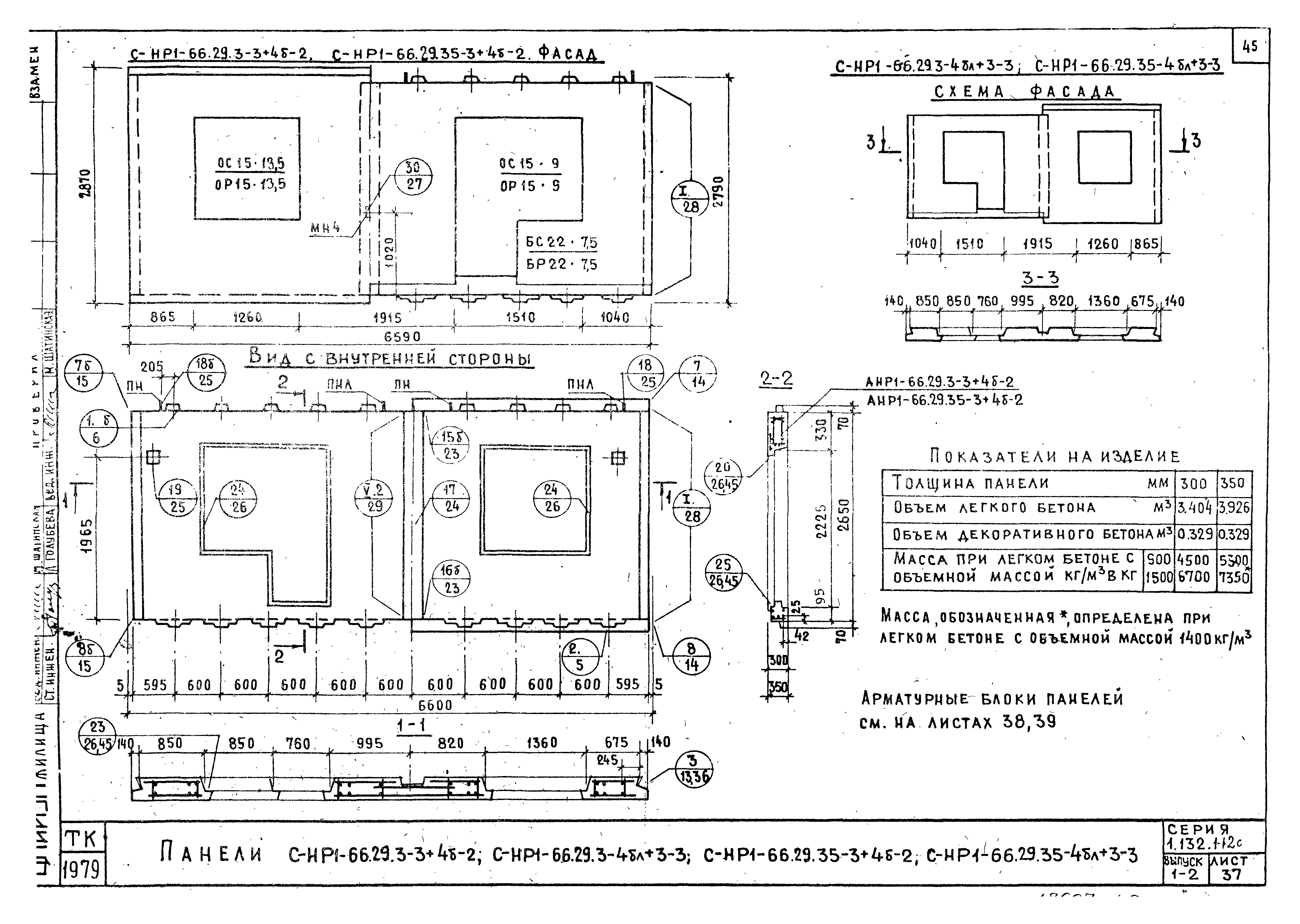
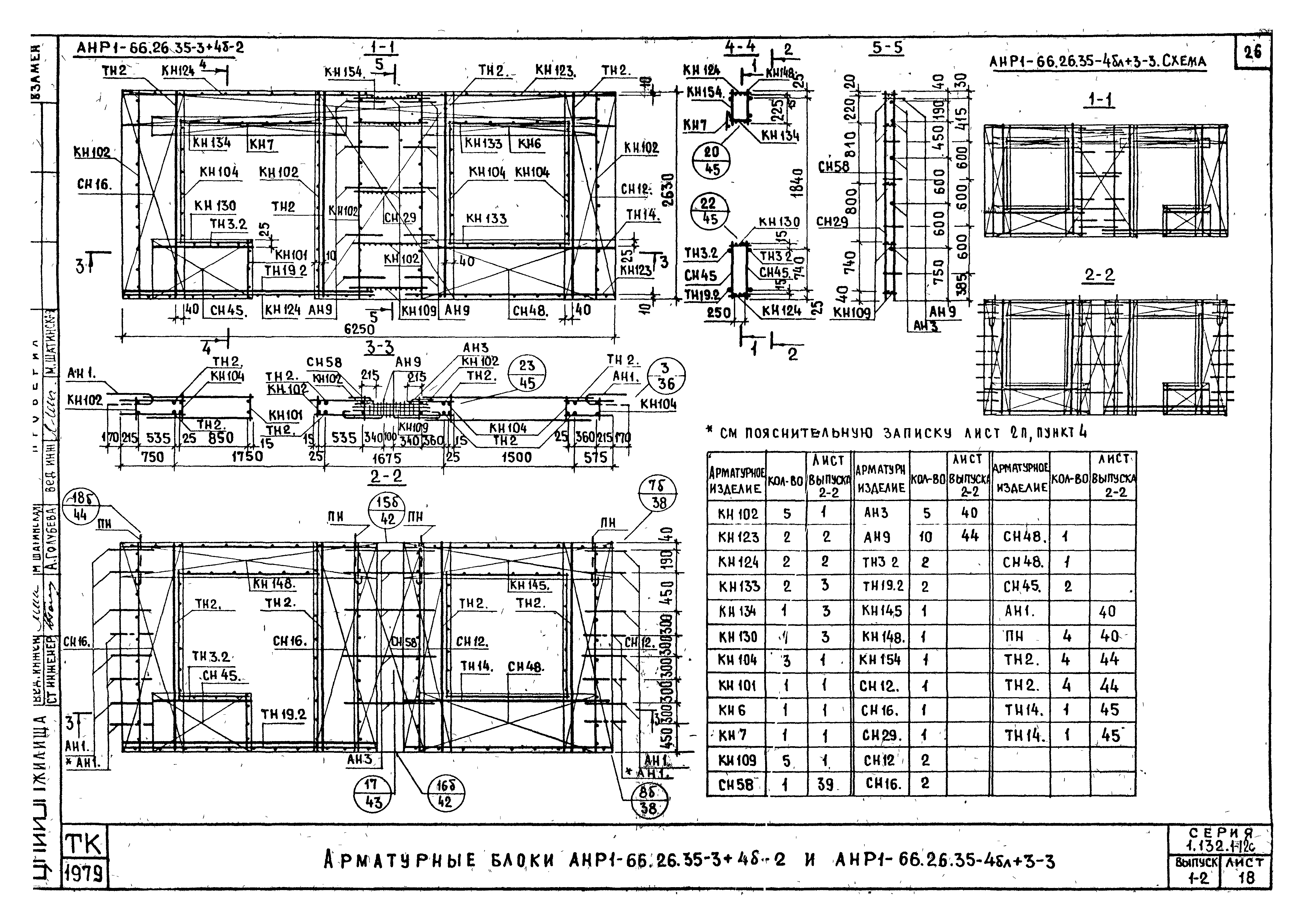
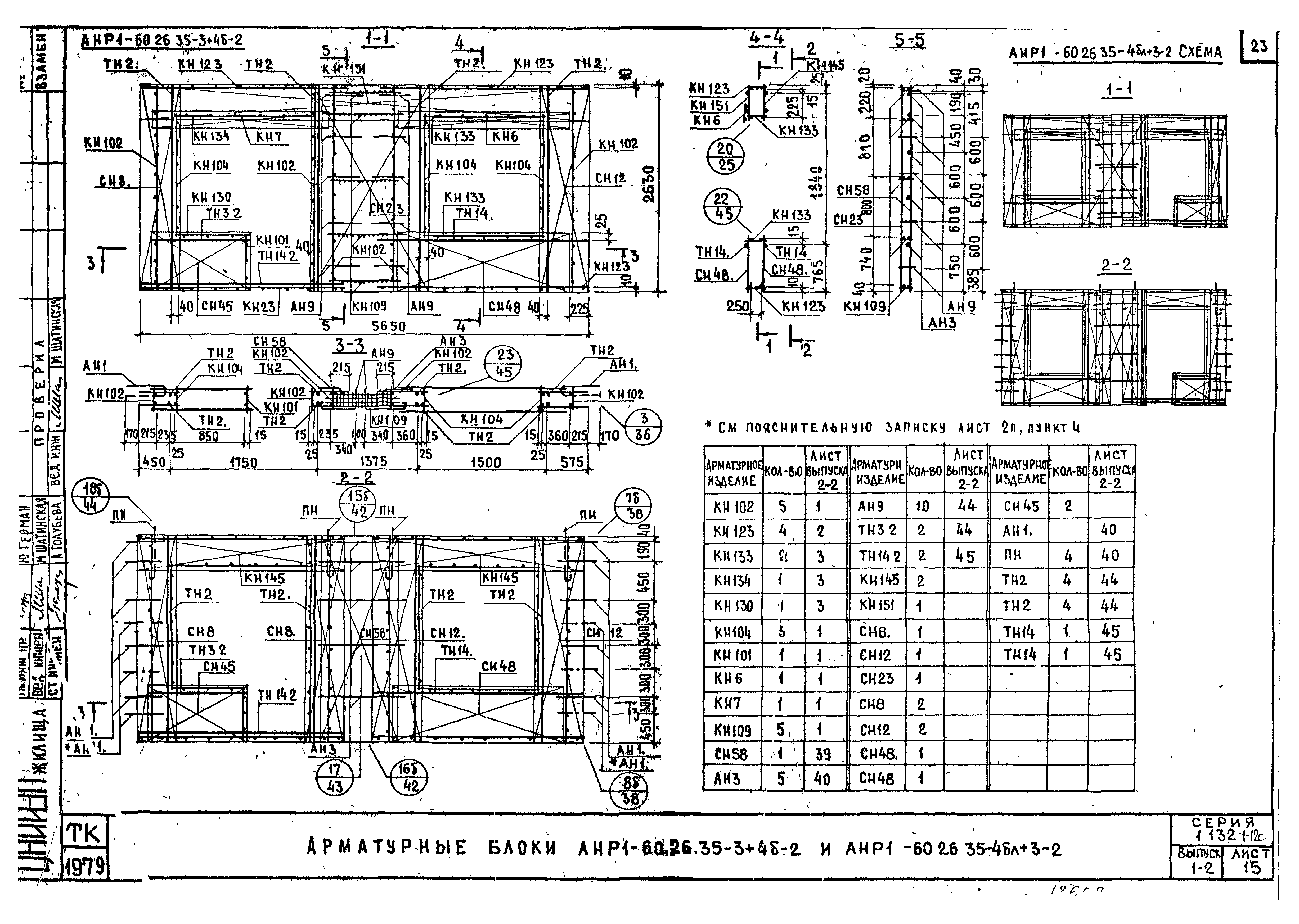
Область применения:В выпуске 1-2 предоставлены рабочие чертежи наружных стеновых панелей группы С-НР1 двухшаговых толщиной 300 и 350 мм
Разработан: ЦНИИСК им. В.А. Кучеренко
ЦНИИЭП жилища
Утверждён:28.01.1983 Госгражданстрой (Gosgrazhdanstroy 37)
Нормативные ссылки:
Серия 1.132.1-12сСерия 1.132.1-12сСерия 1.132.1-12сСерия 1.132.1-12сСерия 1.132.1-12сСерия 1.132.1-12сСерия 1.132.1-12сСерия 1.132.1-12сСерия 1.132.1-12сСерия 1.132.1-12сСерия 1.132.1-12сСерия 1.132.1-12сСерия 1.132.1-12сСерия 1.132.1-12сСерия 1.132.1-12сСерия 1.132.1-12сСерия 1.132.1-12сСерия 1.132.1-12сСерия 1.132.1-12сСерия 1.132.1-12сСерия 1.132.1-12сСерия 1.132.1-12сСерия 1.132.1-12сСерия 1.132.1-12сСерия 1.132.1-12сСерия 1.132.1-12сСерия 1.132.1-12сСерия 1.132.1-12сСерия 1.132.1-12сСерия 1.132.1-12сСерия 1.132.1-12сСерия 1.132.1-12сСерия 1.132.1-12сСерия 1.132.1-12сСерия 1.132.1-12сСерия 1.132.1-12сСерия 1.132.1-12сСерия 1.132.1-12сСерия 1.132.1-12сСерия 1.132.1-12сСерия 1.132.1-12сСерия 1.132.1-12сСерия 1.132.1-12сСерия 1.132.1-12сСерия 1.132.1-12сСерия 1.132.1-12сСерия 1.132.1-12сСерия 1.132.1-12сСерия 1.132.1-12сСерия 1.132.1-12сСерия 1.132.1-12сСерия 1.132.1-12сСерия 1.132.1-12сСерия 1.132.1-12сСерия 1.132.1-12сСерия 1.132.1-12с