Скачать Серия 1.132.1-12с Выпуск 2-1. Арматурные изделия и закладные детали панелей толщиной 300 мм

Дата актуализации: 01.01.2021

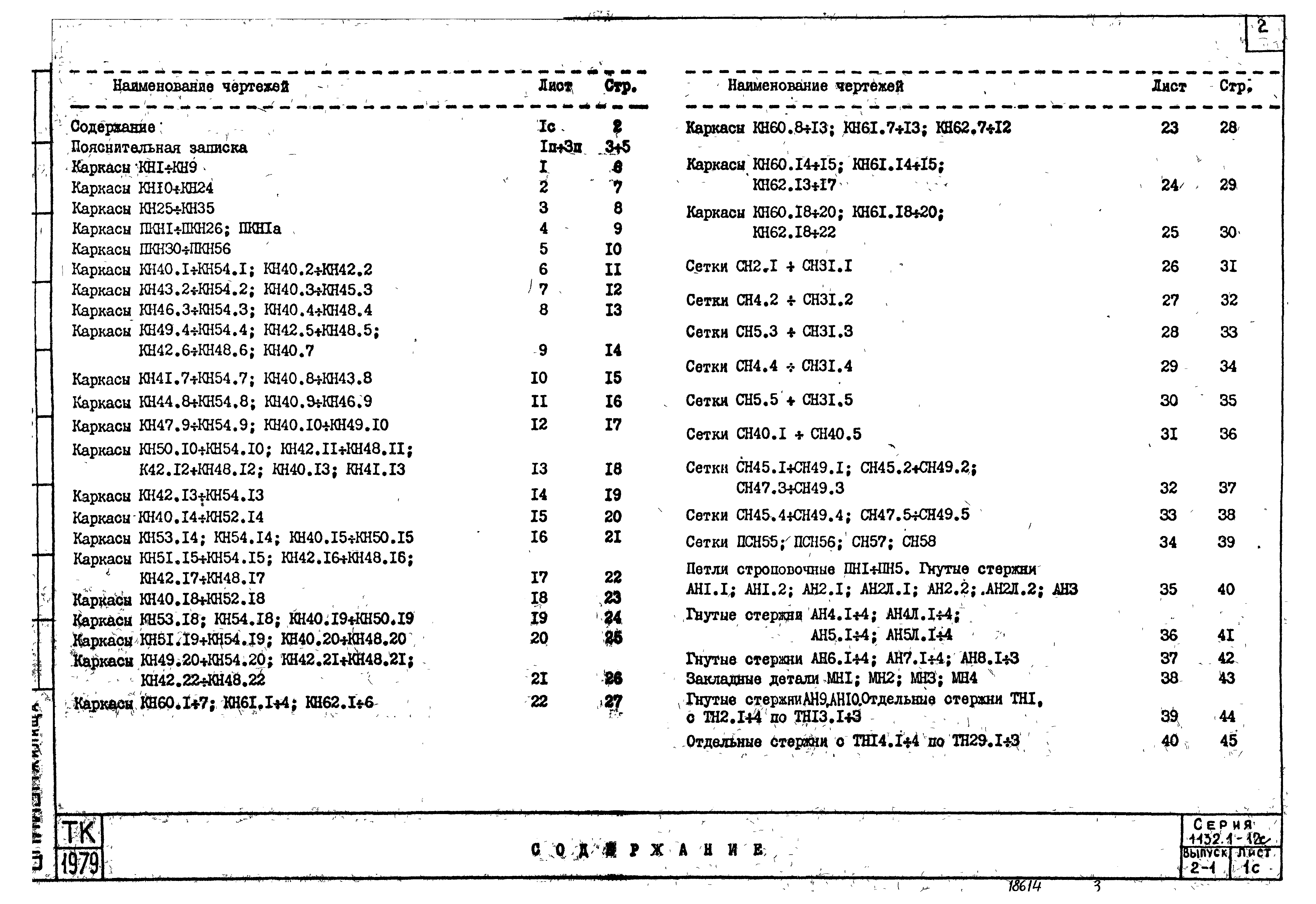
Серия 1.132.1-12с

Выпуск 2-1. Арматурные изделия и закладные детали панелей толщиной 300 мм

Обозначение: Серия 1.132.1-12с
Обозначение англ: Series 1.132.1-12с
Статус:действует
Название рус.:Выпуск 2-1. Арматурные изделия и закладные детали панелей толщиной 300 мм
Дата добавления в базу:01.09.2013
Дата актуализации:01.01.2021
Дата введения:01.02.1983
Область применения:Чертежи, приведенные в настоящем выпуске, предназначены для изготовления арматурных изделий и закладных деталей, из которых комплектуются арматурные блоки панелей
Разработан: ЦНИИСК им. В.А. Кучеренко
ЦНИИЭП жилища
Утверждён:28.01.1983 Госгражданстрой (Gosgrazhdanstroy 37)
Нормативные ссылки:
Серия 1.132.1-12сСерия 1.132.1-12сСерия 1.132.1-12сСерия 1.132.1-12сСерия 1.132.1-12сСерия 1.132.1-12сСерия 1.132.1-12сСерия 1.132.1-12сСерия 1.132.1-12сСерия 1.132.1-12сСерия 1.132.1-12сСерия 1.132.1-12сСерия 1.132.1-12сСерия 1.132.1-12сСерия 1.132.1-12сСерия 1.132.1-12сСерия 1.132.1-12сСерия 1.132.1-12сСерия 1.132.1-12сСерия 1.132.1-12сСерия 1.132.1-12сСерия 1.132.1-12сСерия 1.132.1-12сСерия 1.132.1-12сСерия 1.132.1-12сСерия 1.132.1-12сСерия 1.132.1-12сСерия 1.132.1-12сСерия 1.132.1-12сСерия 1.132.1-12сСерия 1.132.1-12сСерия 1.132.1-12сСерия 1.132.1-12сСерия 1.132.1-12сСерия 1.132.1-12сСерия 1.132.1-12сСерия 1.132.1-12сСерия 1.132.1-12сСерия 1.132.1-12сСерия 1.132.1-12сСерия 1.132.1-12сСерия 1.132.1-12сСерия 1.132.1-12сСерия 1.132.1-12сСерия 1.132.1-12сСерия 1.132.1-12с