Скачать Серия 1.132.1-15 Выпуск 2. Панели чердачные толщиной 400 и 450 мм. Рабочие чертежи

Дата актуализации: 01.01.2021

Серия 1.132.1-15

Выпуск 2. Панели чердачные толщиной 400 и 450 мм. Рабочие чертежи

Обозначение: Серия 1.132.1-15
Обозначение англ: Series 1.132.1-15
Статус:действует
Название рус.:Выпуск 2. Панели чердачные толщиной 400 и 450 мм. Рабочие чертежи
Дата добавления в базу:01.09.2013
Дата актуализации:01.01.2021
Дата введения:30.01.1986
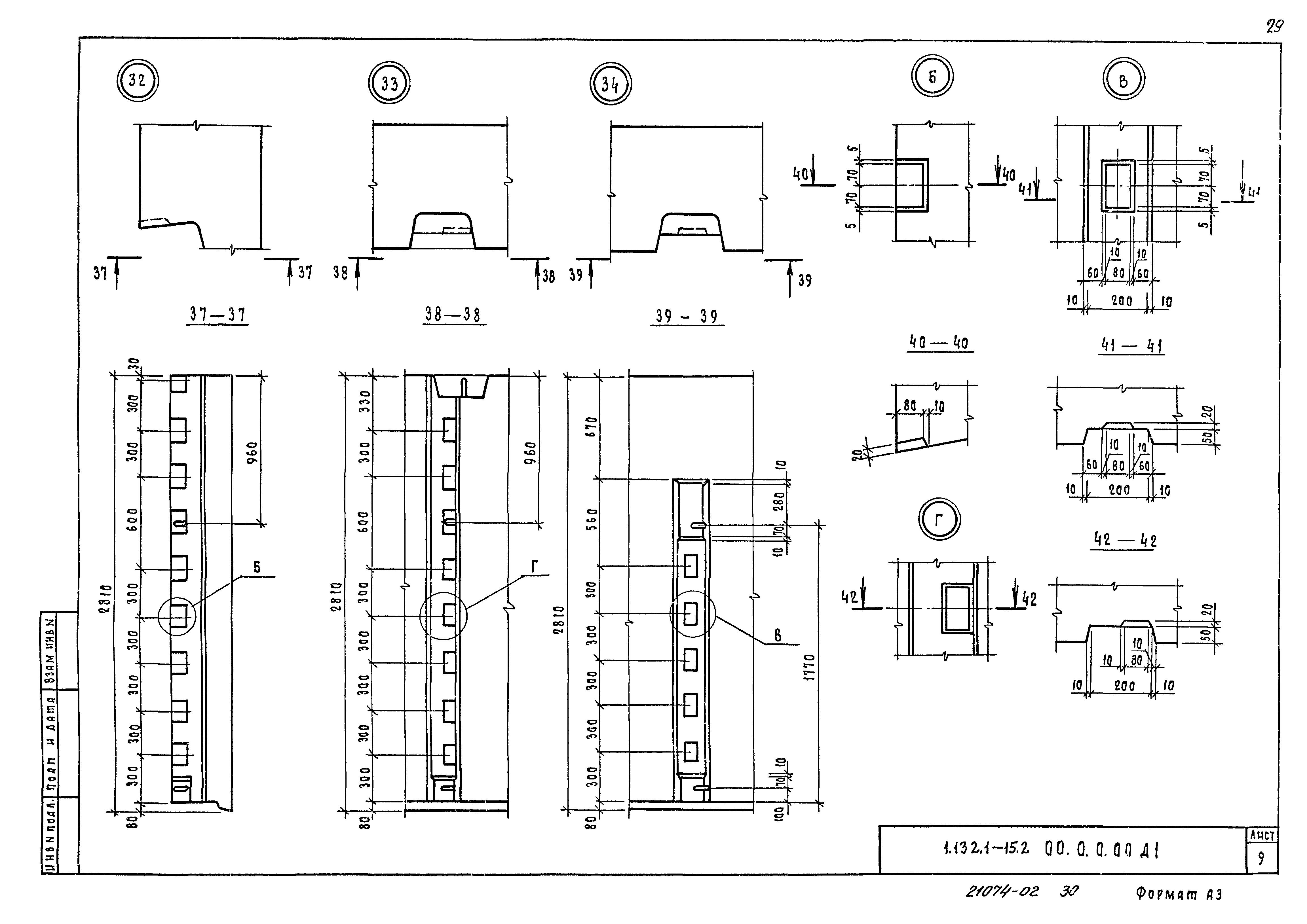
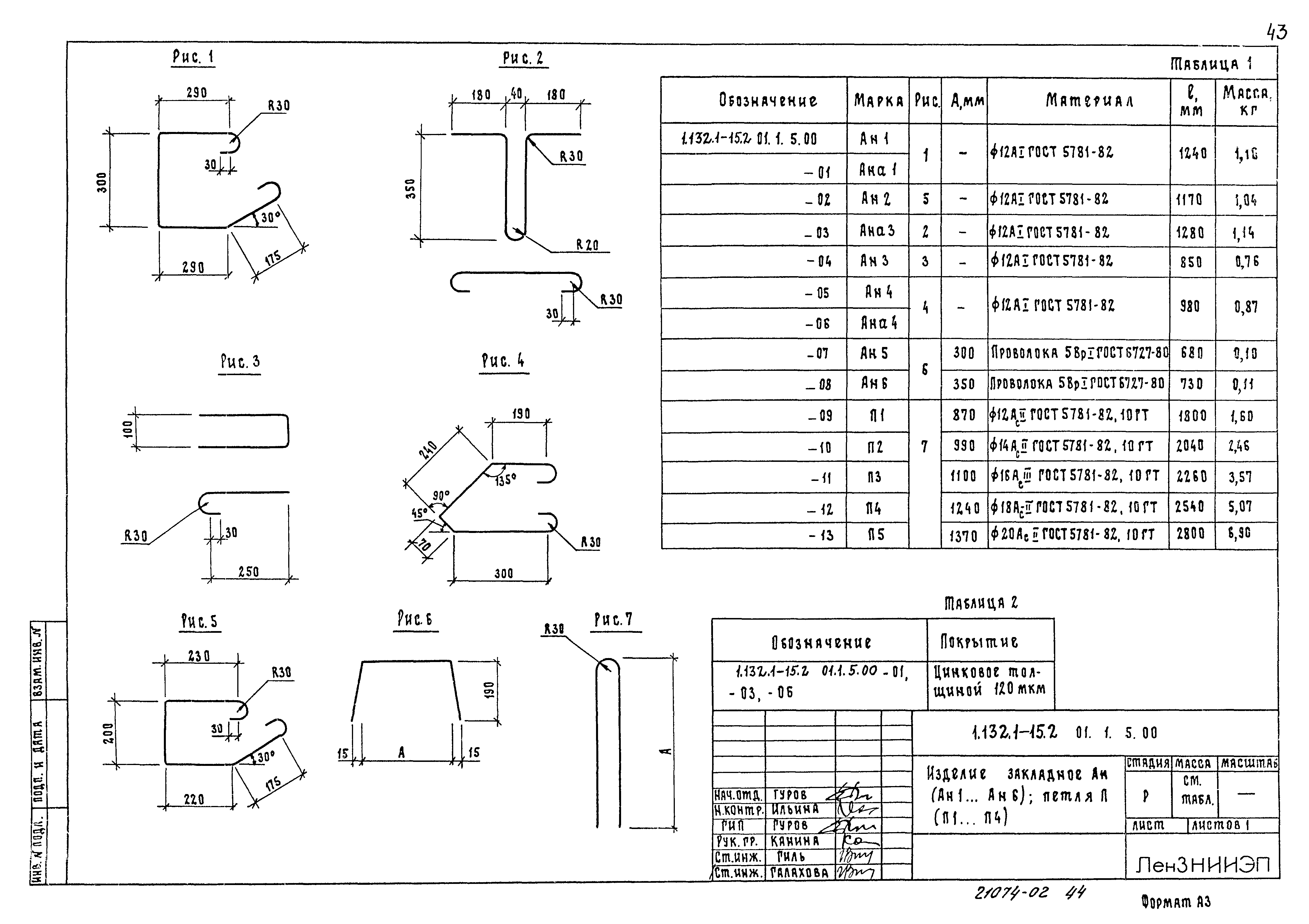
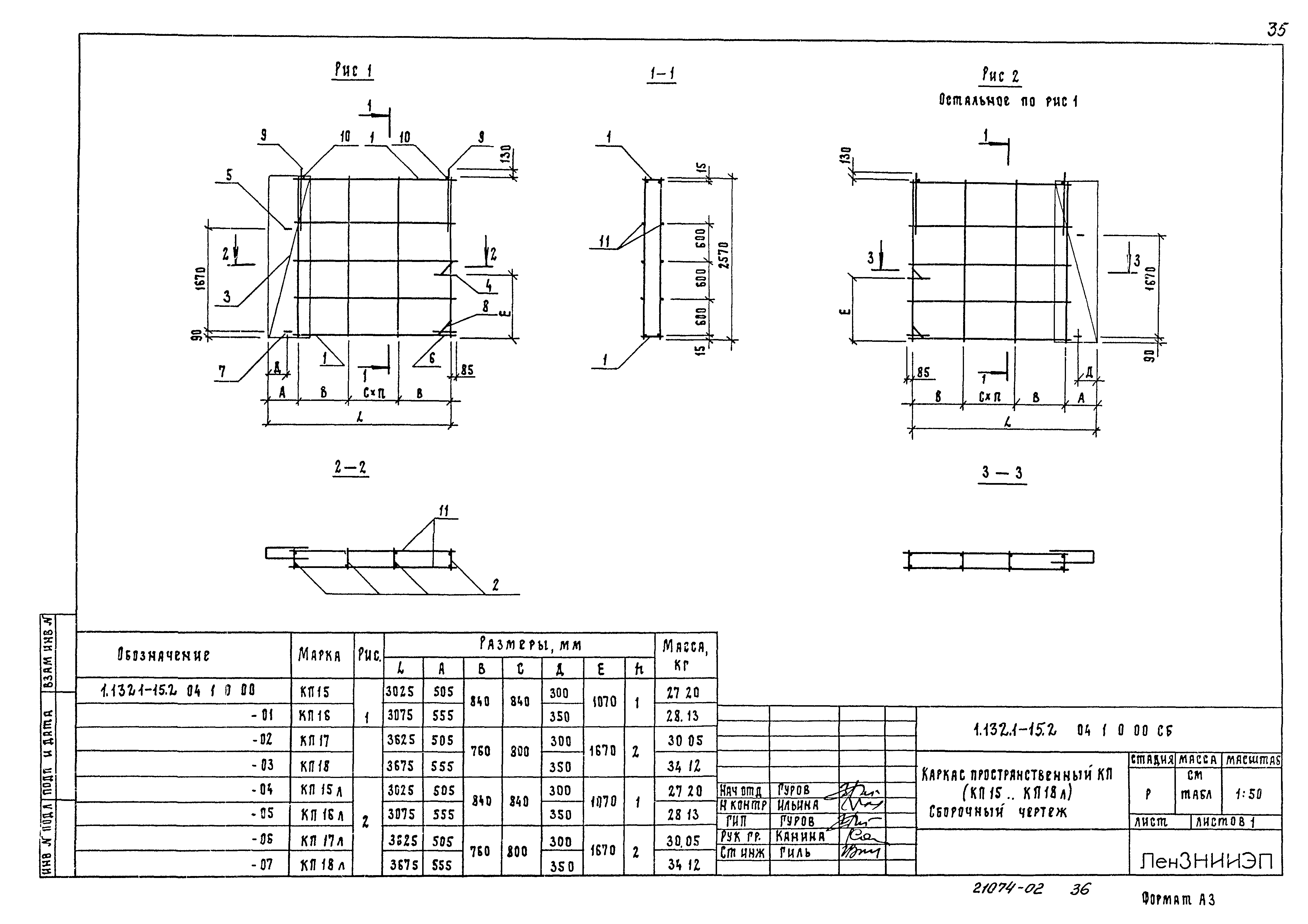
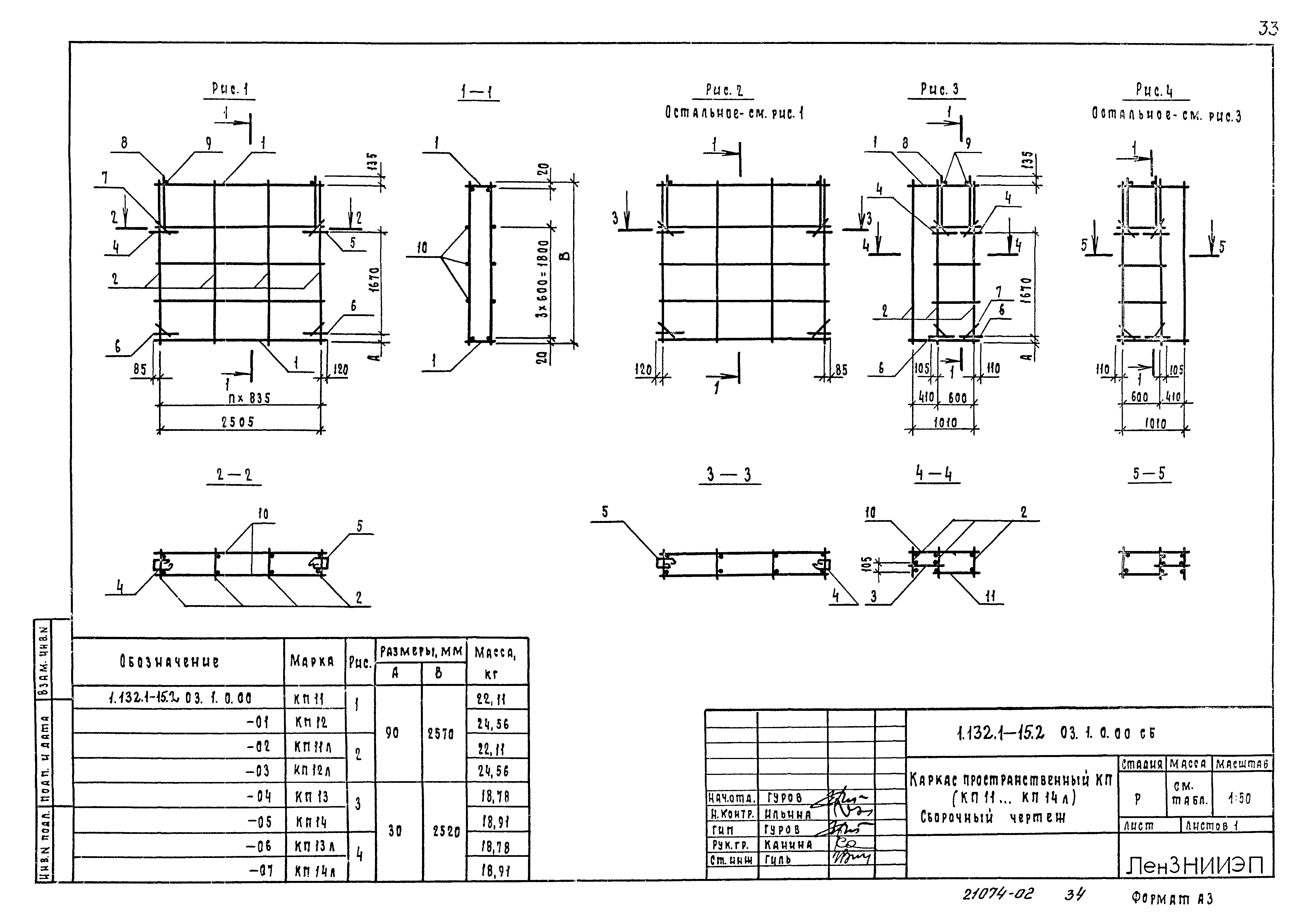
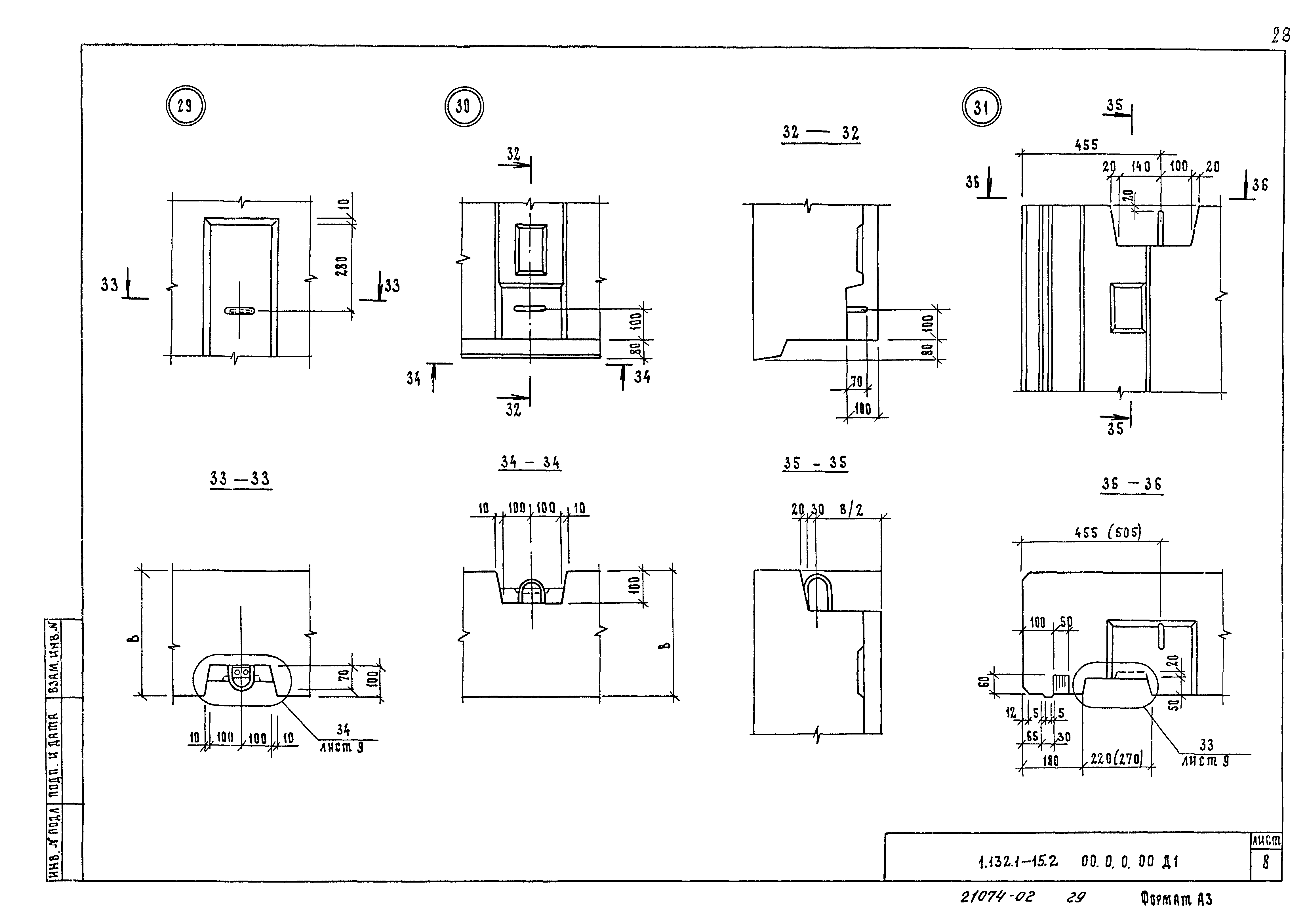
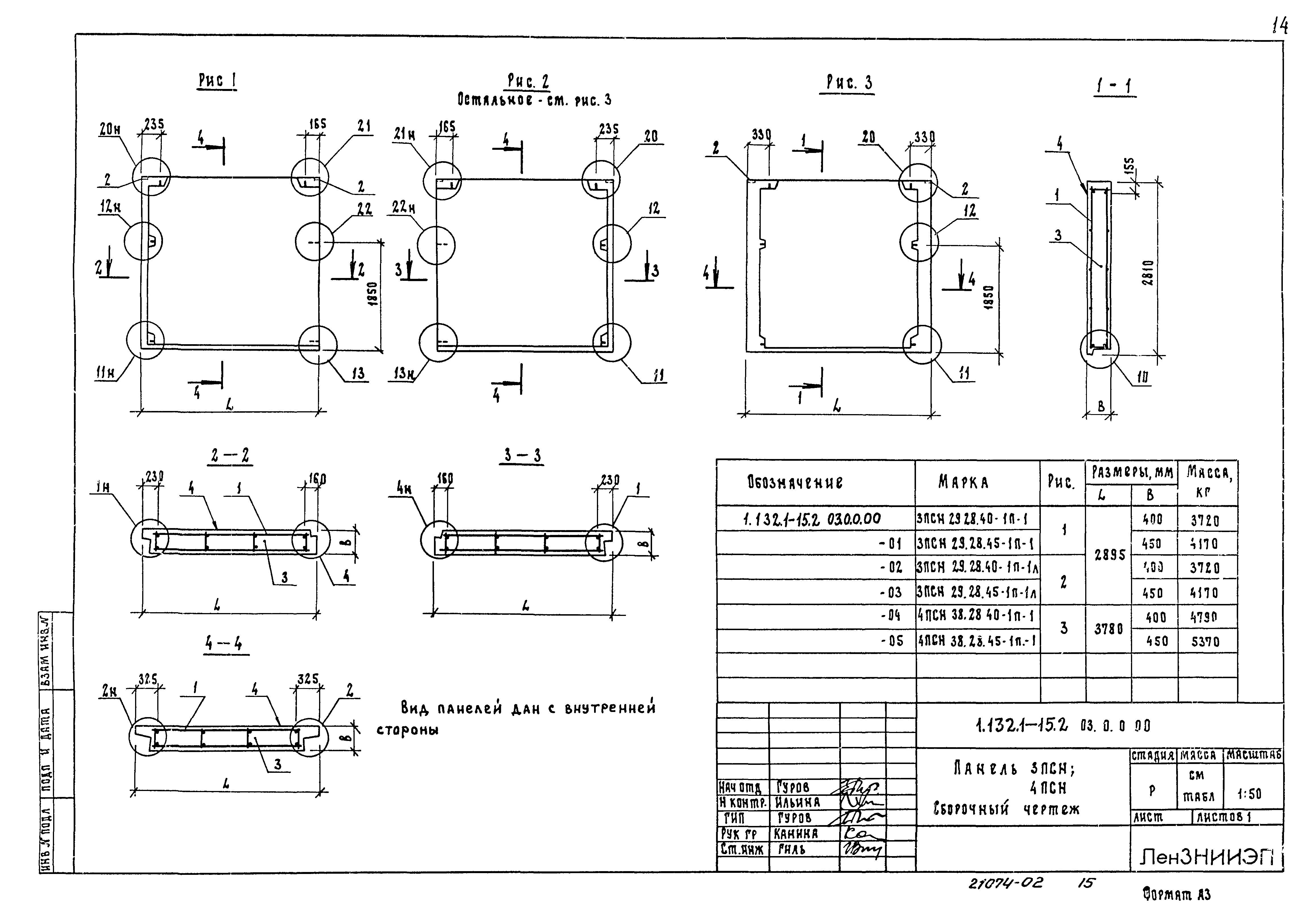
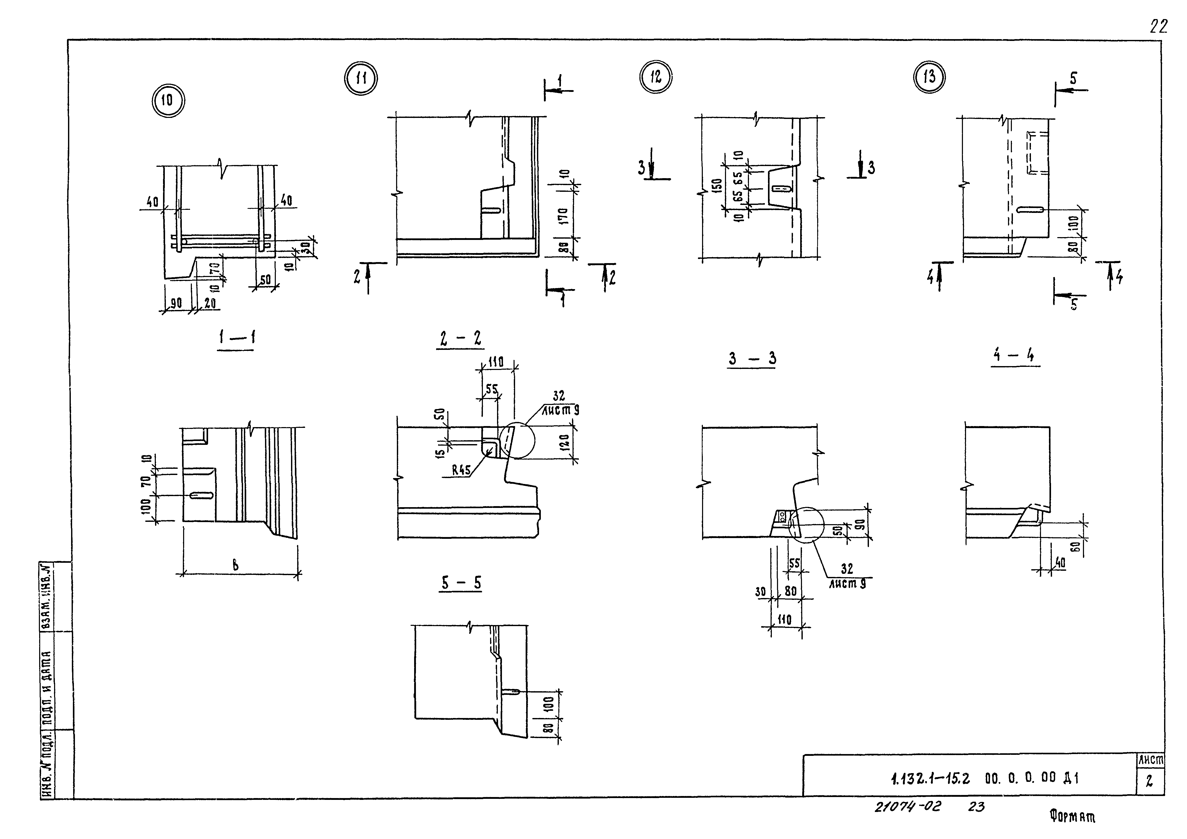
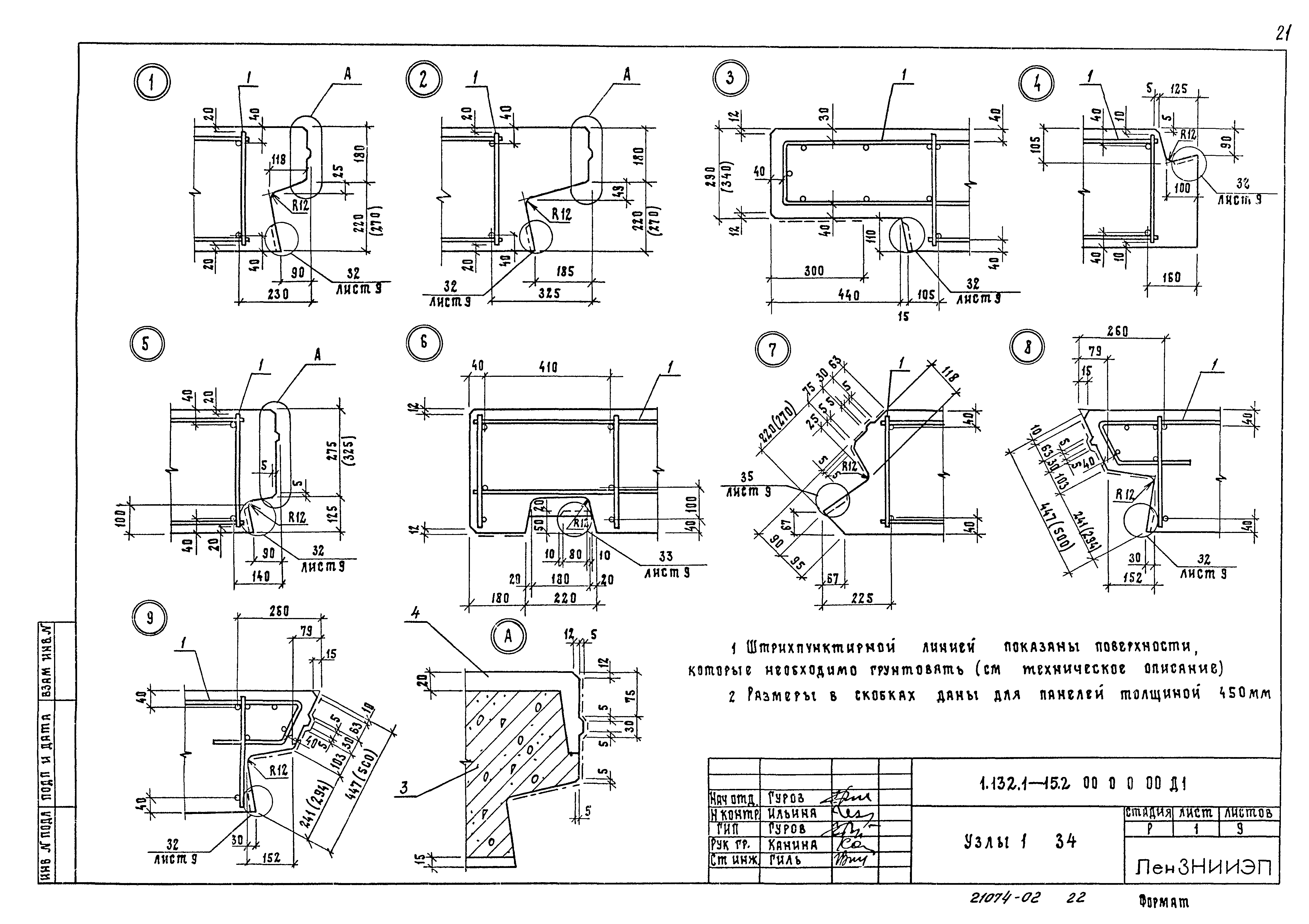
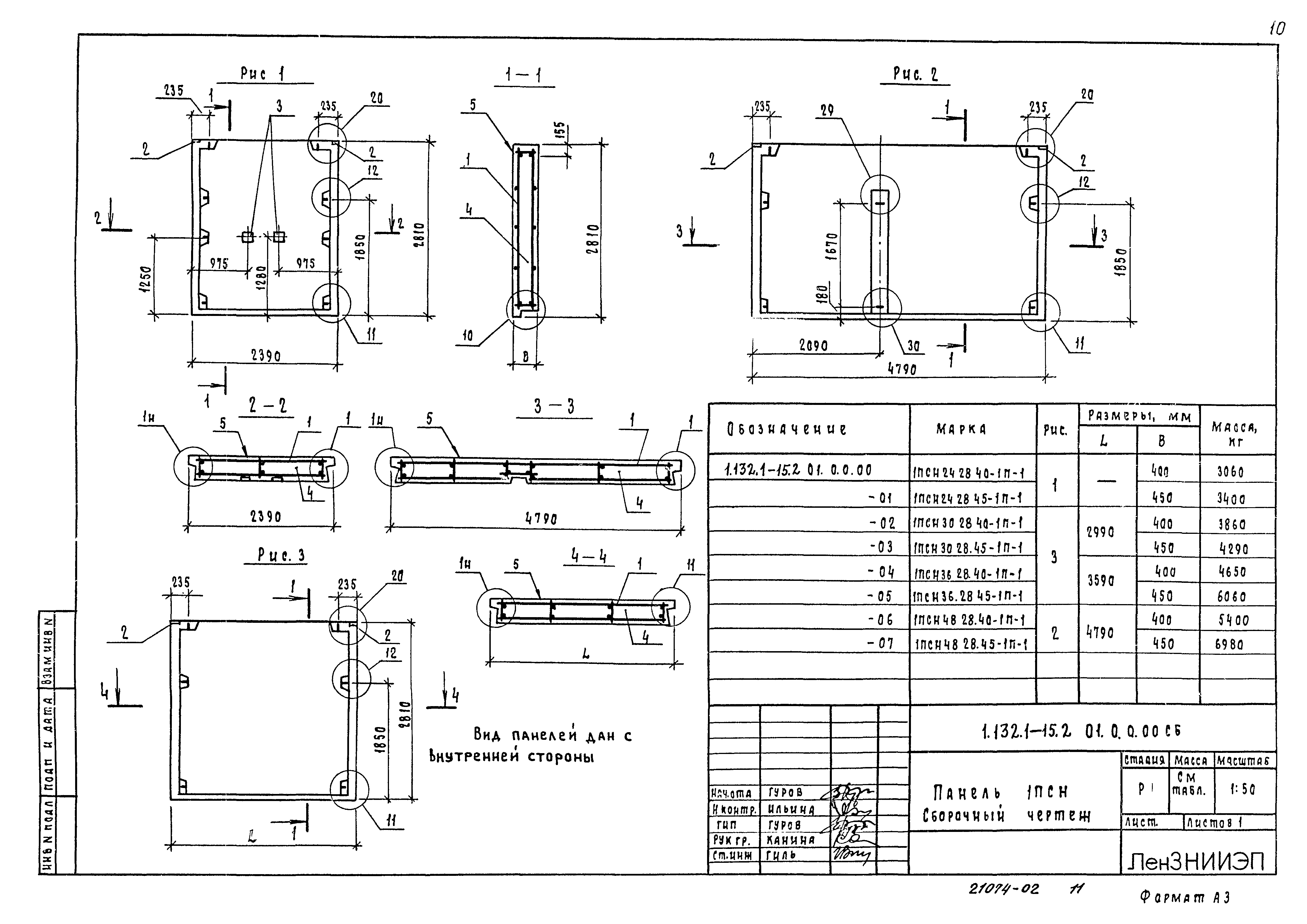
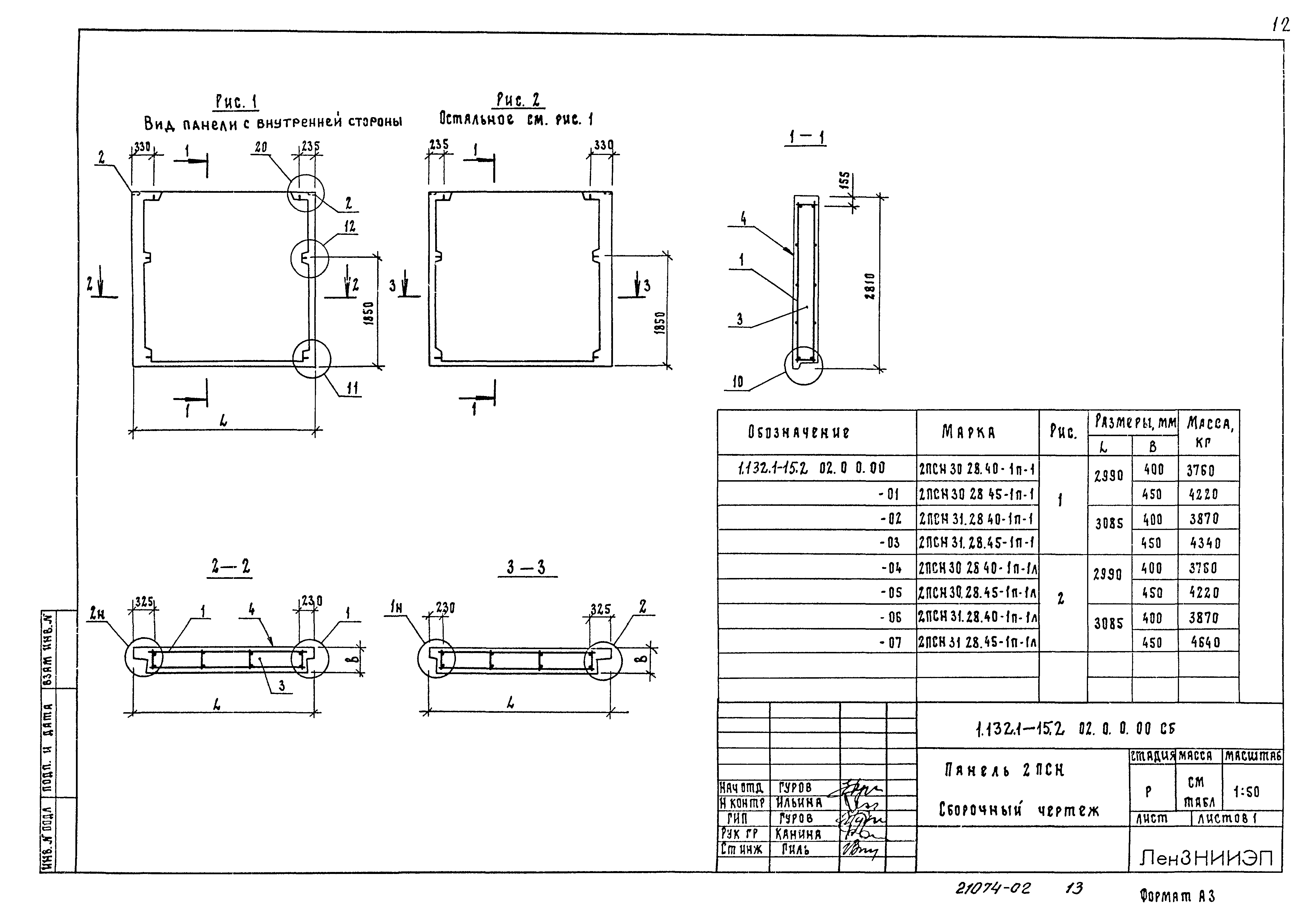
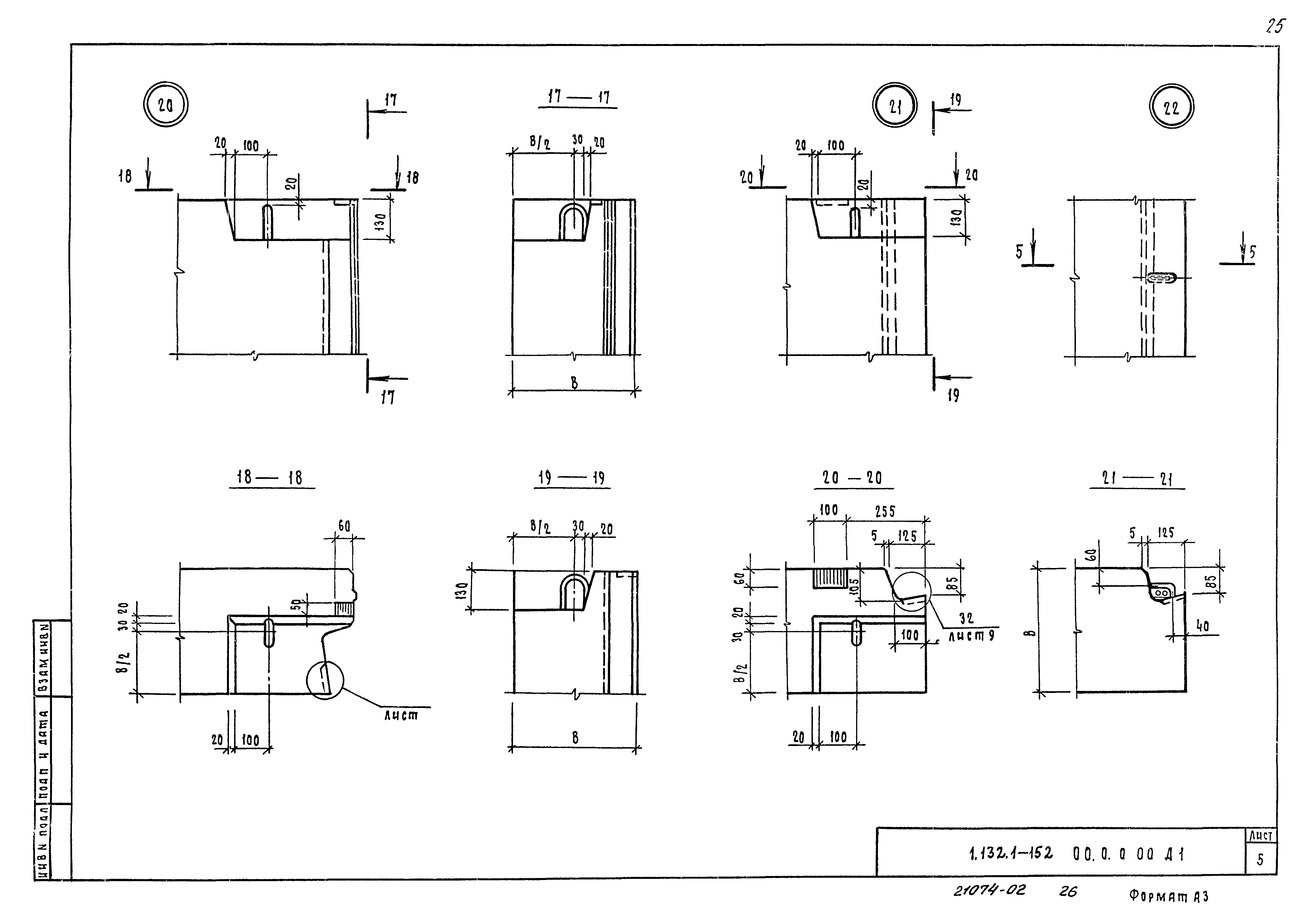
Область применения:Рабочие чертежи унифицированных однослойных чердачных панелей наружных стен предназначены для проектирования и строительства крупнопанельных жилых зданий до 9 этажей в I климатическом районе (подрайоны IА, IБ, IГ, IД) на обычных и вечномерзлых грунтах, используемых по принципу I и II
Разработан: ЛенЗНИИЭП Госгражданстроя
Утверждён:20.01.1986 Госгражданстрой (Gosgrazhdanstroy 23)
Нормативные ссылки:
Серия 1.132.1-15Серия 1.132.1-15Серия 1.132.1-15Серия 1.132.1-15Серия 1.132.1-15Серия 1.132.1-15Серия 1.132.1-15Серия 1.132.1-15Серия 1.132.1-15Серия 1.132.1-15Серия 1.132.1-15Серия 1.132.1-15Серия 1.132.1-15Серия 1.132.1-15Серия 1.132.1-15Серия 1.132.1-15Серия 1.132.1-15Серия 1.132.1-15Серия 1.132.1-15Серия 1.132.1-15Серия 1.132.1-15Серия 1.132.1-15Серия 1.132.1-15Серия 1.132.1-15Серия 1.132.1-15Серия 1.132.1-15Серия 1.132.1-15Серия 1.132.1-15Серия 1.132.1-15Серия 1.132.1-15Серия 1.132.1-15Серия 1.132.1-15Серия 1.132.1-15Серия 1.132.1-15Серия 1.132.1-15Серия 1.132.1-15Серия 1.132.1-15Серия 1.132.1-15Серия 1.132.1-15Серия 1.132.1-15Серия 1.132.1-15Серия 1.132.1-15Серия 1.132.1-15Серия 1.132.1-15Серия 1.132.1-15Серия 1.132.1-15Серия 1.132.1-15Серия 1.132.1-15Серия 1.132.1-15Серия 1.132.1-15Серия 1.132.1-15Серия 1.132.1-15