Скачать Серия 1.232.1-7 Выпуск 0-2. Ведомости расхода материалов. Рабочие чертежи

Дата актуализации: 01.01.2021

Серия 1.232.1-7

Выпуск 0-2. Ведомости расхода материалов. Рабочие чертежи

Обозначение: Серия 1.232.1-7
Обозначение англ: Series 1.232.1-7
Статус:действует
Название рус.:Выпуск 0-2. Ведомости расхода материалов. Рабочие чертежи
Дата добавления в базу:01.09.2013
Дата актуализации:01.01.2021
Дата введения:01.09.1985
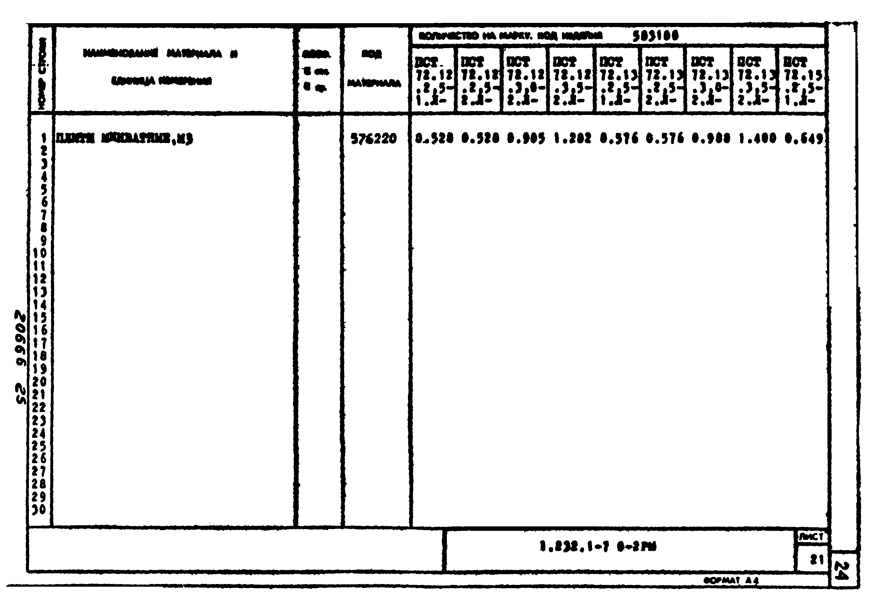
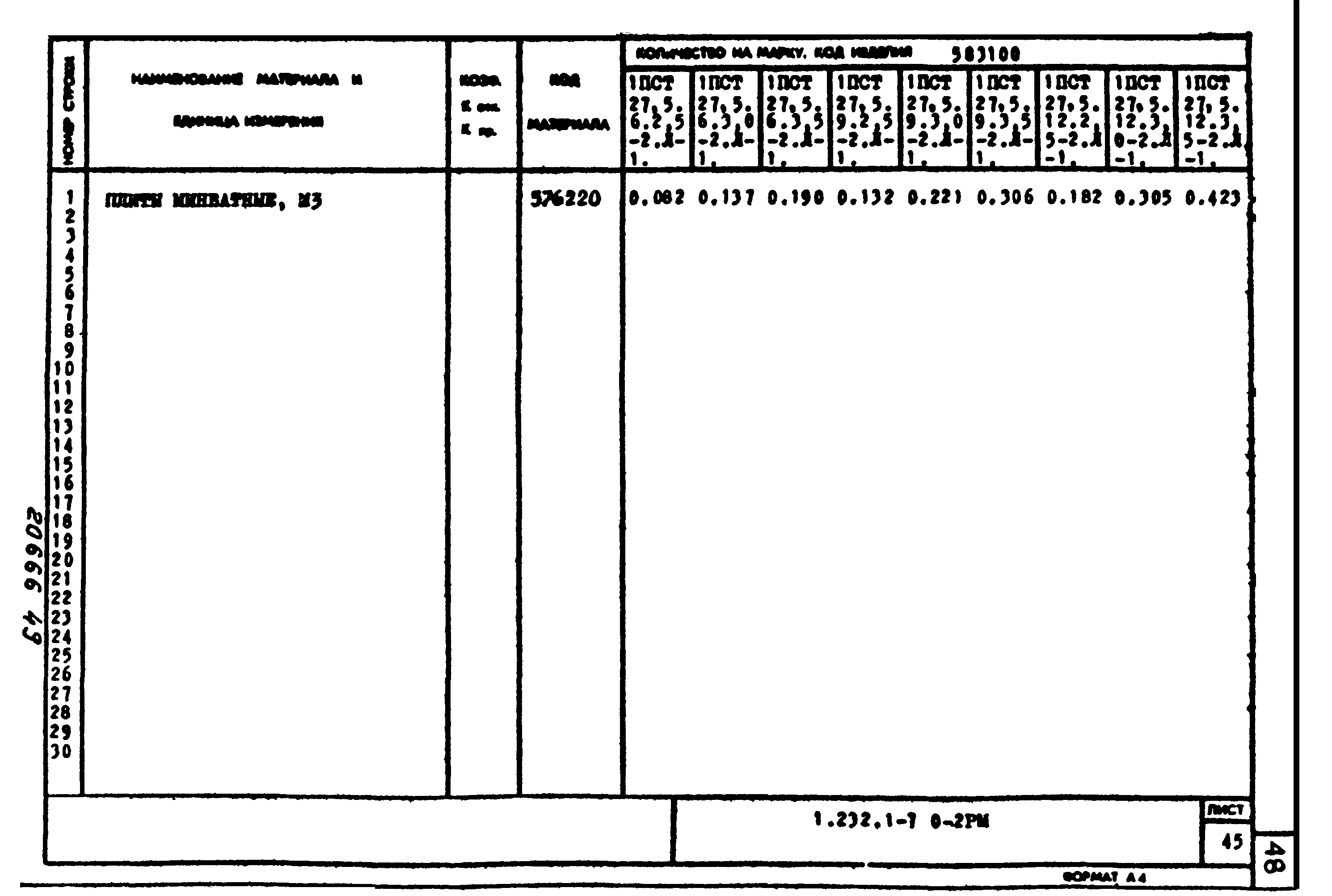
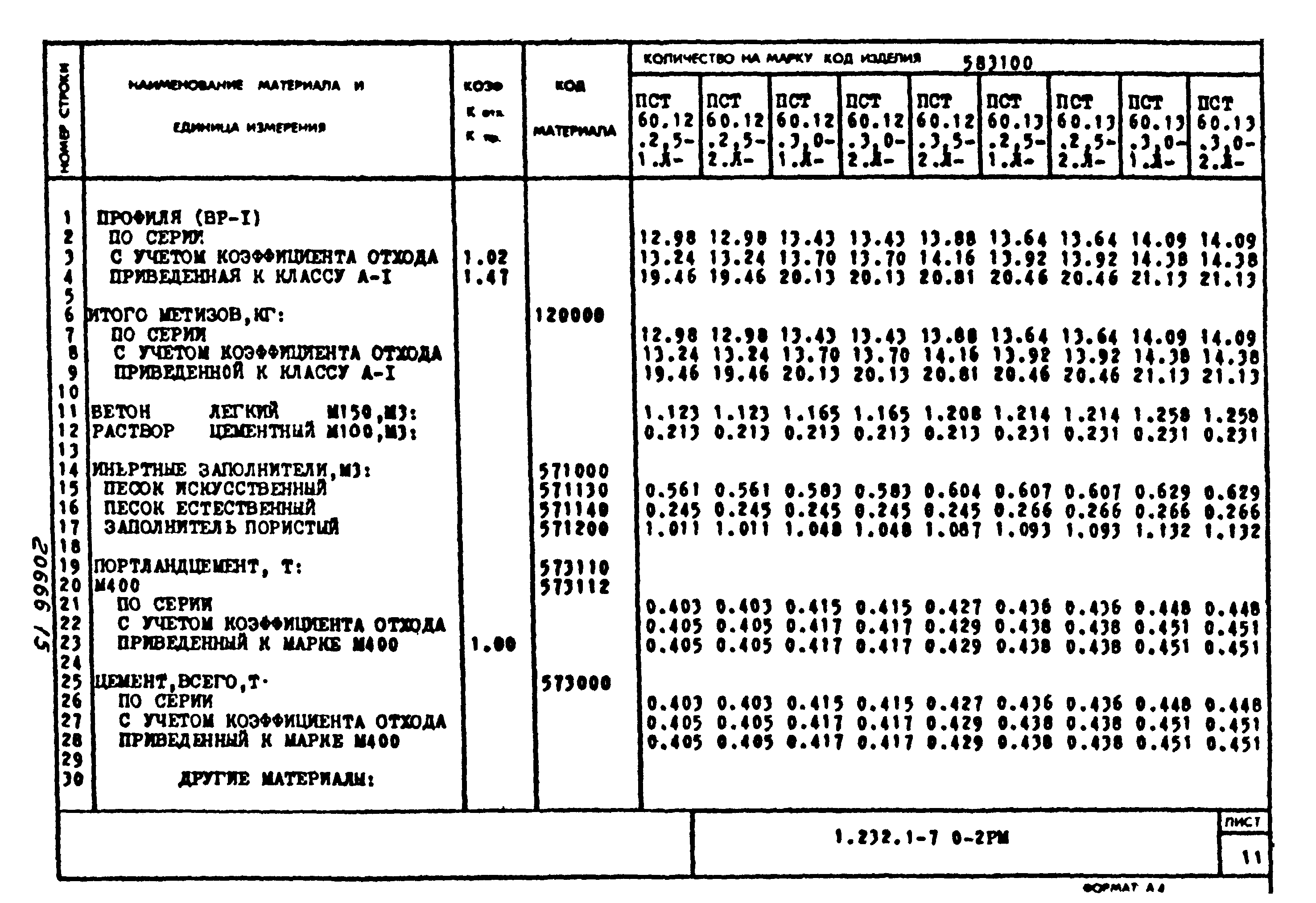
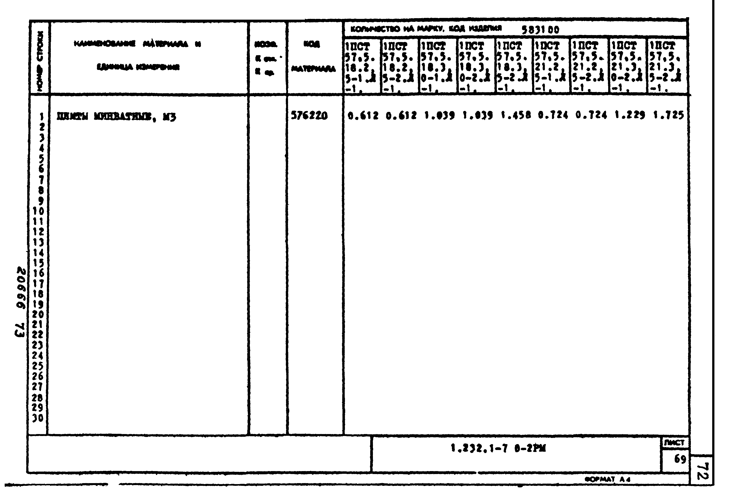
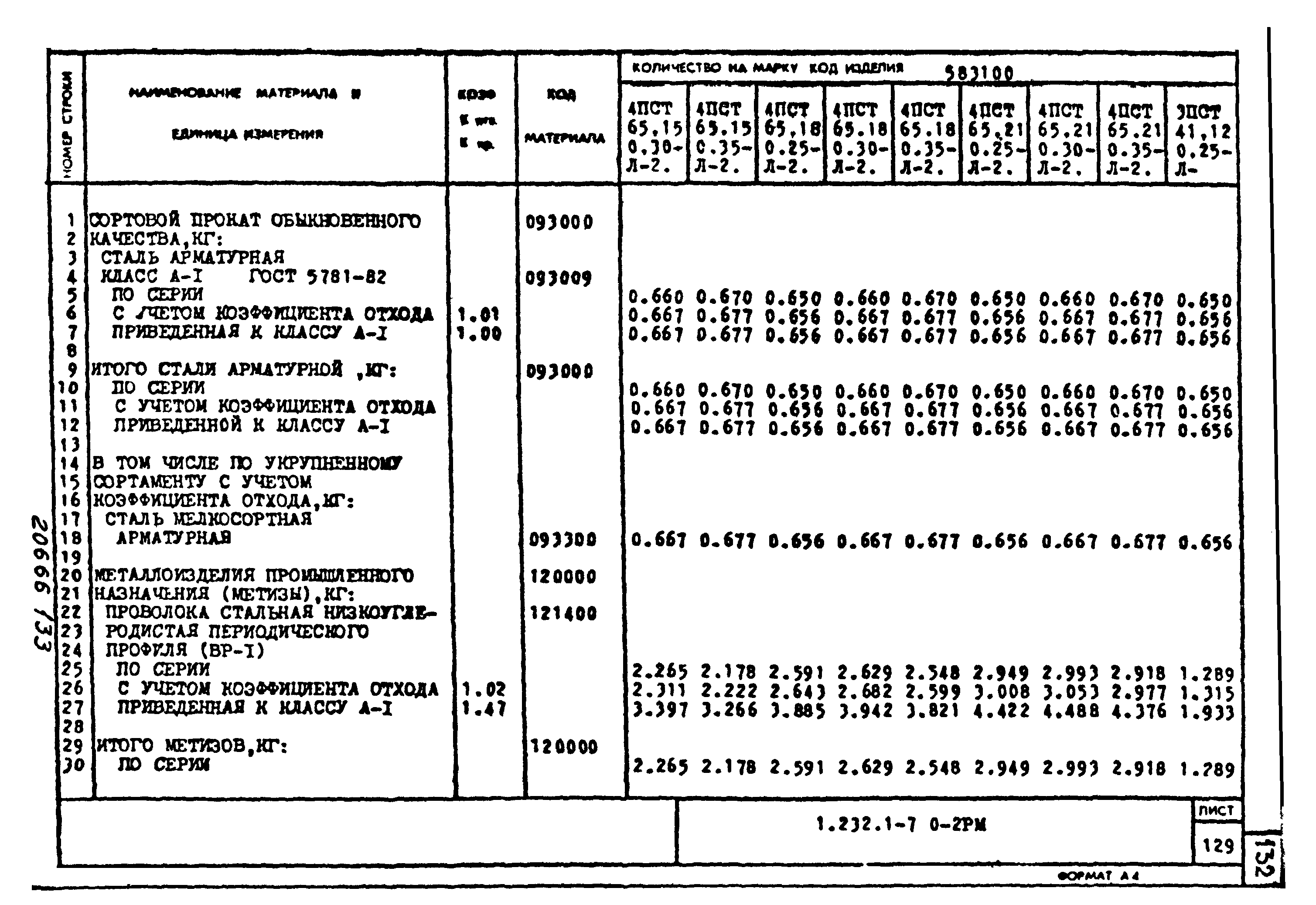
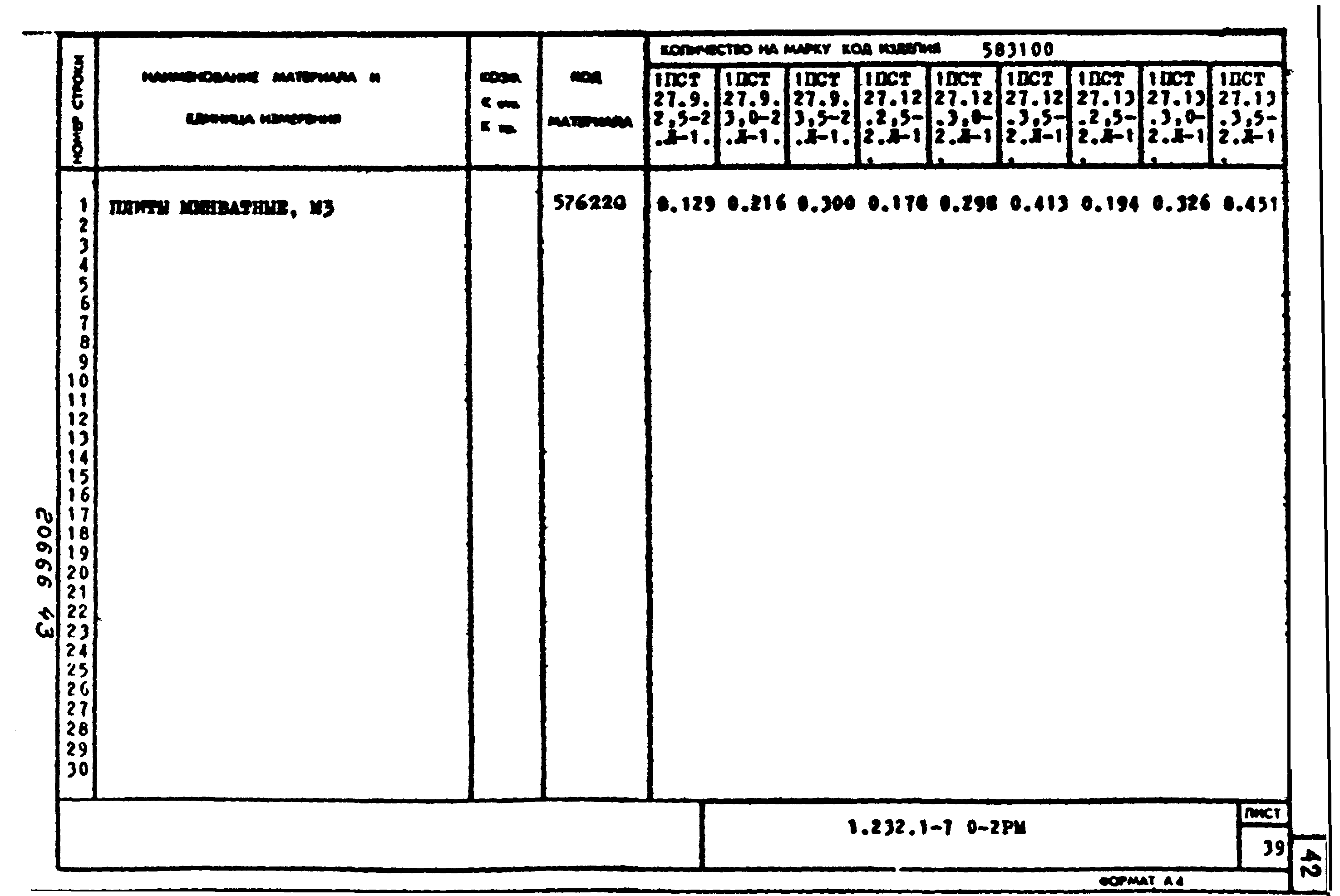
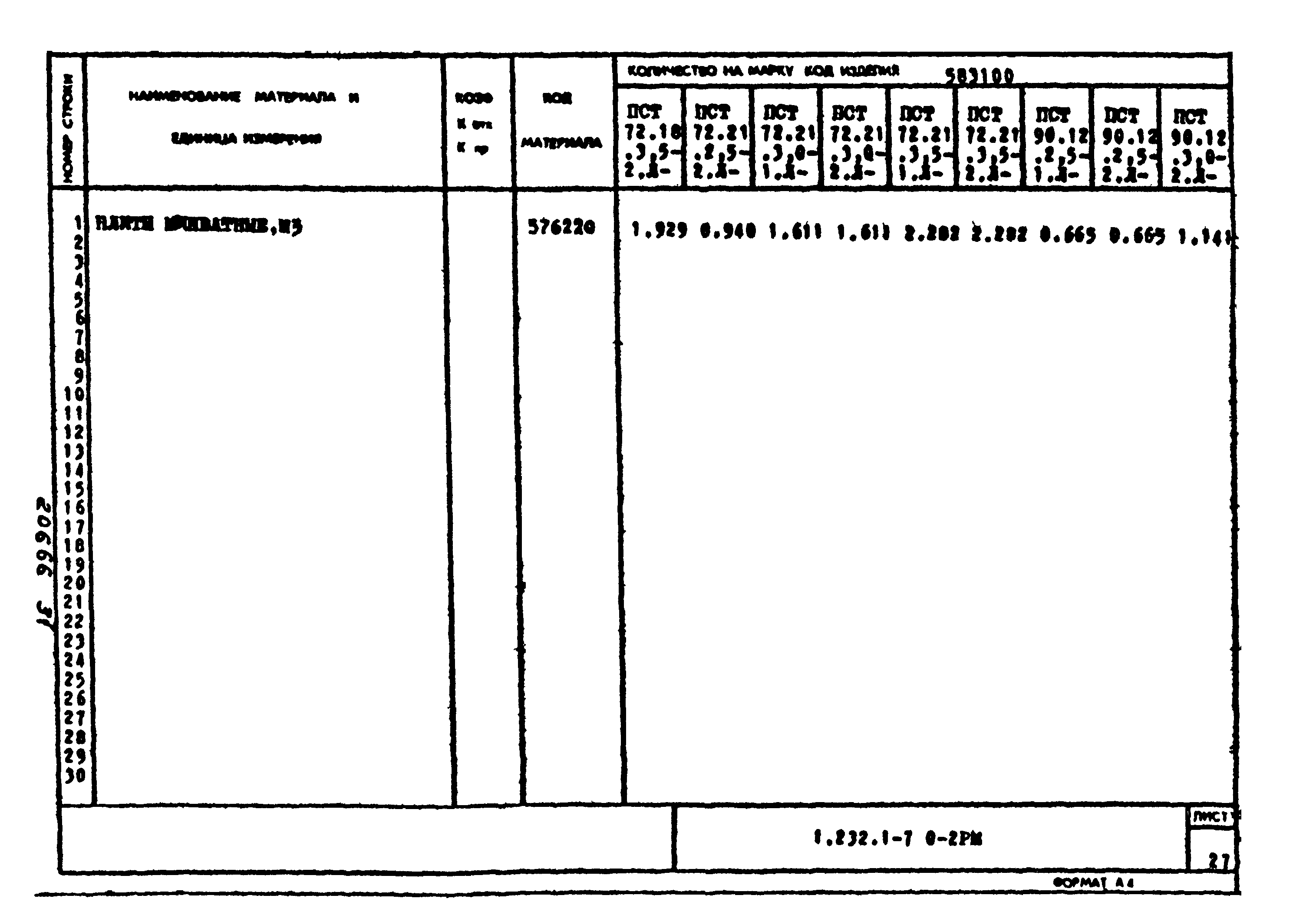
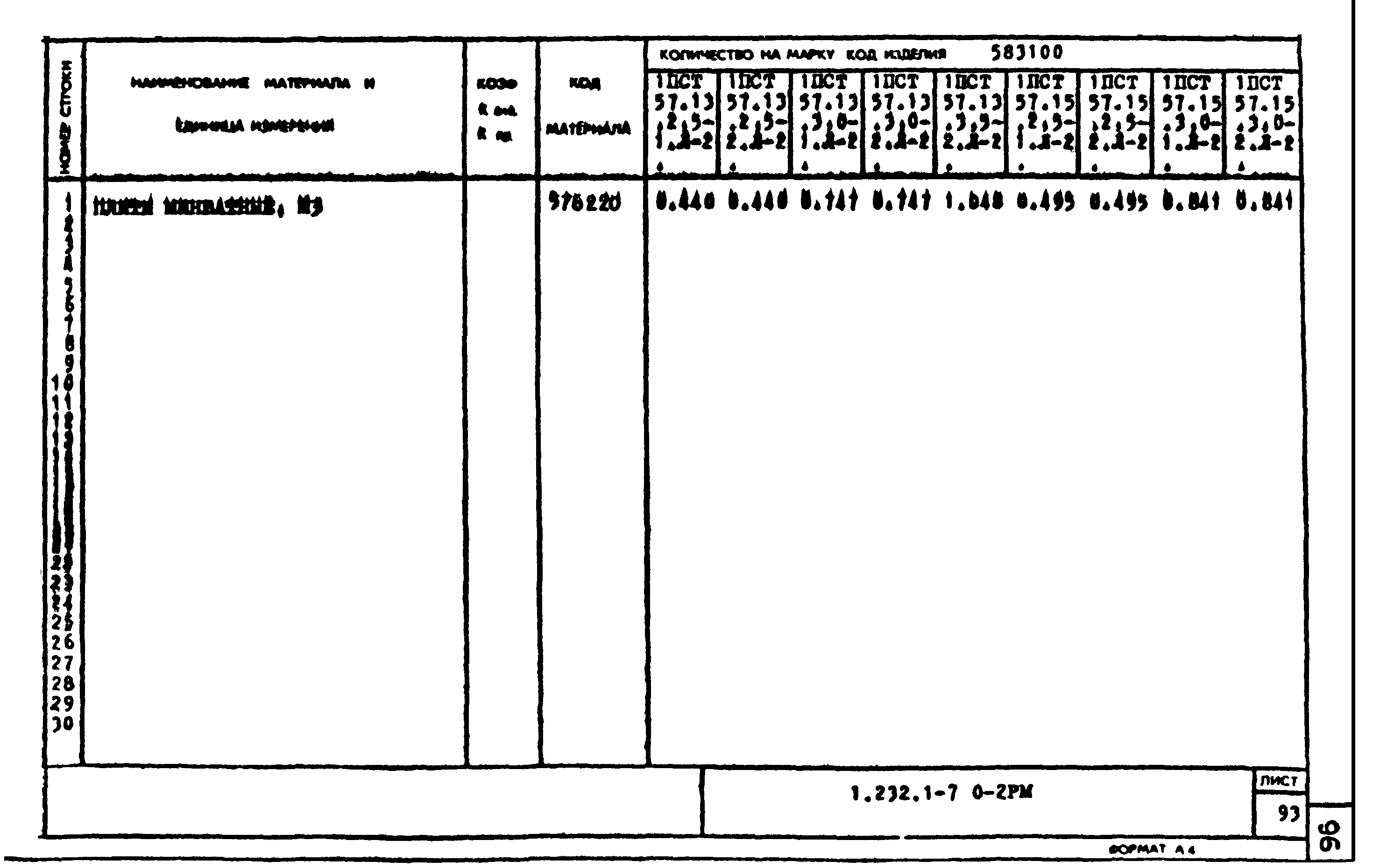
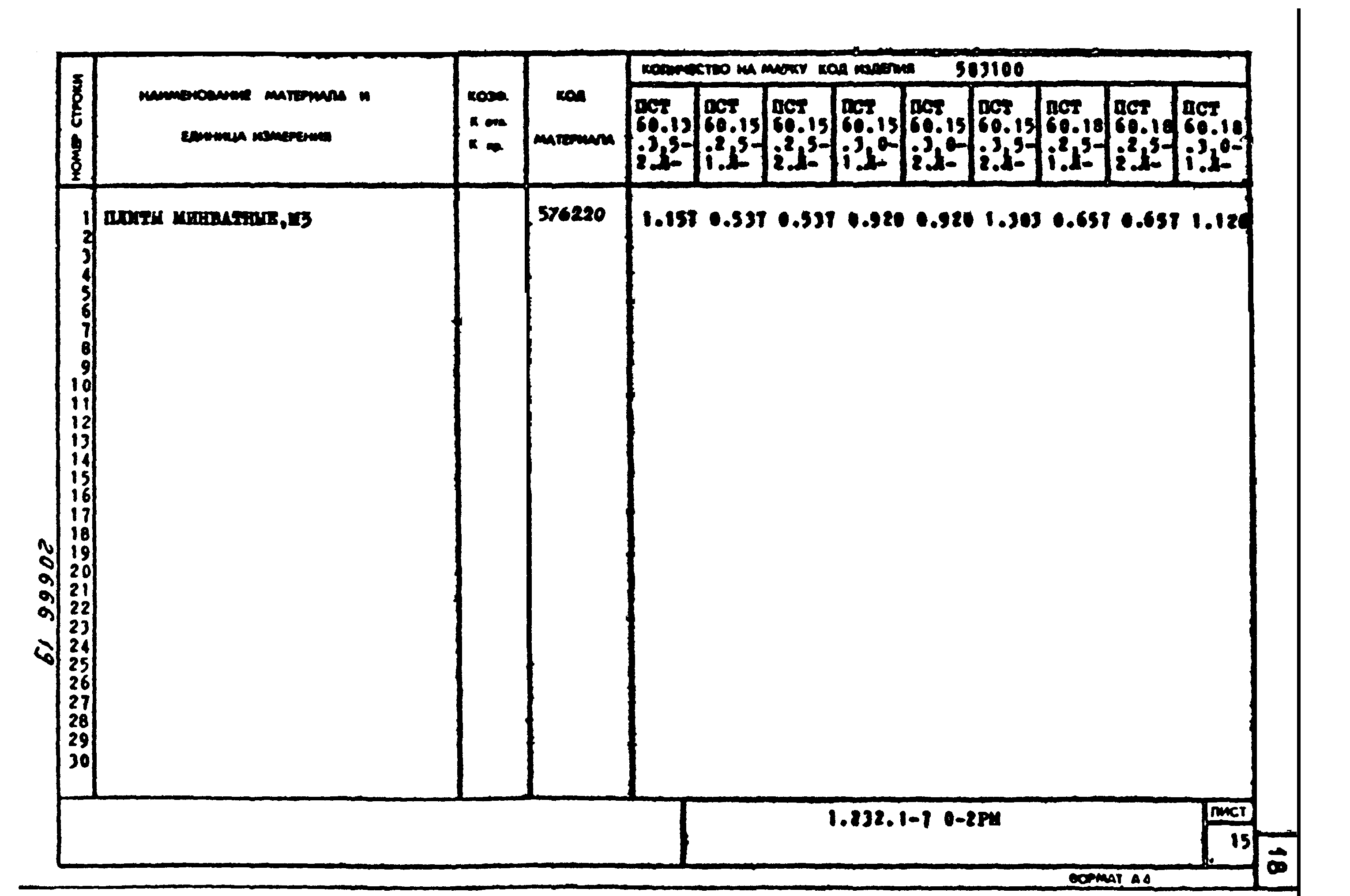
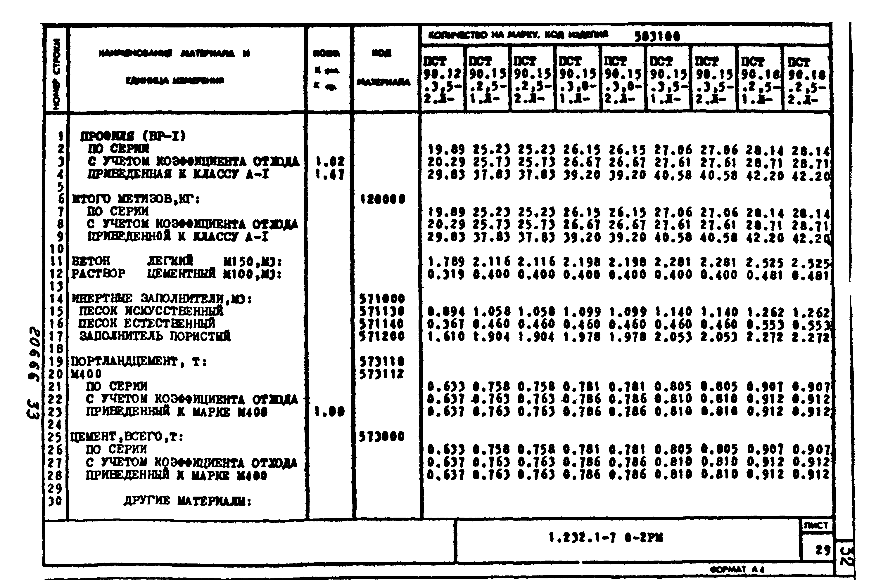
Область применения:Выпуск содержит техническое описание и ведомость расхода стали, цемента и инертных материалов на изделия выпуска 1-1 "Панели трехслойные из легкого бетона на жестких связях с эффективным утеплителем. Рабочие чертежи"
Оглавление:1.232.1-7.0-2 ТО Техническое описание
1.232.1-7.0-2 РМ Ведомость расхода стали, цемента и инертных материалов на изделия выпуска 1-1
Разработан: КиевЗНИИЭП
Утверждён:17.07.1985 Госгражданстрой (Gosgrazhdanstroy 209)
Нормативные ссылки:
Серия 1.232.1-7Серия 1.232.1-7Серия 1.232.1-7Серия 1.232.1-7Серия 1.232.1-7Серия 1.232.1-7Серия 1.232.1-7Серия 1.232.1-7Серия 1.232.1-7Серия 1.232.1-7Серия 1.232.1-7Серия 1.232.1-7Серия 1.232.1-7Серия 1.232.1-7Серия 1.232.1-7Серия 1.232.1-7Серия 1.232.1-7Серия 1.232.1-7Серия 1.232.1-7Серия 1.232.1-7Серия 1.232.1-7Серия 1.232.1-7Серия 1.232.1-7Серия 1.232.1-7Серия 1.232.1-7Серия 1.232.1-7Серия 1.232.1-7Серия 1.232.1-7Серия 1.232.1-7Серия 1.232.1-7Серия 1.232.1-7Серия 1.232.1-7Серия 1.232.1-7Серия 1.232.1-7Серия 1.232.1-7Серия 1.232.1-7Серия 1.232.1-7Серия 1.232.1-7Серия 1.232.1-7Серия 1.232.1-7Серия 1.232.1-7Серия 1.232.1-7Серия 1.232.1-7Серия 1.232.1-7Серия 1.232.1-7Серия 1.232.1-7Серия 1.232.1-7Серия 1.232.1-7Серия 1.232.1-7Серия 1.232.1-7Серия 1.232.1-7Серия 1.232.1-7Серия 1.232.1-7Серия 1.232.1-7Серия 1.232.1-7Серия 1.232.1-7Серия 1.232.1-7Серия 1.232.1-7Серия 1.232.1-7Серия 1.232.1-7Серия 1.232.1-7Серия 1.232.1-7Серия 1.232.1-7Серия 1.232.1-7Серия 1.232.1-7Серия 1.232.1-7Серия 1.232.1-7Серия 1.232.1-7Серия 1.232.1-7Серия 1.232.1-7Серия 1.232.1-7Серия 1.232.1-7Серия 1.232.1-7Серия 1.232.1-7Серия 1.232.1-7Серия 1.232.1-7Серия 1.232.1-7Серия 1.232.1-7Серия 1.232.1-7Серия 1.232.1-7Серия 1.232.1-7Серия 1.232.1-7Серия 1.232.1-7Серия 1.232.1-7Серия 1.232.1-7Серия 1.232.1-7Серия 1.232.1-7Серия 1.232.1-7Серия 1.232.1-7Серия 1.232.1-7Серия 1.232.1-7Серия 1.232.1-7Серия 1.232.1-7Серия 1.232.1-7Серия 1.232.1-7Серия 1.232.1-7Серия 1.232.1-7Серия 1.232.1-7Серия 1.232.1-7Серия 1.232.1-7Серия 1.232.1-7Серия 1.232.1-7Серия 1.232.1-7Серия 1.232.1-7Серия 1.232.1-7Серия 1.232.1-7Серия 1.232.1-7Серия 1.232.1-7Серия 1.232.1-7Серия 1.232.1-7Серия 1.232.1-7Серия 1.232.1-7Серия 1.232.1-7Серия 1.232.1-7Серия 1.232.1-7Серия 1.232.1-7Серия 1.232.1-7Серия 1.232.1-7Серия 1.232.1-7Серия 1.232.1-7Серия 1.232.1-7Серия 1.232.1-7Серия 1.232.1-7Серия 1.232.1-7Серия 1.232.1-7Серия 1.232.1-7Серия 1.232.1-7Серия 1.232.1-7Серия 1.232.1-7Серия 1.232.1-7Серия 1.232.1-7Серия 1.232.1-7Серия 1.232.1-7Серия 1.232.1-7Серия 1.232.1-7Серия 1.232.1-7Серия 1.232.1-7Серия 1.232.1-7Серия 1.232.1-7Серия 1.232.1-7Серия 1.232.1-7Серия 1.232.1-7