Скачать Серия 1.232.1-7 Выпуск 1-2. Панели трехслойные из легкого бетона на жестких связях с эффективным утеплителем. Арматурные и закладные изделия. Рабочие чертежи

Дата актуализации: 01.01.2021

Серия 1.232.1-7

Выпуск 1-2. Панели трехслойные из легкого бетона на жестких связях с эффективным утеплителем. Арматурные и закладные изделия. Рабочие чертежи

Обозначение: Серия 1.232.1-7
Обозначение англ: Series 1.232.1-7
Статус:действует
Название рус.:Выпуск 1-2. Панели трехслойные из легкого бетона на жестких связях с эффективным утеплителем. Арматурные и закладные изделия. Рабочие чертежи
Дата добавления в базу:01.09.2013
Дата актуализации:01.01.2021
Дата введения:01.09.1985
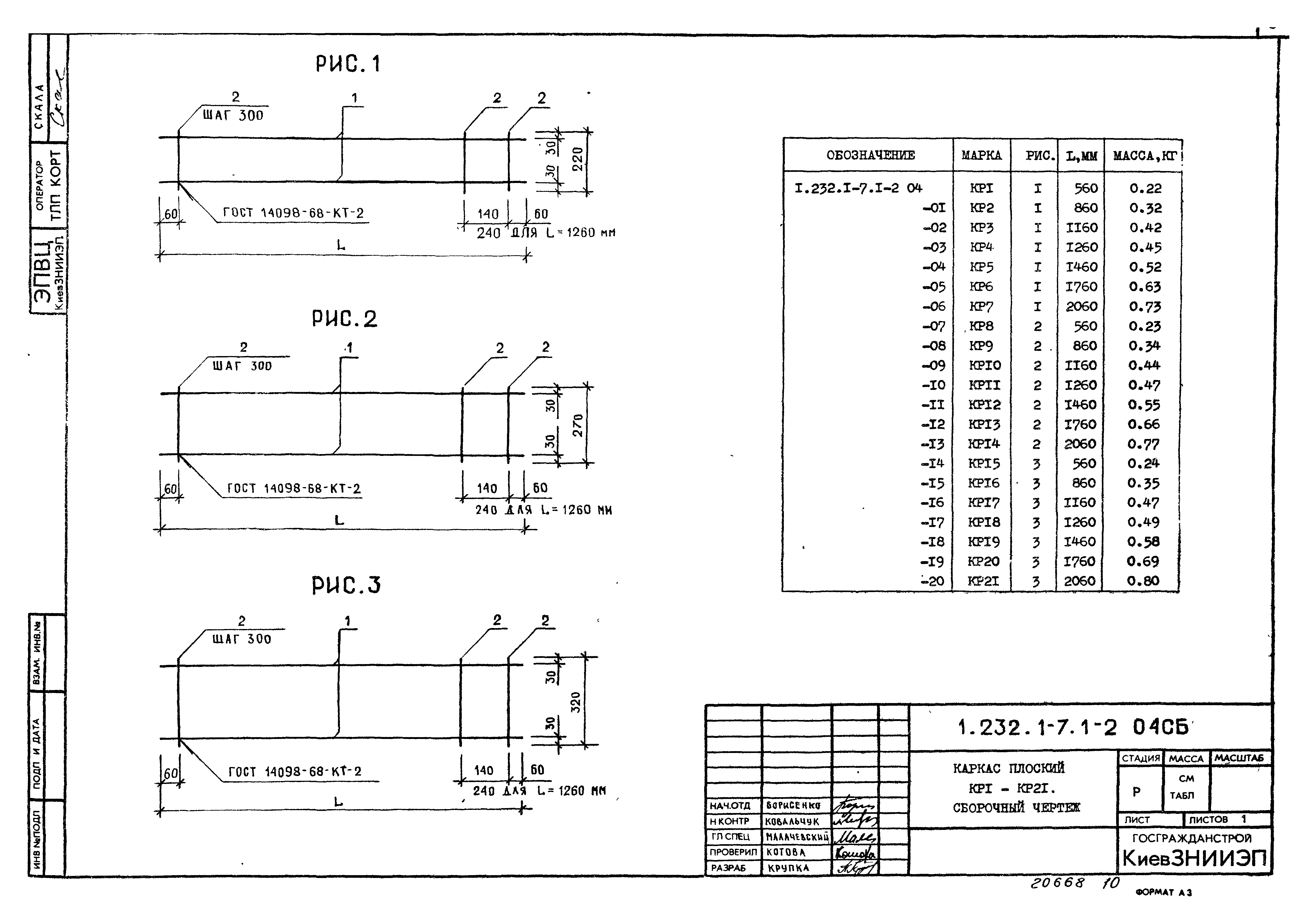
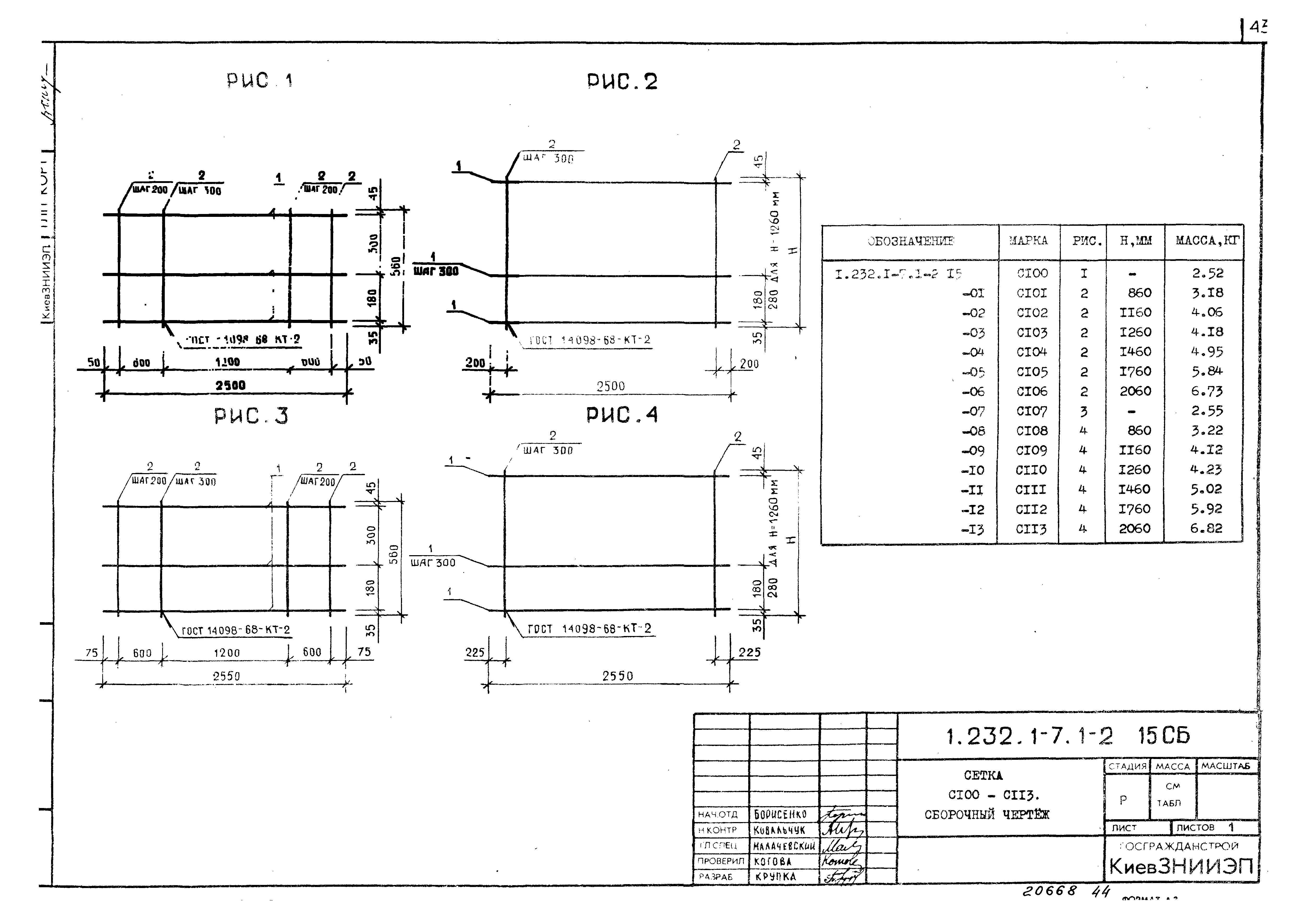
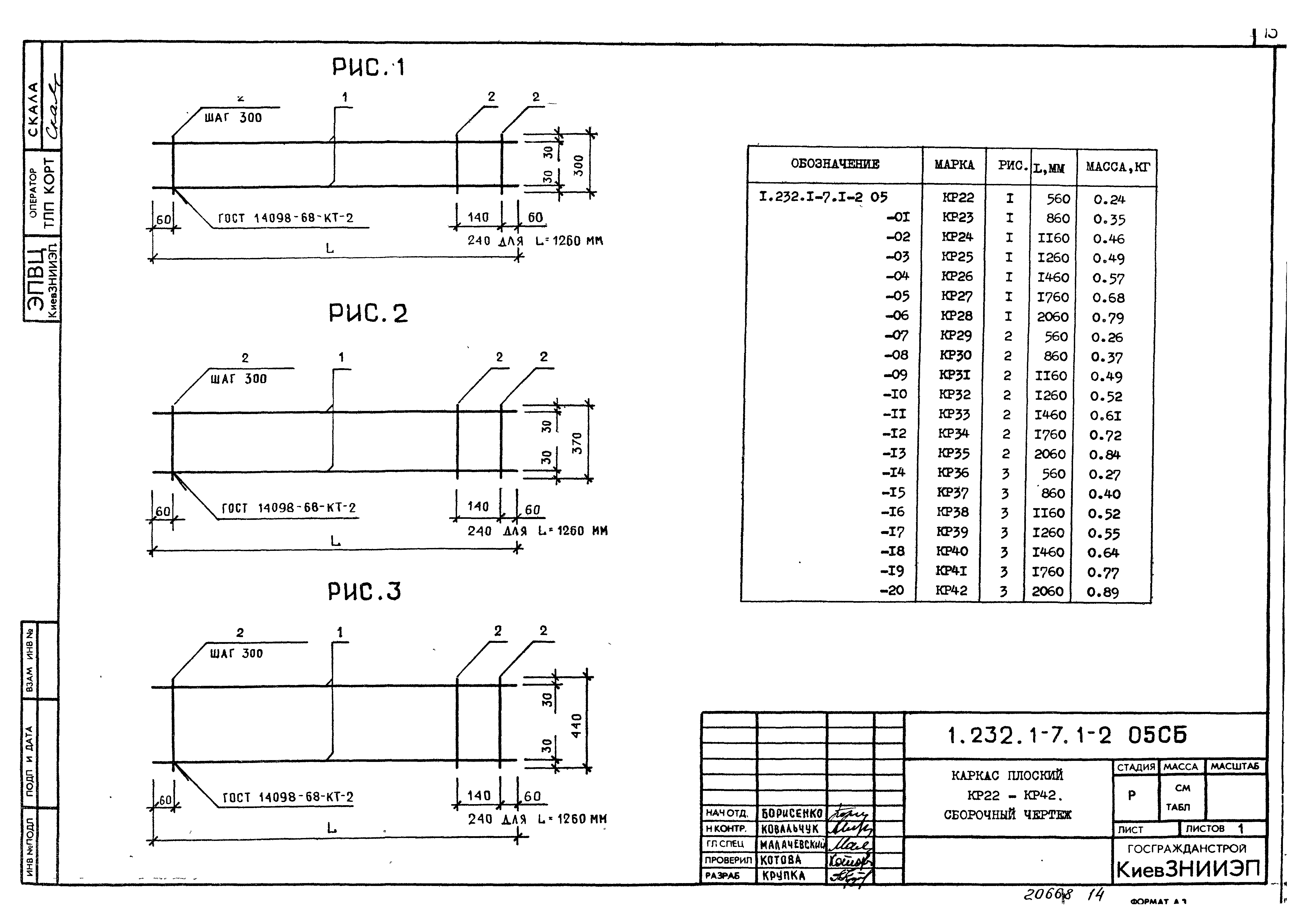
Область применения:Выпуск содержит: техническое описание, спецификации и сборочные чертежи арматурных и закладных изделий
Разработан: НИИЖБ Госстроя СССР
КиевЗНИИЭП
ЦНИИЭП торгово-бытовых зданий и туристских комплексов
Утверждён:17.07.1985 Госгражданстрой (Gosgrazhdanstroy 209)
Нормативные ссылки:
Серия 1.232.1-7Серия 1.232.1-7Серия 1.232.1-7Серия 1.232.1-7Серия 1.232.1-7Серия 1.232.1-7Серия 1.232.1-7Серия 1.232.1-7Серия 1.232.1-7Серия 1.232.1-7Серия 1.232.1-7Серия 1.232.1-7Серия 1.232.1-7Серия 1.232.1-7Серия 1.232.1-7Серия 1.232.1-7Серия 1.232.1-7Серия 1.232.1-7Серия 1.232.1-7Серия 1.232.1-7Серия 1.232.1-7Серия 1.232.1-7Серия 1.232.1-7Серия 1.232.1-7Серия 1.232.1-7Серия 1.232.1-7Серия 1.232.1-7Серия 1.232.1-7Серия 1.232.1-7Серия 1.232.1-7Серия 1.232.1-7Серия 1.232.1-7Серия 1.232.1-7Серия 1.232.1-7Серия 1.232.1-7Серия 1.232.1-7Серия 1.232.1-7Серия 1.232.1-7Серия 1.232.1-7Серия 1.232.1-7Серия 1.232.1-7Серия 1.232.1-7Серия 1.232.1-7Серия 1.232.1-7Серия 1.232.1-7Серия 1.232.1-7Серия 1.232.1-7Серия 1.232.1-7Серия 1.232.1-7Серия 1.232.1-7Серия 1.232.1-7Серия 1.232.1-7Серия 1.232.1-7Серия 1.232.1-7Серия 1.232.1-7Серия 1.232.1-7Серия 1.232.1-7Серия 1.232.1-7Серия 1.232.1-7Серия 1.232.1-7Серия 1.232.1-7Серия 1.232.1-7Серия 1.232.1-7Серия 1.232.1-7Серия 1.232.1-7Серия 1.232.1-7Серия 1.232.1-7Серия 1.232.1-7Серия 1.232.1-7Серия 1.232.1-7Серия 1.232.1-7Серия 1.232.1-7Серия 1.232.1-7Серия 1.232.1-7Серия 1.232.1-7Серия 1.232.1-7Серия 1.232.1-7Серия 1.232.1-7Серия 1.232.1-7Серия 1.232.1-7Серия 1.232.1-7Серия 1.232.1-7Серия 1.232.1-7Серия 1.232.1-7Серия 1.232.1-7Серия 1.232.1-7Серия 1.232.1-7Серия 1.232.1-7Серия 1.232.1-7Серия 1.232.1-7Серия 1.232.1-7