Скачать Серия 1.832.1-10 Выпуск 2. Арматурные и закладные изделияДата актуализации: 01.01.2021
|
| Обозначение: | Серия 1.832.1-10 |
| Обозначение англ: | Series 1.832.1-10 |
| Статус: | справочные материалы, мп, тпр |
| Название рус.: | Выпуск 2. Арматурные и закладные изделия |
| Дата добавления в базу: | 01.09.2013 |
| Дата актуализации: | 01.01.2021 |
| Область применения: | Выпуск содержит рабочие чертежи арматурных и закладных изделий двухслойных легкобетонных панелей повышенной заводской готовности для стен сельскохозяйственных зданий |
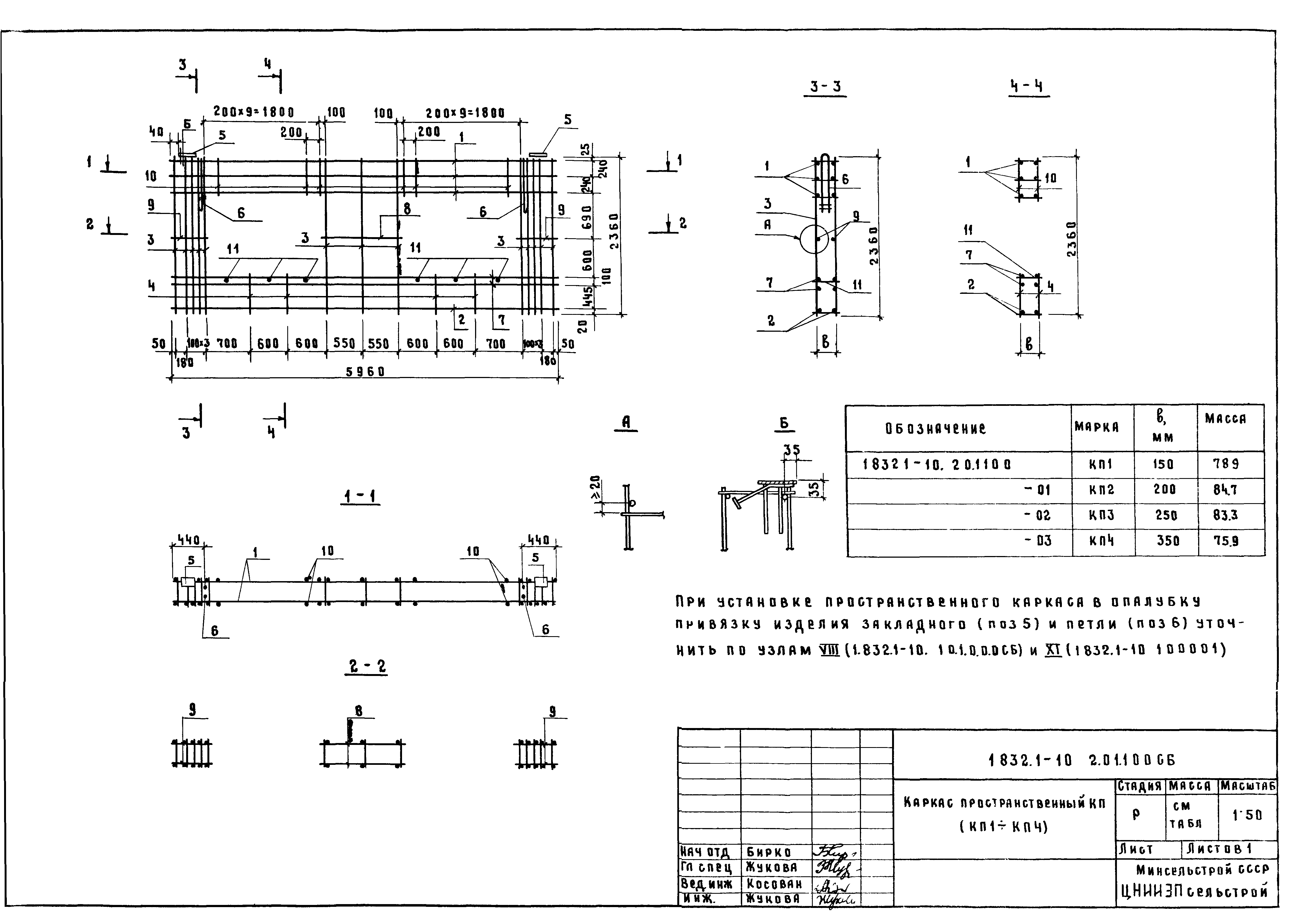
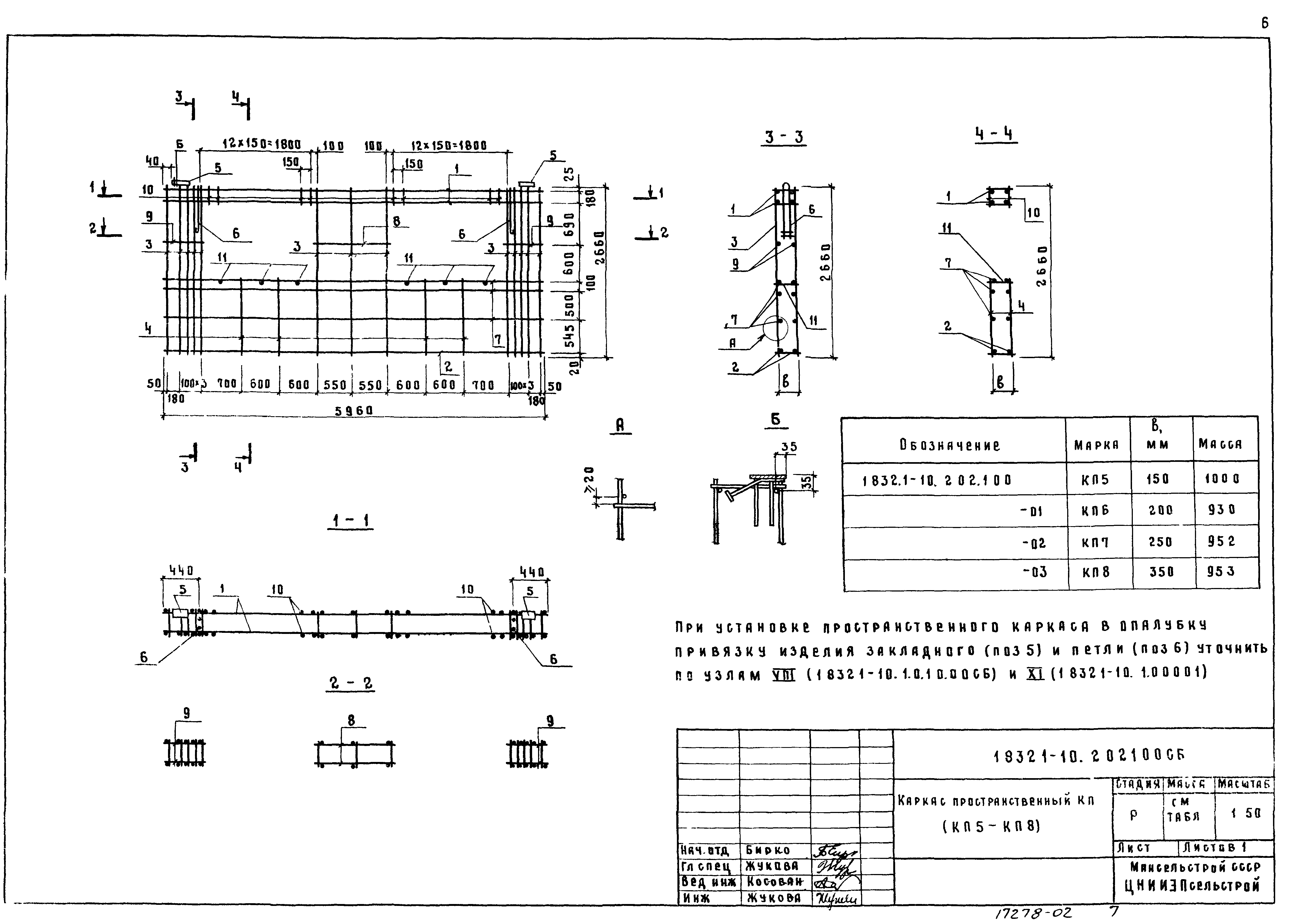
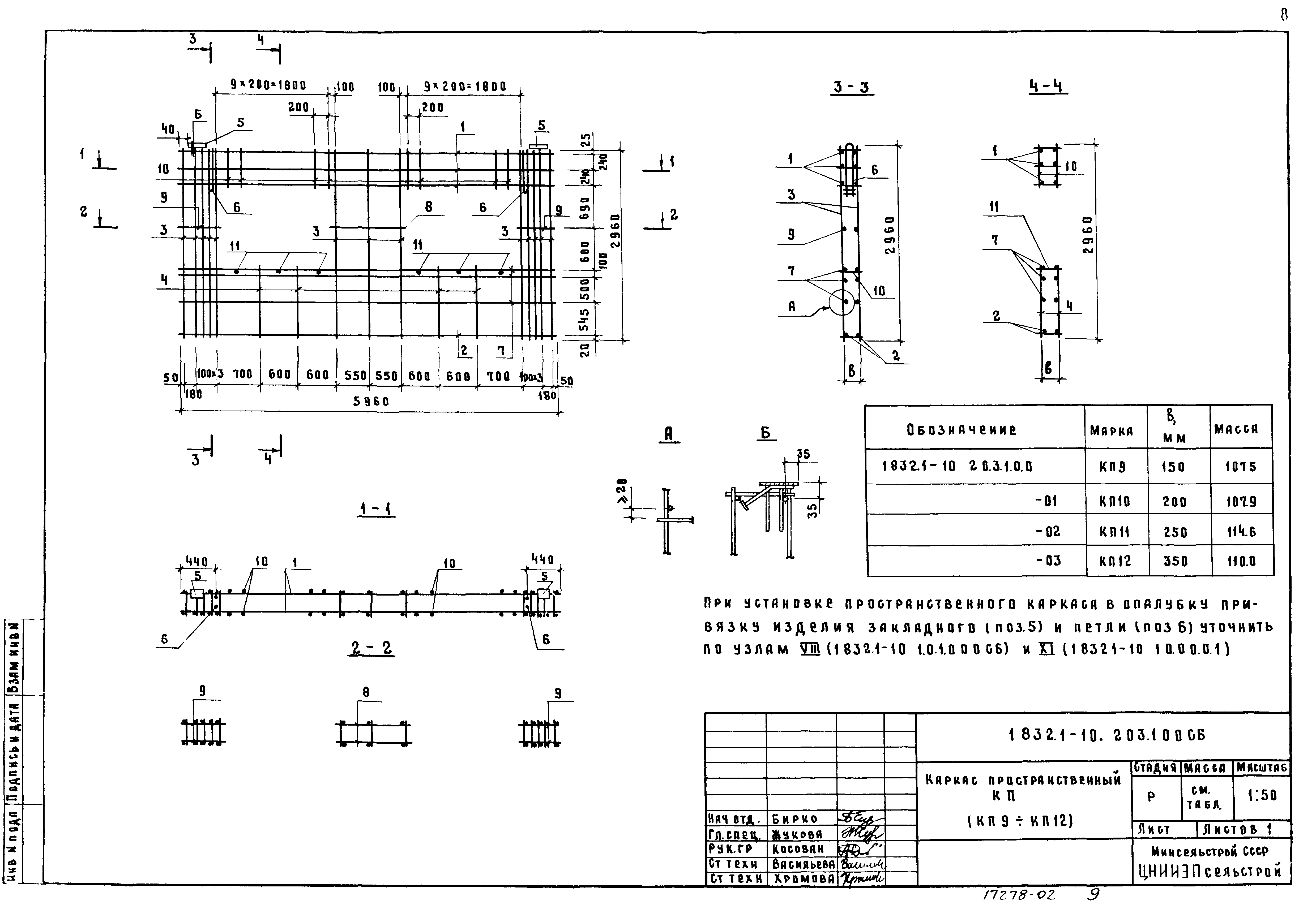
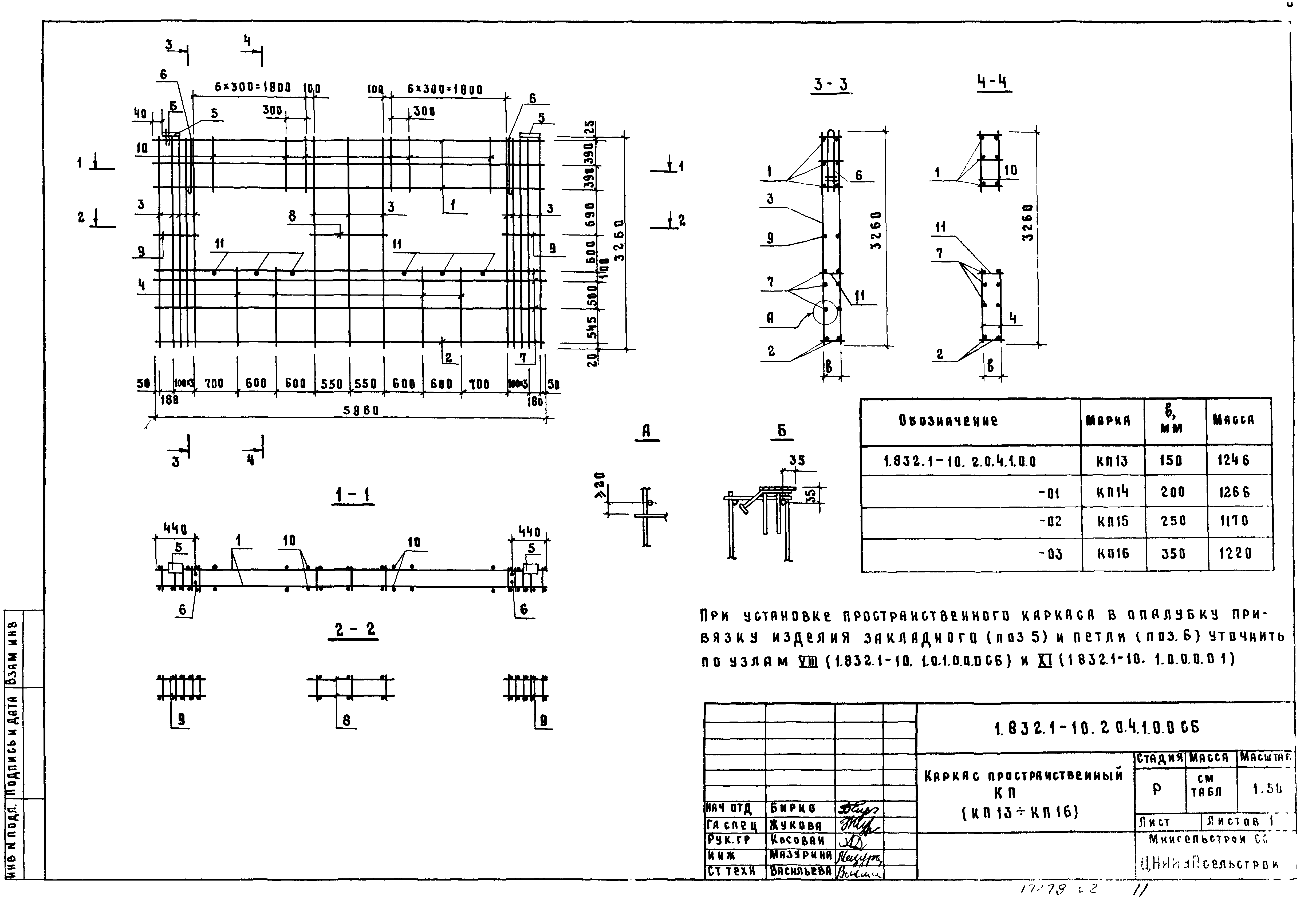
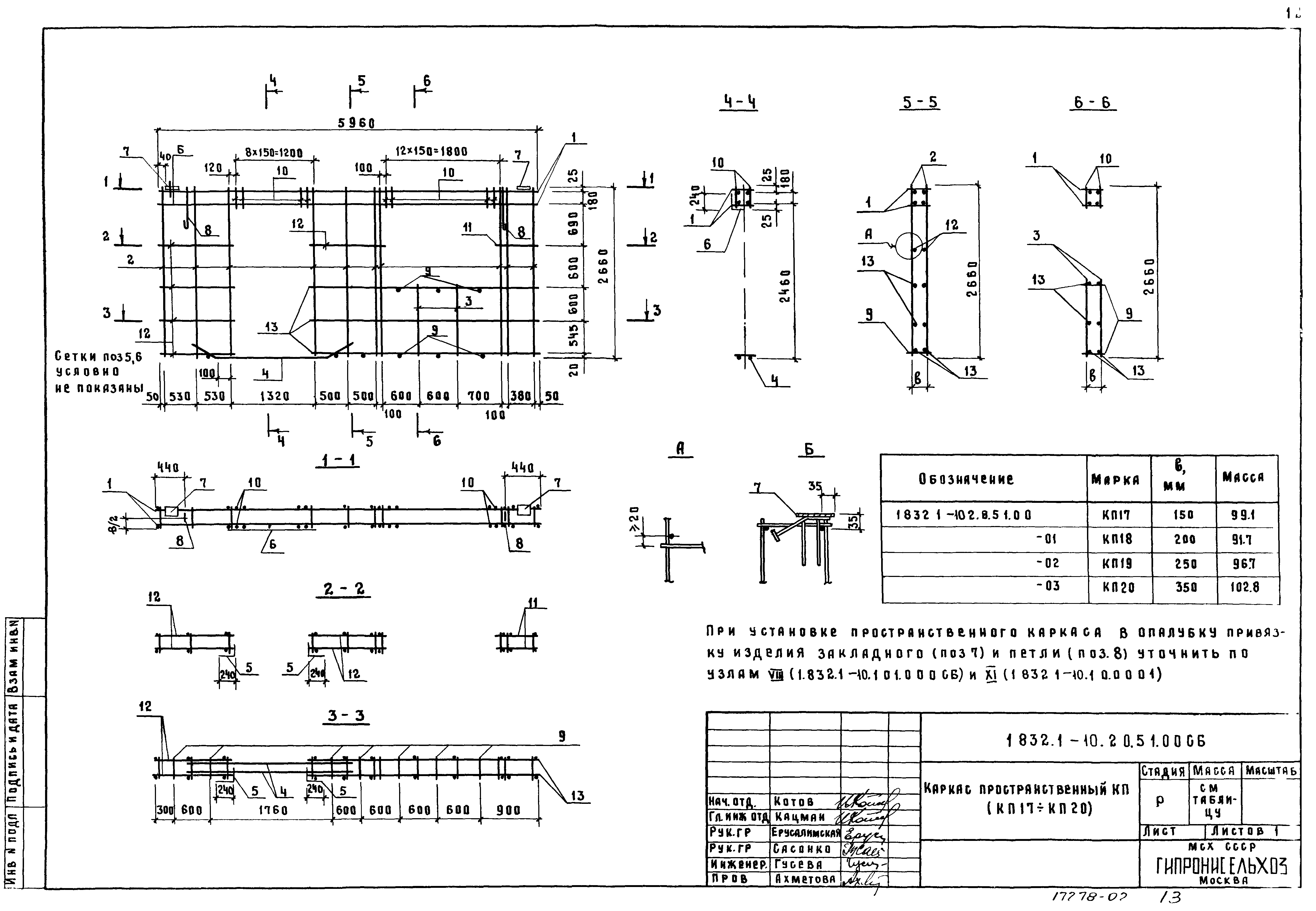
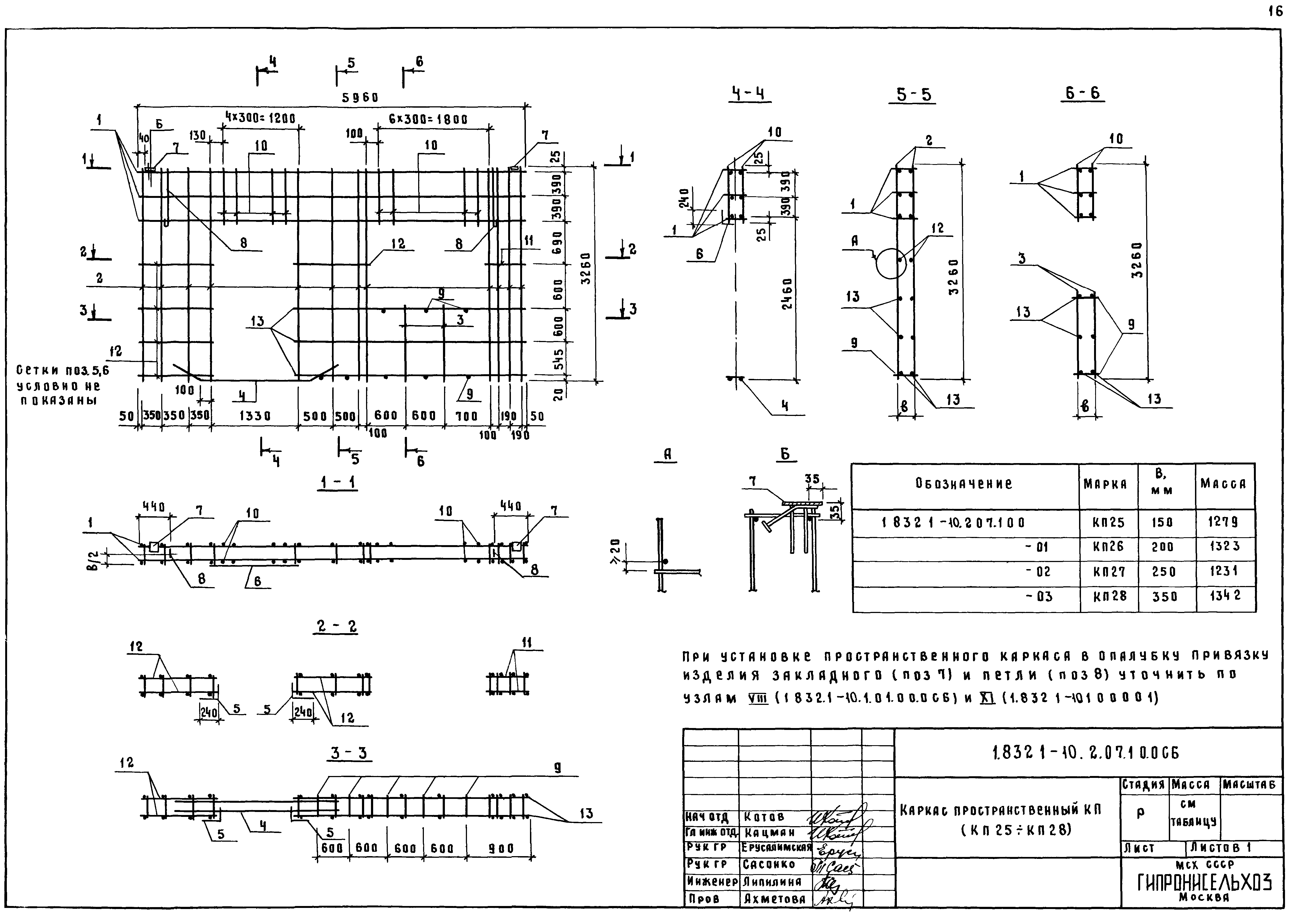
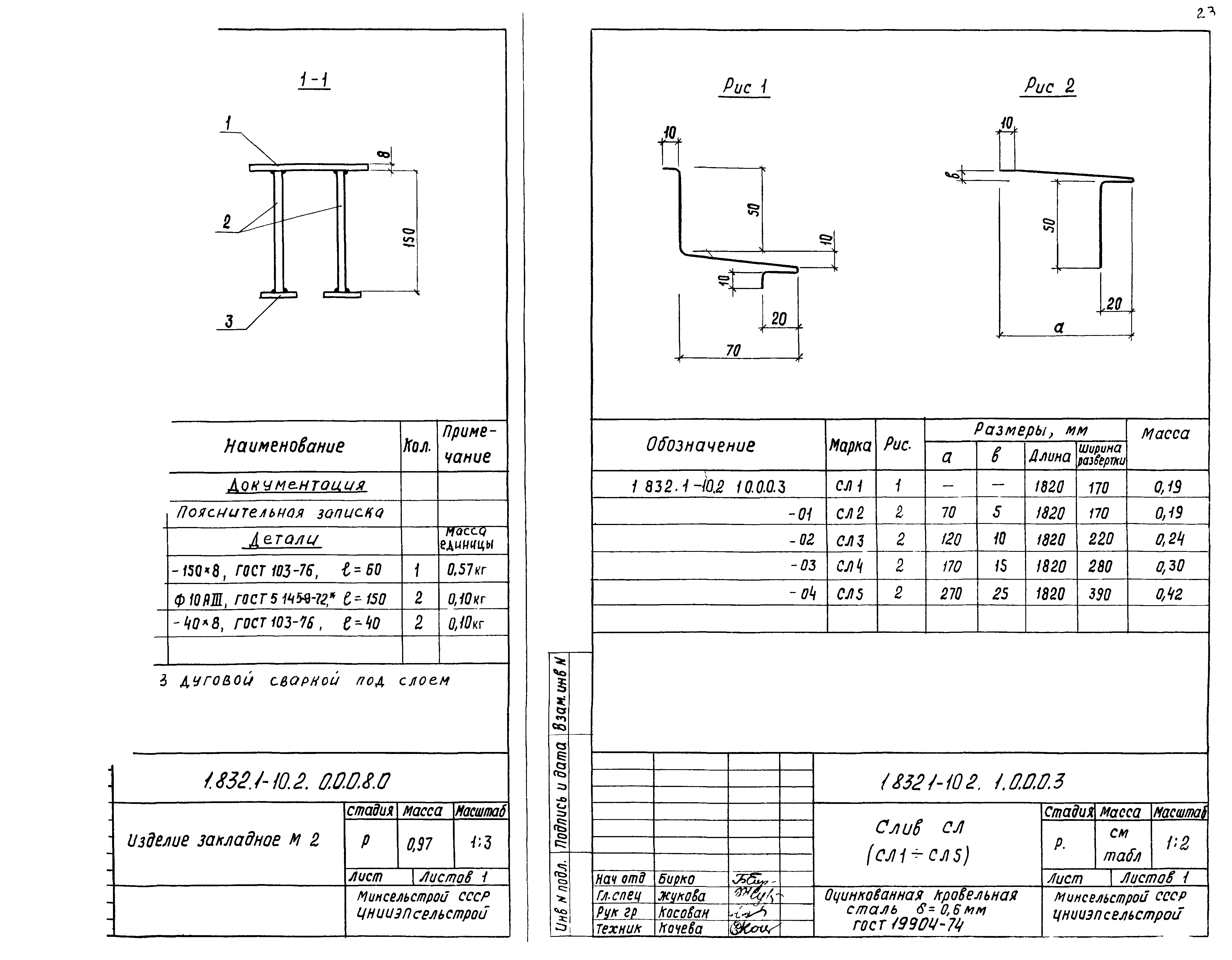
| Оглавление: | 1.832.1-10.2.0.0.0.0.0 ПЗ Пояснительная записка 1.832.1-10.2.0.1.1.0.0 Каркас пространственный КП (КП1/КП4) 1.832.1-10.2.0.1.1.0.0 СБ Каркас пространственный КП (КП1/КП4) 1.832.1-10.2.0.2.1.0.0 Каркас пространственный КП (КП5/КП8) 1.832.1-10.2.0.2.1.0.0 СБ Каркас пространственный КП (КП5/КП8) 1.832.1-10.2.0.3.1.0.0 Каркас пространственный КП (КП9/КП12) 1.832.1-10.2.0.3.1.0.0 СБ Каркас пространственный КП (КП9/КП12) 1.832.1-10.2.0.4.1.0.0 Каркас пространственный КП (КП13/КП16) 1.832.1-10.2.0.4.1.0.0 СБ Каркас пространственный КП (КП13/КП16) 1.832.1-10.2.0.5.1.0.0 Каркас пространственный КП (КП17/КП20) 1.832.1-10.2.0.5.1.0.0 СБ Каркас пространственный КП (КП17/КП20) 1.832.1-10.2.0.6.1.0.0 Каркас пространственный КП (КП21/КП24) 1.832.1-10.2.0.6.1.0.0 СБ Каркас пространственный КП (КП21/КП24) 1.832.1-10.2.0.7.1.0.0 Каркас пространственный КП (КП25/КП28) 1.832.1-10.2.0.7.1.0.0 СБ Каркас пространственный КП (КП25/КП28) 1.832.1-10.2.0.0.0.1.0 Каркас плоский КР (КР1/КР12) 1.832.1-10.2.0.0.0.2.0 Каркас плоский КР (КР13/КР24) 1.832.1-10.2.0.0.0.3.0 Каркас плоский КР (КР25/КР36) 1.832.1-10.2.0.0.0.4.0 Каркас плоский КР (КР37/КР40) 1.832.1-10.2.0.0.0.5.0 Сетка С(С1, С2) 1.832.1-10.2.0.0.0.6.0 Изделие закладное М1 1.832.1-10.2.0.0.0.7.0 Петля П (П1/П5) 1.832.1-10.2.0.0.0.7.0 СБ Петля П (П1/П5) 1.832.1-10.2.0.0.0.8.0 Изделие закладное М2 1.832.1-10.2.1.0.0.0.3 Слив СЛ (СЛ1/СЛ5) |
| Разработан: | НИИЖБ Госстроя СССР Гипронисельхоз Минсельхоза СССР ЦНИИЭПсельстрой Минсельстроя СССР |
| Утверждён: | 11.05.1981 Госстрой СССР (Государственный комитет Совета Министров СССР по делам строительства) (USSR Gosstroy 30) |
| Издан: | ЦИТП Госстроя СССР (CITP, Gosstroy (USSR) 1981 г. ) |
| Нормативные ссылки: |
|
























