Скачать Серия 1.832.1-13 Выпуск 4. Панели повышенной заводской готовности. Арматурные и закладные изделия. Рабочие чертежиДата актуализации: 01.01.2021
|
| Обозначение: | Серия 1.832.1-13 |
| Обозначение англ: | Series 1.832.1-13 |
| Статус: | не определен законодательством |
| Название рус.: | Выпуск 4. Панели повышенной заводской готовности. Арматурные и закладные изделия. Рабочие чертежи |
| Дата добавления в базу: | 01.09.2013 |
| Дата актуализации: | 01.01.2021 |
| Дата введения: | 15.02.1989 |
| Дата окончания срока действия: | 30.06.2003 |
| Область применения: | Выпуск содержит рабочие чертежи арматурных и закладных изделий трехслойных железобетонных панелей повышенной заводской готовности на гибких связях с плитным утеплителем |
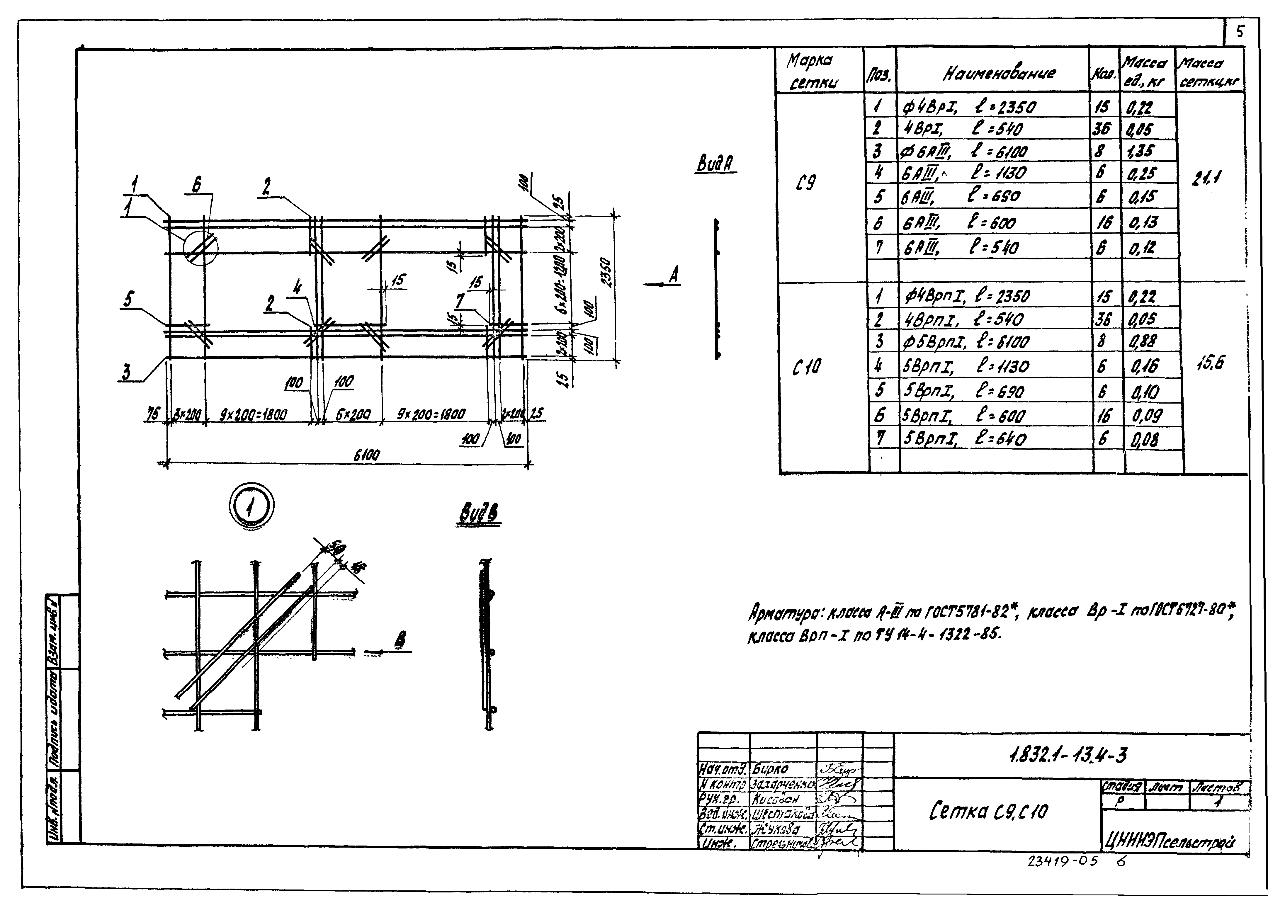
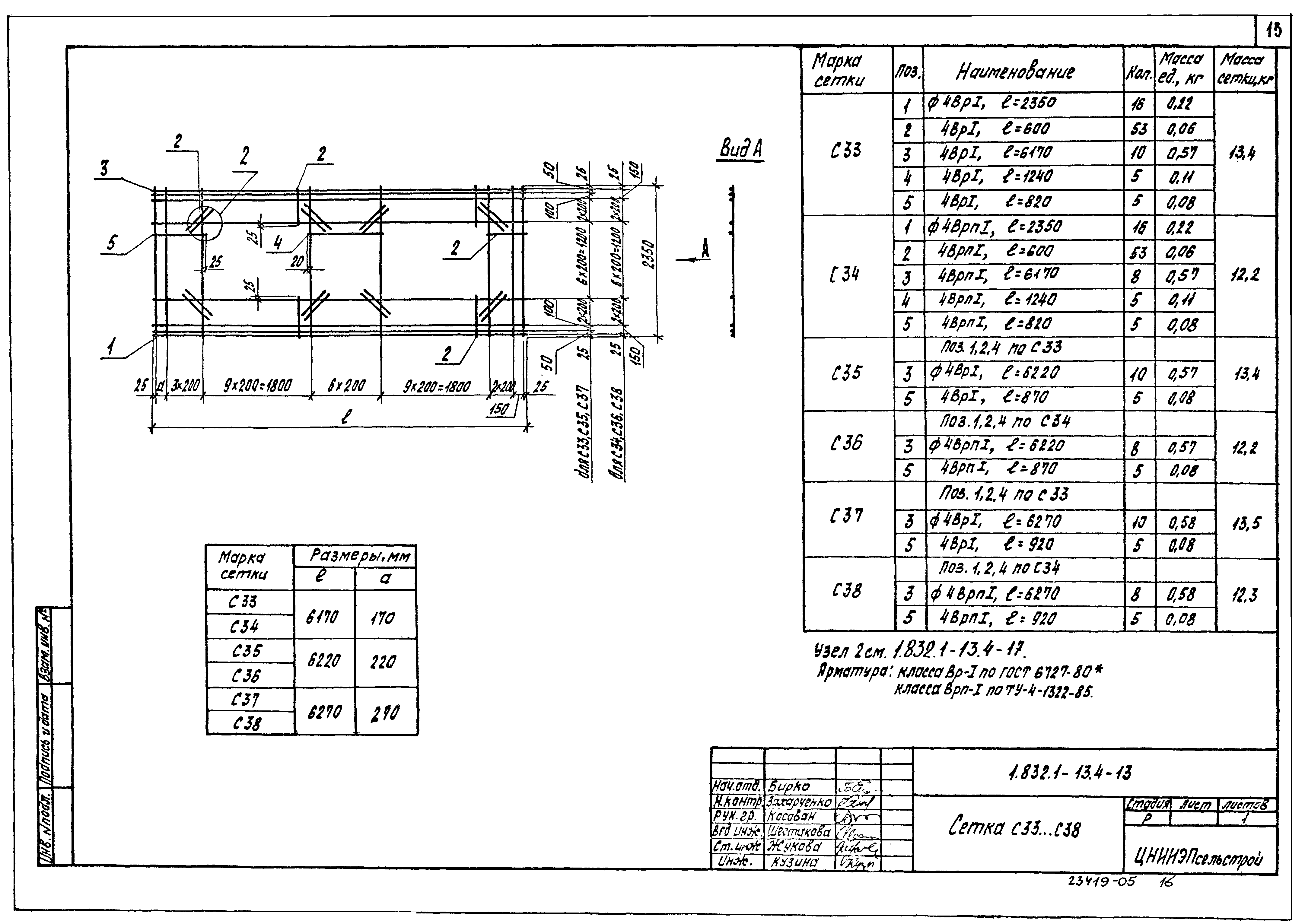
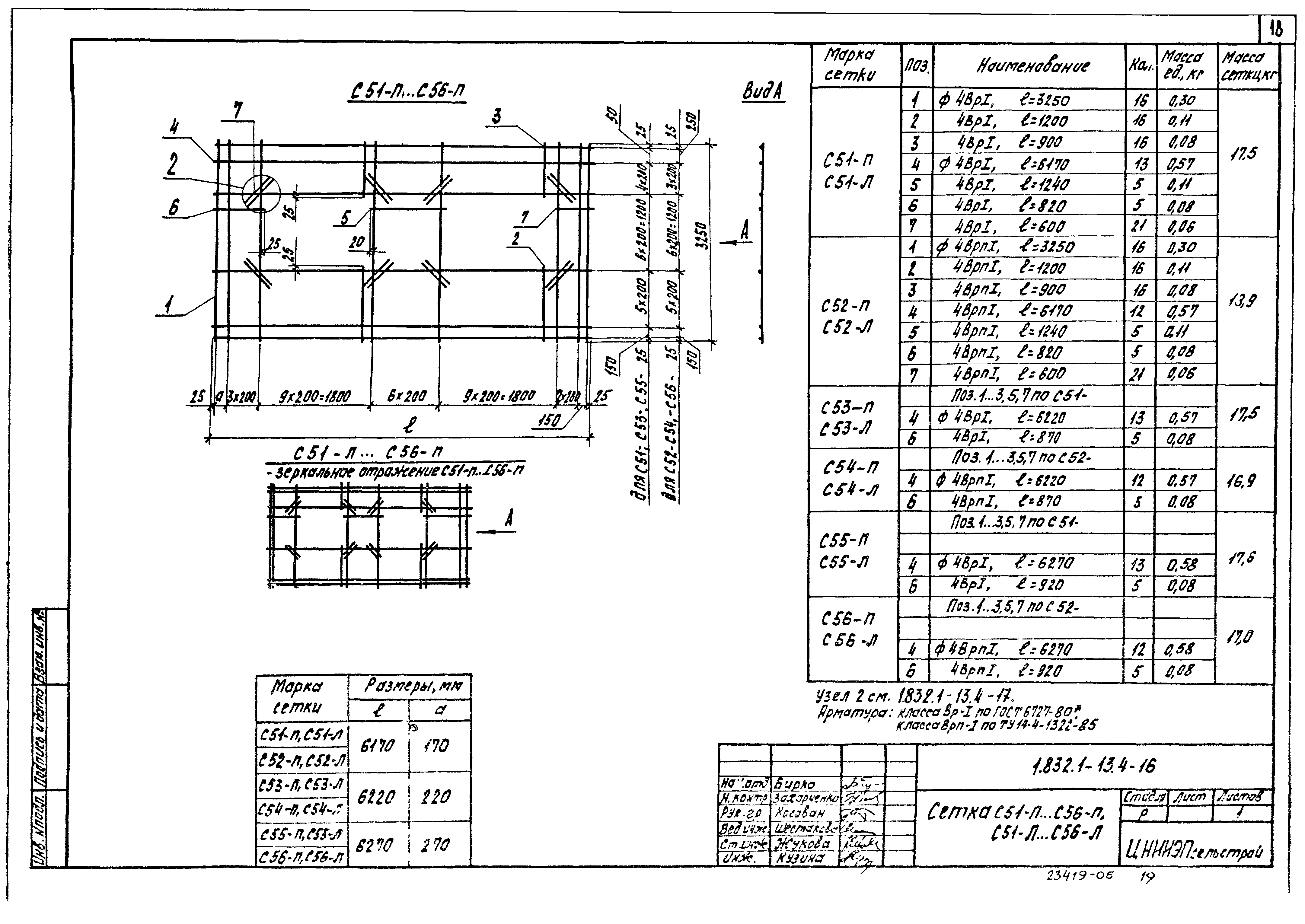
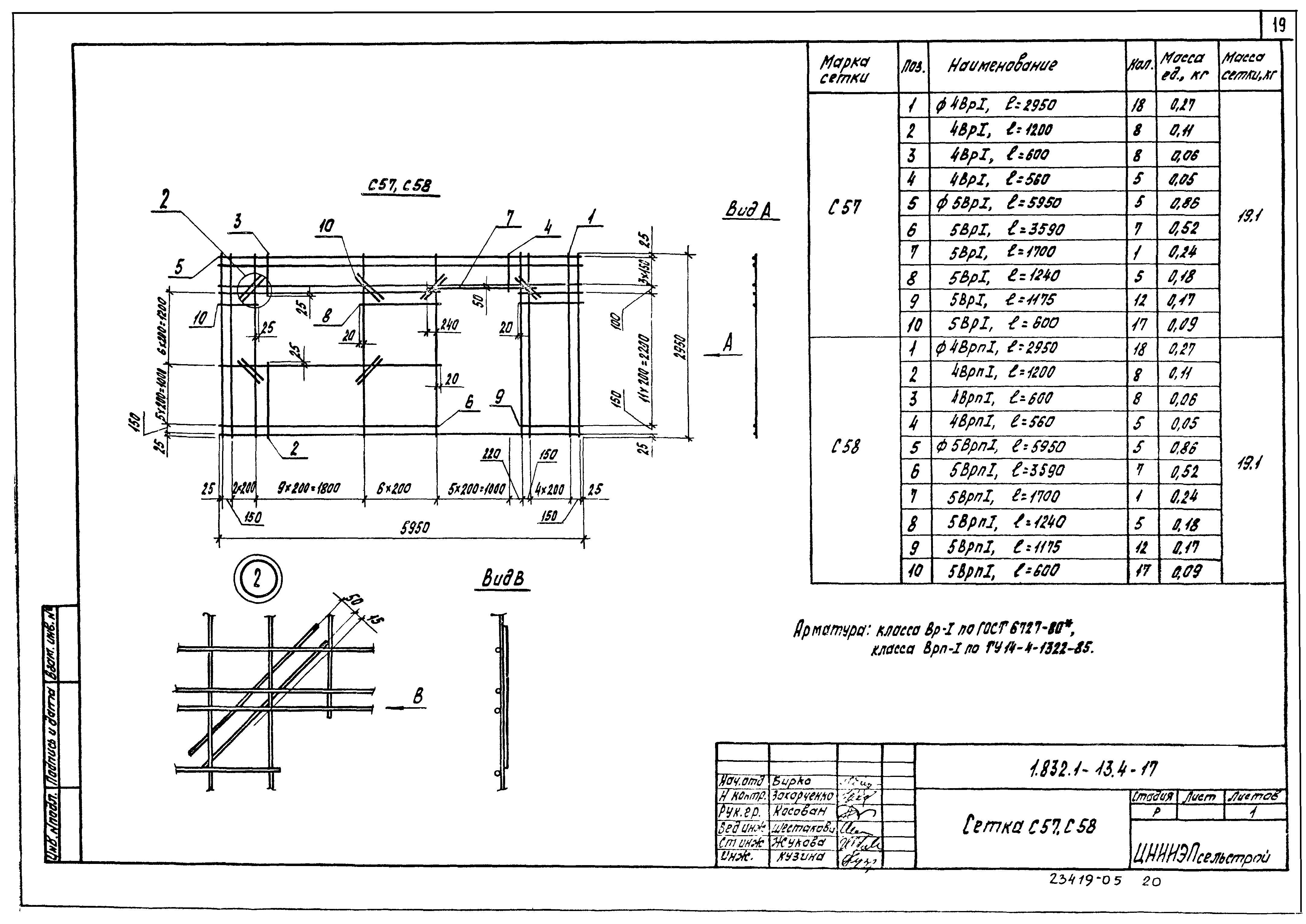
| Оглавление: | 1.832.1-13.4-ТТ Технические требования 1.832.1-13.4-1 Сетка С1… С4 1.832.1-13.4-2 Сетка С5… С8 1.832.1-13.4-3 Сетка С9, С10 1.832.1-13.4-4 Сетка С11-П, С11-Л, С12-П, С12-Л 1.832.1-13.4-5 Сетка С13-П, С13-Л, С14-П, С14-Л 1.832.1-13.4-6 Сетка С15-П, С15-Л, С16-П, С16-Л 1.832.1-13.4-7 Сетка С17, С18 1.832.1-13.4-8 Сетка С19, С20 1.832.1-13.4-9 Сетка С21-П, С21-Л, С22-П, С22-Л 1.832.1-13.4-10 Сетка С23-П, С23-Л, С24-П, С24-Л 1.832.1-13.4-11 Сетка С25… С28 1.832.1-13.4-12 Сетка С29… С32 1.832.1-13.4-13 Сетка С33… С38 1.832.1-13.4-14 Сетка С39-П… С44-П, С39-Л… С44-Л 1.832.1-13.4-15 Сетка С45-П… С50-П, С45-Л… С50-Л 1.832.1-13.4-16 Сетка С51-П… С56-П, С51-Л… С56-Л 1.832.1-13.4-17 Сетка С57, С58 1.832.1-13.4-18 Сетка С59, С60 1.832.1-13.4-19 Сетка С61-П… С66-П, С61-Л… С66-Л 1.832.1-13.4-20 Сетка С67-П… С72-П, С67-Л… С72-Л 1.832.1-13.4-21 Петля для подъема П1… П3 1.832.1-13.4-22 Изделие закладное МН1 1.832.1-13.4-23 Сетка С73… С78 1.832.1-13.4-24 Сетка С79… С84 1.832.1-13.4-25 Сетка С85… С90 1.832.1-13.4-26 Сетка С91… С96 1.832.1-13.4-27 Сетка С97… С102 1.832.1-13.4-28 Связь гибкая СГ1… СГ3 1.832.1-13.4-29 Слив СЛ1… СЛ4 |
| Разработан: | ЦНИИЭПсельстрой ГипроНИсельхоз (Институт Гипронисельхоз ) |
| Утверждён: | 12.08.1988 Госагропром СССР (USSR Gosagroprom 804-48/853) |
| Издан: | ЦИТП Госстроя СССР (CITP, Gosstroy (USSR) 1988 г. ) |
| Заменяет собой: | |
| Нормативные ссылки: |
|






























