Скачать Серия 1.138-11с Выпуск 1-3. Панели групп С-НПТ1 и С-НПТ4 толщиной 300 мм. Рабочие чертежиДата актуализации: 01.01.2021
|
| Обозначение: | Серия 1.138-11с |
| Обозначение англ: | Series 1.138-11с |
| Статус: | не определен законодательством |
| Название рус.: | Выпуск 1-3. Панели групп С-НПТ1 и С-НПТ4 толщиной 300 мм. Рабочие чертежи |
| Дата добавления в базу: | 01.09.2013 |
| Дата актуализации: | 01.01.2021 |
| Дата введения: | 01.07.1980 |
| Дата окончания срока действия: | 30.06.2003 |
| Область применения: | Панели легкобетонные предназначены длястроительства 4 - 5 этажных домов в районах с сейсмичностью 7 - 9 баллов, а также высотой 9 этажей в районах с сейсмичностью 7, 8 баллов |
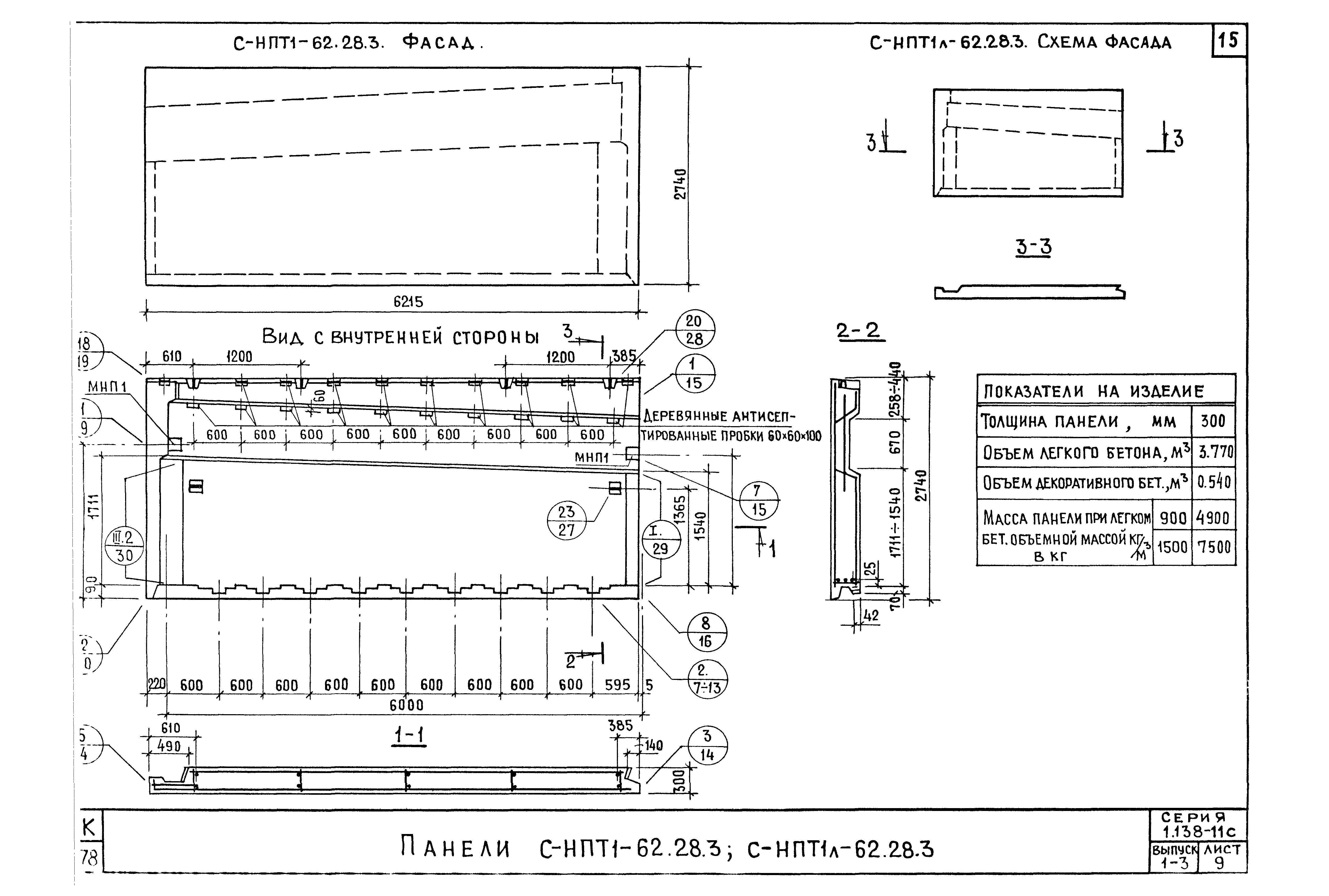
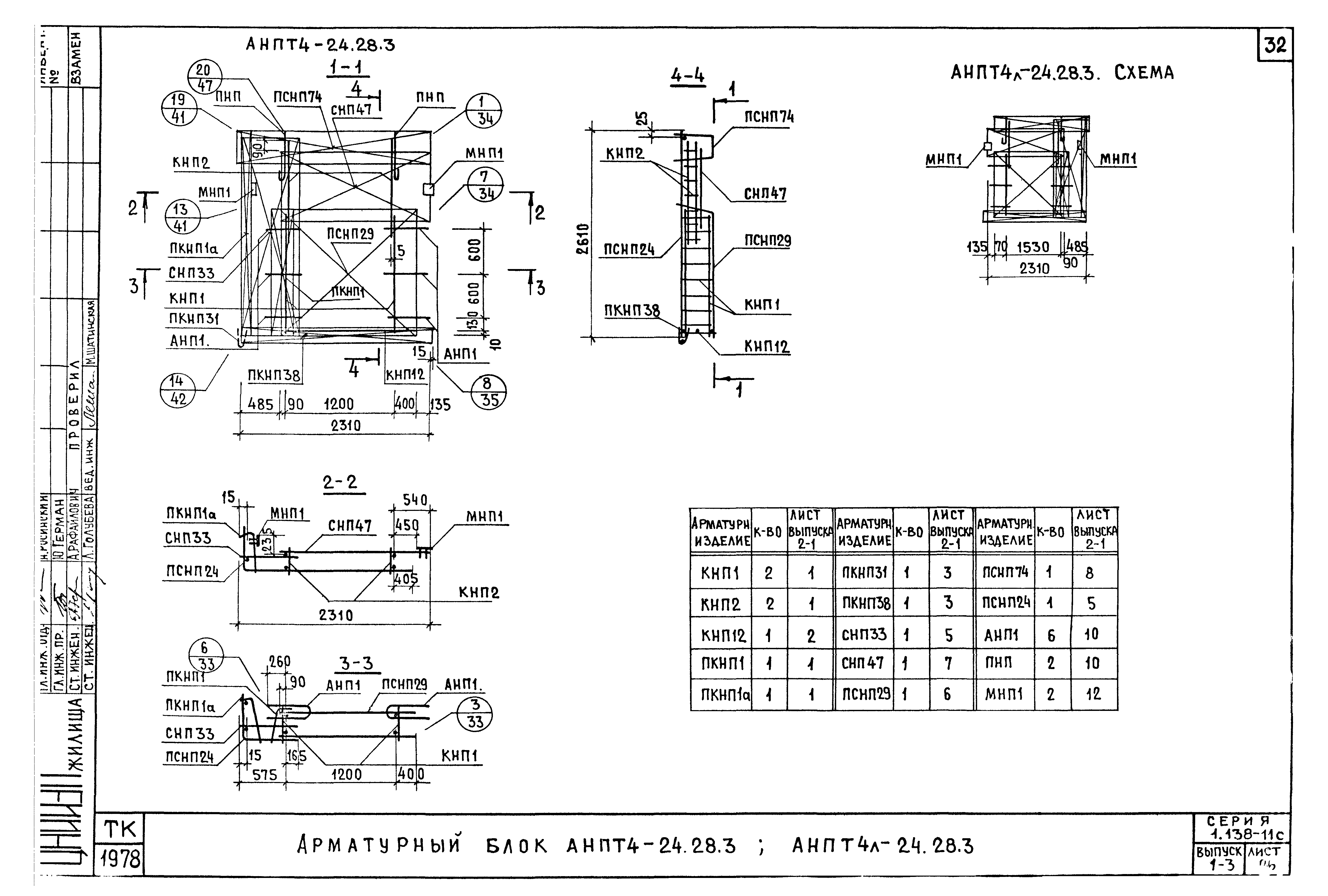
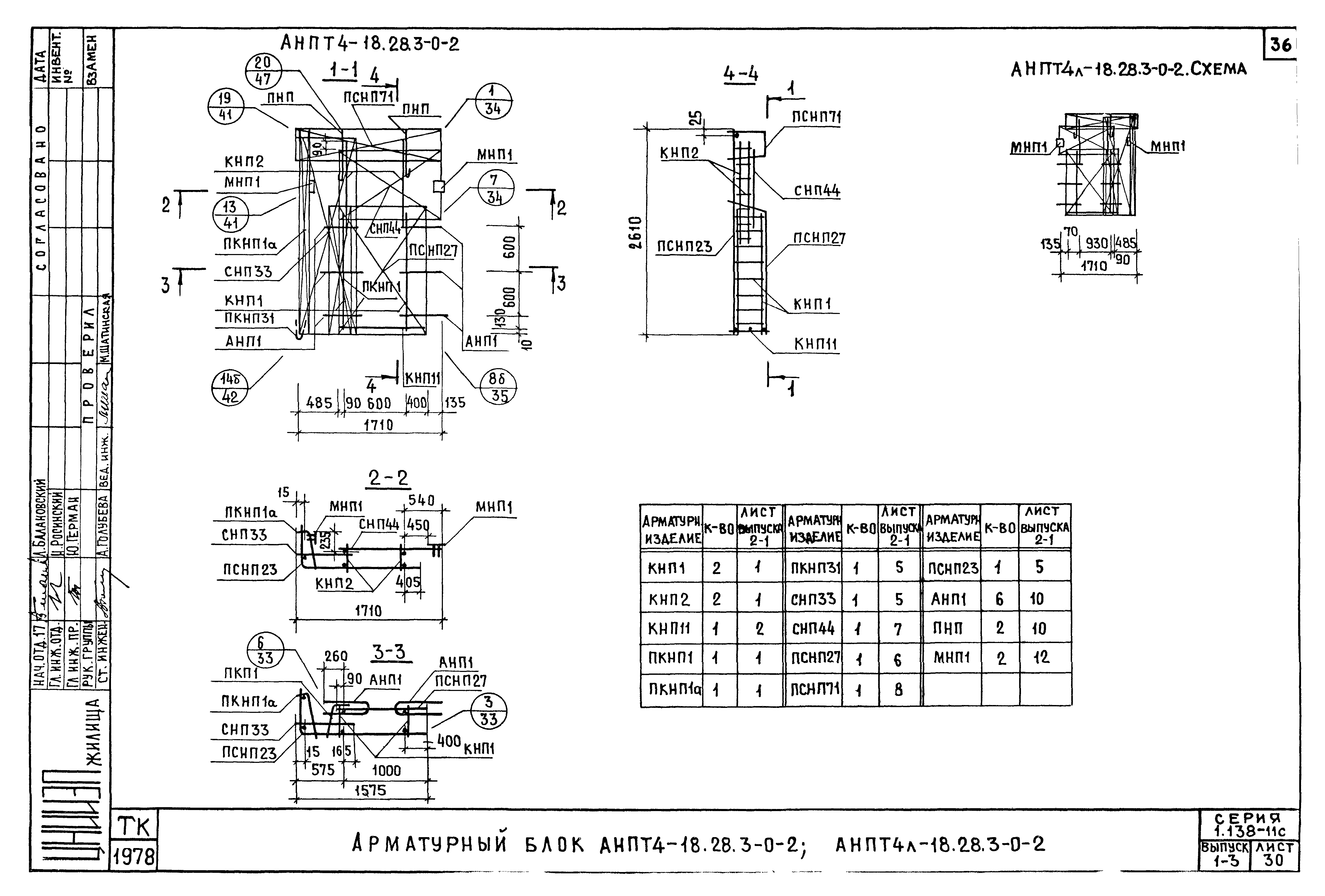
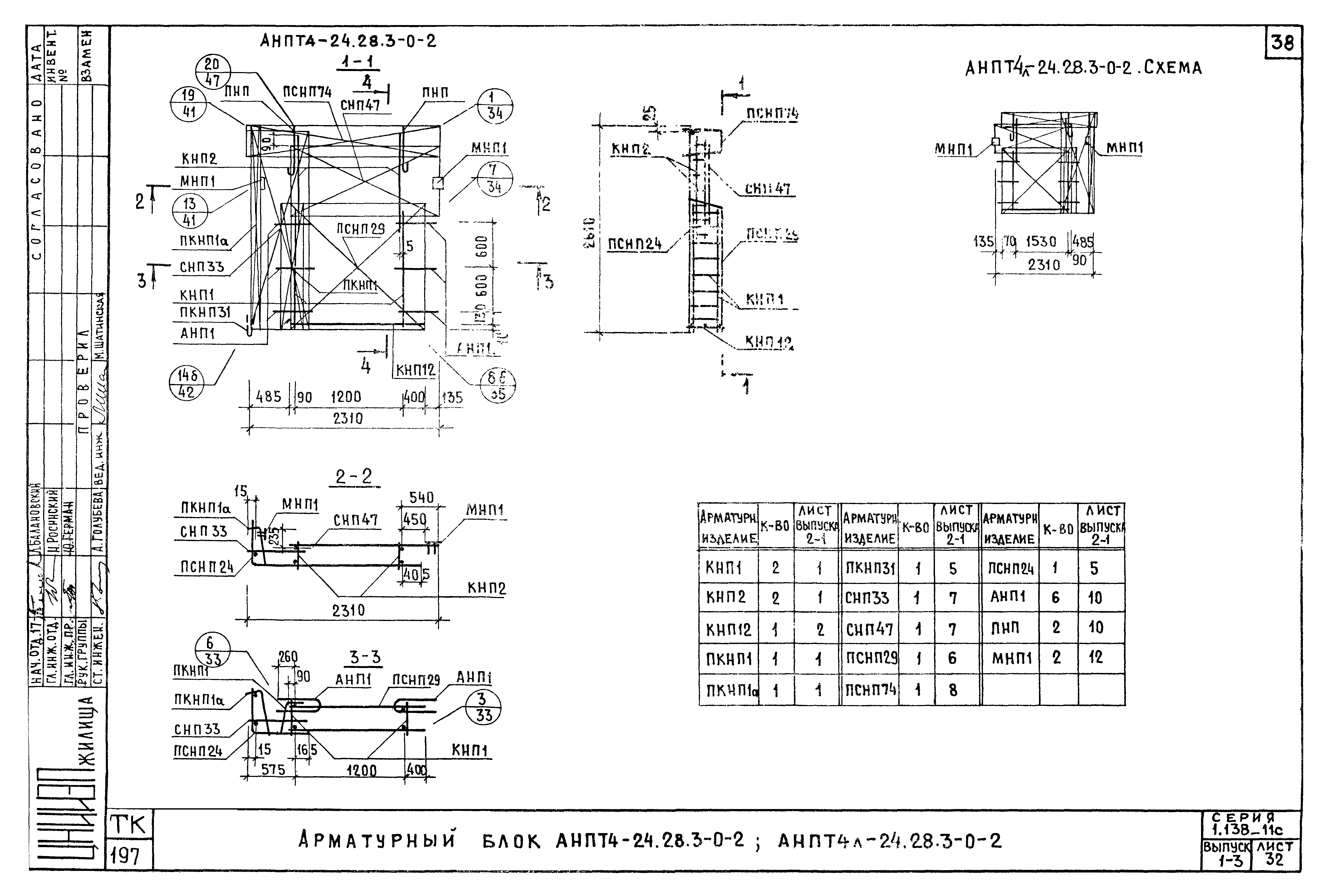
| Оглавление: | Содержание Пояснительная записка Номенклатура панелей Панели С-НПТ1-38.28.3; С-НПТ1л-38.28.3 Арматурный блок АНТП1-38.28.3; АНТП1л-38.28.3 Панели С-НПТ1-44.28.3; С-НПТ1л-44.28.3 Арматурный блок АНТП1-44.28.3; АНТП1л-44.28.3 Панели С-НПТ1-50.28.3; С-НПТ1л-50.28.3 Арматурный блок АНТП1-50.28.3; АНТП1л-50.28.3 Панели С-НПТ1-56.28.3; С-НПТ1л-56.28.3 Арматурный блок АНТП1-56.28.3; АНТП1л-56.28.3 Панели С-НПТ1-62.28.3; С-НПТ1л-62.28.3 Арматурный блок АНТП1-62.28.3; АНТП1л-62.28.3 Панели С-НПТ1-38.28.3-0-2; С-НПТ1л-38.28.3-0-2 Арматурный блок АНТП1-38.28.3-0-2; АНТП1л-38.28.3-0-2 Панели С-НПТ1-44.28.3-0-2; С-НПТ1л-44.28.3-0-2 Арматурный блок АНТП1-44.28.3-0-2; АНТП1л-44.28.3-0-2 Панели С-НПТ1-50.28.3-0-2; С-НПТ1л-50.28.3-0-2 Арматурный блок АНТП1-50.28.3-0-2; АНТП1л-50.28.3-0-2 Панели С-НПТ1-56.28.3-0-2; С-НПТ1л-56.28.3-0-2 Арматурный блок АНТП1-56.28.3-0-2; АНТП1л-56.28.3-0-2 Панели С-НПТ1-62.28.3-0-2; С-НПТ1л-62.28.3-0-2 Арматурный блок АНТП1-62.28.3-0-2; АНТП1л-62.28.3-0-2 Панели С-НПТ4-12.28.3; С-НПТ4л-12.28.3 Арматурный блок АНТП4-12.28.3; АНТП4л-12.28.3 Панели С-НПТ4-18.28.3; С-НПТ4л-18.28.3 Арматурный блок АНТП4-18.28.3; АНТП4л-18.28.3 Панели С-НПТ4-24.28.3; С-НПТ4л-24.28.3 Арматурный блок АНТП4-24.28.3; АНТП4л-24.28.3 Панели С-НПТ4-12.28.3-0-2; С-НПТ4л-12.28.3-0-2 Арматурный блок АНТП4-12.28.3-0-2; АНТП4л-12.28.3-0-2 Панели С-НПТ4-18.28.3-0-2; С-НПТ4л-18.28.3-0-2 Арматурный блок АНТП4-18.28.3-0-2; АНТП4л-18.28.3-0-2 Панели С-НПТ4-24.28.3-0-2; С-НПТ4л-24.28.3-0-2 Арматурный блок АНТП4-24.28.3-0-2; АНТП4л-24.28.3-0-2 Расход стали на панели |
| Разработан: | ЦНИИСК им. В.А. Кучеренко ЦНИИЭП жилища |
| Утверждён: | 06.06.1980 Госгражданстрой (Gosgrazhdanstroy 149) |







































