Скачать Серия 1.138-11с Выпуск 2-1. Арматурные изделия и закладные детали панелей толщиной 300 мм. Рабочие чертежиДата актуализации: 01.01.2021
|
| Обозначение: | Серия 1.138-11с |
| Обозначение англ: | Series 1.138-11с |
| Статус: | не определен законодательством |
| Название рус.: | Выпуск 2-1. Арматурные изделия и закладные детали панелей толщиной 300 мм. Рабочие чертежи |
| Дата добавления в базу: | 01.09.2013 |
| Дата актуализации: | 01.01.2021 |
| Дата введения: | 01.07.1980 |
| Дата окончания срока действия: | 30.06.2003 |
| Область применения: | В выпуске приведены чертежи плоских арматурных изделий (каркасов и сеток), пространственных каркасов и сеток, прямых и гнутых стержней, строповочных петель и закладных деталей, а также спецификации и выборки стали на эти изделия |
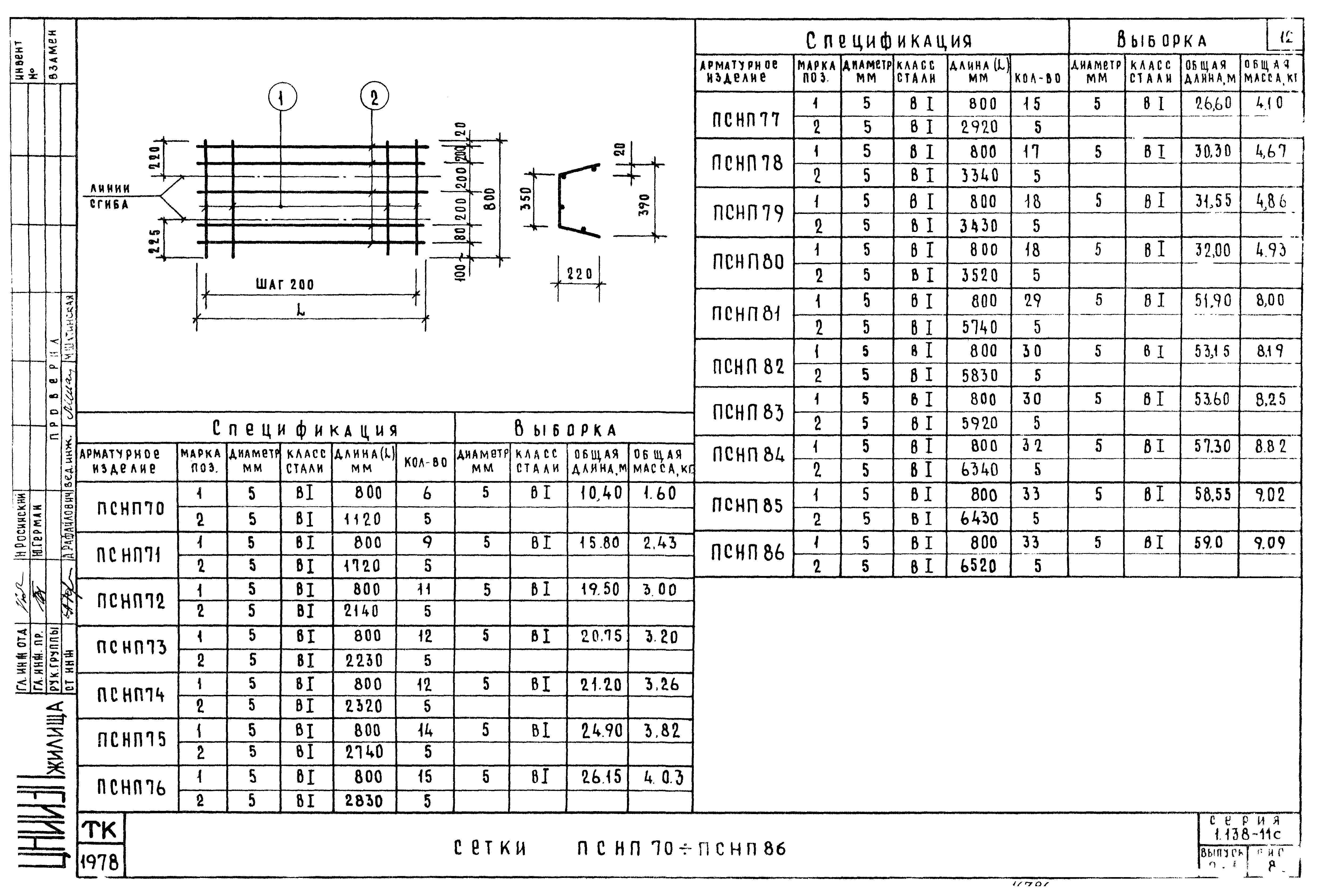
| Оглавление: | Содержание Пояснительная записка Каркасы КНП1; КНП2; КНП9; ПКНП1; ПКНП2; ПКНП1а Каркасы КНП10 - КНП27 Каркасы ПКНП30 - ПКНП60 Сетки СНП1 - СНП20 Сетки СНП25; СНП33; СНП34; ПСНП40; ПСНП23; ПСНП24; ПСНП40 Сетки ПСНП26 - ПСНП32; ПСНП35 - ПСНП39 Сетки СНП42 - СНП67 Сетки ПСНП70 - ПСНП86 Сетки ПСНП95 - ПСНП99; ПСНП95л - ПСНП99л Петли строповочные ПНП1 - ПНП5; гнутые стержни АНП1.1; АНП1.2; АНП2.1; АНП2л.1; АНП2.2; АНП2л.2; АНП3 Гнутые стержни АНП4.1 - 4; АНП6.1 - 4; АНП7.1 - 4; АНП9 Закладные детали МНП1 - МНП3 |
| Разработан: | ЦНИИСК им. В.А. Кучеренко ЦНИИЭП жилища |
| Утверждён: | 06.06.1980 Госгражданстрой (Gosgrazhdanstroy 149) |
| Нормативные ссылки: |
|
















