Скачать Серия 1.415-1 Выпуск 1. Фундаментные балки для стен с шагом колонн 6 м

Дата актуализации: 01.01.2021

Серия 1.415-1

Выпуск 1. Фундаментные балки для стен с шагом колонн 6 м

Обозначение: Серия 1.415-1
Обозначение англ: Series 1.415-1
Статус:заменен
Название рус.:Выпуск 1. Фундаментные балки для стен с шагом колонн 6 м
Дата добавления в базу:01.09.2013
Дата актуализации:01.01.2021
Дата введения:01.08.1973
Дата окончания срока действия:01.12.1987
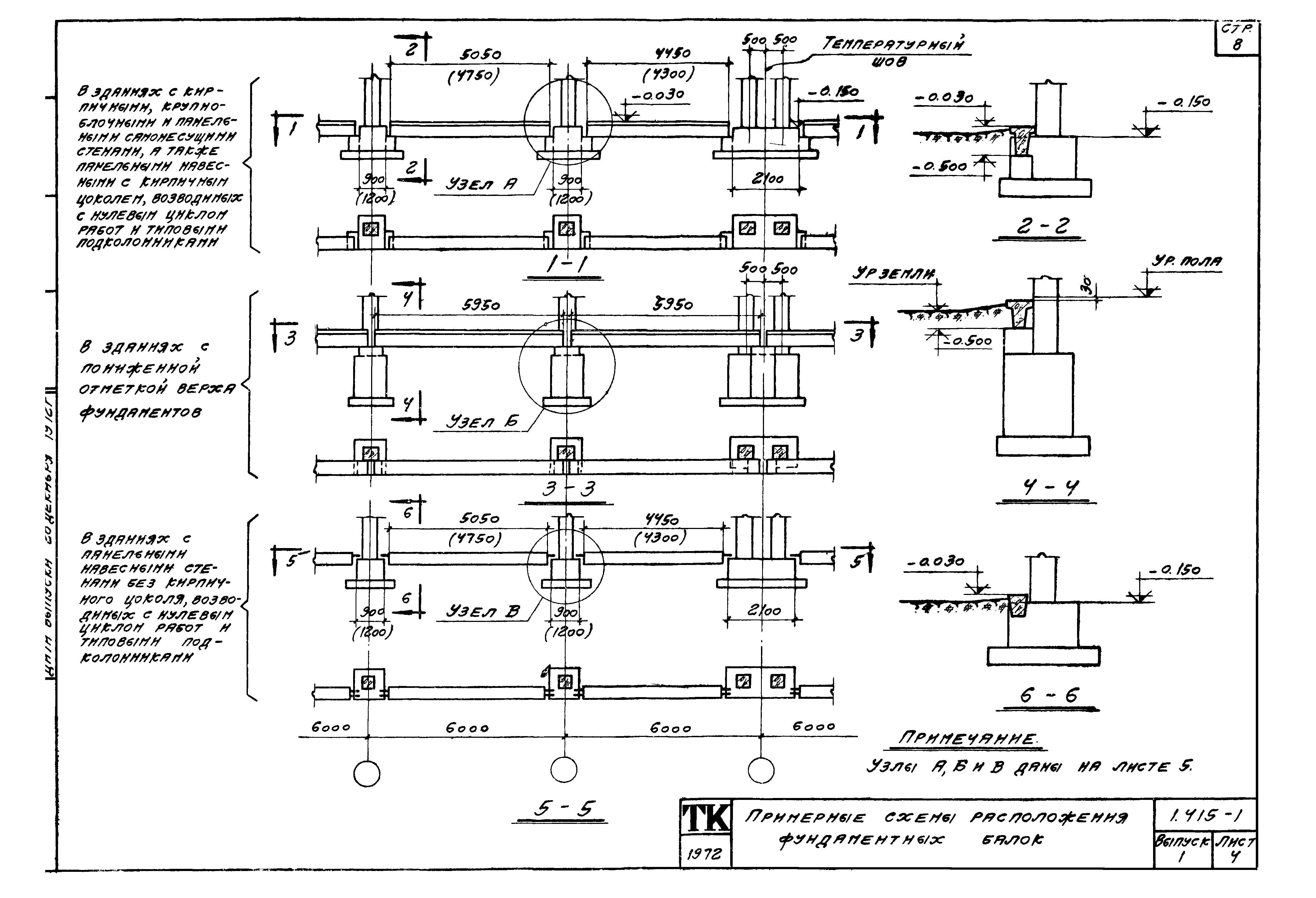
Область применения:Настоящий выпуск содержит рабочие чертежи типовых железобетонных балок под наружные и внутренние стены производственных зданий при шаге колонн 6 м
Разработан: НИИЖБ Госстроя СССР
ГПИ Промстройпроект
Утверждён:29.05.1973 Госстрой СССР (Государственный комитет Совета Министров СССР по делам строительства) (USSR Gosstroy 80)
Чем заменён:
Нормативные ссылки:
Серия 1.415-1Серия 1.415-1Серия 1.415-1Серия 1.415-1Серия 1.415-1Серия 1.415-1Серия 1.415-1Серия 1.415-1Серия 1.415-1Серия 1.415-1Серия 1.415-1Серия 1.415-1Серия 1.415-1Серия 1.415-1Серия 1.415-1Серия 1.415-1Серия 1.415-1Серия 1.415-1Серия 1.415-1Серия 1.415-1Серия 1.415-1Серия 1.415-1Серия 1.415-1Серия 1.415-1Серия 1.415-1Серия 1.415-1Серия 1.415-1Серия 1.415-1Серия 1.415-1Серия 1.415-1Серия 1.415-1Серия 1.415-1Серия 1.415-1Серия 1.415-1Серия 1.415-1Серия 1.415-1Серия 1.415-1Серия 1.415-1Серия 1.415-1Серия 1.415-1Серия 1.415-1Серия 1.415-1Серия 1.415-1Серия 1.415-1Серия 1.415-1Серия 1.415-1Серия 1.415-1Серия 1.415-1Серия 1.415-1Серия 1.415-1Серия 1.415-1Серия 1.415-1Серия 1.415-1Серия 1.415-1Серия 1.415-1Серия 1.415-1Серия 1.415-1Серия 1.415-1