Скачать Серия 1.134.1-15 Выпуск 3-1. Блоки вентиляционные. Рабочие чертежиДата актуализации: 01.01.2021
|
| Обозначение: | Серия 1.134.1-15 |
| Обозначение англ: | Series 1.134.1-15 |
| Статус: | не определен законодательством |
| Название рус.: | Выпуск 3-1. Блоки вентиляционные. Рабочие чертежи |
| Дата добавления в базу: | 01.09.2013 |
| Дата актуализации: | 01.01.2021 |
| Дата введения: | 15.02.1988 |
| Дата окончания срока действия: | 30.06.2003 |
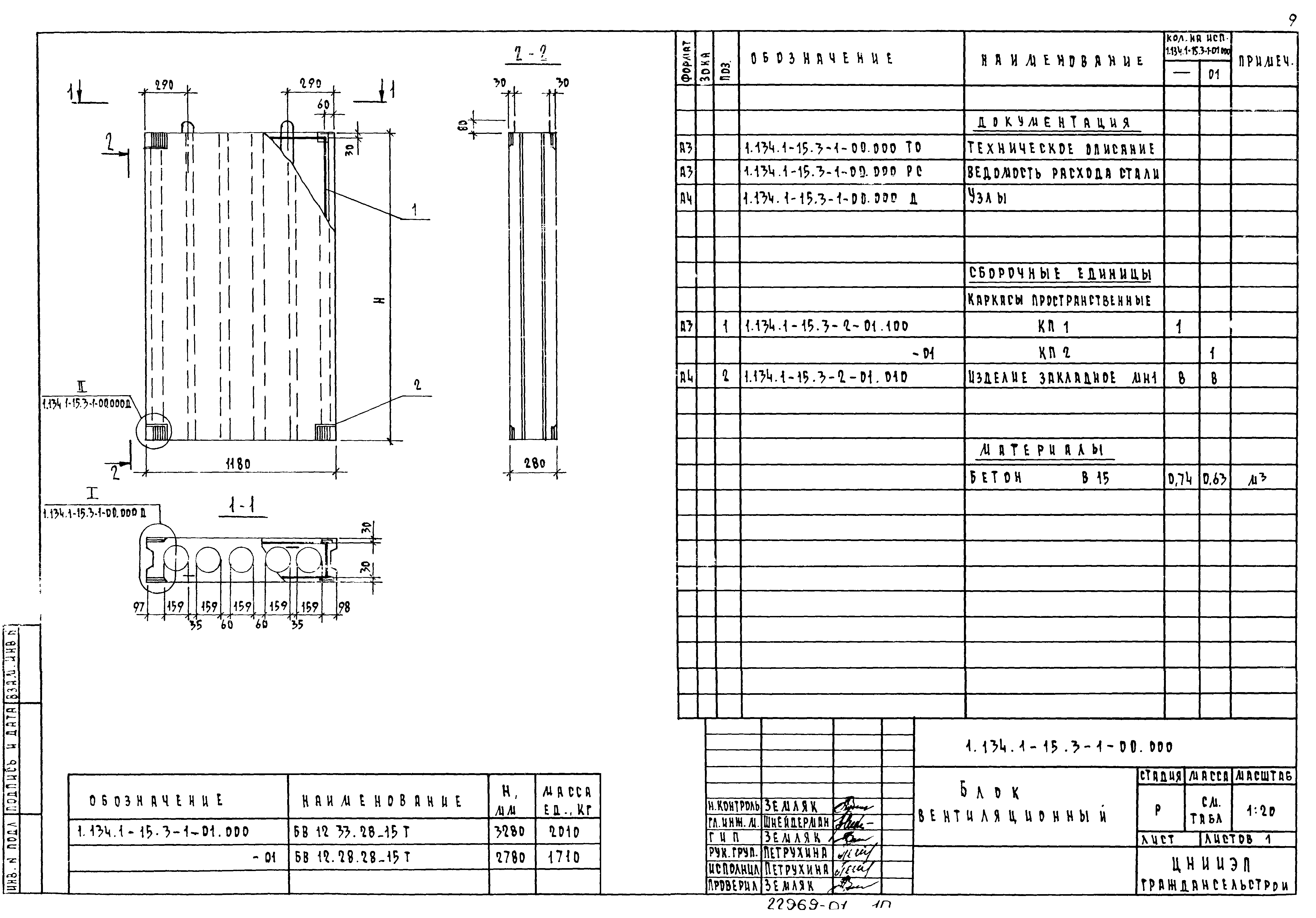
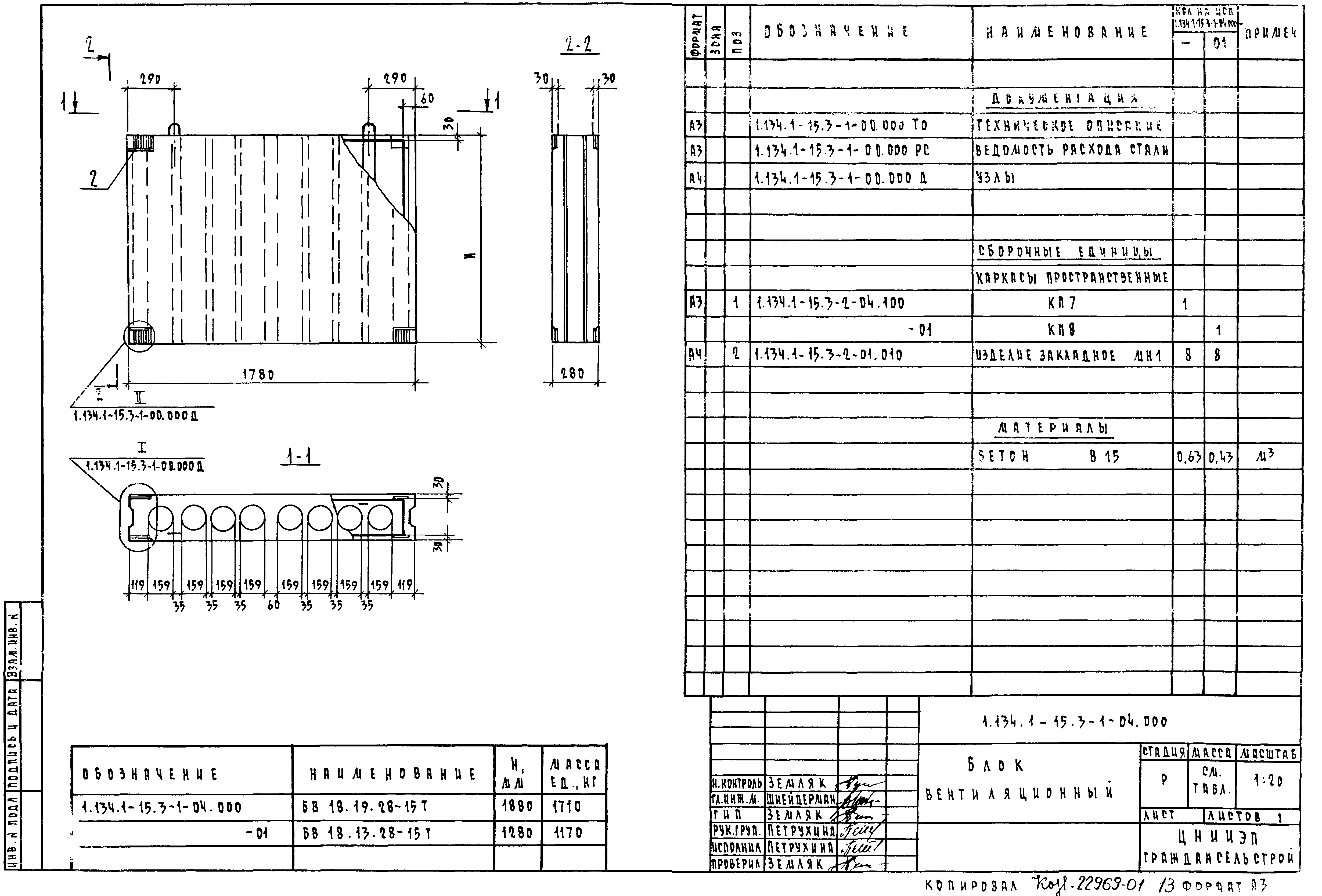
| Область применения: | Настоящий выпуск содержит техническое описание, номенклатуру и сборочные чертежи вентиляционных блоков |
| Оглавление: | 1.134.1-15.3-1-00.000 ТО Техническое описание 1.134.1-15.3-1-00.000 НИ Номенклатура изделий 1.134.1-15.3-1-00.000 РС Ведомость расхода стали, кг 1.134.1-15.3-1-00.000 РМ Ведомость расхода материалов 1.134.1-15.3-1-01.000 Блок вентиляционный 1.134.1-15.3-1-02.000 Блок вентиляционный 1.134.1-15.3-1-03.000 Блок вентиляционный 1.134.1-15.3-1-04.000 Блок вентиляционный 1.134.1-15.3-1-05.000 Блок вентиляционный БВ 18.28.28-15Т-1 1.134.1-15.3-1-06.000 Блок вентиляционный БВ 18.28.28-15Т-1 1.134.1-15.3-1-01.000 Д Узлы I… III |
| Разработан: | ЦНИИЭП граждансельстрой |
| Утверждён: | 27.01.1988 Госкомархитектура (23) |
| Издан: | ЦИТП Госстроя СССР (CITP, Gosstroy (USSR) 1988 г. ) |
| Нормативные ссылки: |
|
















