Скачать Серия 1.431.9-31 Выпуск 5-2. Колонны фахверка железобетонные. Арматурные и закладные изделия. Рабочие чертежи

Дата актуализации: 01.01.2021

Серия 1.431.9-31

Выпуск 5-2. Колонны фахверка железобетонные. Арматурные и закладные изделия. Рабочие чертежи

Обозначение: Серия 1.431.9-31
Обозначение англ: Series 1.431.9-31
Статус:не определен законодательством
Название рус.:Выпуск 5-2. Колонны фахверка железобетонные. Арматурные и закладные изделия. Рабочие чертежи
Дата добавления в базу:01.09.2013
Дата актуализации:01.01.2021
Дата введения:01.01.1995
Дата окончания срока действия:30.06.2003
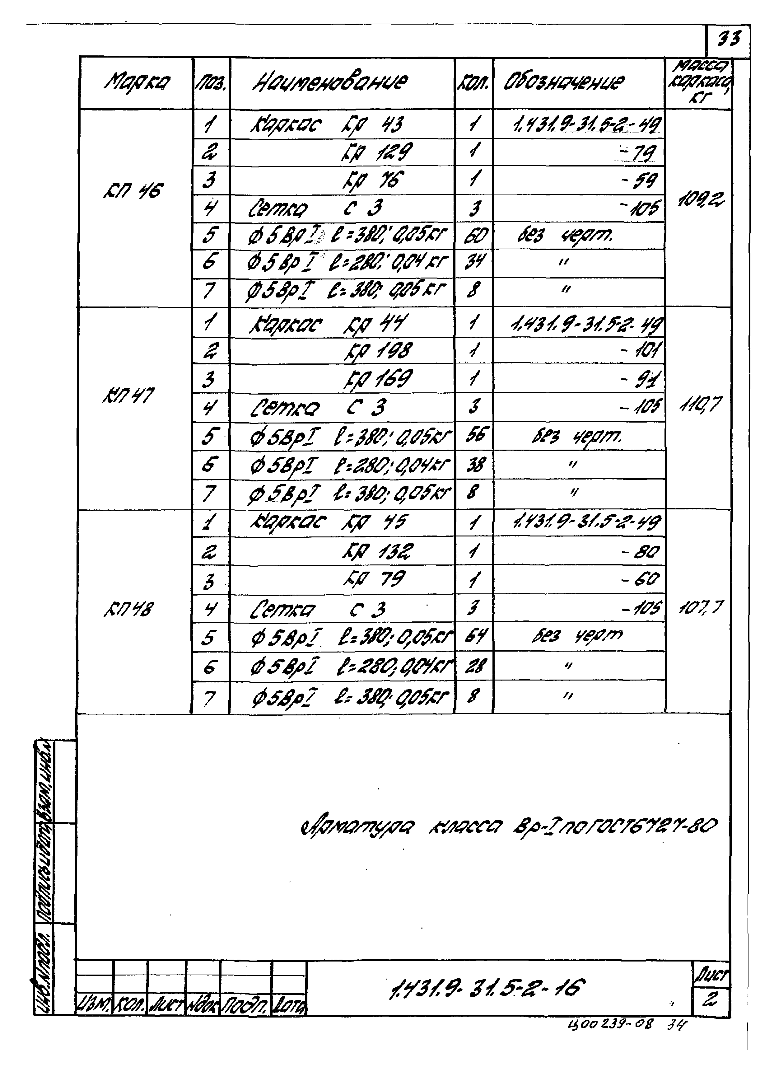
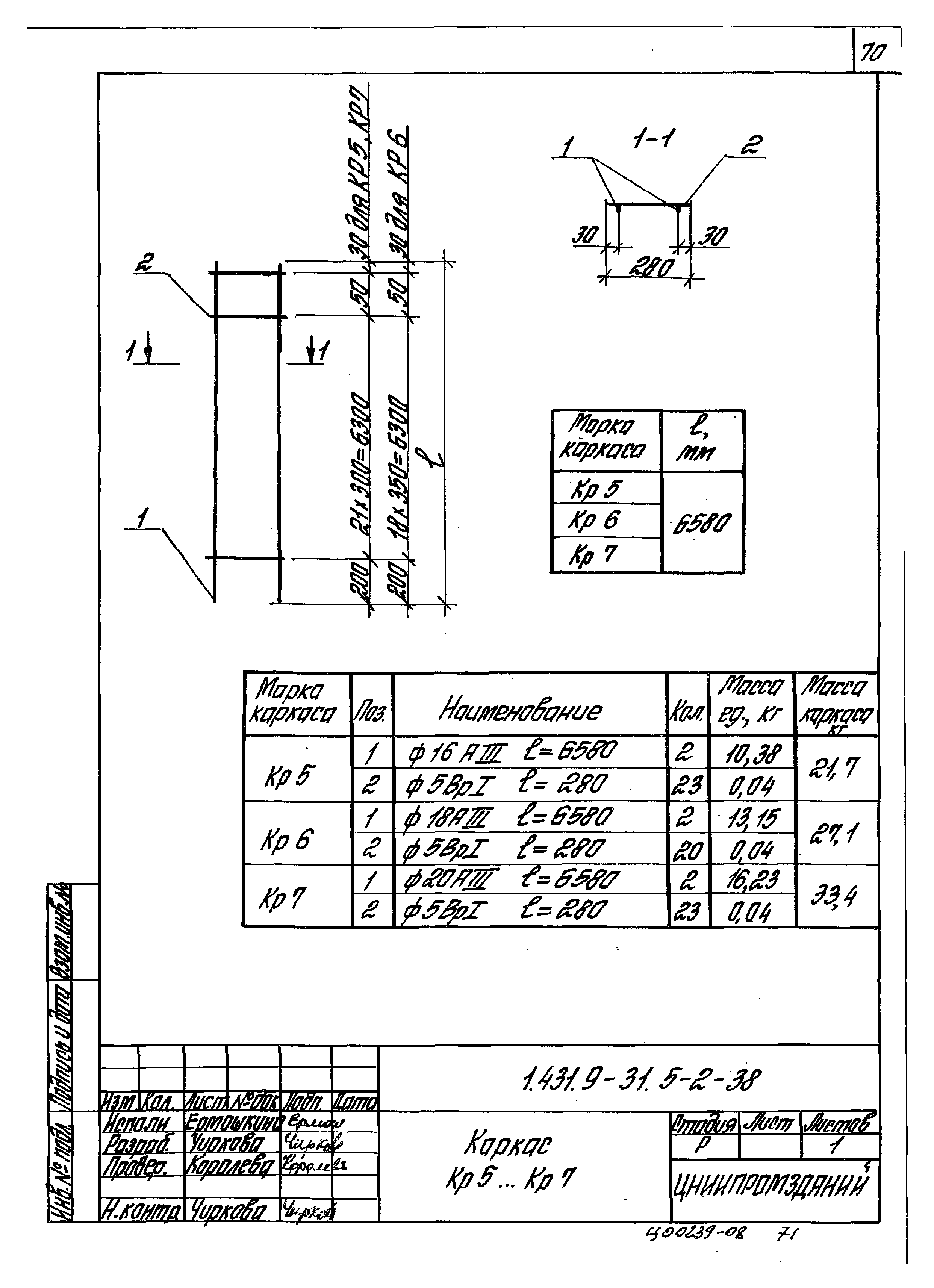
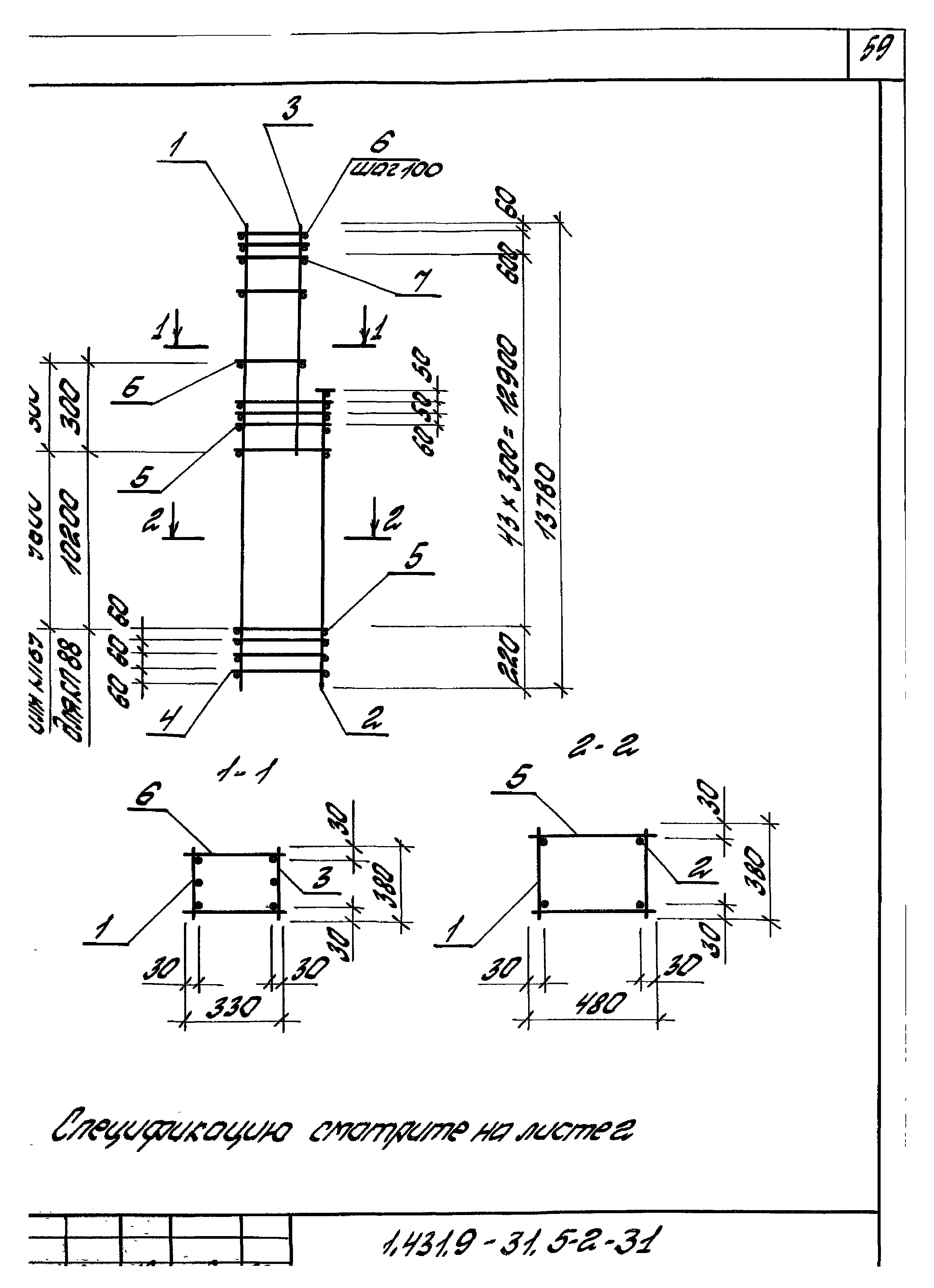
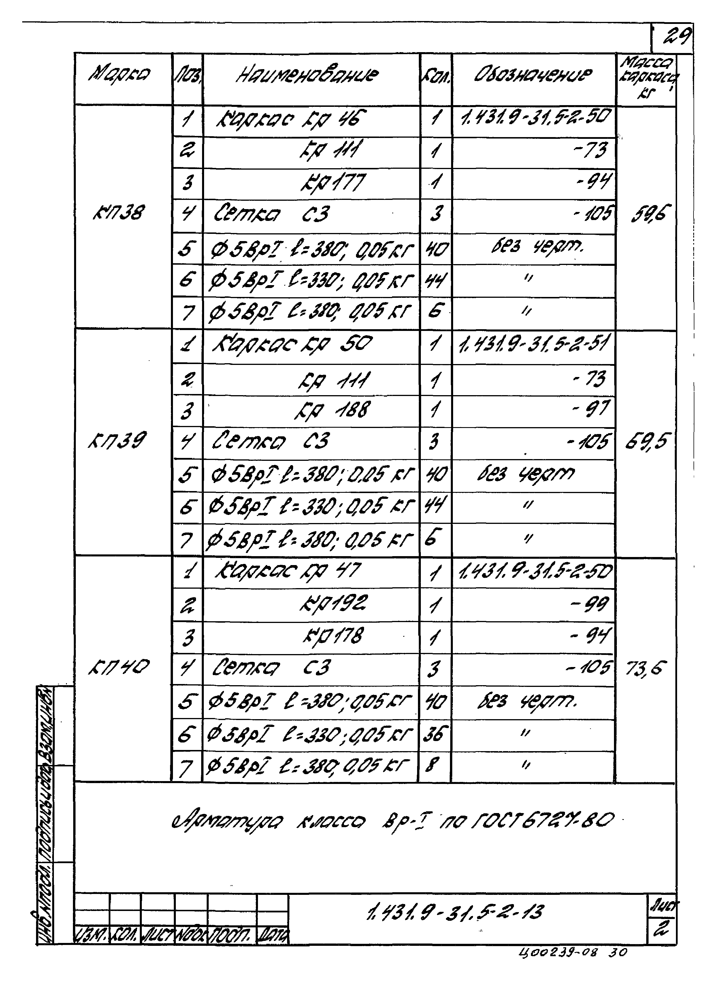
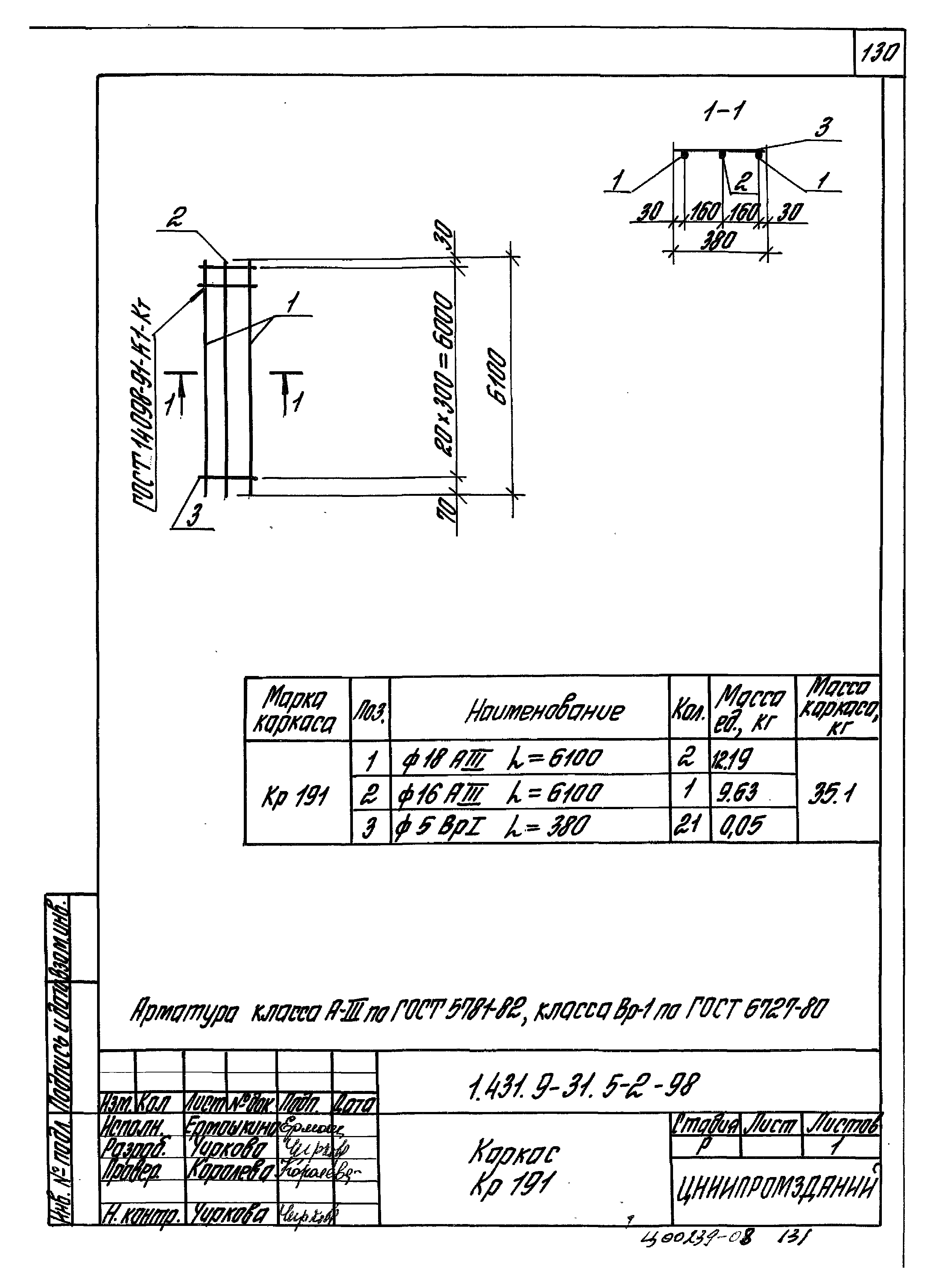
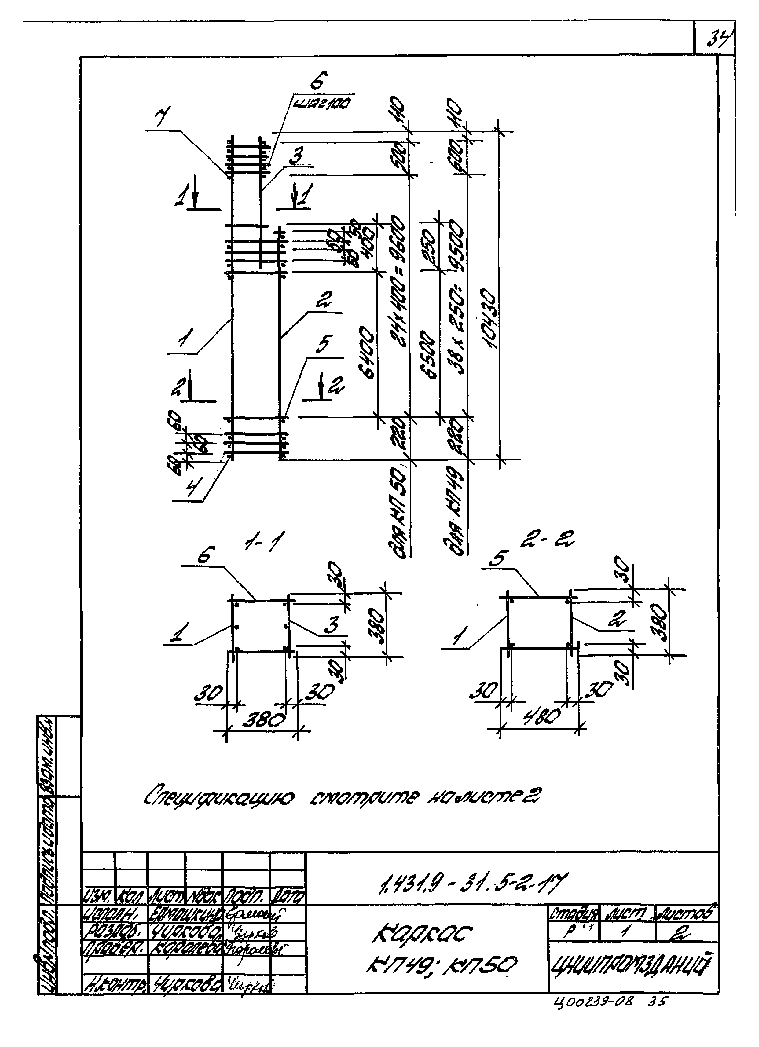
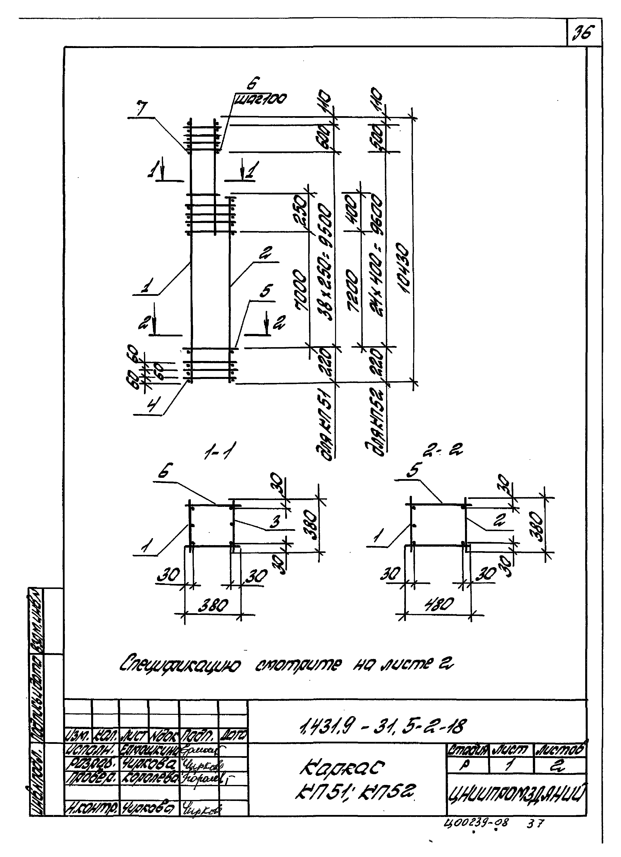
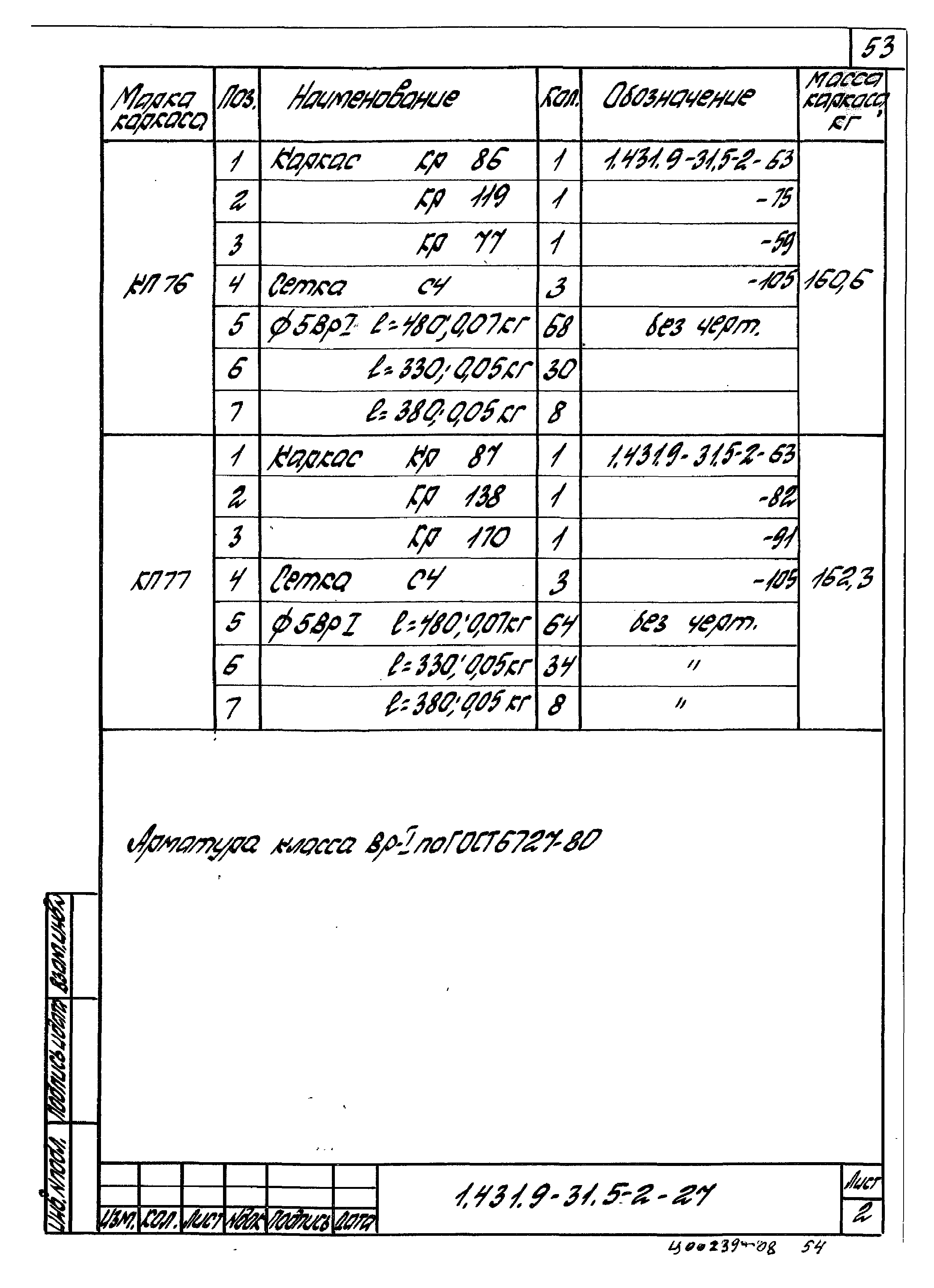
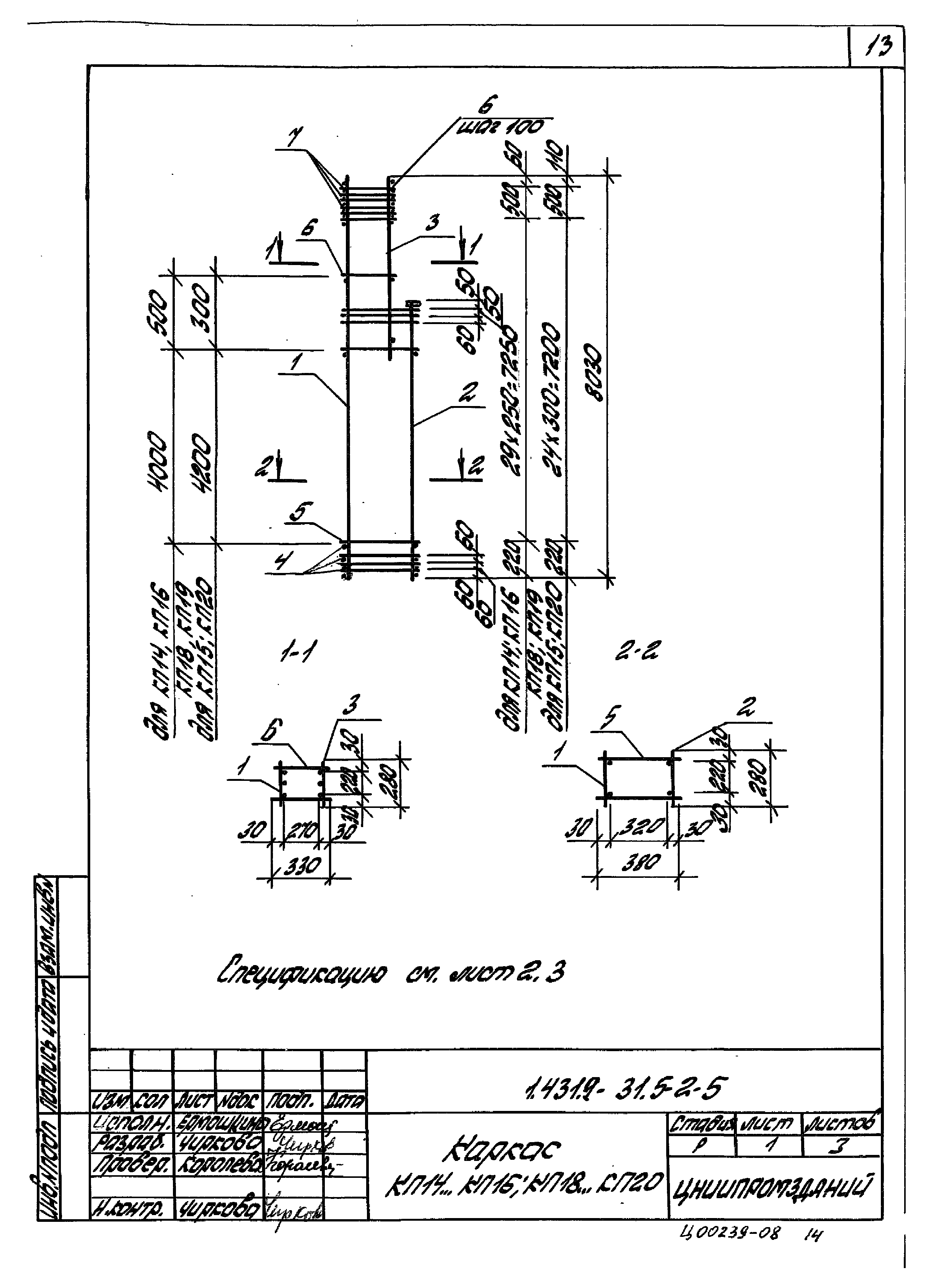
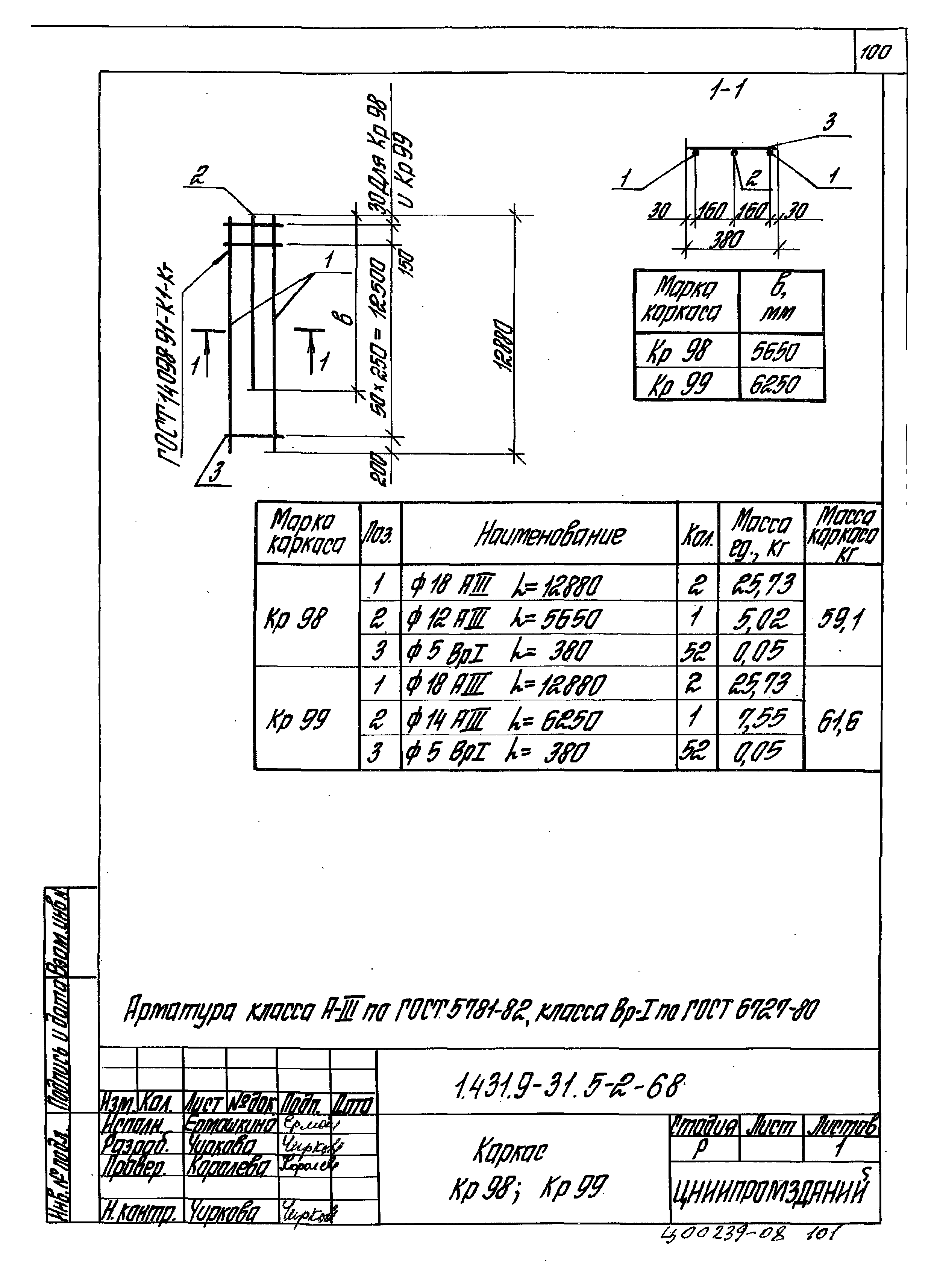
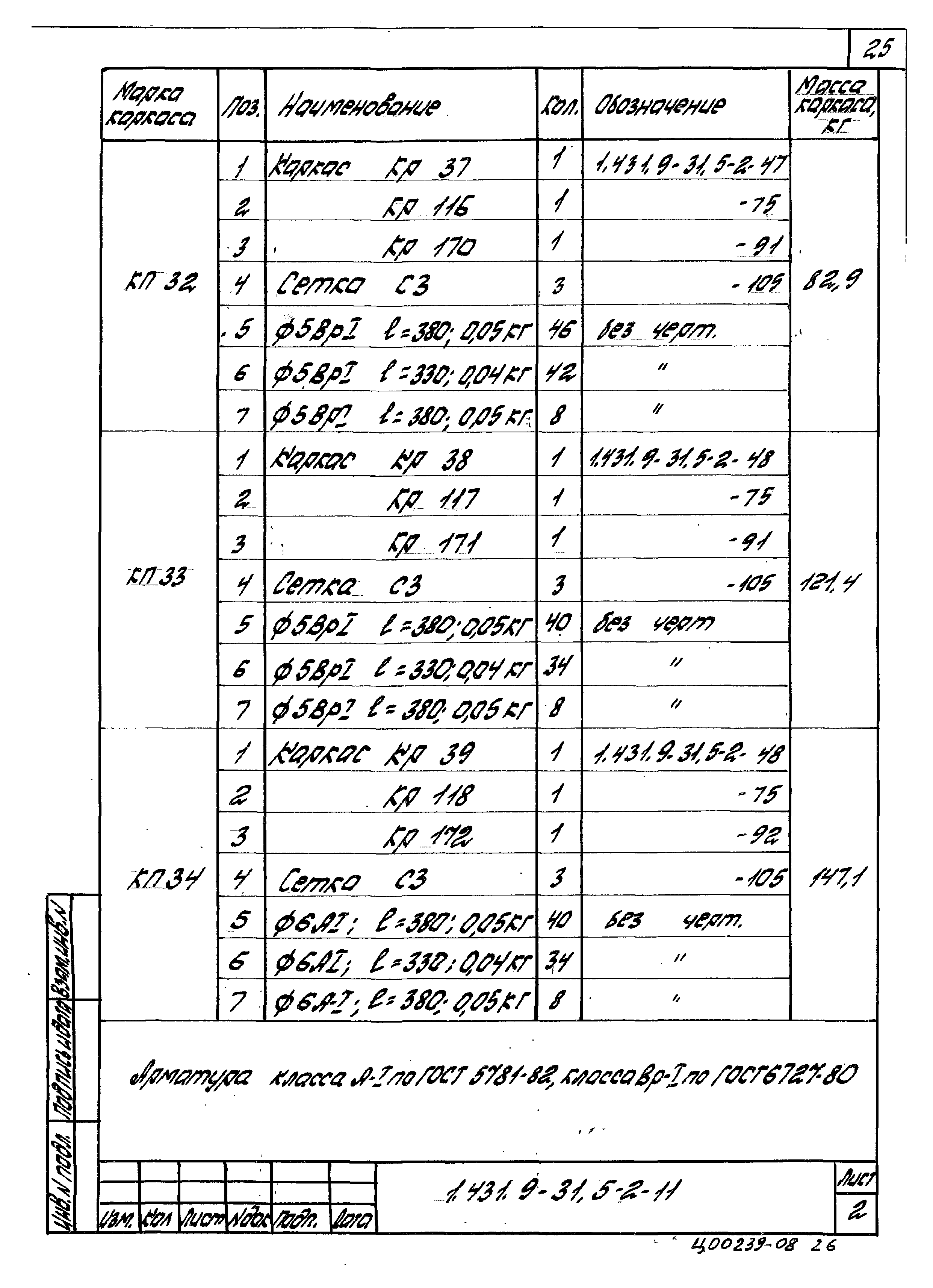
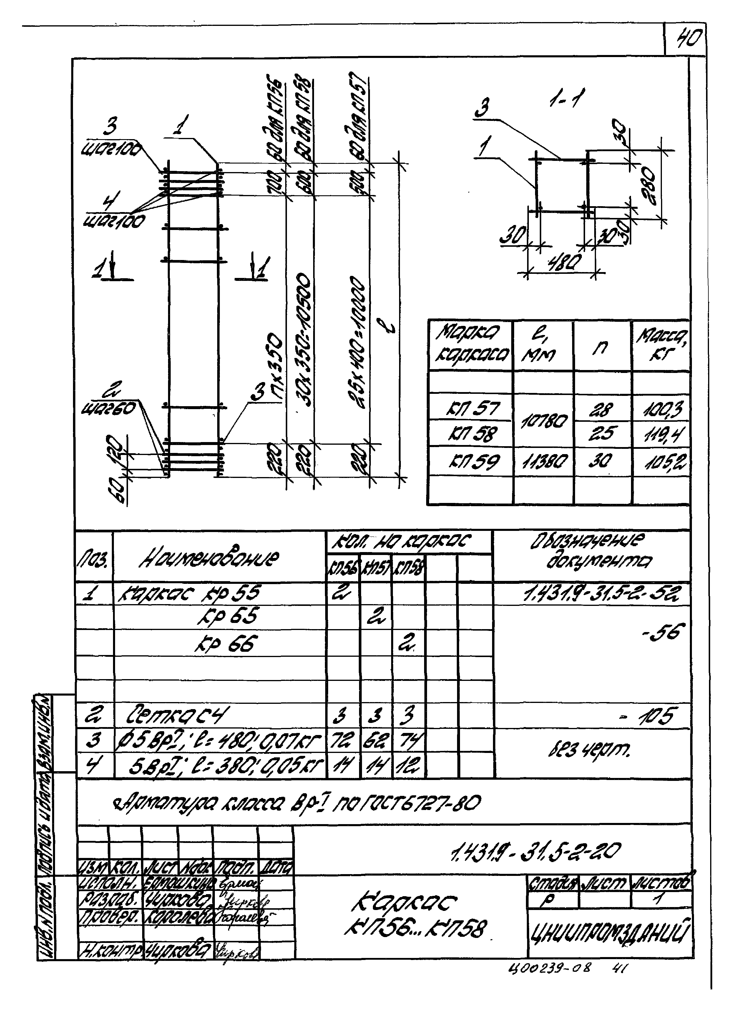
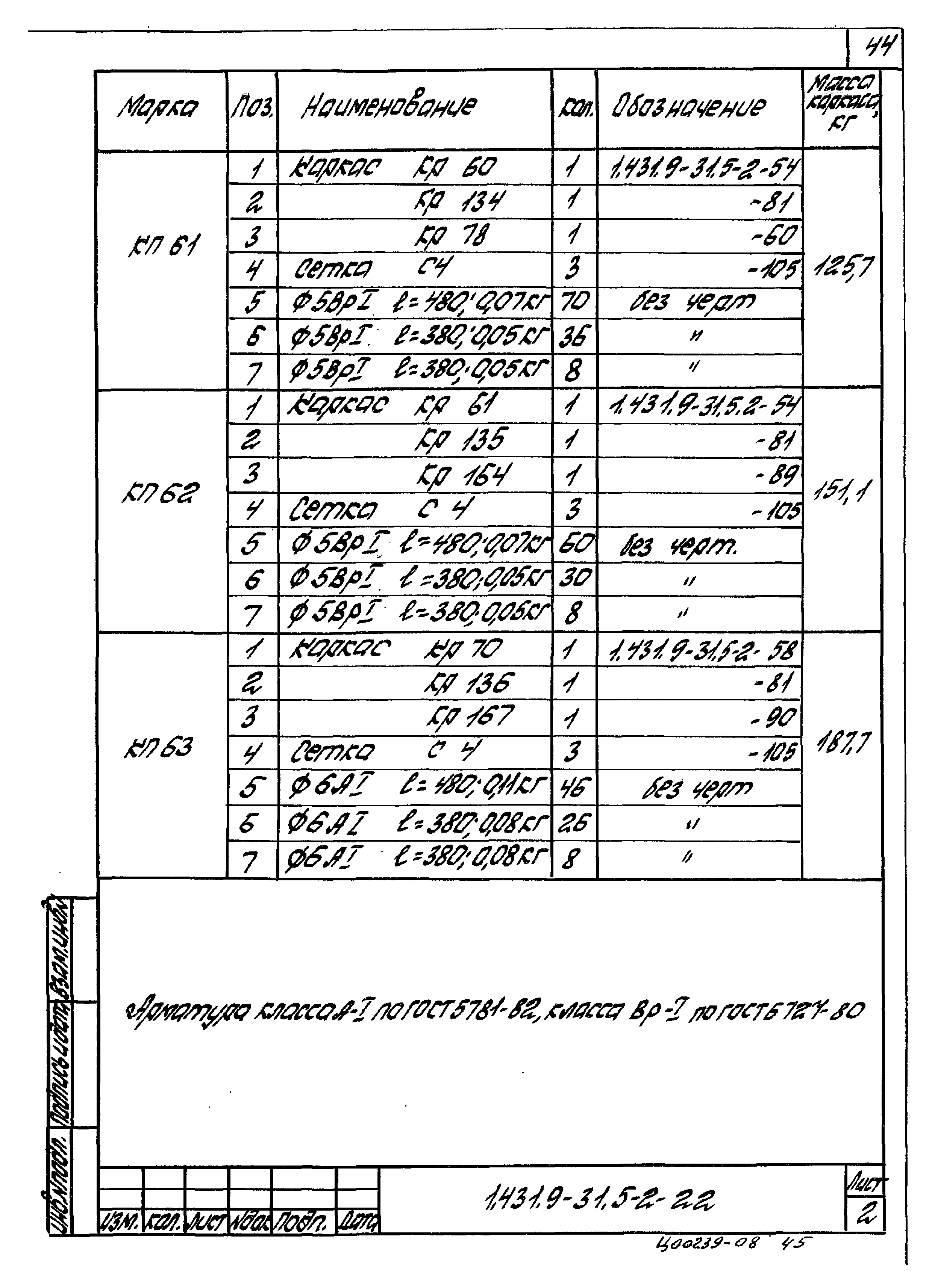
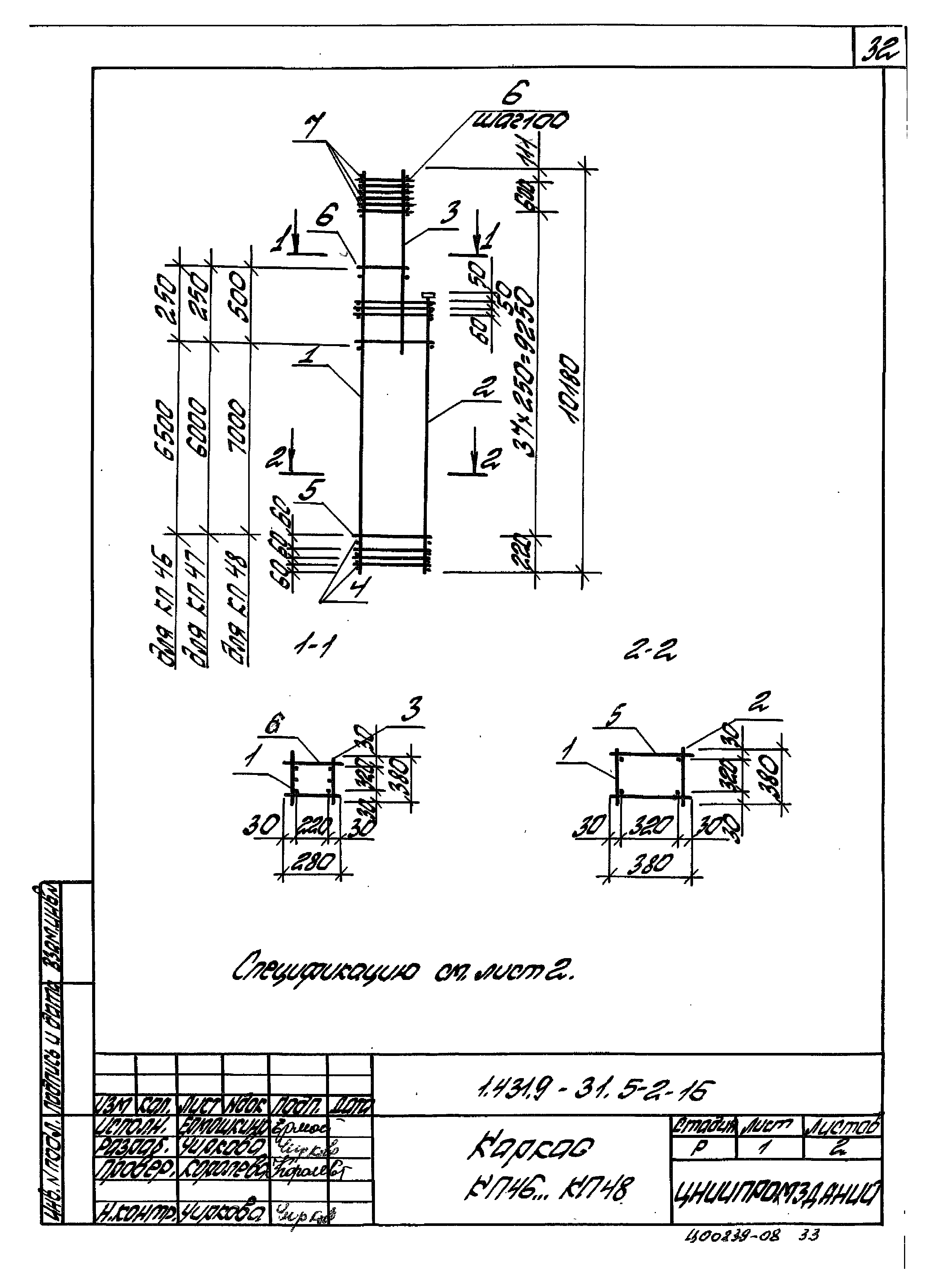
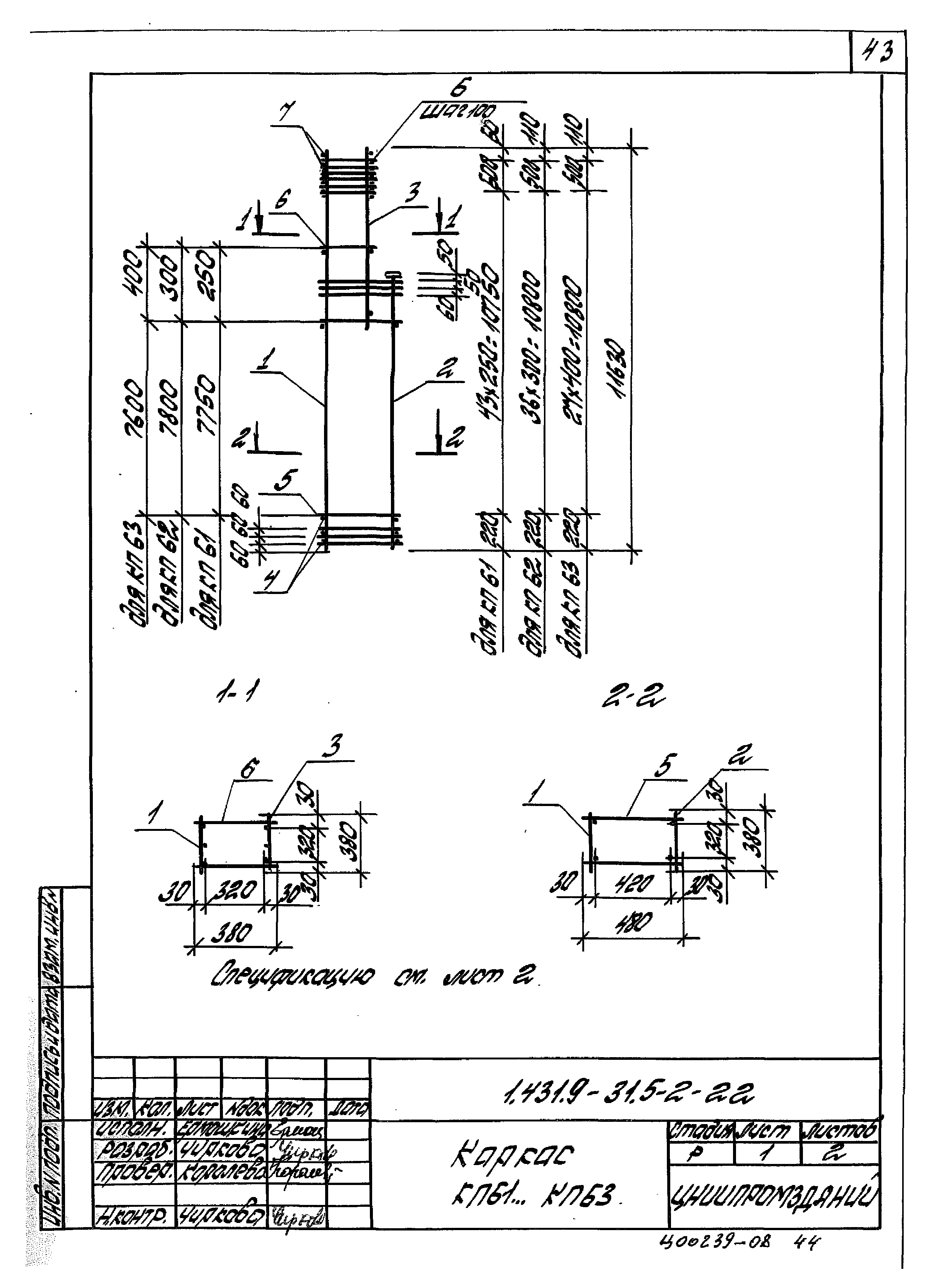
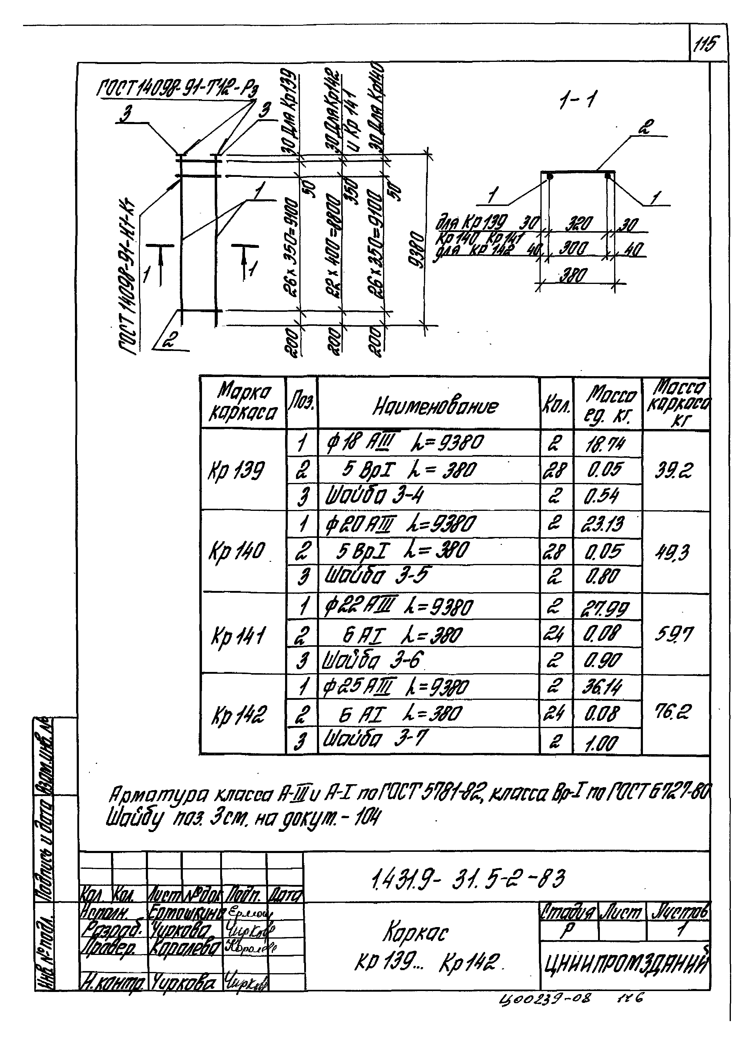
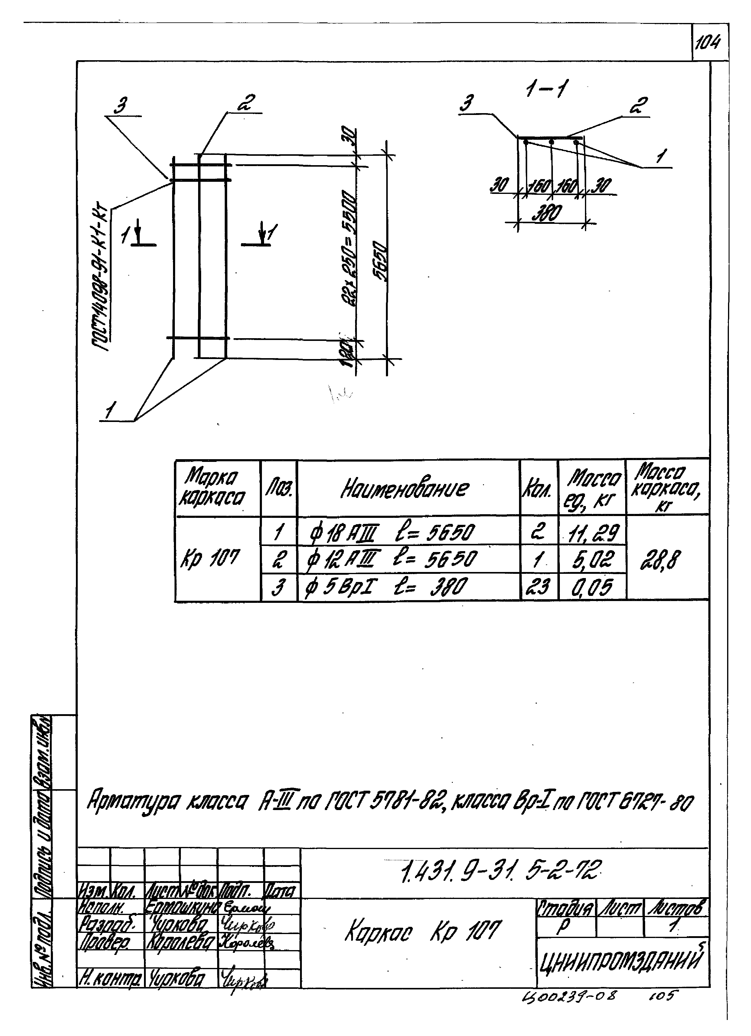
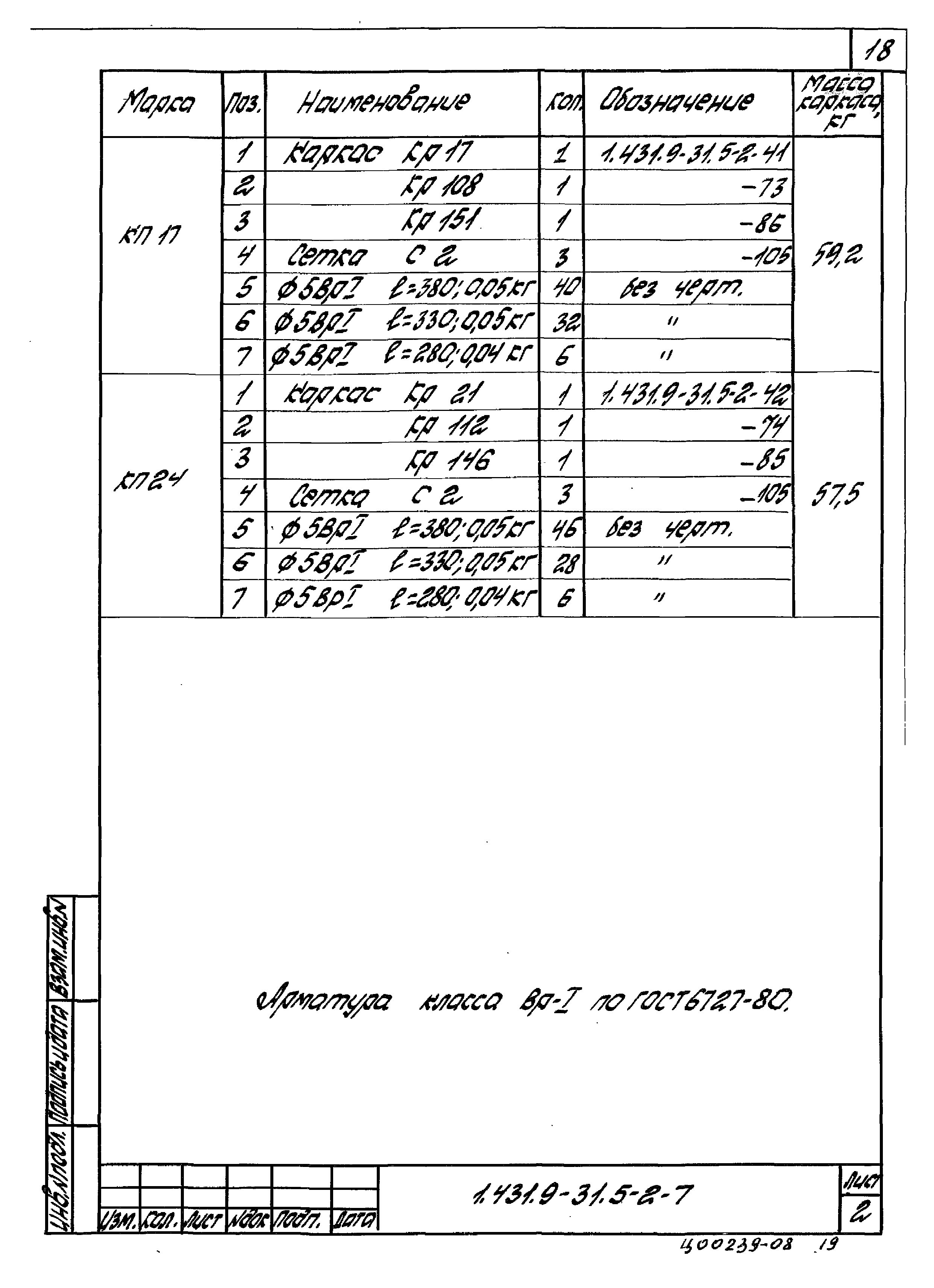
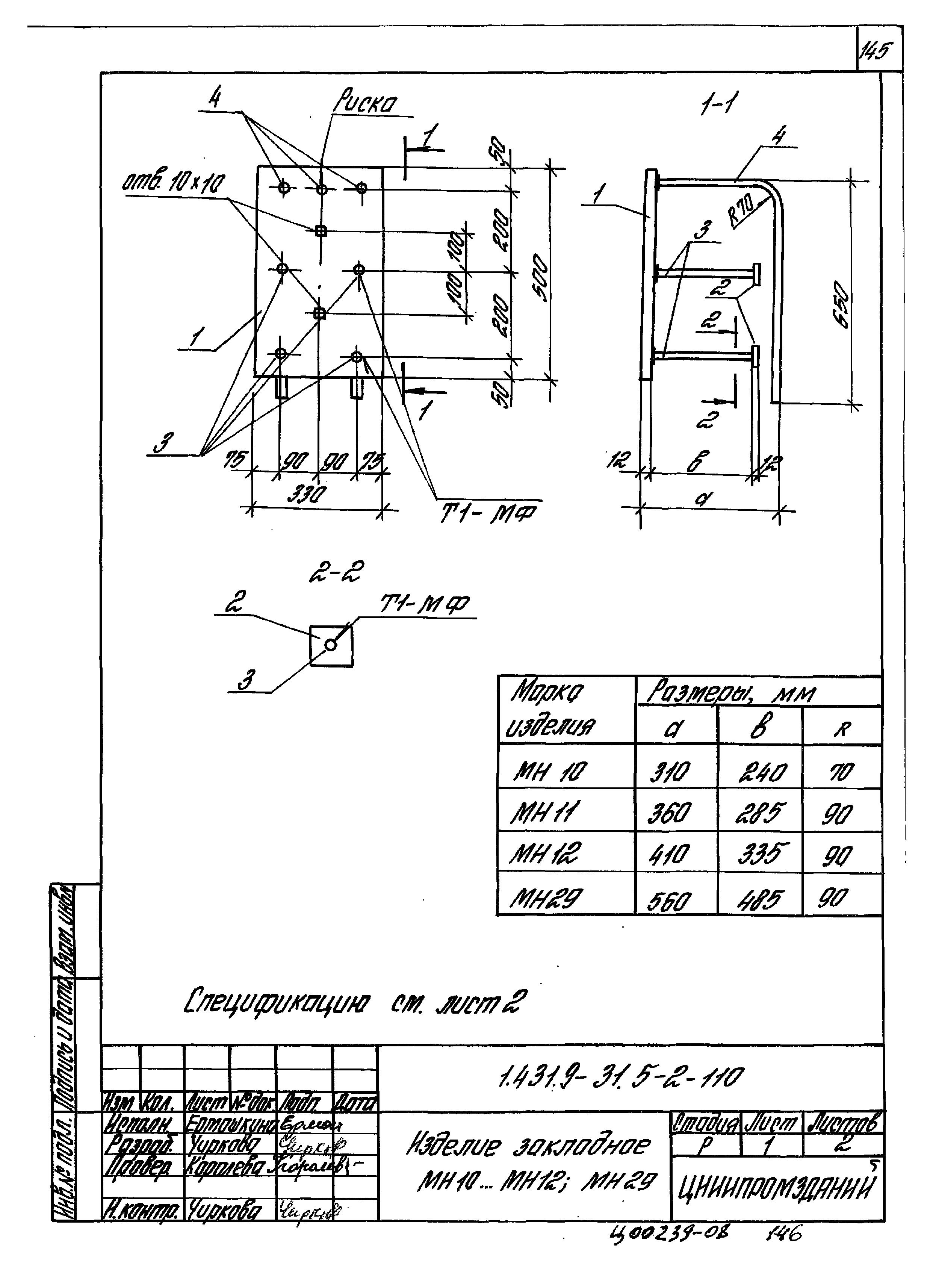
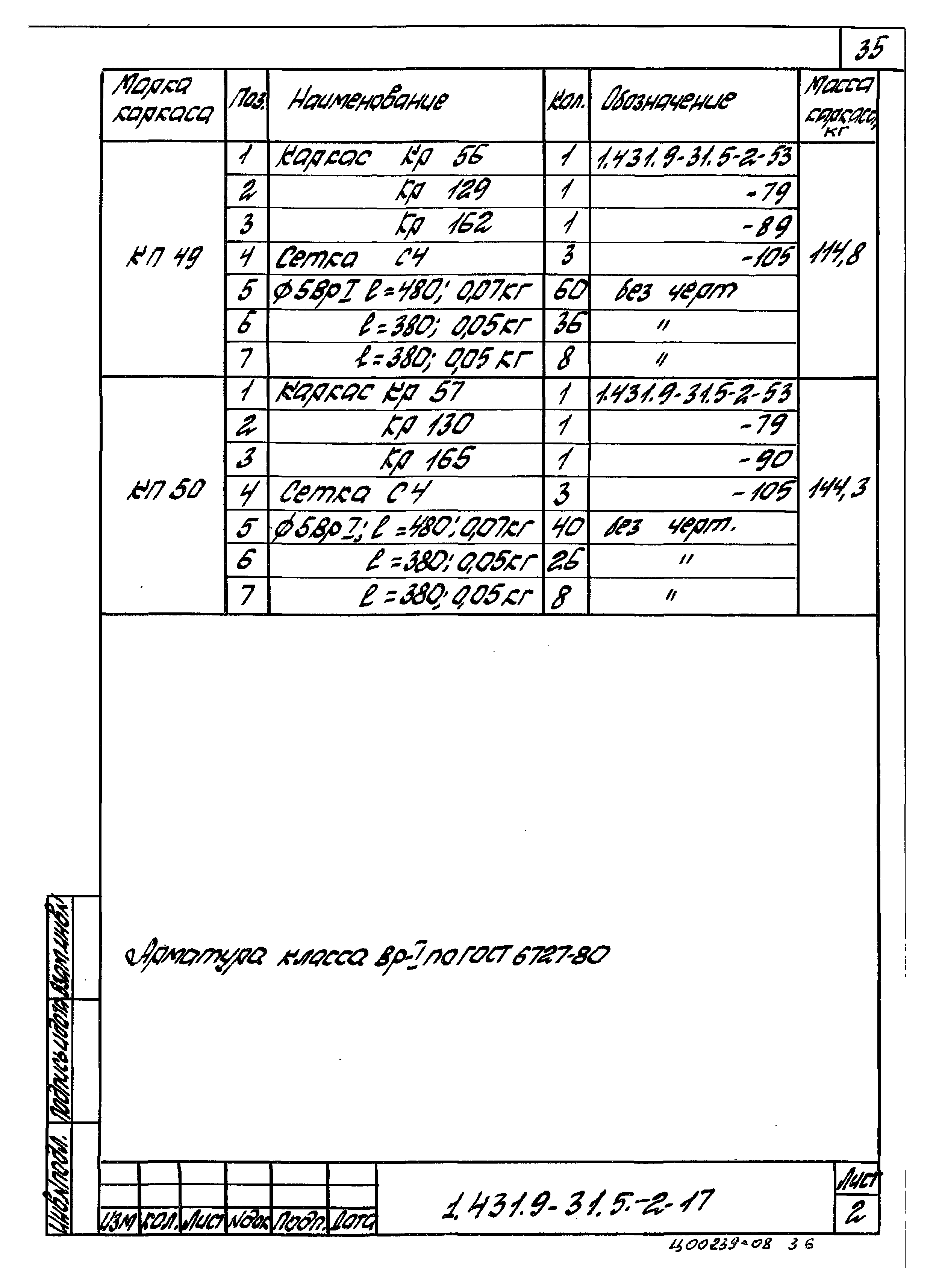
Область применения:Данный выпуск содержит рабочие чертежи арматурных и закладных изделий к железобетонным колоннам
Разработан: ЦНИИпромзданий
Утверждён:17.01.1994 Главпроект Госстроя России (9-3-2/5)
Нормативные ссылки:
Серия 1.431.9-31Серия 1.431.9-31Серия 1.431.9-31Серия 1.431.9-31Серия 1.431.9-31Серия 1.431.9-31Серия 1.431.9-31Серия 1.431.9-31Серия 1.431.9-31Серия 1.431.9-31Серия 1.431.9-31Серия 1.431.9-31Серия 1.431.9-31Серия 1.431.9-31Серия 1.431.9-31Серия 1.431.9-31Серия 1.431.9-31Серия 1.431.9-31Серия 1.431.9-31Серия 1.431.9-31Серия 1.431.9-31Серия 1.431.9-31Серия 1.431.9-31Серия 1.431.9-31Серия 1.431.9-31Серия 1.431.9-31Серия 1.431.9-31Серия 1.431.9-31Серия 1.431.9-31Серия 1.431.9-31Серия 1.431.9-31Серия 1.431.9-31Серия 1.431.9-31Серия 1.431.9-31Серия 1.431.9-31Серия 1.431.9-31Серия 1.431.9-31Серия 1.431.9-31Серия 1.431.9-31Серия 1.431.9-31Серия 1.431.9-31Серия 1.431.9-31Серия 1.431.9-31Серия 1.431.9-31Серия 1.431.9-31Серия 1.431.9-31Серия 1.431.9-31Серия 1.431.9-31Серия 1.431.9-31Серия 1.431.9-31Серия 1.431.9-31Серия 1.431.9-31Серия 1.431.9-31Серия 1.431.9-31Серия 1.431.9-31Серия 1.431.9-31Серия 1.431.9-31Серия 1.431.9-31Серия 1.431.9-31Серия 1.431.9-31Серия 1.431.9-31Серия 1.431.9-31Серия 1.431.9-31Серия 1.431.9-31Серия 1.431.9-31Серия 1.431.9-31Серия 1.431.9-31Серия 1.431.9-31Серия 1.431.9-31Серия 1.431.9-31Серия 1.431.9-31Серия 1.431.9-31Серия 1.431.9-31Серия 1.431.9-31Серия 1.431.9-31Серия 1.431.9-31Серия 1.431.9-31Серия 1.431.9-31Серия 1.431.9-31Серия 1.431.9-31Серия 1.431.9-31Серия 1.431.9-31Серия 1.431.9-31Серия 1.431.9-31Серия 1.431.9-31Серия 1.431.9-31Серия 1.431.9-31Серия 1.431.9-31Серия 1.431.9-31Серия 1.431.9-31Серия 1.431.9-31Серия 1.431.9-31Серия 1.431.9-31Серия 1.431.9-31Серия 1.431.9-31Серия 1.431.9-31Серия 1.431.9-31Серия 1.431.9-31Серия 1.431.9-31Серия 1.431.9-31Серия 1.431.9-31Серия 1.431.9-31Серия 1.431.9-31Серия 1.431.9-31Серия 1.431.9-31Серия 1.431.9-31Серия 1.431.9-31Серия 1.431.9-31Серия 1.431.9-31Серия 1.431.9-31Серия 1.431.9-31Серия 1.431.9-31Серия 1.431.9-31Серия 1.431.9-31Серия 1.431.9-31Серия 1.431.9-31Серия 1.431.9-31Серия 1.431.9-31Серия 1.431.9-31Серия 1.431.9-31Серия 1.431.9-31Серия 1.431.9-31Серия 1.431.9-31Серия 1.431.9-31Серия 1.431.9-31Серия 1.431.9-31Серия 1.431.9-31Серия 1.431.9-31Серия 1.431.9-31Серия 1.431.9-31Серия 1.431.9-31Серия 1.431.9-31Серия 1.431.9-31Серия 1.431.9-31Серия 1.431.9-31Серия 1.431.9-31Серия 1.431.9-31Серия 1.431.9-31Серия 1.431.9-31Серия 1.431.9-31Серия 1.431.9-31Серия 1.431.9-31Серия 1.431.9-31Серия 1.431.9-31Серия 1.431.9-31Серия 1.431.9-31Серия 1.431.9-31Серия 1.431.9-31Серия 1.431.9-31Серия 1.431.9-31Серия 1.431.9-31Серия 1.431.9-31Серия 1.431.9-31Серия 1.431.9-31Серия 1.431.9-31Серия 1.431.9-31Серия 1.431.9-31Серия 1.431.9-31Серия 1.431.9-31Серия 1.431.9-31Серия 1.431.9-31