Скачать Серия 1.831.9-3 Выпуск 5. Соединительные изделия. Рабочие чертежиДата актуализации: 01.01.2021
|
| Обозначение: | Серия 1.831.9-3 |
| Обозначение англ: | Series 1.831.9-3 |
| Статус: | не определен законодательством |
| Название рус.: | Выпуск 5. Соединительные изделия. Рабочие чертежи |
| Дата добавления в базу: | 01.09.2013 |
| Дата актуализации: | 01.01.2021 |
| Дата введения: | 15.03.1992 |
| Дата окончания срока действия: | 30.06.2003 |
| Область применения: | Настоящие технические требования распространяются на металлические соединительные изделия, применяемые при монтаже панельных перегородок в производственных зданиях сельскохозяйственного назначения |
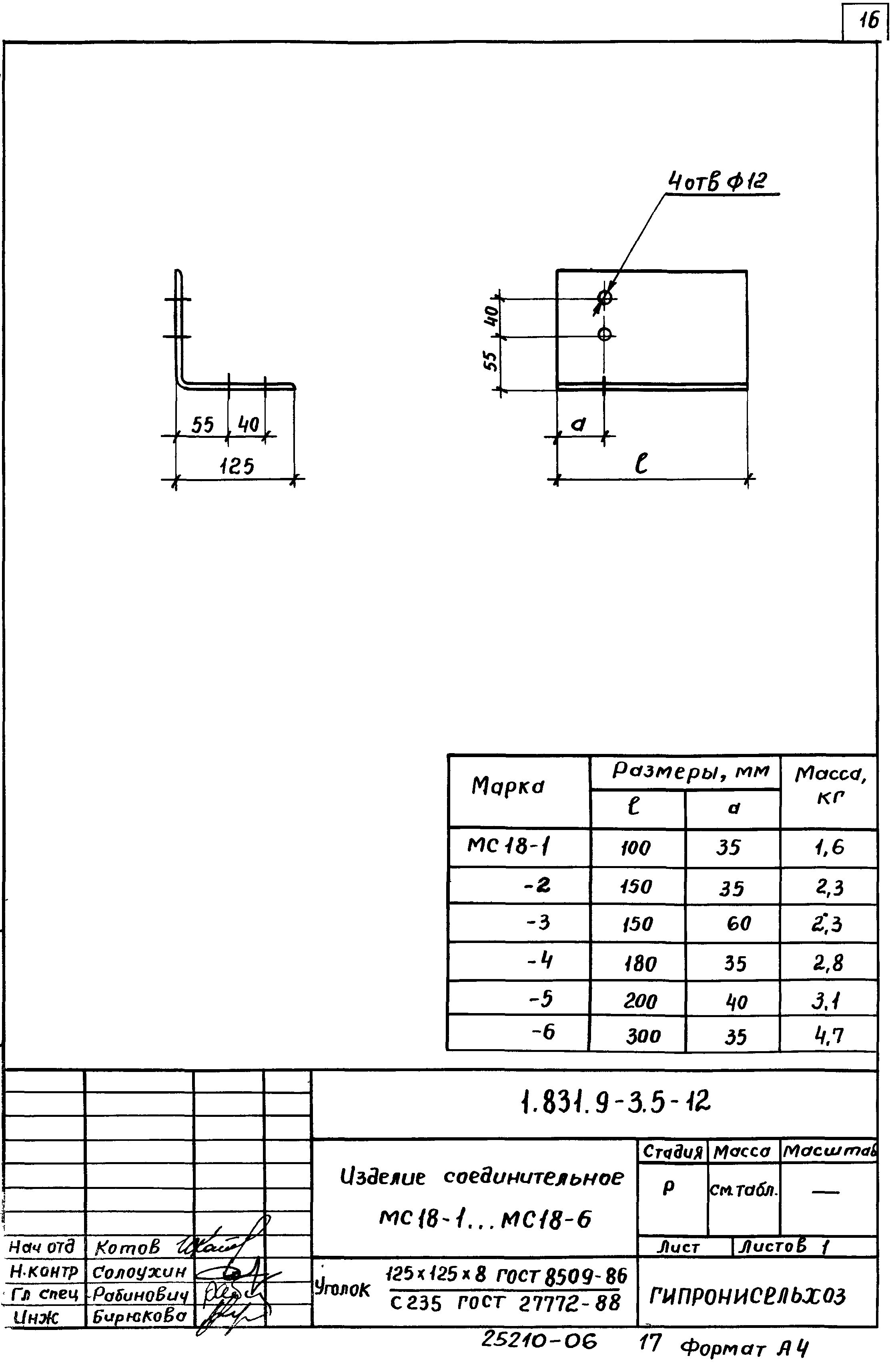
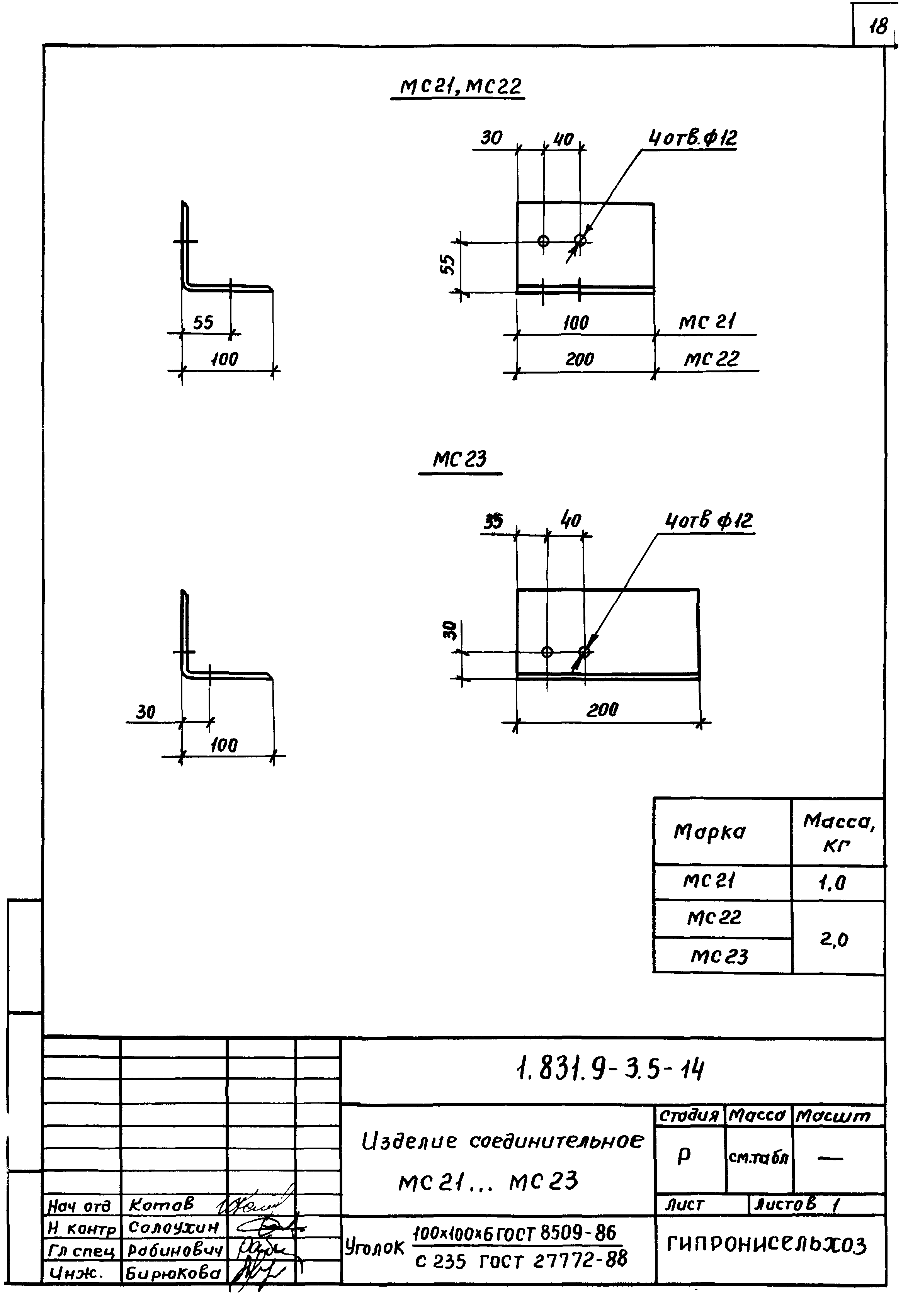
| Оглавление: | 1.831.9-3.5-ТТ Техническое требования 1.831.9-3.5-1 Изделие соединительное МС1 1.831.9-3.5-2 Изделие соединительное МС2-1… МС5-2 1.831.9-3.5-3 Изделие соединительное МС6-1, МС6-2 1.831.9-3.5-4 Изделие соединительное МС7-1, МС7-2 1.831.9-3.5-5 Изделие соединительное МС8… МС10 1.831.9-3.5-6 Изделие соединительное МС11-1, МС11-2 1.831.9-3.5-7 Изделие соединительное МС12, МС13 1.831.9-3.5-8 Изделие соединительное МС14 1.831.9-3.5-9 Изделие соединительное МС15 1.831.9-3.5-10 Изделие соединительное МС16 1.831.9-3.5-11 Изделие соединительное МС17 1.831.9-3.5-12 Изделие соединительное МС18-1… МС18-6 1.831.9-3.5-13 Изделие соединительное МС19, МС20 1.831.9-3.5-14 Изделие соединительное МС21… МС23 1.831.9-3.5-15 Изделие соединительное МС24, МС25, МС26-1, МС26-2 1.831.9-3.5-16 Изделие соединительное МС27 1.831.9-3.5-17 Изделие соединительное МС28 1.831.9-3.5-18 Изделие соединительное МС29 1.831.9-3.5-19 Изделие соединительное МС30… МС32 1.831.9-3.5-20 Изделие соединительное МС33, МС34 1.831.9-3.5-21 Костыль К1… К3 1.831.9-3.5-22 Костыль К4, К5 1.831.9-3.5-23 Фасонный элемент ФС1… ФС5 |
| Разработан: | ГипроНИсельхоз (Институт Гипронисельхоз ) |
| Утверждён: | 16.05.1991 Главпроект Госстроя СССР (5/6-137) |
| Издан: | АПП ЦИТП (1991 г. ) |
| Нормативные ссылки: |
|




























