Скачать Серия 2.432-1 Выпуск 0. Материалы для проектированияДата актуализации: 01.01.2021
|
| Обозначение: | Серия 2.432-1 |
| Обозначение англ: | Series 2.432-1 |
| Статус: | действует |
| Название рус.: | Выпуск 0. Материалы для проектирования |
| Дата добавления в базу: | 01.09.2013 |
| Дата актуализации: | 01.01.2021 |
| Дата введения: | 01.01.1980 |
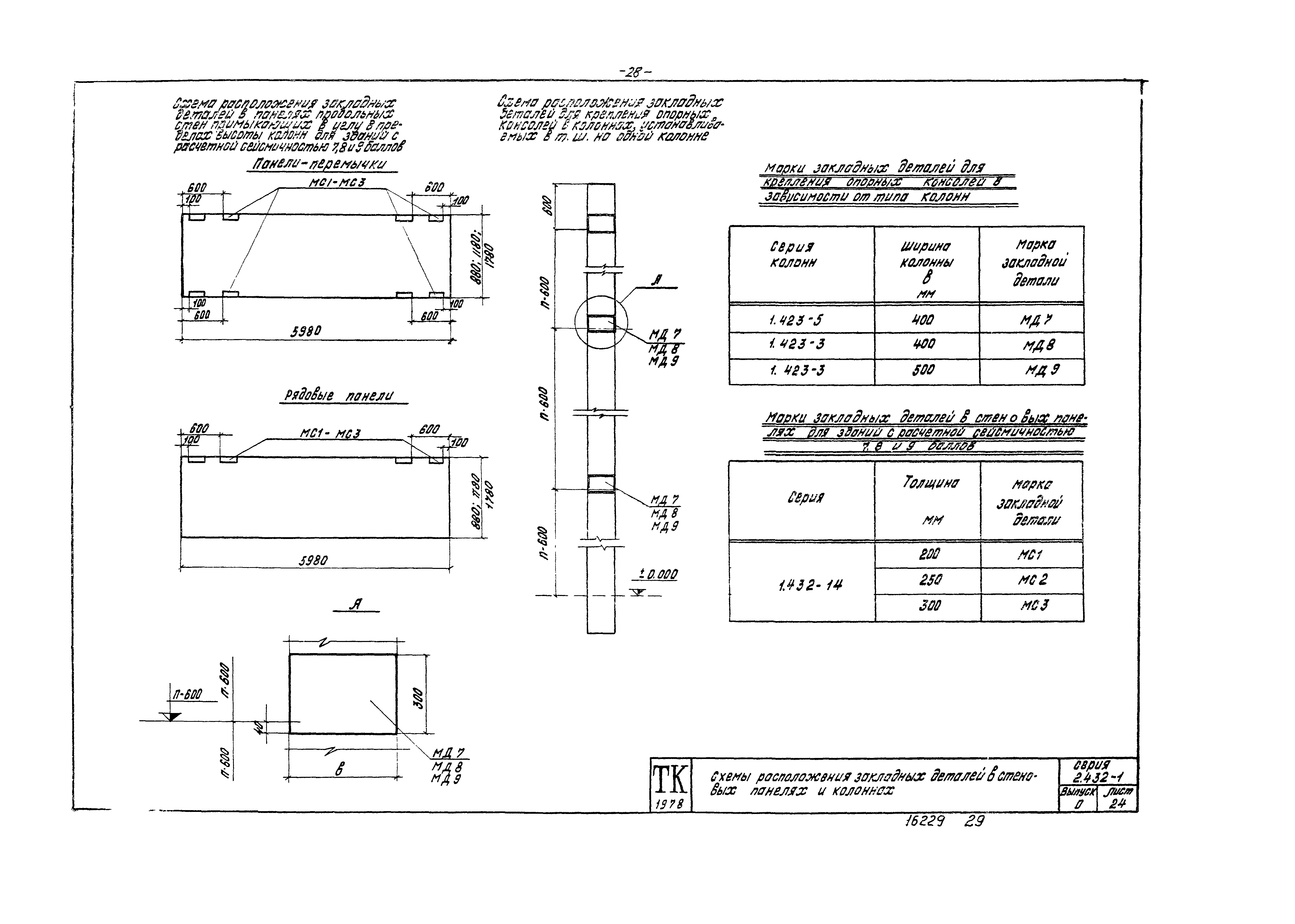
| Оглавление: | Содержание Пояснительная записка Маркировочные схемы узлов крепления стоек и насадок торцевого фахверка. Ключ для подбора стоек торцового фахверка Маркировочные схемы узлов крепления и ключ для подбора опорных консолей Маркировочные схемы узлов крепления стеновых панелей к колоннам продольного ряда Маркировочные схемы узлов крепления стеновых панелей к колоннам продольного ряда зданий с расчетной сейсмичностью 7, 8 и 9 баллов Маркировочные схемы узлов крепления стеновых панелей к колоннам торцового рада Маркировочные схемы узлов крепления стеновых панелей к колоннам торцового ряда зданий с расчетной сейсмичностью 7, 8 и 9 баллов Маркировочные схемы узлов крепления стеновых панелей к колоннам продольного и торцового рядов в местах т. ш. со вставками Маркировочные схемы узлов крепления стеновых панелей к колоннам продольного и торцового рядов в местах т. ш. со вставкой для зданий с расчетной сейсмичностью 7, 8 и 9 баллов Сечения 1-1/ 6-6 Сечения 7-7/ 11-11 Маркировочные схемы узлов крепления стеновых панелей продольных стен в пределах несущих конструкций покрытия при внутреннем отводе воды Маркировочные схемы узлов крепления стеновых панелей продольных стен в пределах несущих конструкций покрытия при внутреннем отводе воды для зданий с расчетной сейсмичностью 7, 8 и 9 баллов Маркировочные схемы узлов крепления панелей продольных стен в пределах высоты стропильных конструкций при наружном отводе воды Маркировочные схемы узлов крепления панелей продольных стен в пределах высоты стропильных конструкций при наружном отводе воды для зданий с расчетной сейсмичностью 7, 8 и 9 баллов Маркировочные схемы узлов крепления панелей торцовых стен в пределах высоты ж.б. стропильных балок (в том числе для зданий с расчетной сейсмичностью 7, 8 и 9 баллов) Маркировочные схемы узлов крепления панелей торцовых стен в пределах высоты ферм серий 1.463-3 и ПК-01-129/ 68 (в том числе для зданий с расчетной сейсмичностью 7, 8 и 9 баллов Маркировочные схемы узлов крепления панелей торцовых стен в пределах высоты ферм серий 1.460-2, 1.460-4, 1.460-5 и 1.460-8 (в том числе для зданий с расчетной сейсмичностью 7, 8 и 9 баллов) Маркировочные схемы узлов крепления стеновых панелей в местах т.ш. со вставками в пределах высоты стропильных конструкций Маркировочные схемы узлов крепления стеновых панелей в местах т.ш. со вставками в пределах высоты стропильных конструкций зданий с расчетной сейсмичностью 7, 8 и 9 баллов Маркировочные схемы узлов крепления стеновых панелей к колоннам продольного ряда зданий с увеличенными расстояниями между температурными швами Спецификация соединительных элементов на один монтажный узел Спецификация соединительных элементов на один монтажный узел (продолжение) Разбивка дополнительных закладных деталей в стропильных конструкциях Спецификация расположения закладных деталей в стеновых панелях и колоннах Закладные детали МД1/ МД6; МС1/ МС3 Закладные детали МД7/ МД9 |
| Разработан: | ЦНИИпромзданий |
| Утверждён: | 28.06.1979 Госстрой СССР (Государственный комитет Совета Министров СССР по делам строительства) (USSR Gosstroy 106) |
| Заменяет собой: |





























