Скачать Серия 1.165.1-17 Плиты покрытий и лотковые трехслойные для крупнопанельных жилых зданий с теплым чердаком и безрулонной кровлей с мастичной гидроизоляцией. Рабочие чертежи

Дата актуализации: 01.01.2021

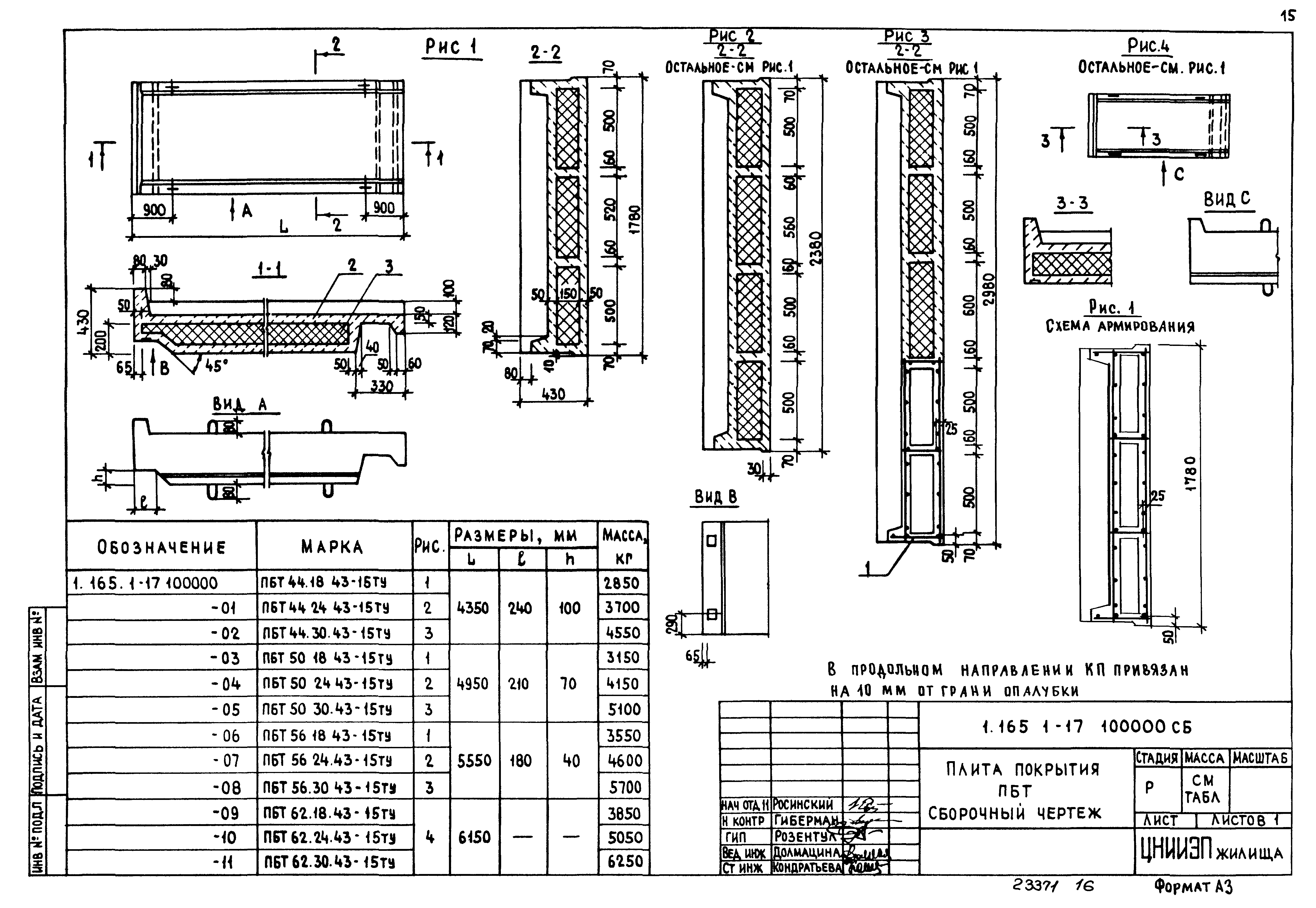
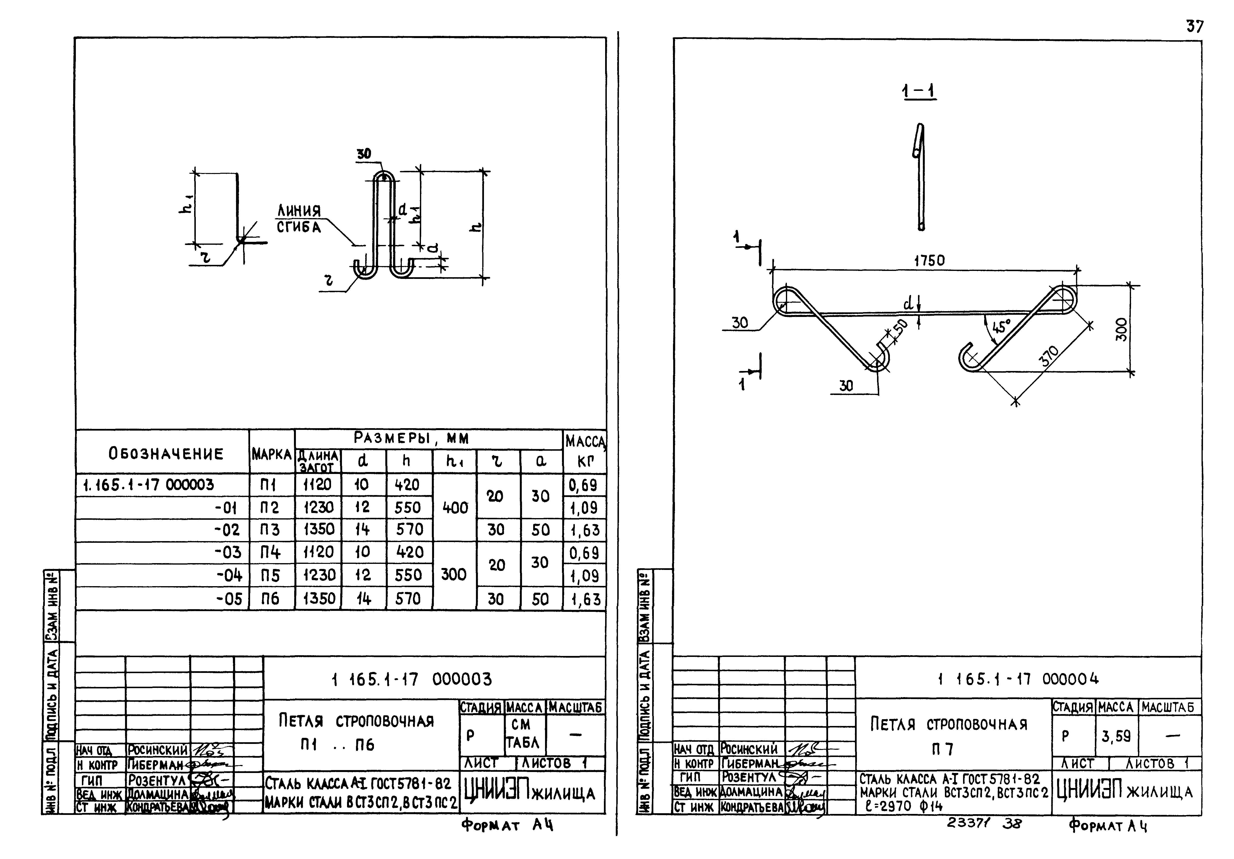
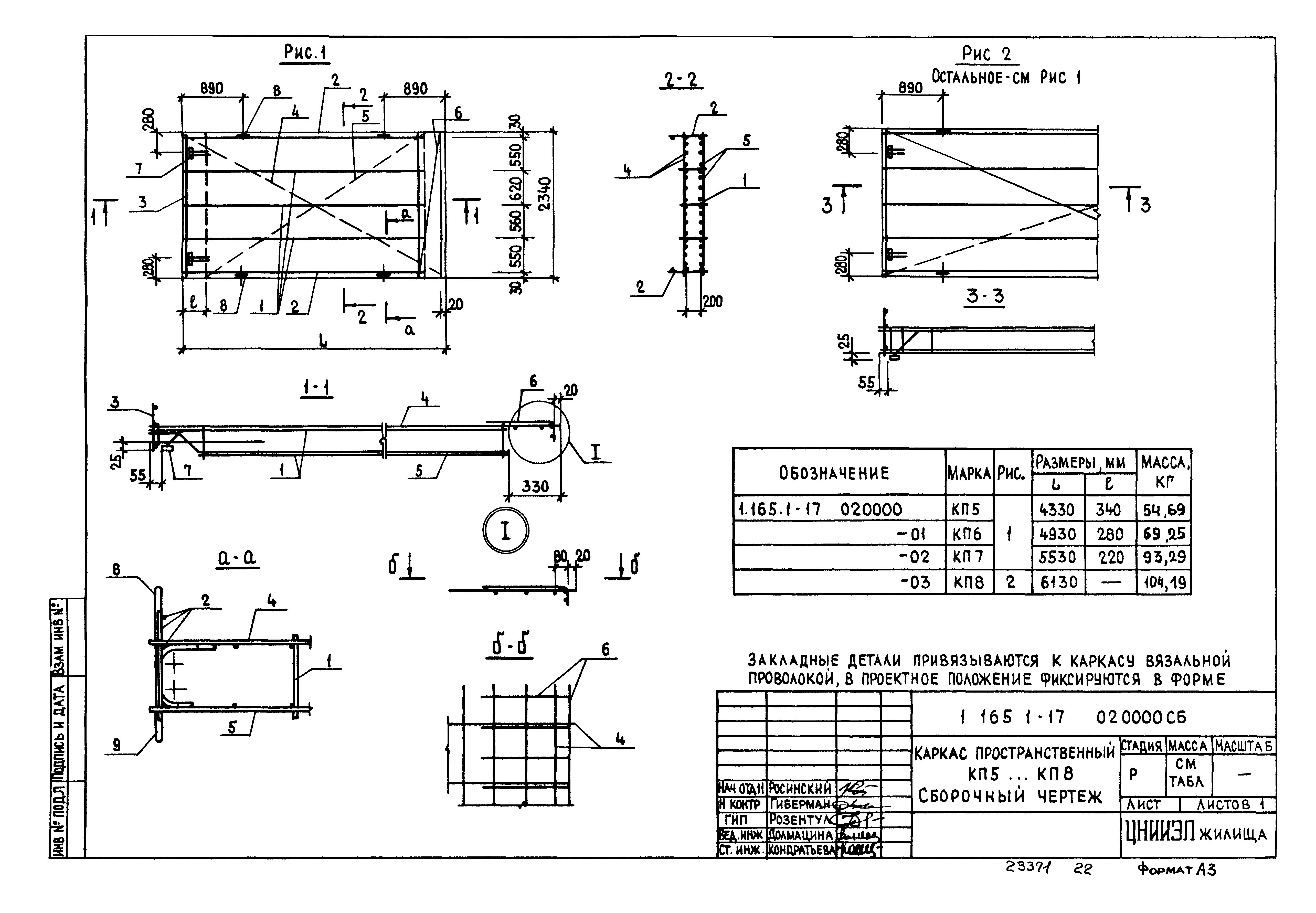
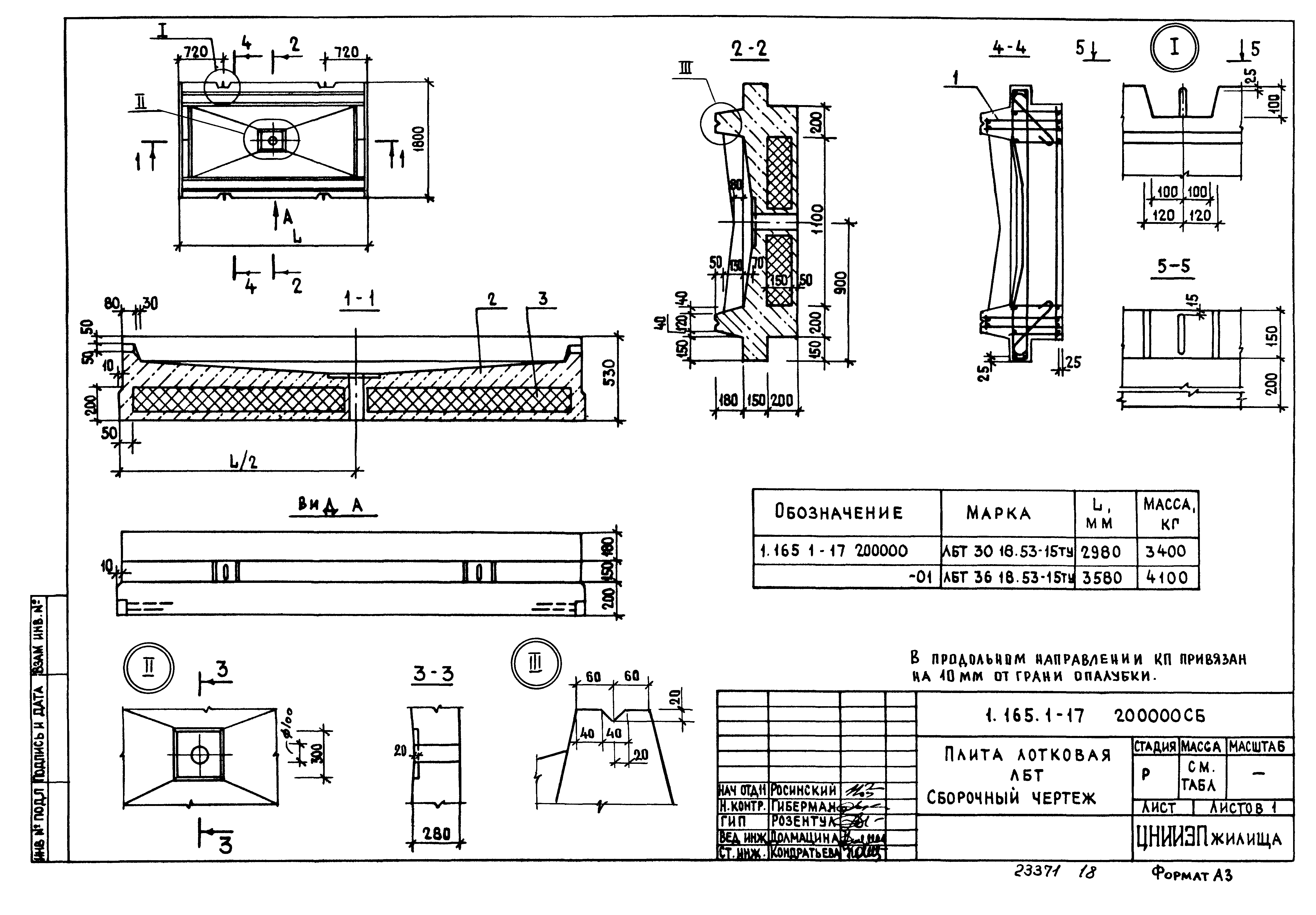
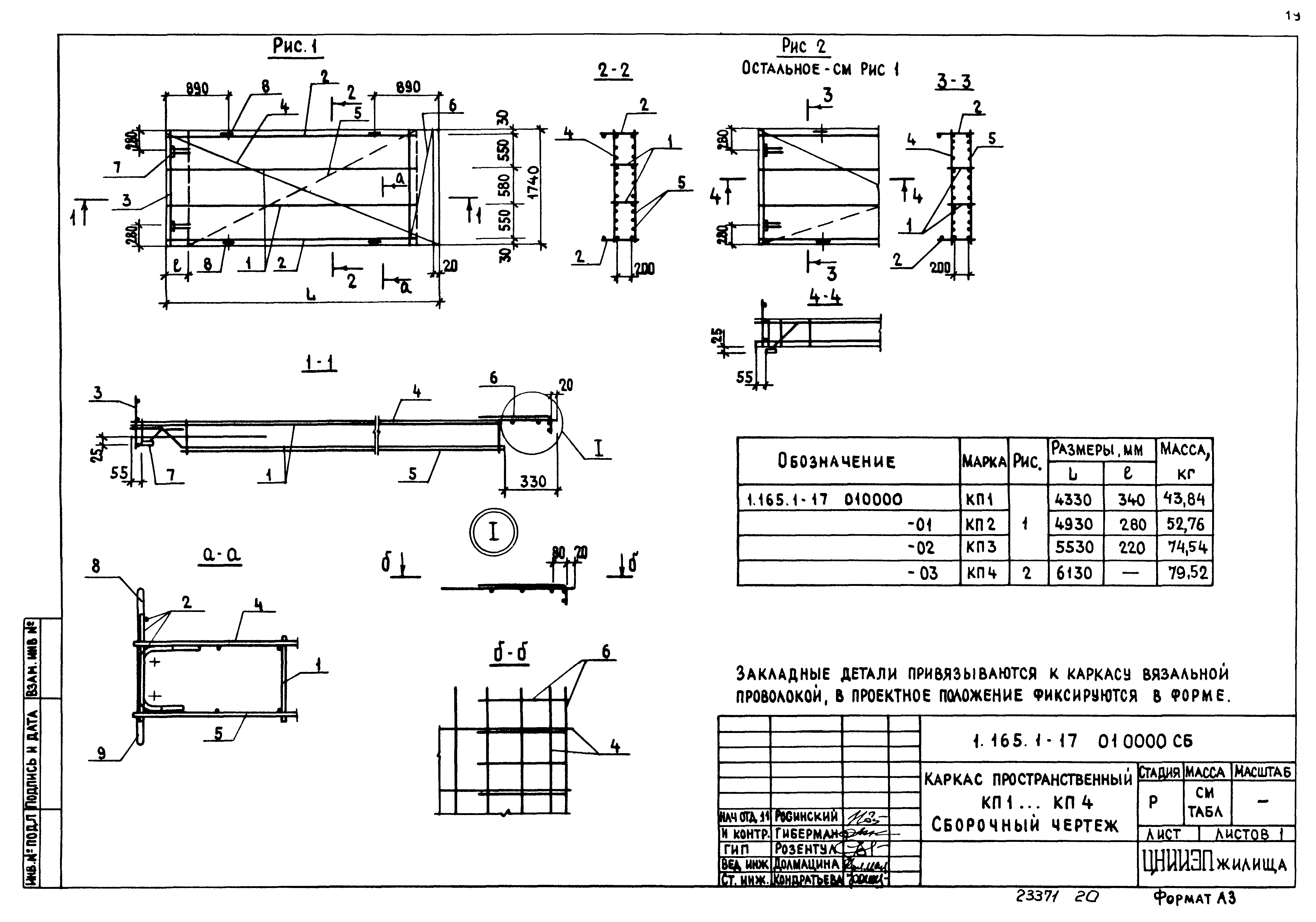
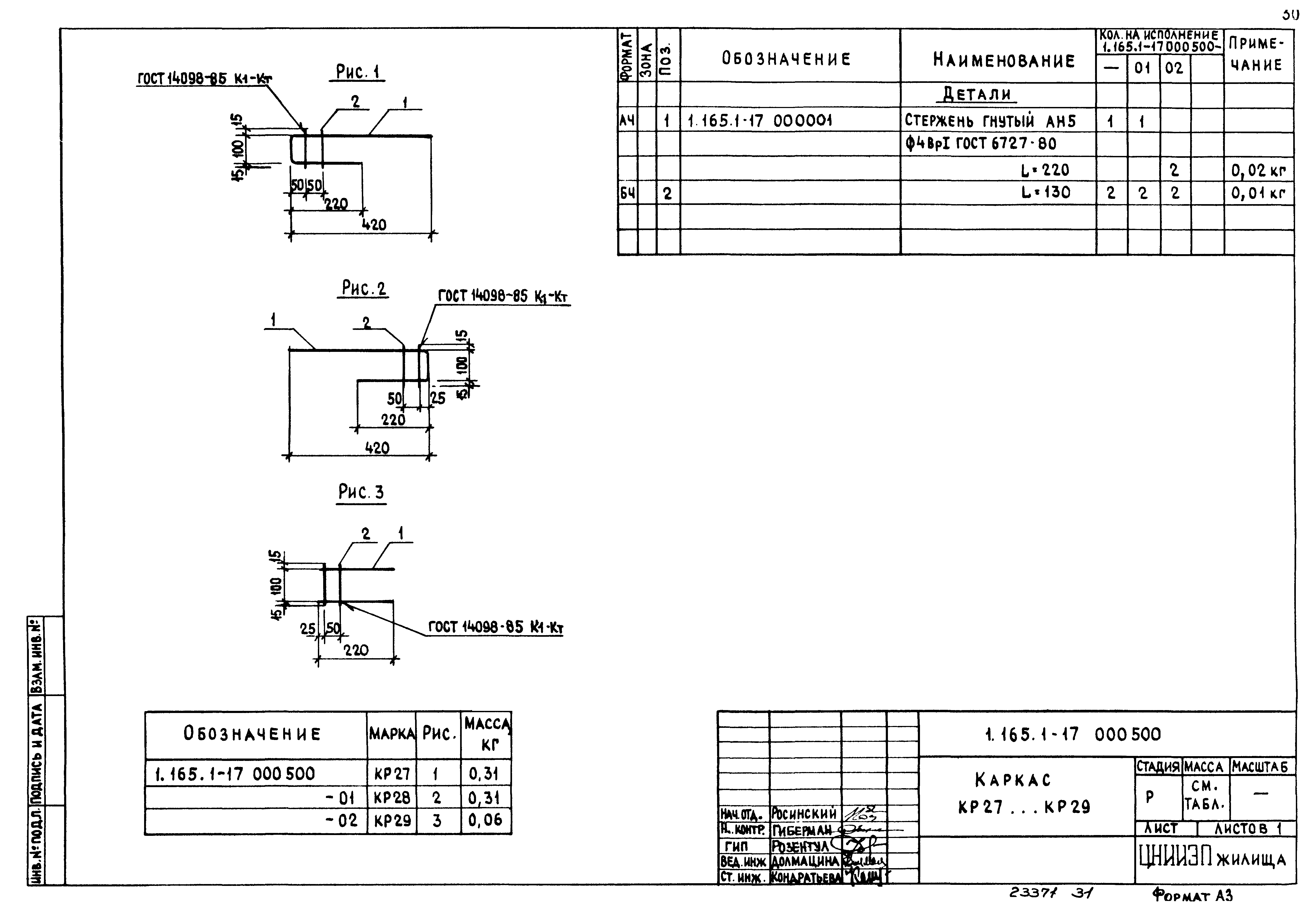
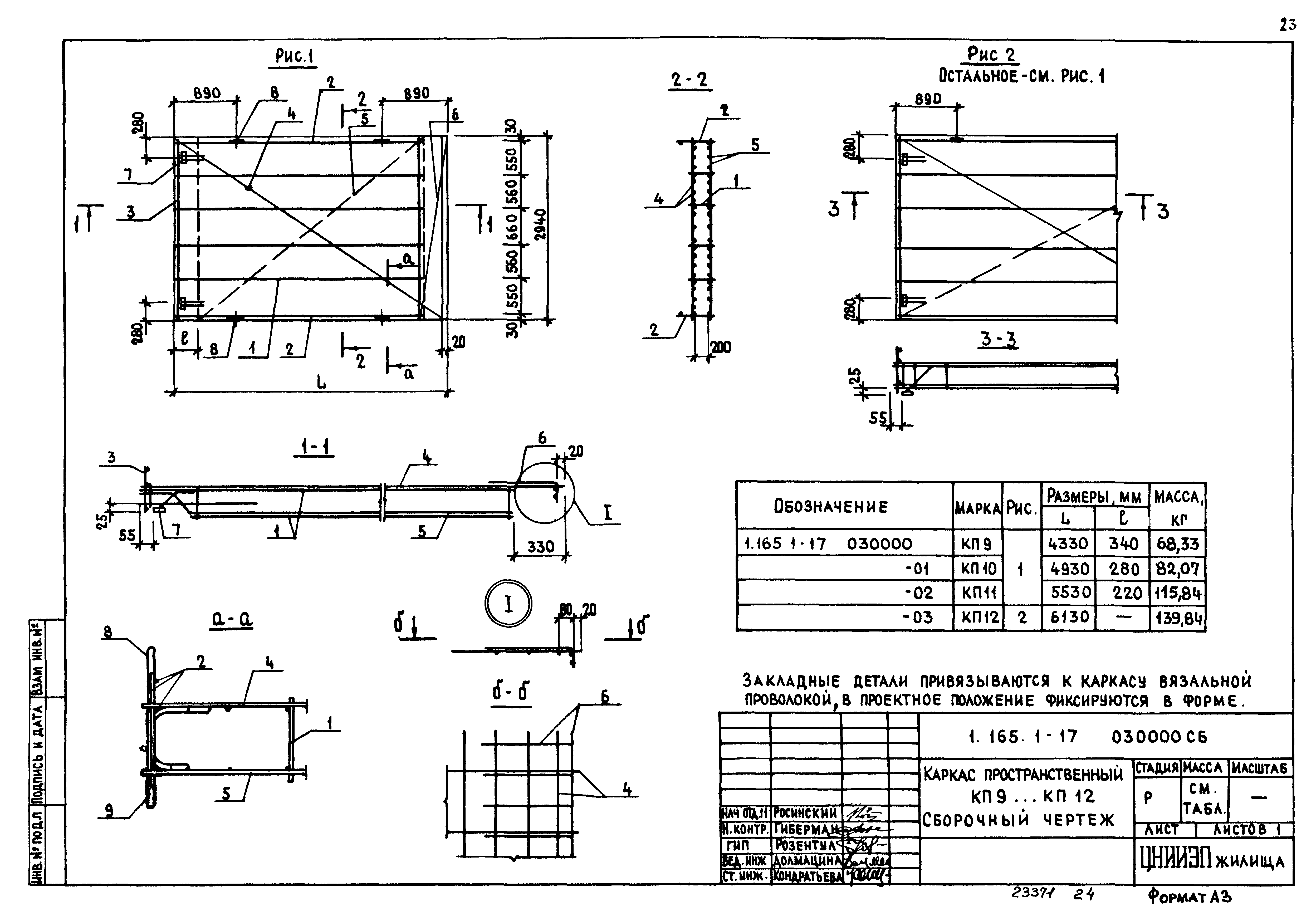
Серия 1.165.1-17

Плиты покрытий и лотковые трехслойные для крупнопанельных жилых зданий с теплым чердаком и безрулонной кровлей с мастичной гидроизоляцией. Рабочие чертежи

Обозначение: Серия 1.165.1-17
Обозначение англ: Series 1.165.1-17
Статус:не определен законодательством
Название рус.:Плиты покрытий и лотковые трехслойные для крупнопанельных жилых зданий с теплым чердаком и безрулонной кровлей с мастичной гидроизоляцией. Рабочие чертежи
Дата добавления в базу:01.09.2013
Дата актуализации:01.01.2021
Дата введения:15.09.1988
Дата окончания срока действия:30.06.2003
Разработан: ЦНИИЭП жилища
Утверждён:15.09.1988 Госкомархитектура (264)
Издан: ЦИТП Госстроя СССР (CITP, Gosstroy (USSR) 1988 г. )
Серия 1.165.1-17Серия 1.165.1-17Серия 1.165.1-17Серия 1.165.1-17Серия 1.165.1-17Серия 1.165.1-17Серия 1.165.1-17Серия 1.165.1-17Серия 1.165.1-17Серия 1.165.1-17Серия 1.165.1-17Серия 1.165.1-17Серия 1.165.1-17Серия 1.165.1-17Серия 1.165.1-17Серия 1.165.1-17Серия 1.165.1-17Серия 1.165.1-17Серия 1.165.1-17Серия 1.165.1-17Серия 1.165.1-17Серия 1.165.1-17Серия 1.165.1-17Серия 1.165.1-17Серия 1.165.1-17Серия 1.165.1-17Серия 1.165.1-17Серия 1.165.1-17Серия 1.165.1-17Серия 1.165.1-17Серия 1.165.1-17Серия 1.165.1-17Серия 1.165.1-17Серия 1.165.1-17Серия 1.165.1-17Серия 1.165.1-17Серия 1.165.1-17Серия 1.165.1-17Серия 1.165.1-17Серия 1.165.1-17Серия 1.165.1-17