Скачать Серия 1.165.1-18 Плиты покрытий двухслойные с термовкладышами для крупнопанельных жилых зданий с теплым чердаком и безрулонной кровлей с мастичной гидроизоляцией. Рабочие чертежиДата актуализации: 01.01.2021
|
| Обозначение: | Серия 1.165.1-18 |
| Обозначение англ: | Series 1.165.1-18 |
| Статус: | действует |
| Название рус.: | Плиты покрытий двухслойные с термовкладышами для крупнопанельных жилых зданий с теплым чердаком и безрулонной кровлей с мастичной гидроизоляцией. Рабочие чертежи |
| Дата добавления в базу: | 01.09.2013 |
| Дата актуализации: | 01.01.2021 |
| Дата введения: | 15.02.1988 |
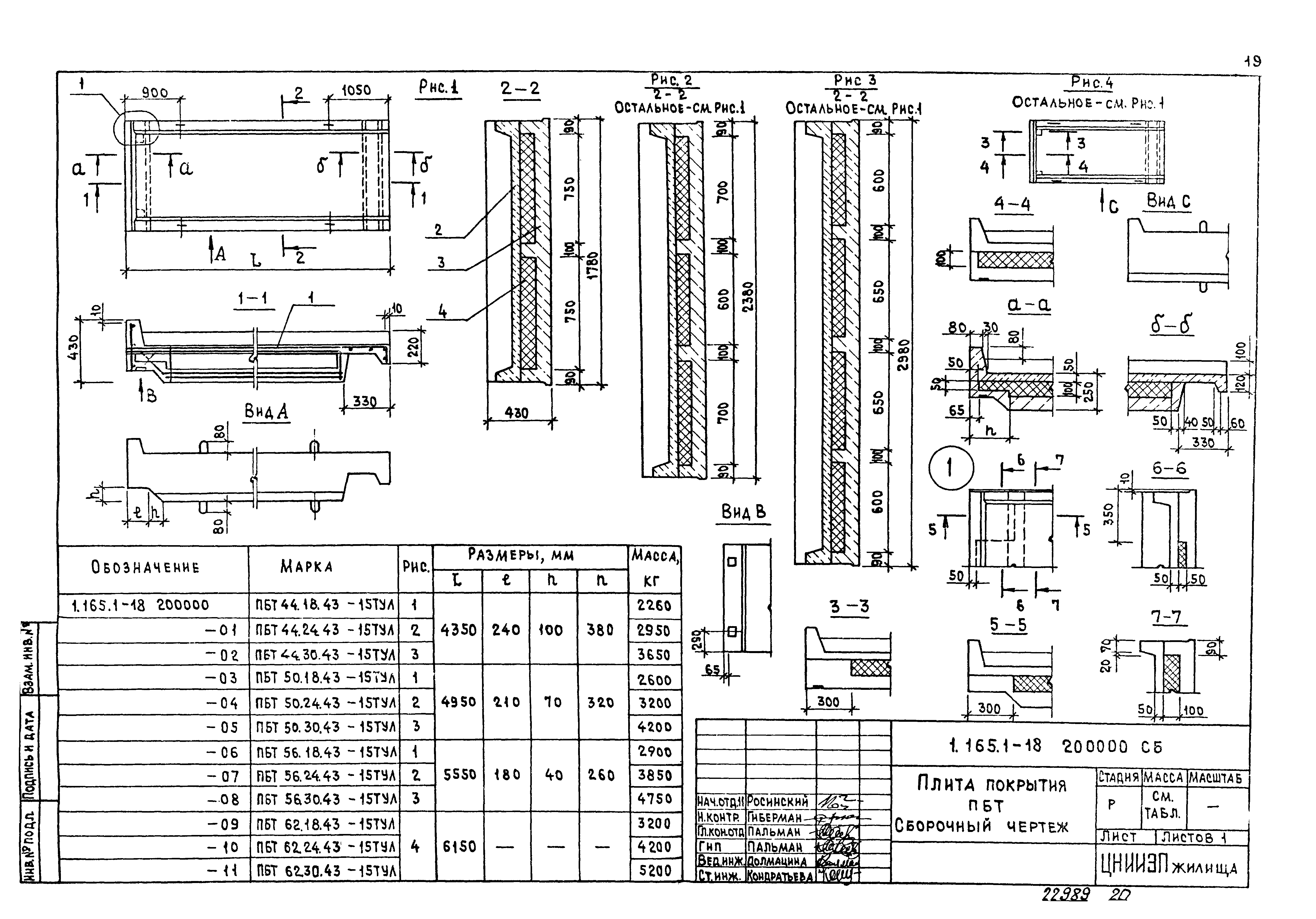
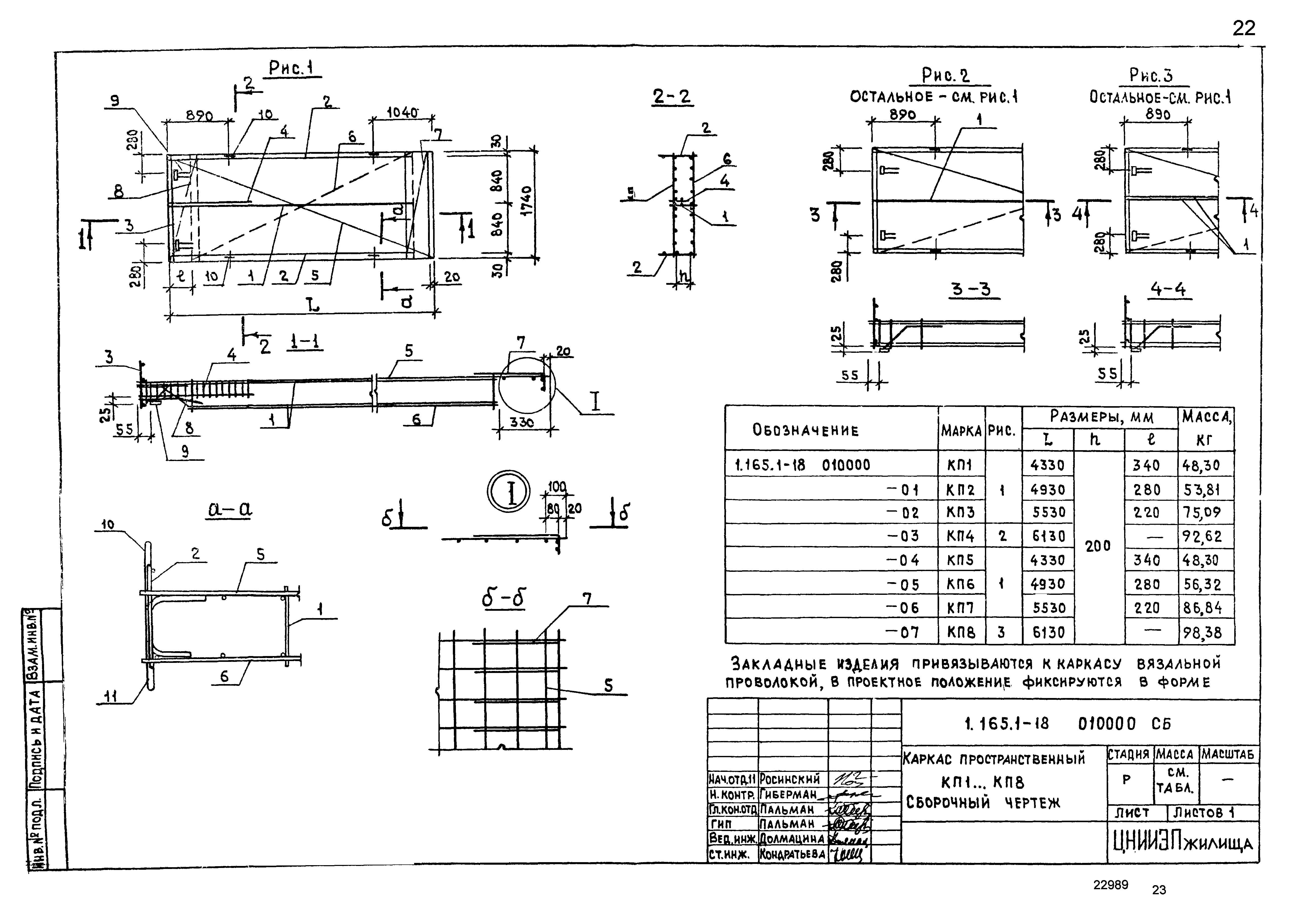
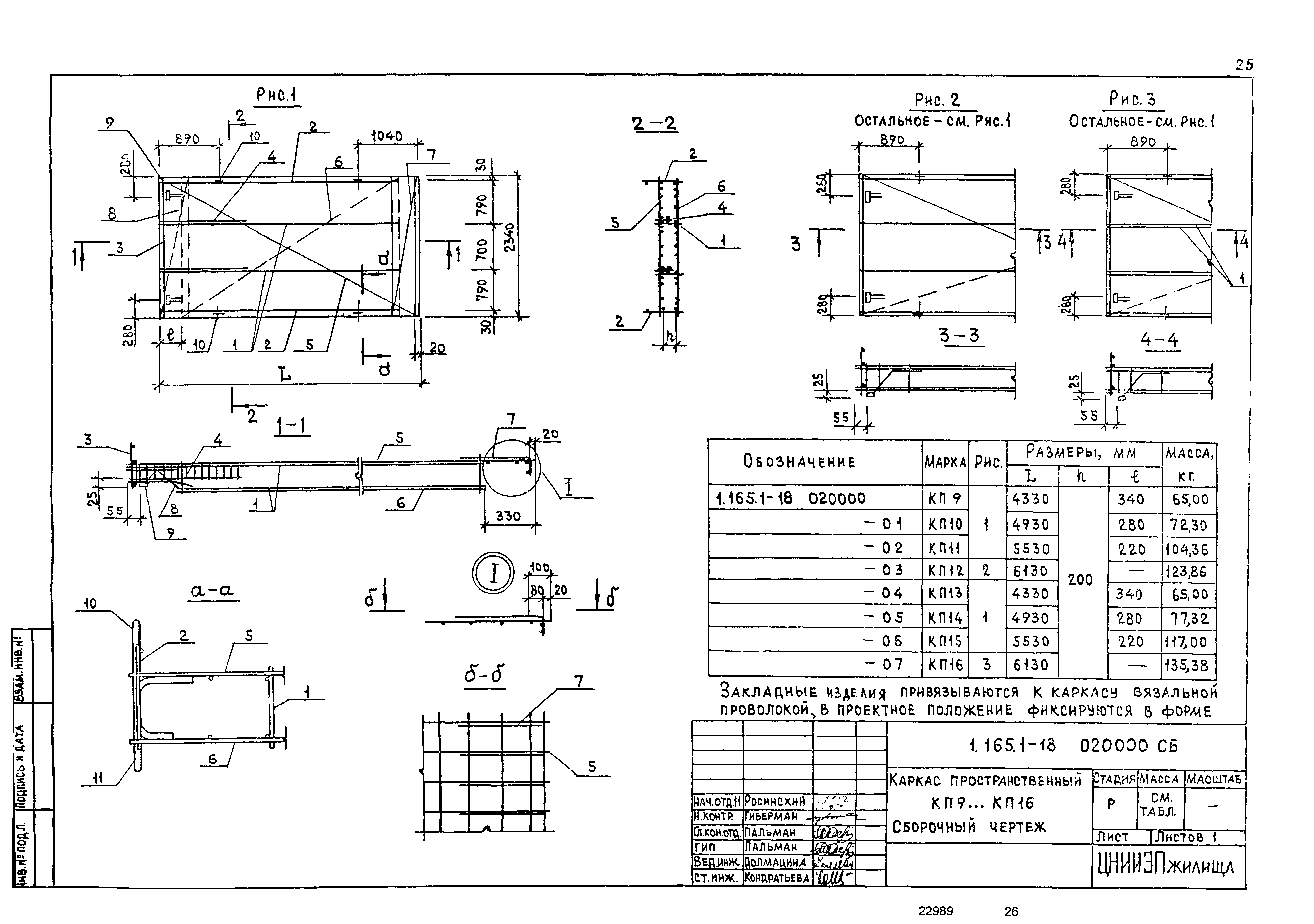
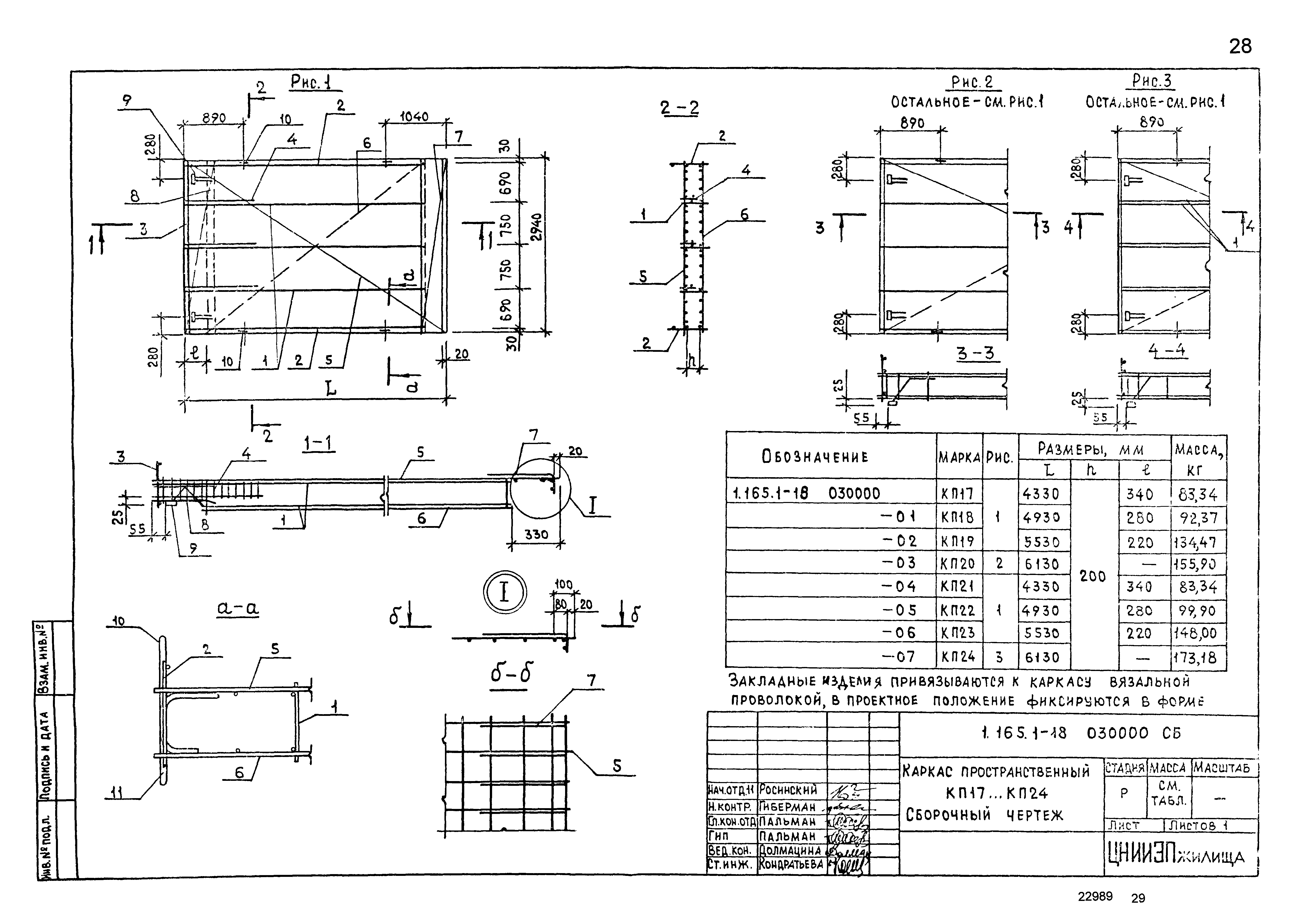
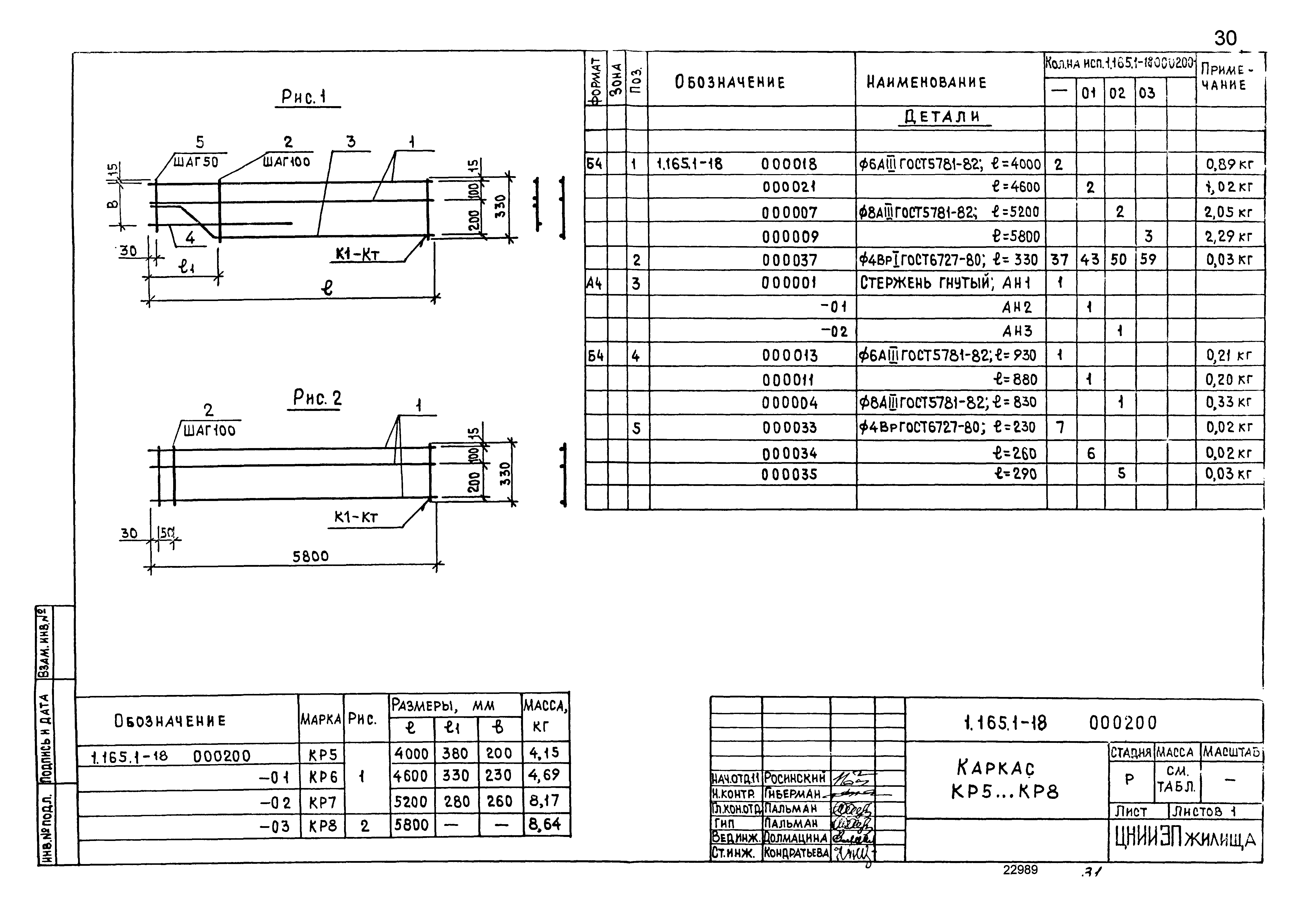
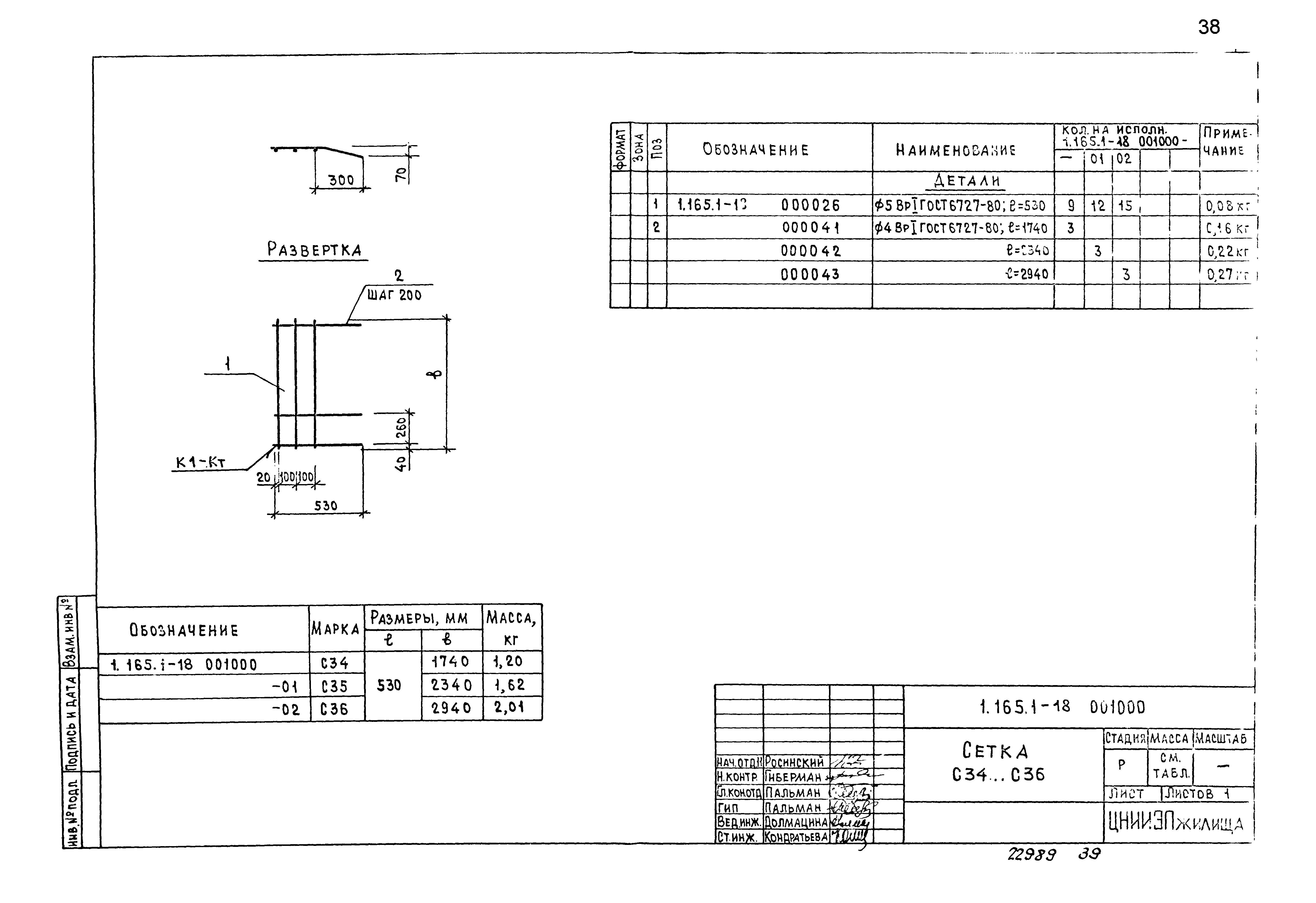
| Оглавление: | 1.165.1-18 ТУ Технические условия 1.165.1-18 000000 ТО Техническое описание 1.165.1-18 100000 Плита покрытия ПБТ 1.165.1-18 100000 СБ Плита покрытия ПБТ. Сборочный чертеж 1.165.1-18 200000 Плита покрытия ПБТ 1.165.1-18 200000 СБ Плита покрытия ПБТ. Сборочный чертеж 1.165.1-18 010000 Каркас пространственный КП1…КП8 1.165.1-18 010000 СБ Каркас пространственный КП1…КП9. Сборочный чертеж 1.165.1-18 020000 Каркас пространственный КП9…КП16 1.165.1-18 020000 СБ Каркас пространственный КП9…КП17. Сборочный чертеж 1.165.1-18 030000 Каркас пространственный КП17…КП24 1.165.1-18 030000 СБ Каркас пространственный КП17…КП24. Сборочный чертеж 1.165.1-18 000100 Каркас КР1…КР4 1.165.1-18 000200 Каркас КР5…КР8 1.165.1-18 000300 Каркас КР9…КР20 1.165.1-18 000400 Каркас КР21…КР23 1.165.1-18 000500 Сетка С1…С12 1.165.1-18 000600 Сетка С13…С15 1.165.1-18 000700 Сетка С16…С27 1.165.1-18 000800 Сетка С28…С30 1.165.1-18 000900 Сетка С31…С33 1.165.1-18 000001 Стержень гнутый АН1…АН3 1.165.1-18 001000 Сетка С34…С36 1.165.1-18 000002 Петля строповочная П1…П8 1.165.1-18 001100 Изделие закладное МС3-1, МС3-2 1.165.1-18 000000 РС Ведомость расхода стали 1.165.1-18 000000 РМ Ведомость расхода материалов 1.165.1-18 ТУ Технические условия 1.165.1-18 000000 ТО Техническое описание 1.165.1-18 100000 Плита покрытия ПБТ 1.165.1-18 100000 СБ Плита покрытия ПБТ. Сборочный чертеж 1.165.1-18 200000 Плита покрытия ПБТ 1.165.1-18 200000 СБ Плита покрытия ПБТ. Сборочный чертеж 1.165.1-18 010000 Каркас пространственный КП1…КП8 1.165.1-18 010000 СБ Каркас пространственный КП1…КП9. Сборочный чертеж 1.165.1-18 020000 Каркас пространственный КП9…КП16 1.165.1-18 020000 СБ Каркас пространственный КП9…КП17. Сборочный чертеж 1.165.1-18 030000 Каркас пространственный КП17…КП24 1.165.1-18 030000 СБ Каркас пространственный КП17…КП24. Сборочный чертеж 1.165.1-18 000100 Каркас КР1…КР4 1.165.1-18 000200 Каркас КР5…КР8 1.165.1-18 000300 Каркас КР9…КР20 1.165.1-18 000400 Каркас КР21…КР23 1.165.1-18 000500 Сетка С1…С12 1.165.1-18 000600 Сетка С13…С15 1.165.1-18 000700 Сетка С16…С27 1.165.1-18 000800 Сетка С28…С30 1.165.1-18 000900 Сетка С31…С33 1.165.1-18 000001 Стержень гнутый АН1…АН3 1.165.1-18 001000 Сетка С34…С36 1.165.1-18 000002 Петля строповочная П1…П8 1.165.1-18 001100 Изделие закладное МС3-1, МС3-2 1.165.1-18 000000 РС Ведомость расхода стали 1.165.1-18 000000 РМ Ведомость расхода материалов |
| Разработан: | ЦНИИЭП жилища |
| Утверждён: | 09.02.1988 Госкомархитектура (35) |
| Издан: | ЦИТП Госстроя СССР (CITP, Gosstroy (USSR) 1988 г. ) |











































