Скачать Серия 1.400.2-25.93 Выпуск 0. Указания по применениюДата актуализации: 01.01.2021
|
| Обозначение: | Серия 1.400.2-25.93 |
| Обозначение англ: | Series 1.400.2-25.93 |
| Статус: | не определен законодательством |
| Название рус.: | Выпуск 0. Указания по применению |
| Дата добавления в базу: | 01.09.2013 |
| Дата актуализации: | 01.01.2021 |
| Дата введения: | 01.01.1994 |
| Дата окончания срока действия: | 30.06.2003 |
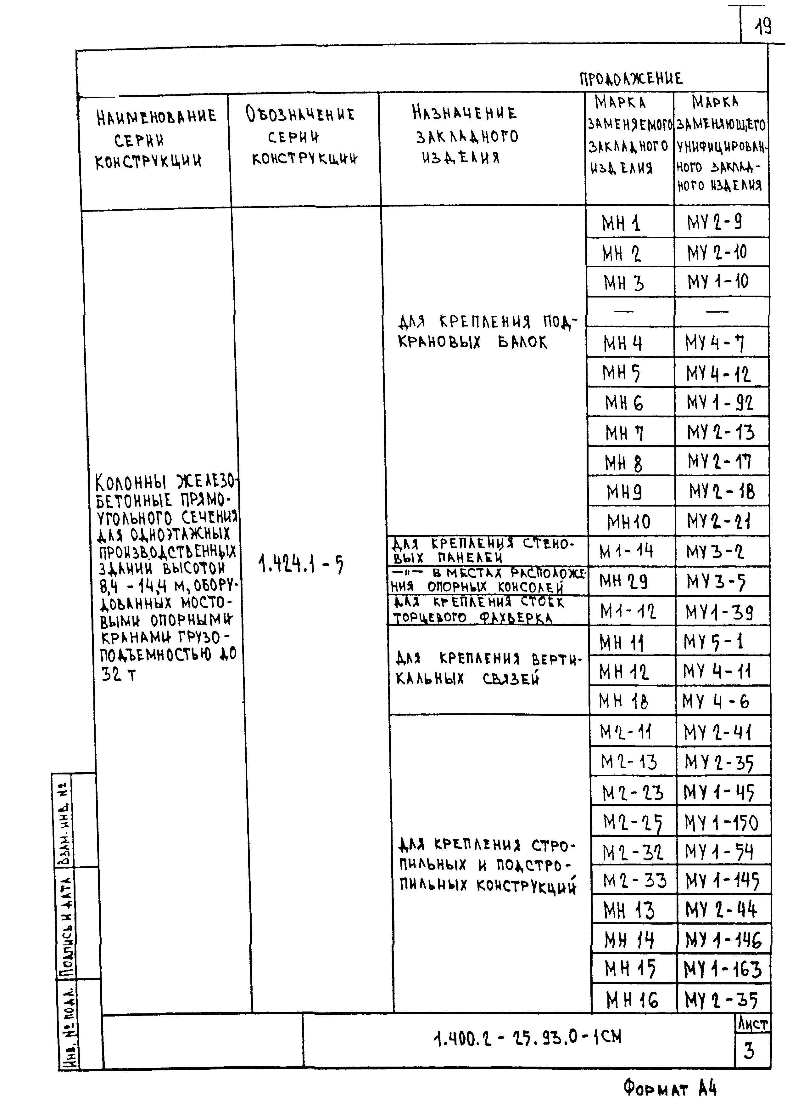
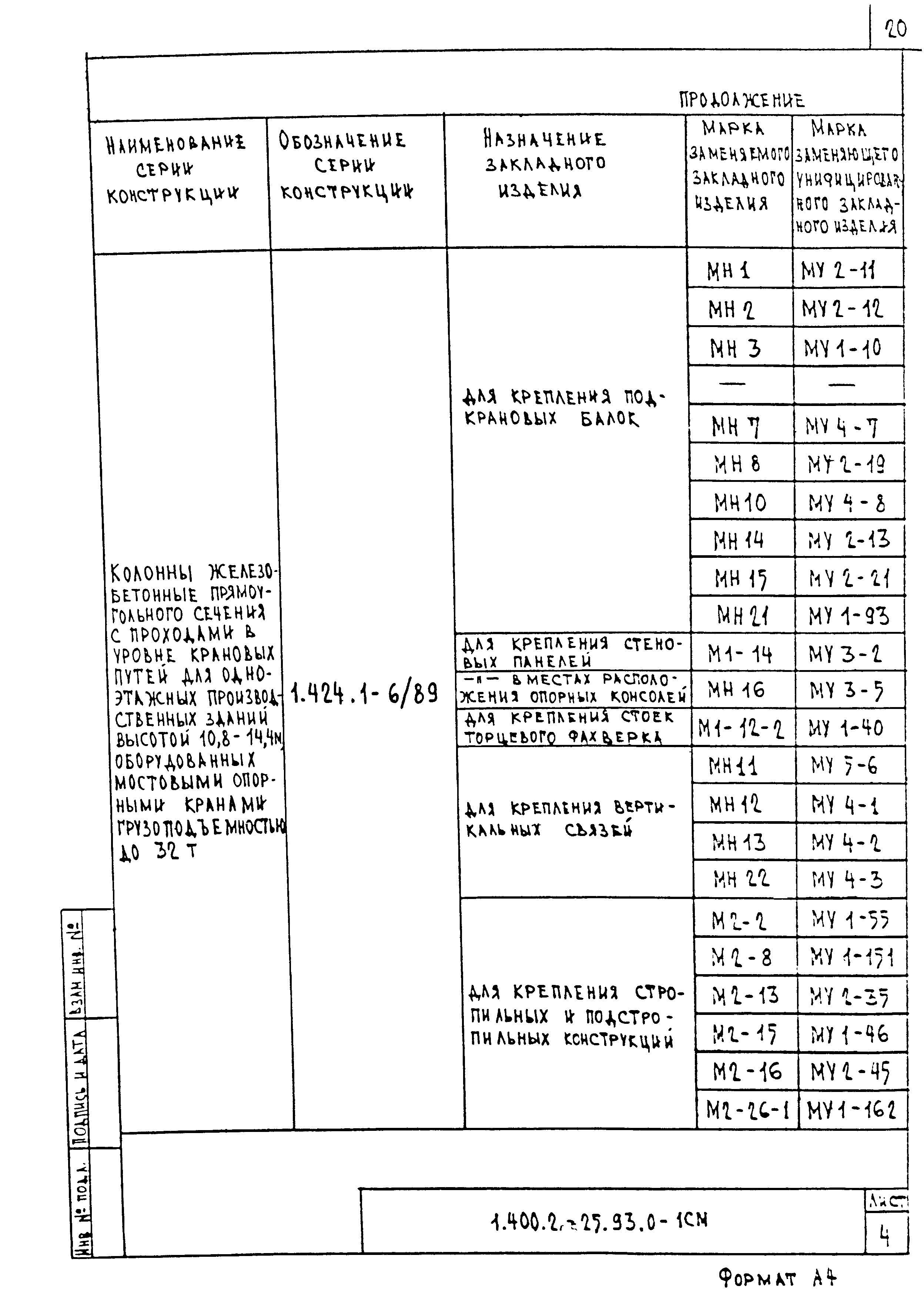
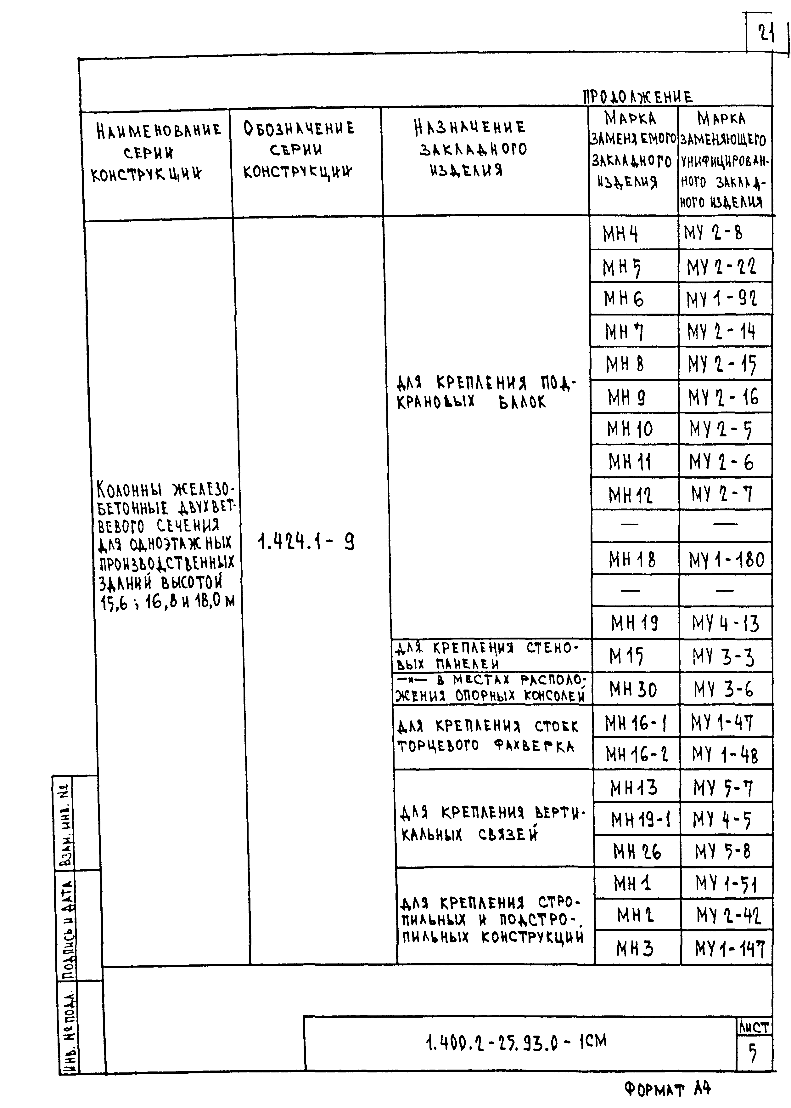
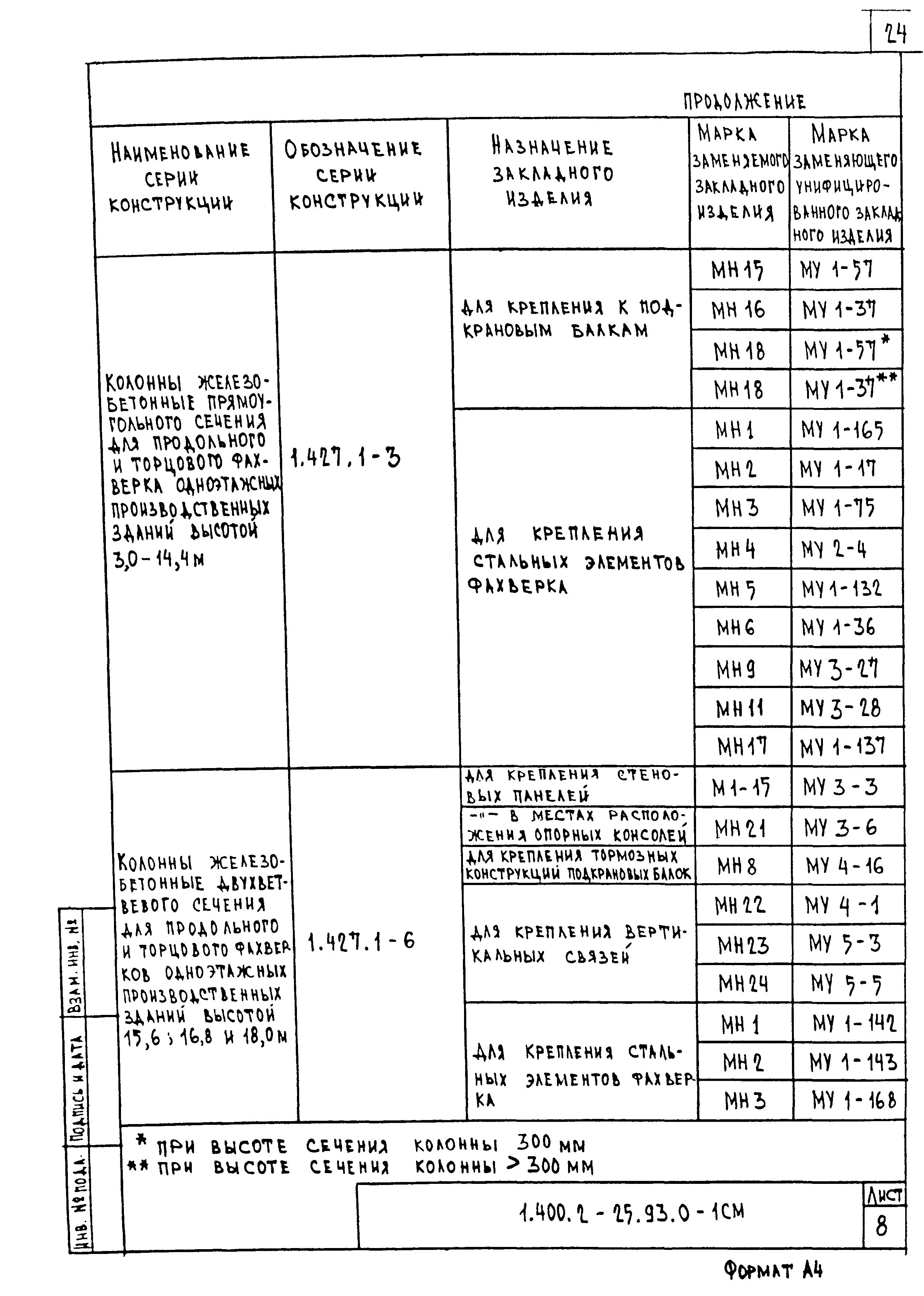
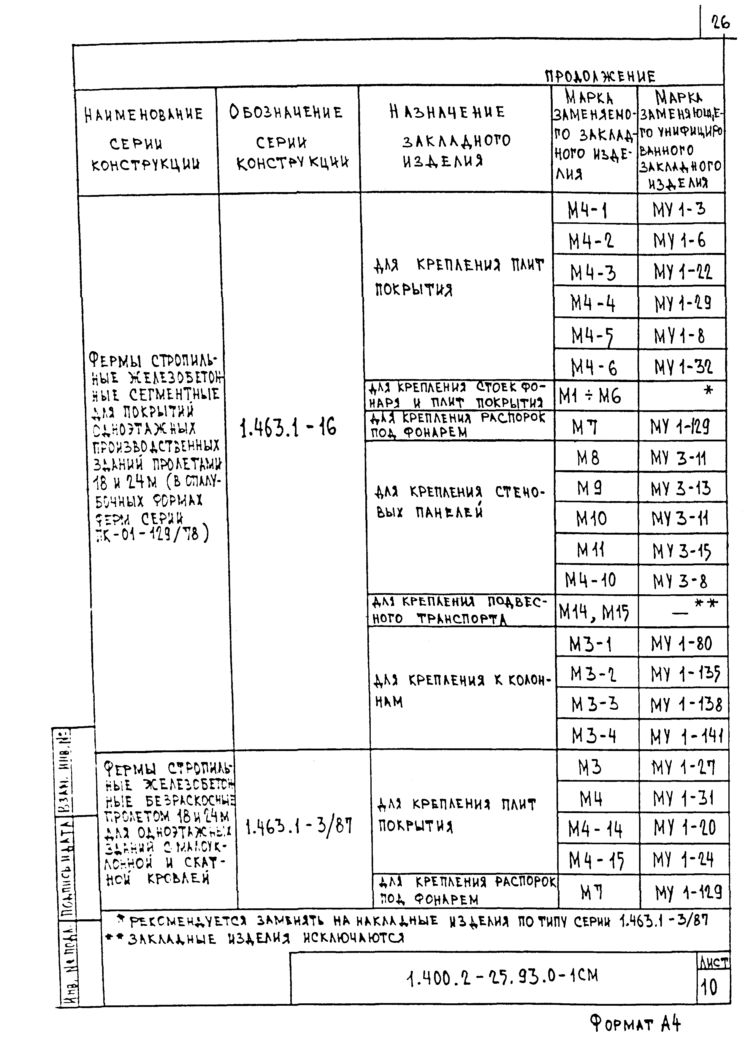
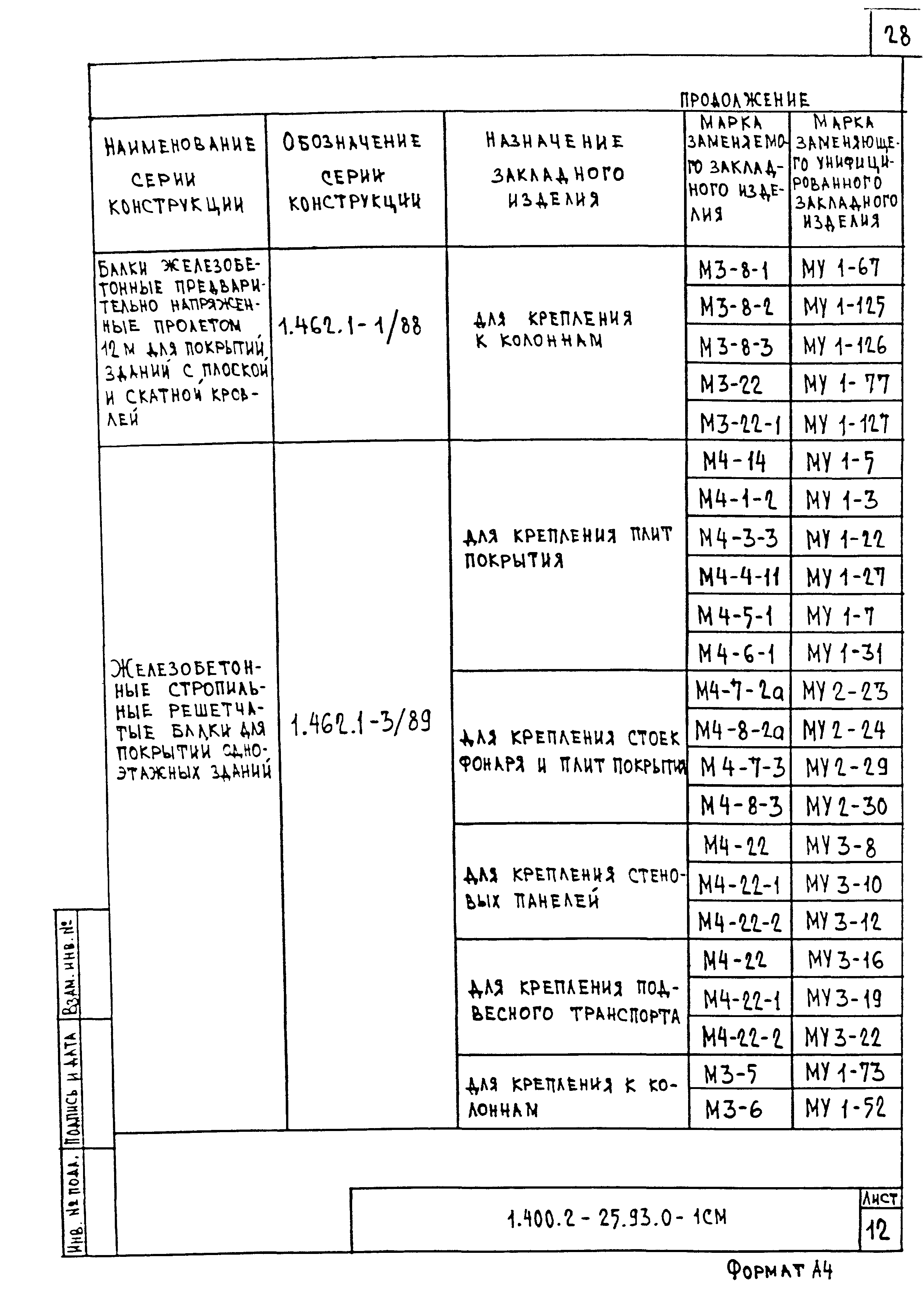
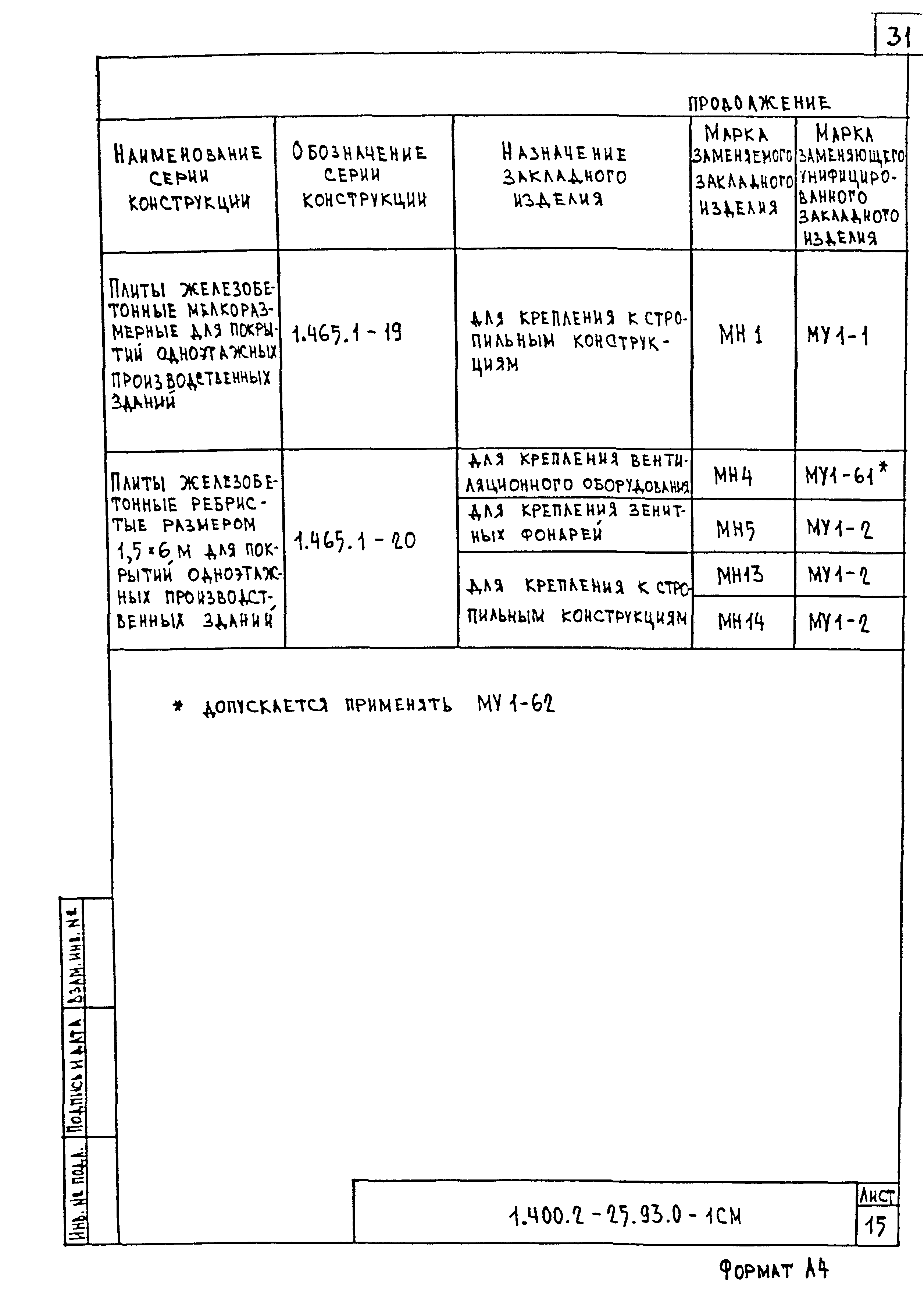
| Оглавление: | 1.400.2-25.93.0-ПЗ Пояснительная записка 1.400.2-25.93.0-НИ Номенклатура унифицированных закладных изделий 1.400.2-25.93.0-1СМ Указания по замене закладных изделий конструкций на унифицированные закладные изделия 1.400.2-25.93.0-2СМ Указания по подбору марок унифицированных закладных изделий в колоннах для крепления опорных консолей под навесные стены 1.400.2-25.93.0-ПЗ Пояснительная записка 1.400.2-25.93.0-НИ Номенклатура унифицированных закладных изделий 1.400.2-25.93.0-1СМ Указания по замене закладных изделий конструкций на унифицированные закладные изделия 1.400.2-25.93.0-2СМ Указания по подбору марок унифицированных закладных изделий в колоннах для крепления опорных консолей под навесные стены |
| Разработан: | ЦНИИпромзданий |
| Утверждён: | 23.07.1993 Госстрой России (Russian Federation Gosstroy ) |
| Заменяет собой: |




































