Скачать Серия 1.169.1-2с Выпуск 1. Плиты ребристые кровельные, лотки водосборные и нащельники. Рабочие чертежиДата актуализации: 01.01.2021
|
| Обозначение: | Серия 1.169.1-2с |
| Обозначение англ: | Series 1.169.1-2с |
| Статус: | не определен законодательством |
| Название рус.: | Выпуск 1. Плиты ребристые кровельные, лотки водосборные и нащельники. Рабочие чертежи |
| Дата добавления в базу: | 01.09.2013 |
| Дата актуализации: | 01.01.2021 |
| Дата введения: | 15.02.1987 |
| Дата окончания срока действия: | 30.06.2003 |
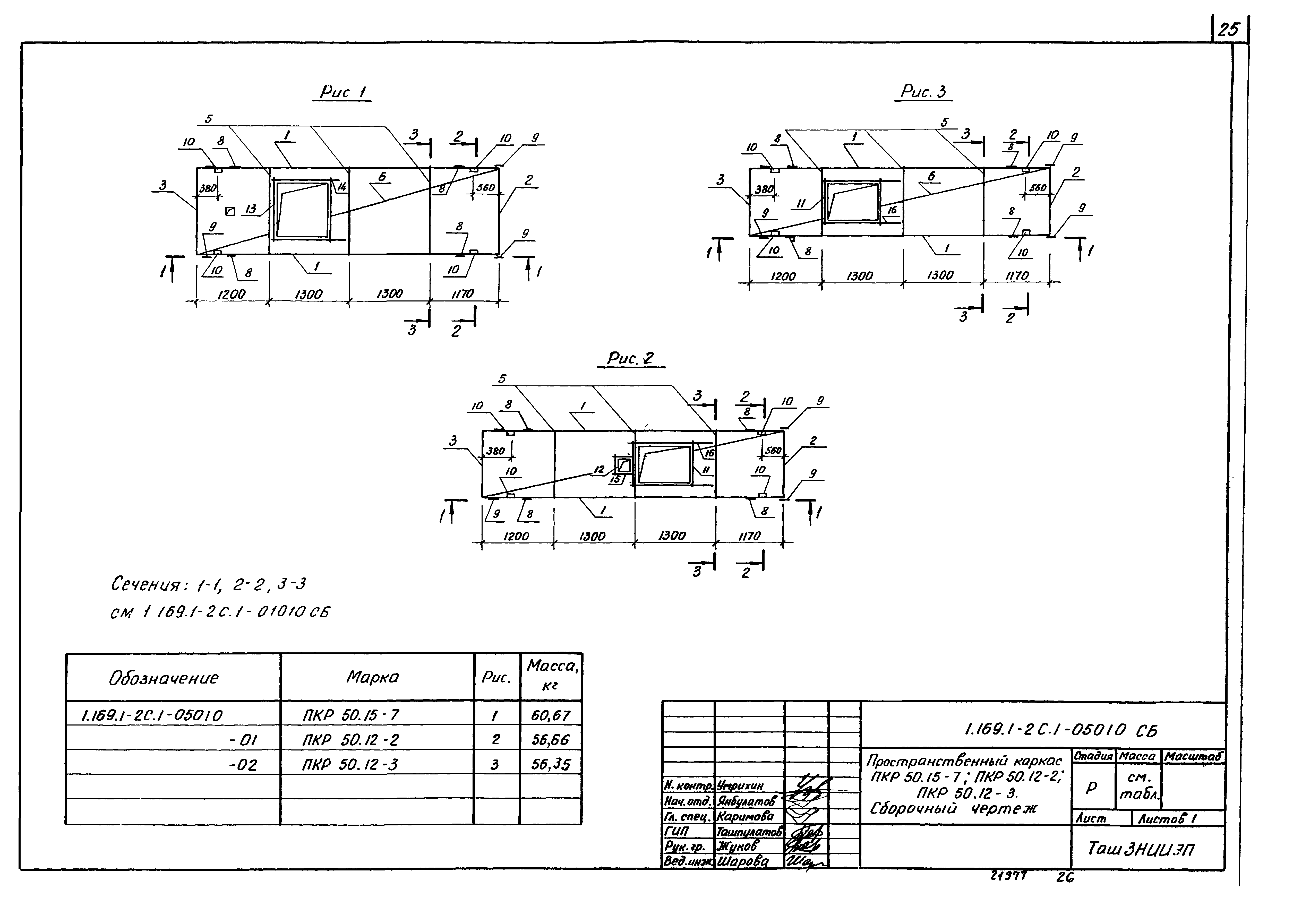
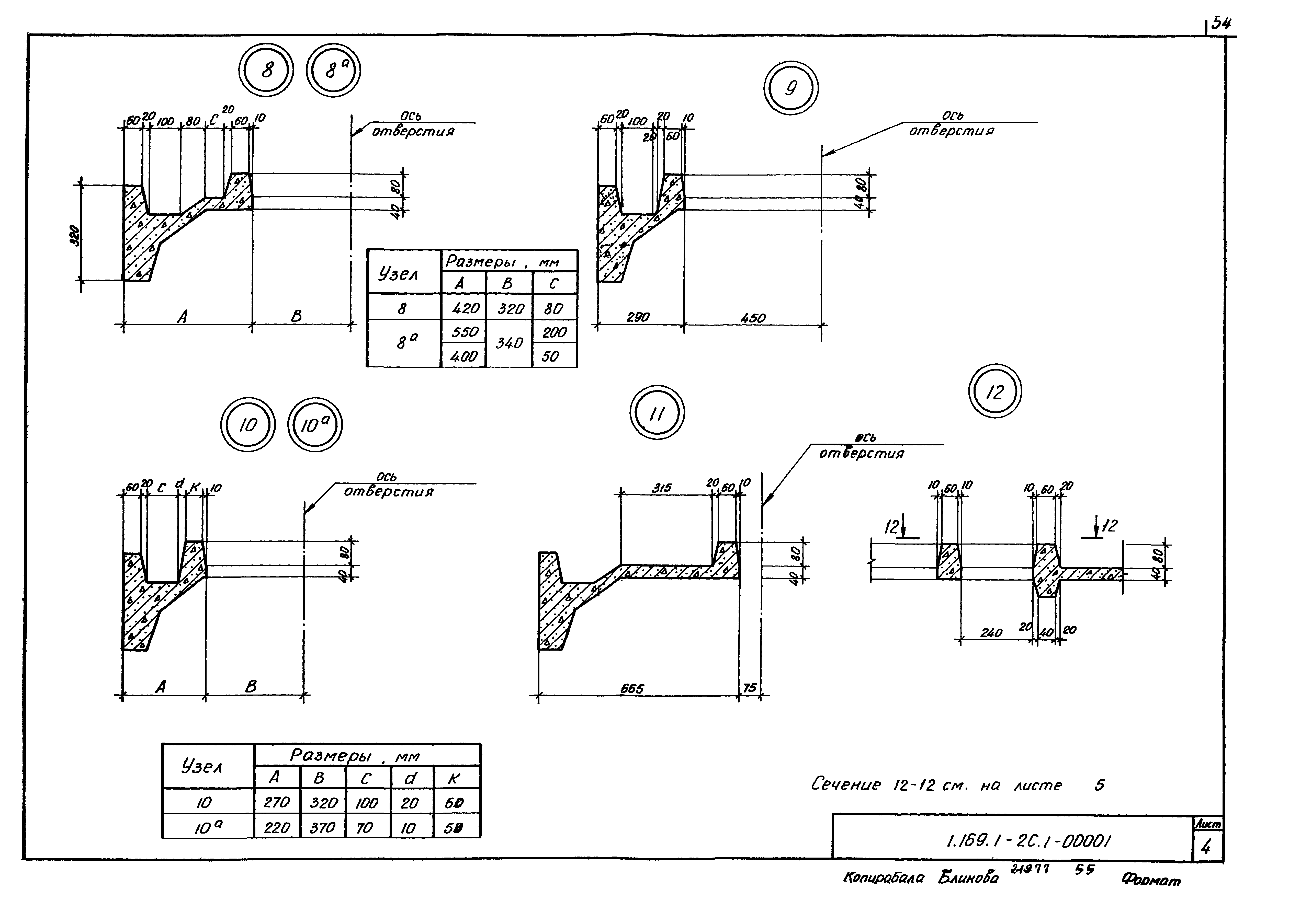
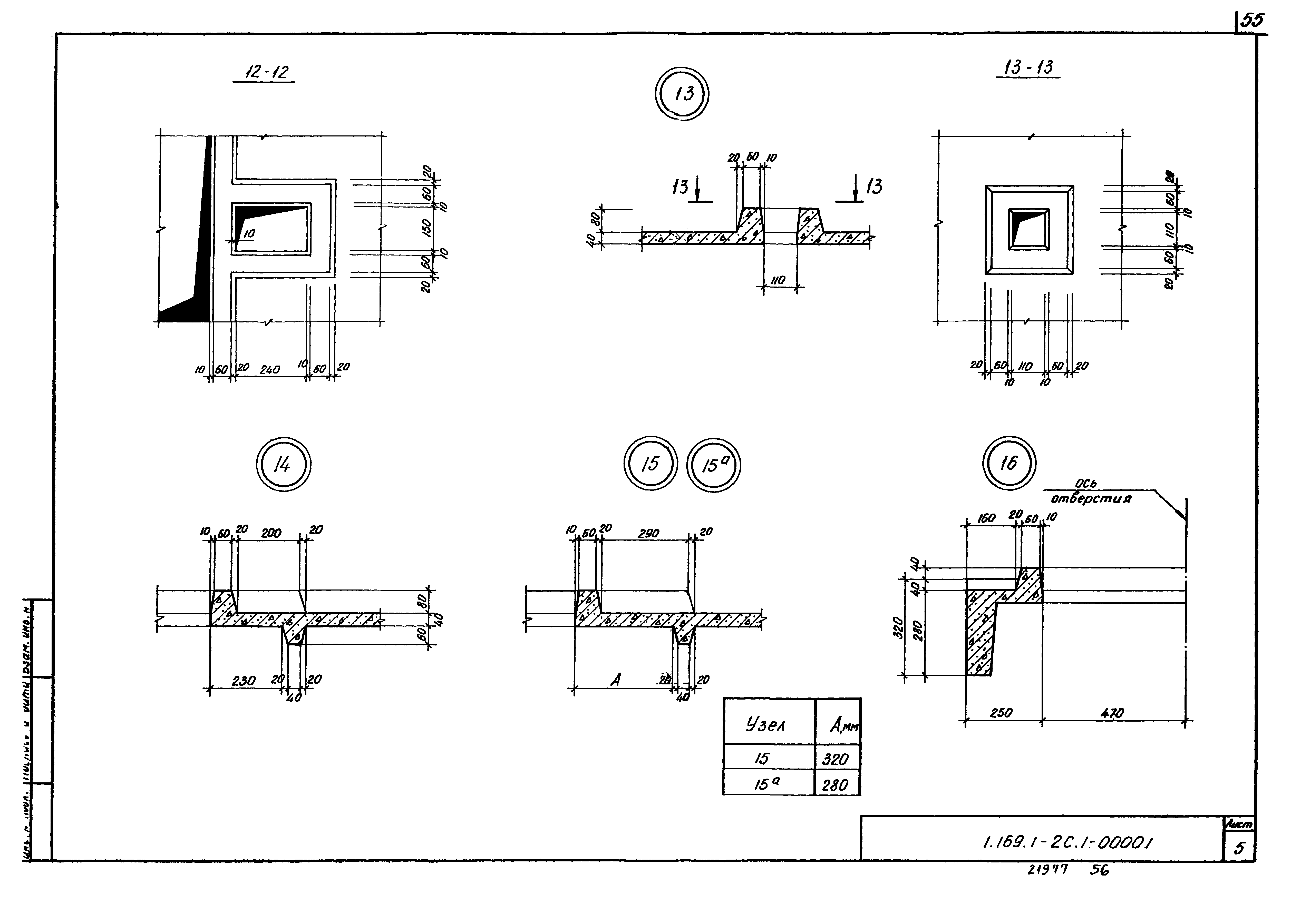
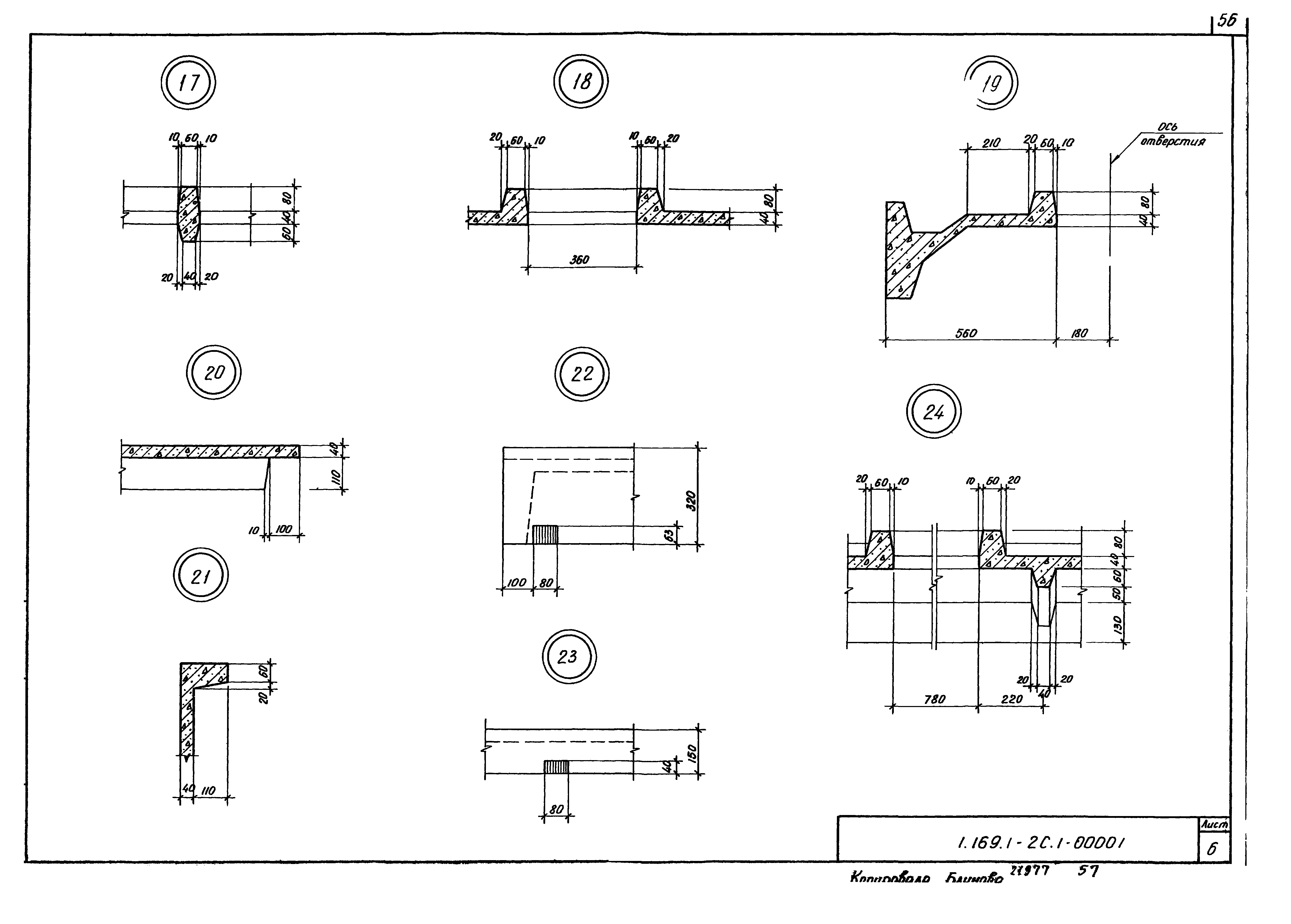
| Оглавление: | 1.169.1-2С.1-01000 Плита ребристая кровельная ПРК 57.18-2 Т-С; ПРК 57.15-2 Т-С; ПРК 57.12-2 Т-С; ПРК 57.18-2 Т-С1; ПРК 57.15-2 Т-С1 1.169.1-2С.1-01000 СБ Плита ребристая кровельная ПРК 57.18-2 Т-С; ПРК 57.15-2 Т-С; ПРК 57.12-2 Т-С; ПРК 57.18-2 Т-С1; ПРК 57.15-2 Т-С1. Сборочный чертеж 1.169.1-2С.1-01010 Пространственный каркас ПКР 57.18-1; ПКР 57.15-1; ПКР 57.12-1; ПКР 57.18-2; ПКР 57.15-2 1.169.1-2С.1-01010 СБ Пространственный каркас ПКР 57.18-1; ПКР 57.15-1; ПКР 57.12-1; ПКР 57.18-2; ПКР 57.15-2. Сборочный чертеж 1.169.1-2С.1-02000 Плита ребристая кровельная ПРК 57.15-2 Т-С2; ПРК 57.15-2 Т-С3 1.169.1-2С.1-02000 СБ Плита ребристая кровельная ПРК 57.15-2 Т-С2; ПРК 57.15-2 Т-С3. Сборочный чертеж 1.169.1-2С.1-02010 Пространственный каркас ПКР 57.15-3; ПКР 57.15-4 1.169.1-2С.1-02010 СБ Пространственный каркас ПКР 57.15-3; ПКР 57.15-4. Сборочный чертеж 1.169.1-2С.1-03000 Плита ребристая кровельная ПРК 57.18-2 Т-С3; ПРК 57.18-2 Т-С2; ПРК 57.18-2 Т-С4 1.169.1-2С.1-03000 СБ Плита ребристая кровельная ПРК 57.18-2 Т-С3; ПРК 57.18-2 Т-С2; ПРК 57.18-2 Т-С4. Сборочный чертеж 1.169.1-2С.1-03010 Пространственный каркас ПКР 57.18-3; ПКР 57.18-4; ПКР 57.18-5 1.169.1-2С.1-03010 СБ Пространственный каркас ПКР 57.18-3; ПКР 57.18-4; ПКР 57.18-5. Сборочный чертеж 1.169.1-2С.1-04000 Плита ребристая кровельная ПРК 50.18-2 Т-С; ПРК 50.15-2 Т-С; ПРК 50.12-2 Т-С; ПРК 50.15-2 Т-С5; ПРК 50.12-2 Т-С4 1.169.1-2С.1-04000 СБ Плита ребристая кровельная ПРК 50.18-2 Т-С; ПРК 50.15-2 Т-С; ПРК 50.12-2 Т-С; ПРК 50.15-2 Т-С5; ПРК 50.12-2 Т-С4. Сборочный чертеж 1.169.1-2С.1-04010 Пространственный каркас ПКР 50.18-1; ПКР 50.15-1; ПКР 50.12-1; ПКР 50.15-2; ПКР 50.12-5 1.169.1-2С.1-04010 СБ Пространственный каркас ПКР 50.18-1; ПКР 50.15-1; ПКР 50.12-1; ПКР 50.15-2; ПКР 50.12-5. Сборочный чертеж 1.169.1-2С.1-05000 Плита ребристая кровельная ПРК 50.15-2 Т-С3; ПРК 50.12-2 Т-С1; ПРК 50.12-2 Т-С2 1.169.1-2С.1-05000 СБ Плита ребристая кровельная ПРК 50.15-2 Т-С3; ПРК 50.12-2 Т-С1; ПРК 50.12-2 Т-С2. Сборочный чертеж 1.169.1-2С.1-05010 Пространственный каркас ПКР 50.15-7; ПКР 50.12-2; ПКР 50.12-3 1.169.1-2С.1-05010 СБ Пространственный каркас ПКР 50.15-7; ПКР 50.12-2; ПКР 50.12-3. Сборочный чертеж 1.169.1-2С.1-06000 Плита ребристая кровельная ПРК 50.15-2 Т-С6; ПРК 50.15-2 Т-С4; ПРК 50.15-2 Т-С1; ПРК 50.15-2 Т-С2; ПРК 50.12-2 Т-С3 1.169.1-2С.1-06000 СБ Плита ребристая кровельная ПРК 50.15-2 Т-С6; ПРК 50.15-2 Т-С4; ПРК 50.15-2 Т-С1; ПРК 50.15-2 Т-С2; ПРК 50.12-2 Т-С3. Сборочный чертеж 1.169.1-2С.1-06010 Пространственный каркас ПКР 50.15-3; ПКР 50.15-4; ПКР 50.15-5; ПКР 50.15-6; ПКР 50.12-4 1.169.1-2С.1-06010 СБ Пространственный каркас ПКР 50.15-3; ПКР 50.15-4; ПКР 50.15-5; ПКР 50.15-6; ПКР 50.12-4. Сборочный чертеж 1.169.1-2С.1-07000 Плита ребристая кровельная ПРК 44.15-2 Т-С; ПРК 44.12-2 Т-С; ПРК 44.15-2 Т-С1; ПРК 44.12-2 Т-С1 1.169.1-2С.1-07000 СБ Плита ребристая кровельная ПРК 44.15-2 Т-С; ПРК 44.12-2 Т-С; ПРК 44.15-2 Т-С1; ПРК 44.12-2 Т-С1. Сборочный чертеж 1.169.1-2С.1-07010 Пространственный каркас ПКР 44.15-1; ПКР 44.12-1; ПКР 44.12-2; ПКР 44.15-2 1.169.1-2С.1-07010 СБ Пространственный каркас ПКР 44.15-1; ПКР 44.12-1; ПКР 44.12-2; ПКР 44.15-2. Сборочный чертеж 1.169.1-2С.1-08000 Плита ребристая кровельная ПРК 35.15-2 Т-С; ПРК 35.12-2 Т-С; ПРК 35.12-2 Т-С1 1.169.1-2С.1-08000 СБ Плита ребристая кровельная ПРК 35.15-2 Т-С; ПРК 35.12-2 Т-С; ПРК 35.12-2 Т-С1. Сборочный чертеж 1.169.1-2С.1-08010 Пространственный каркас ПКР 35.15-1; ПКР 35.12-1; ПКР 35.12-2 1.169.1-2С.1-08010 СБ Пространственный каркас ПКР 35.15-1; ПКР 35.12-1; ПКР 35.12-2. Сборочный чертеж 1.169.1-2С.1-09000 Нащельник кровельный НЩК 38.13-1 Т-С; НЩК 32.13-1 Т-С; НЩК 36.13-1 Т-С 1.169.1-2С.1-09000 СБ Нащельник кровельный НЩК 38.13-1 Т-С; НЩК 32.13-1 Т-С; НЩК 36.13-1 Т-С. Сборочный чертеж 1.169.1-2С.1-10000 Нащельник кровельный НЩК 57.13-1 Т-С; НЩК 50.13-1 Т-С; НЩК 44.13-1 Т-С; НЩК 35.13-1 Т-С; НЩК 10.13-1 Т-С 1.169.1-2С.1-10000 СБ Нащельник кровельный НЩК 57.13-1 Т-С; НЩК 50.13-1 Т-С; НЩК 44.13-1 Т-С; НЩК 35.13-1 Т-С; НЩК 10.13-1 Т-С. Сборочный чертеж 1.169.1-2С.1-11000 Лоток водосборный шириной 1300 мм 1.169.1-2С.1-11000 СБ Лоток водосборный шириной 1300 мм. Сборочный чертеж 1.169.1-2С.1-12000 Плита ребристая кровельная ПРК 30.28-2 Т-С; ПРК 36.28-2 Т-С 1.169.1-2С.1-12000 СБ Плита ребристая кровельная ПРК 30.28-2 Т-С; ПРК 36.28-2 Т-С. Сборочный чертеж 1.169.1-2С.1-00001 Узлы опалубочные 1…27 1.169.1-2С.1-00002 Сечения арматурные 10-10…22-22 1.169.1-2С.1-00000 РС Ведомость расхода стали |
| Разработан: | ТашЗНИИЭП Госгражданстроя |
| Утверждён: | 03.02.1987 Госгражданстрой (Gosgrazhdanstroy 22) |




























































