Скачать Серия 1.169.1-2с Выпуск 2. Доборные изделия. Рабочие чертежиДата актуализации: 01.01.2021
|
| Обозначение: | Серия 1.169.1-2с |
| Обозначение англ: | Series 1.169.1-2с |
| Статус: | не определен законодательством |
| Название рус.: | Выпуск 2. Доборные изделия. Рабочие чертежи |
| Дата добавления в базу: | 01.09.2013 |
| Дата актуализации: | 01.01.2021 |
| Дата введения: | 15.02.1987 |
| Дата окончания срока действия: | 30.06.2003 |
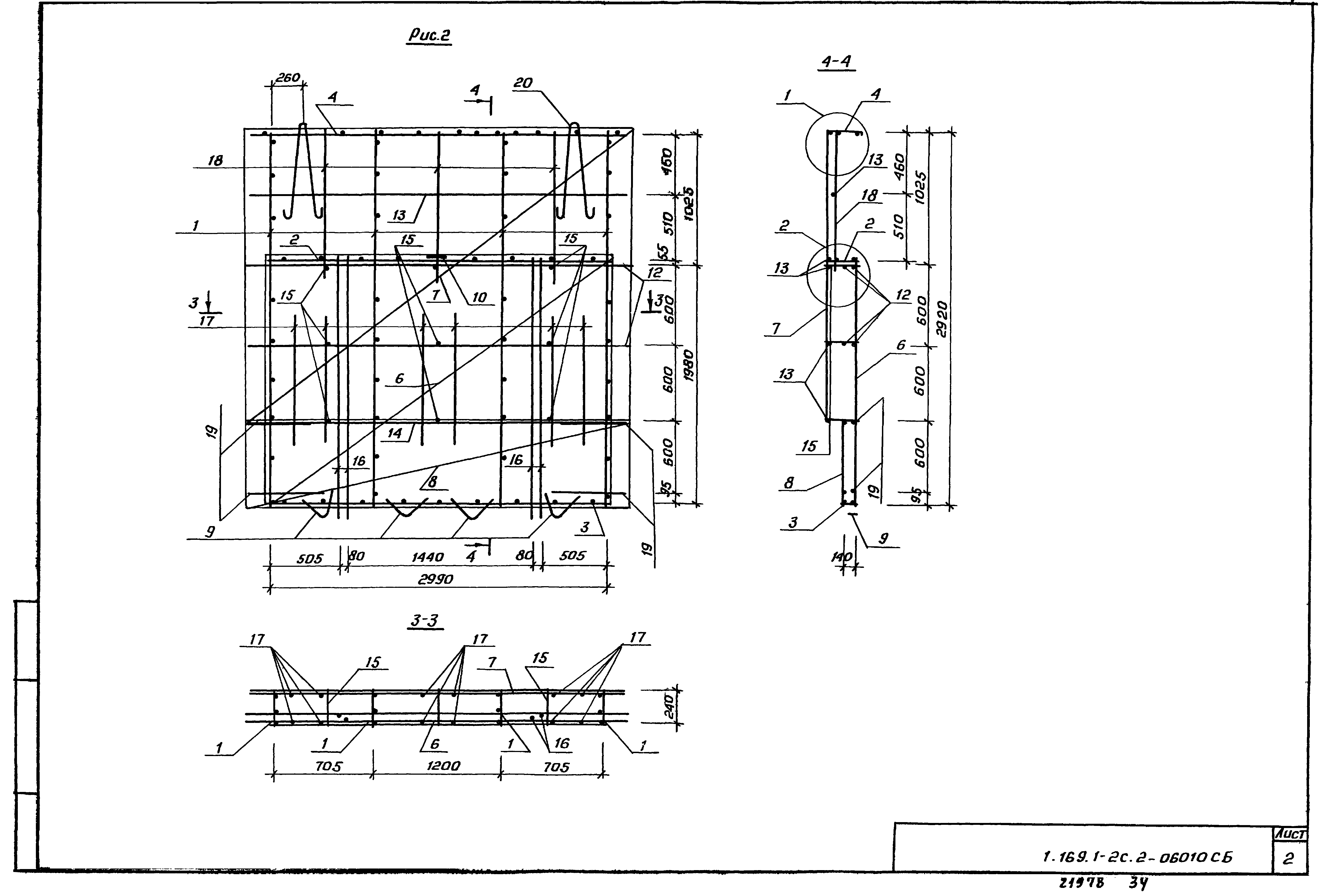
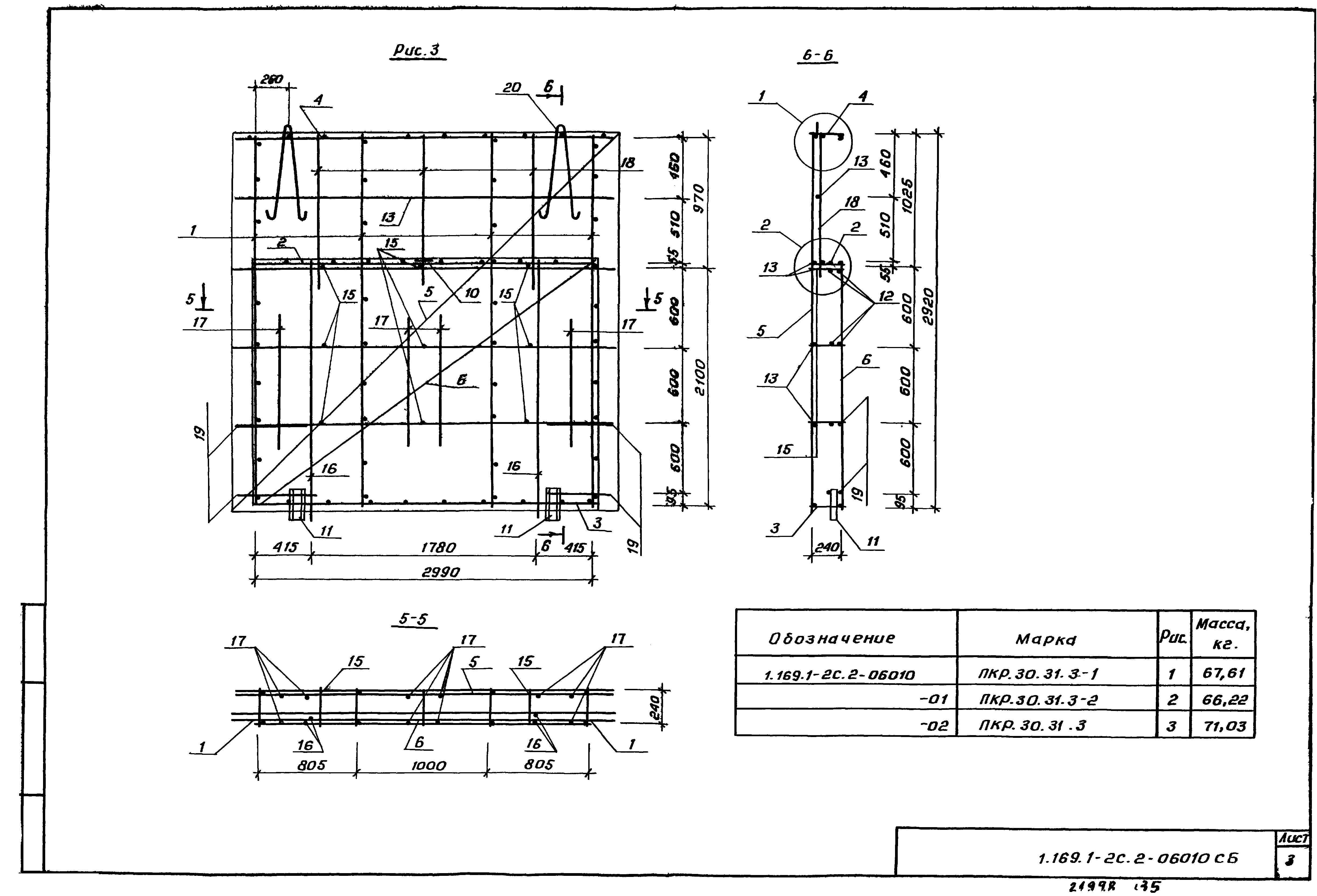
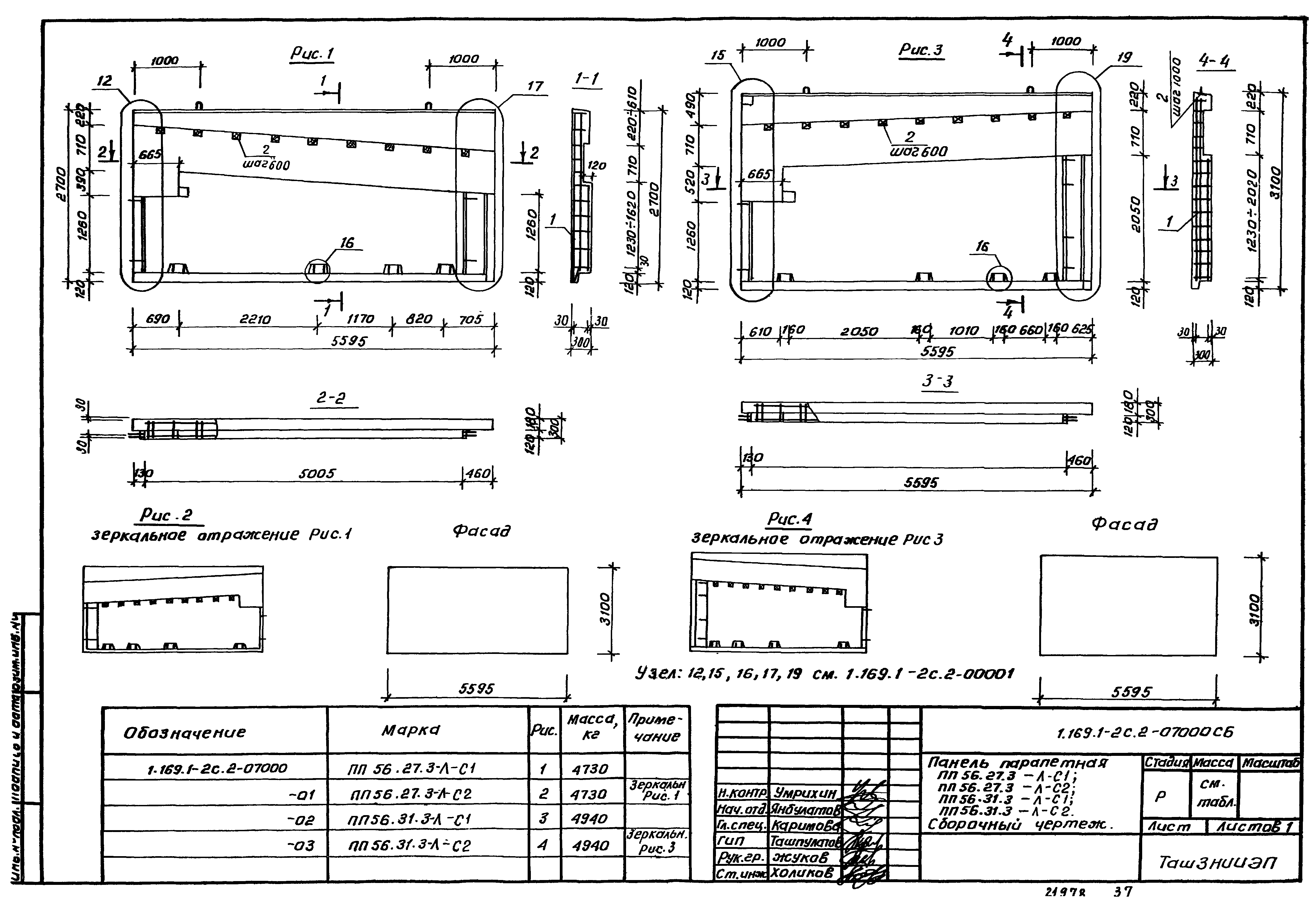
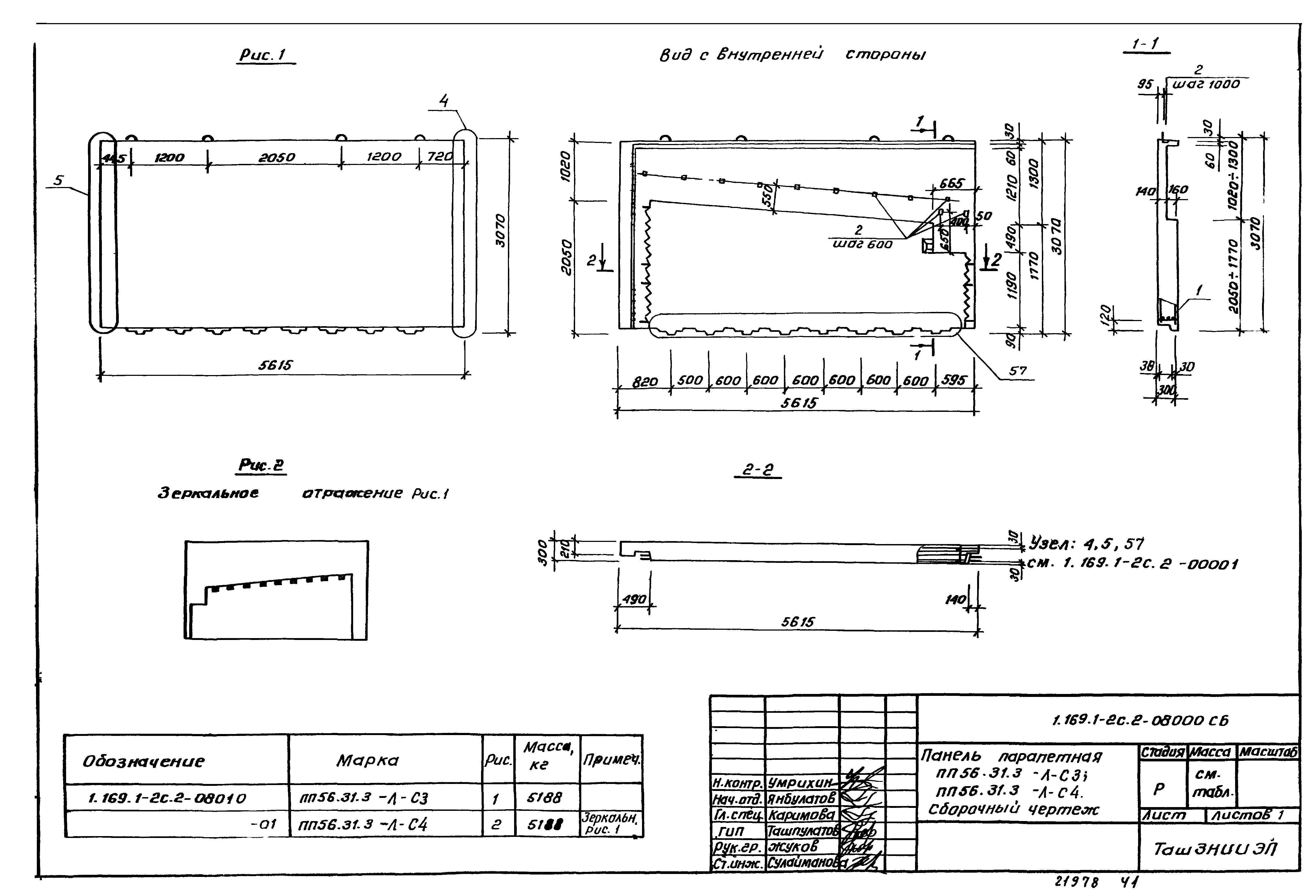
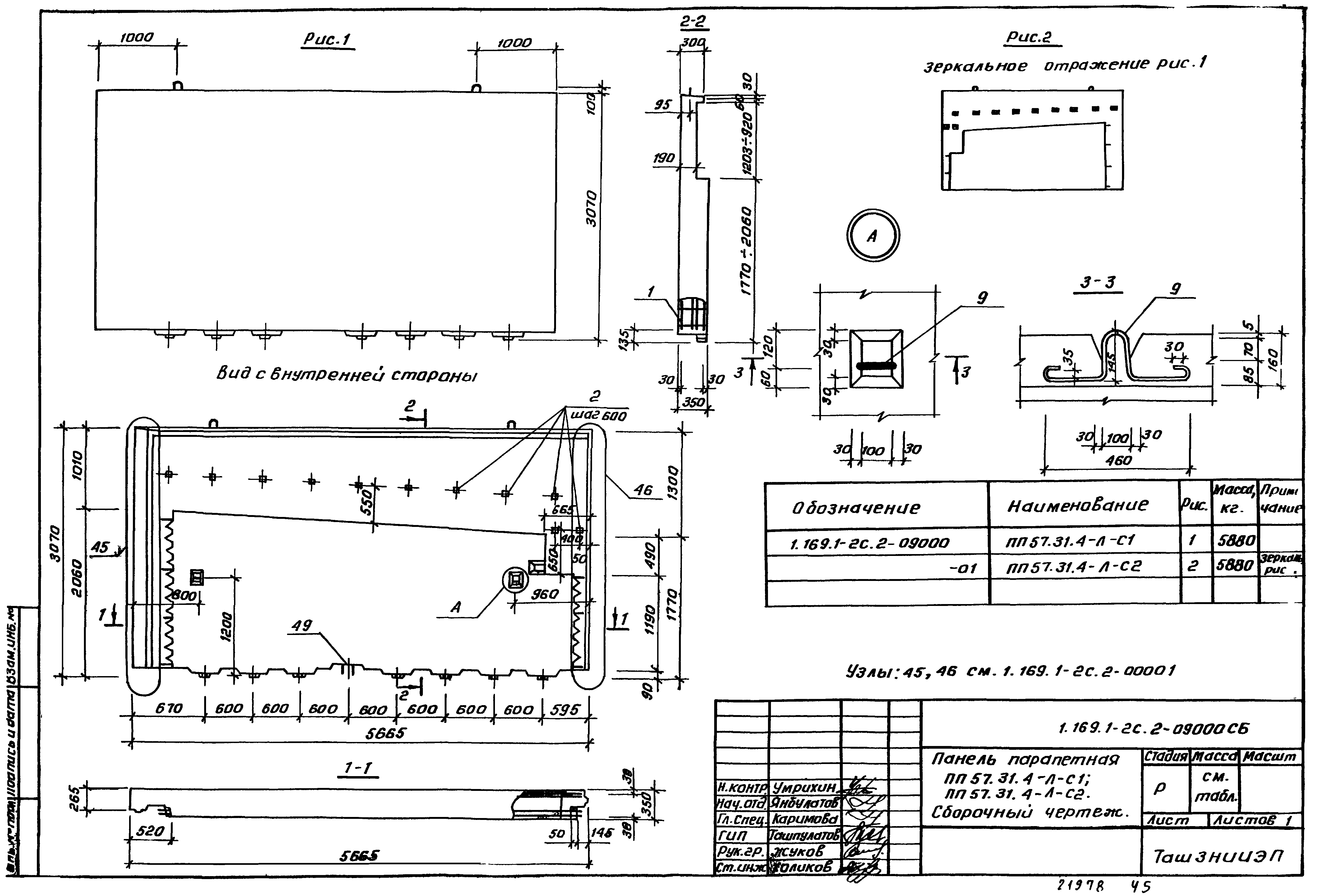
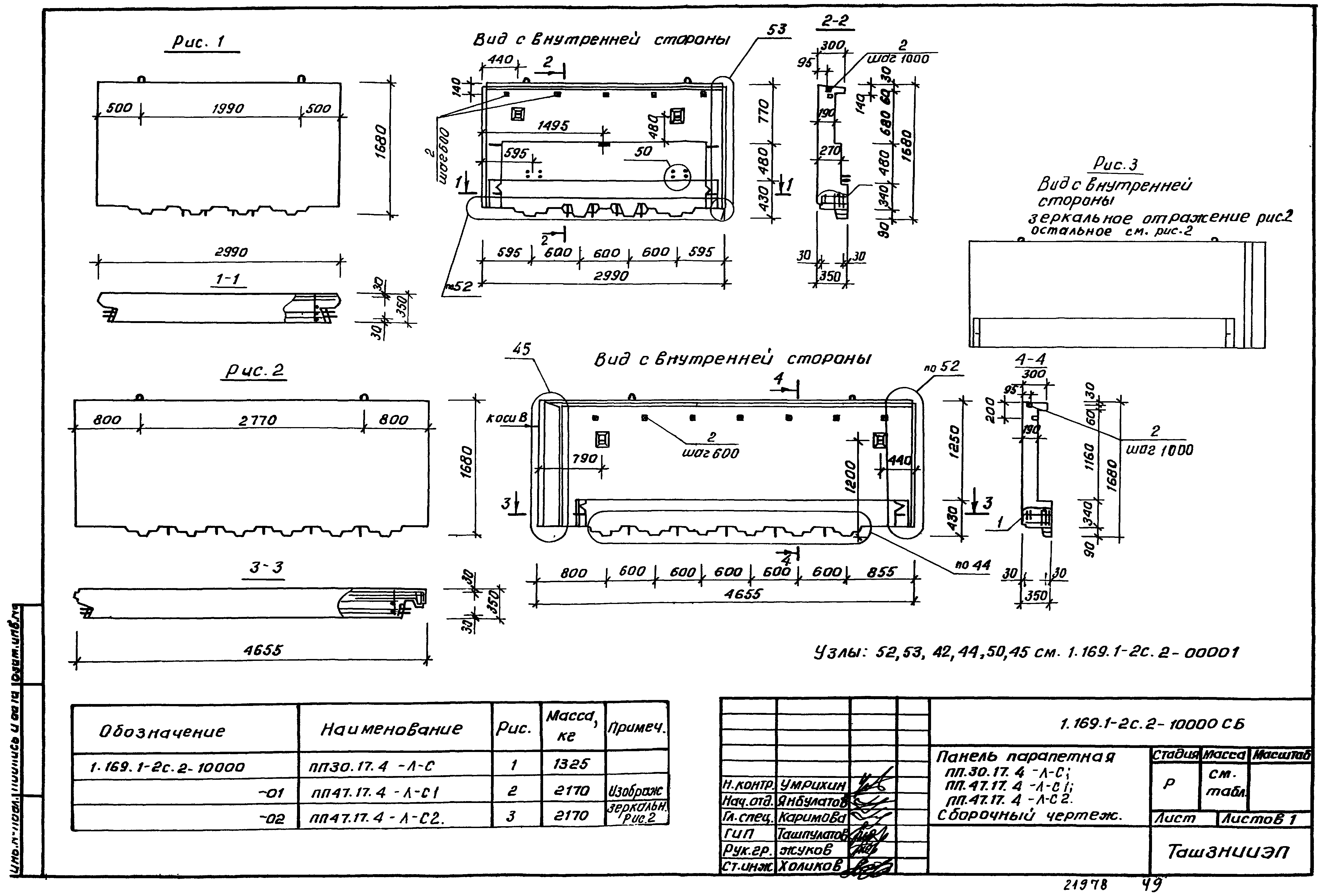
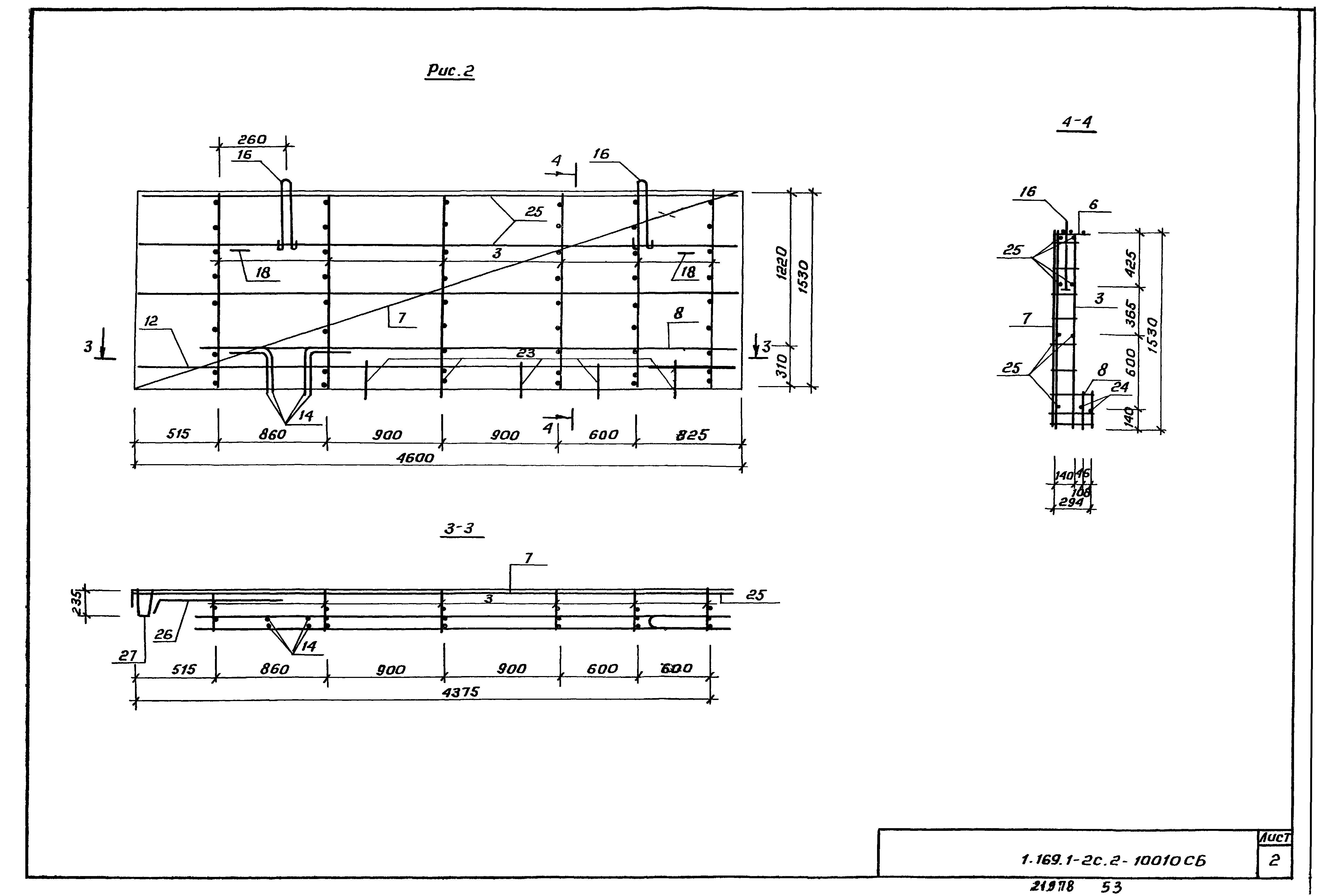
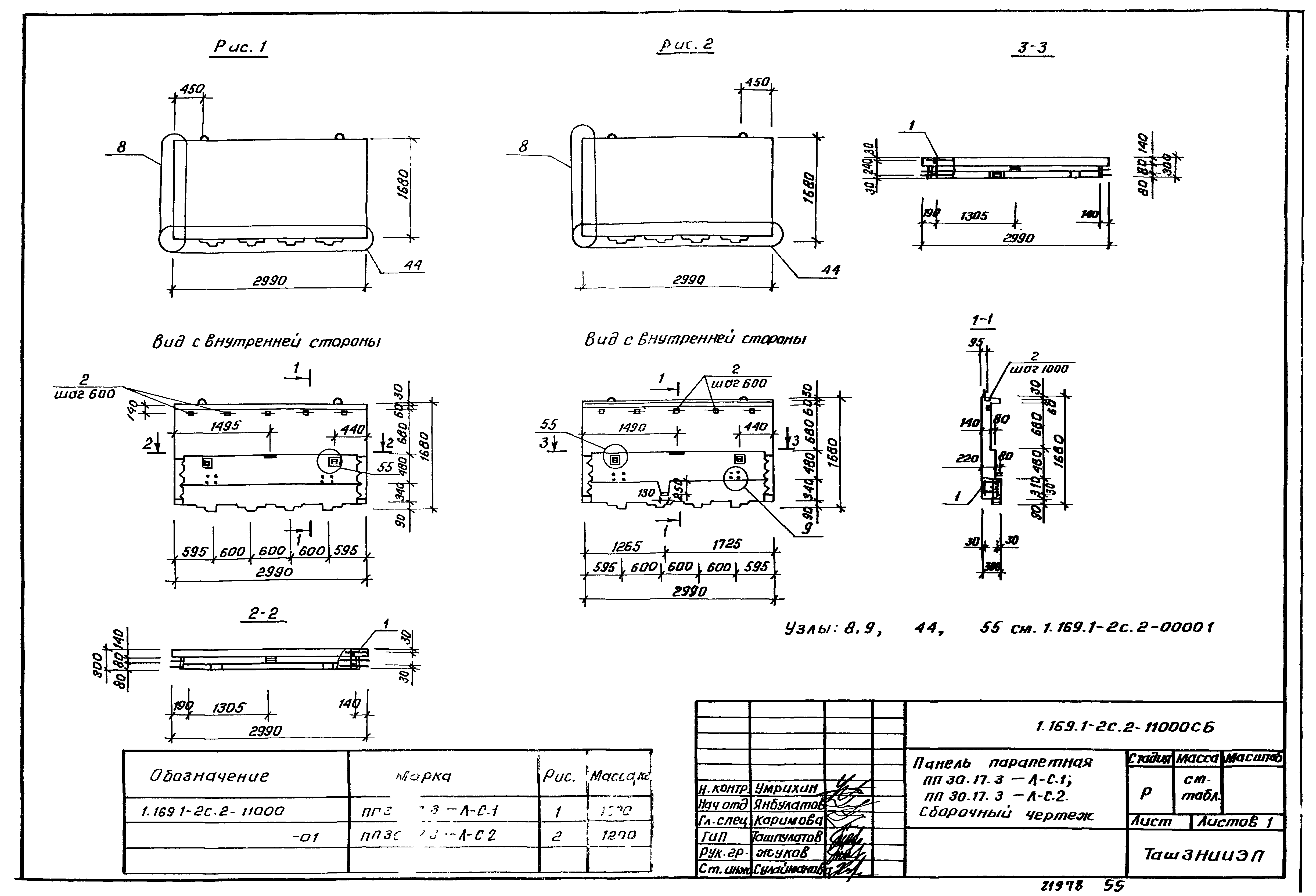
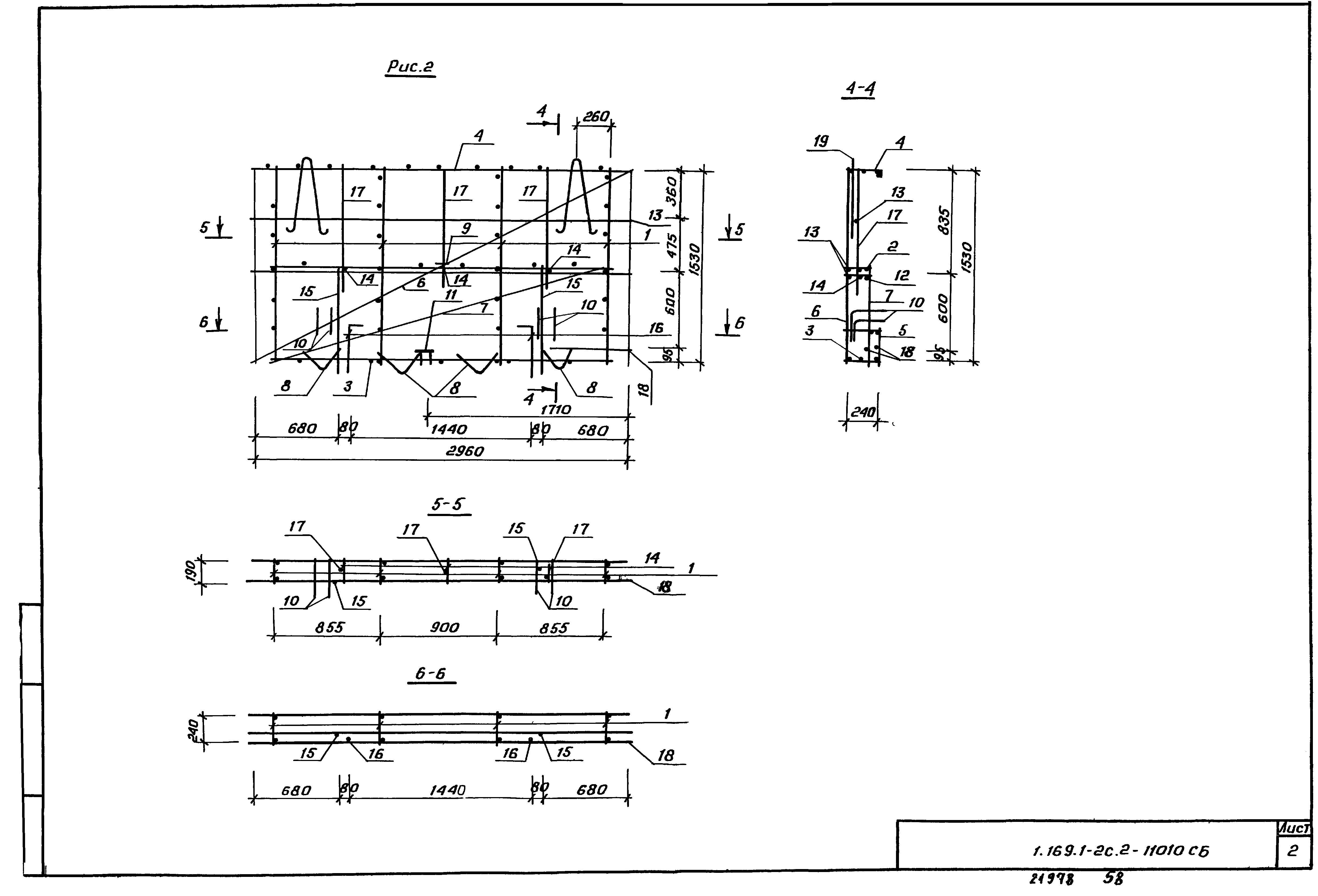
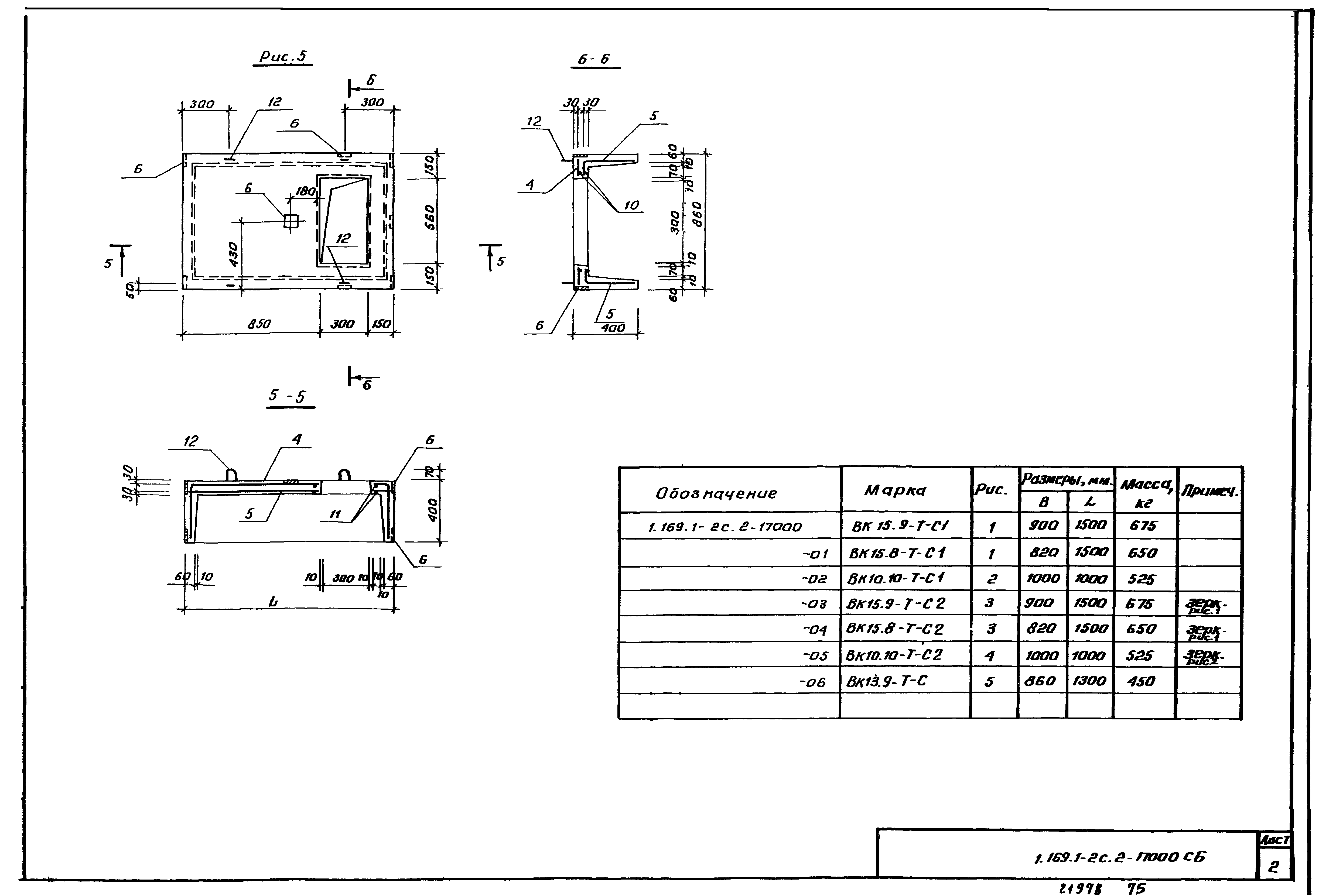
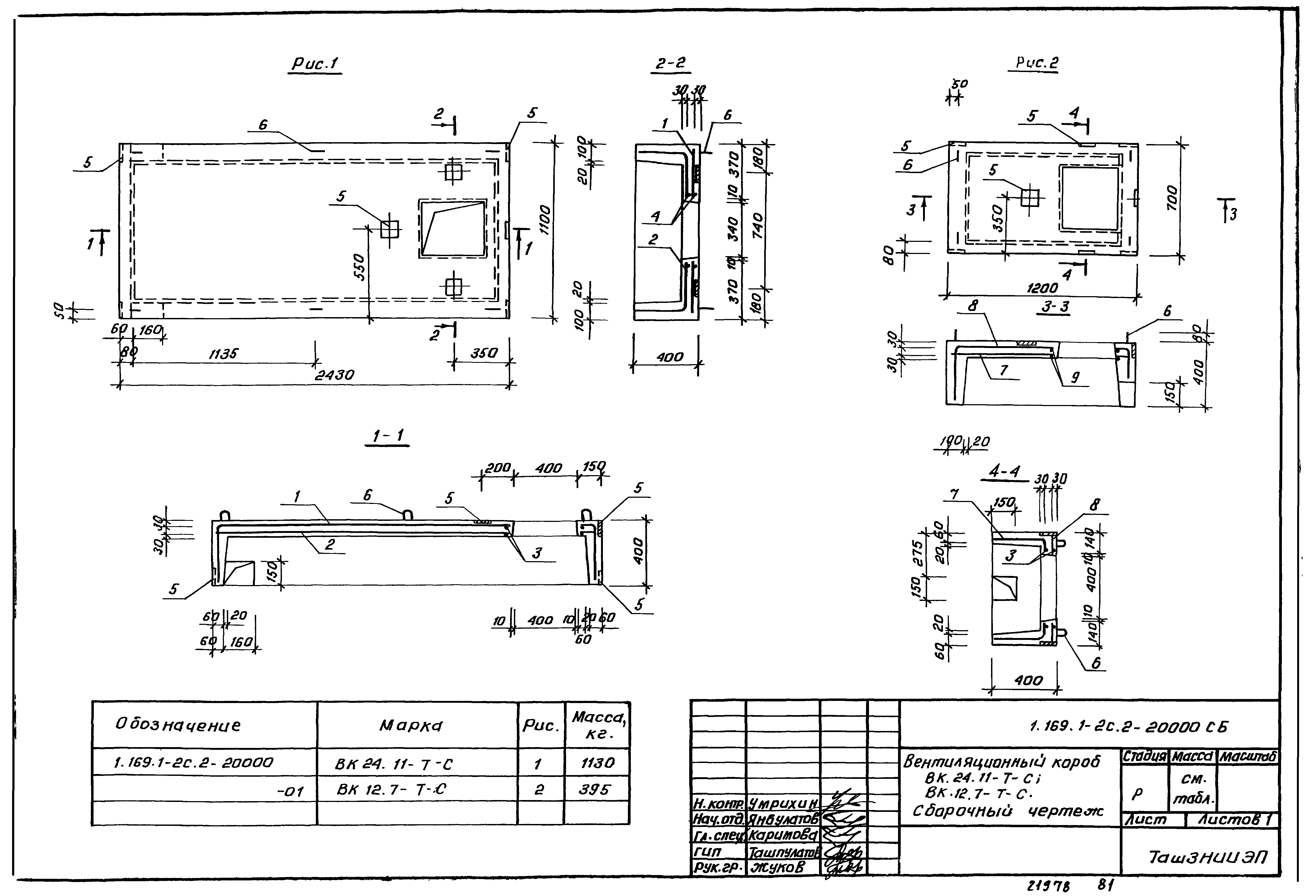
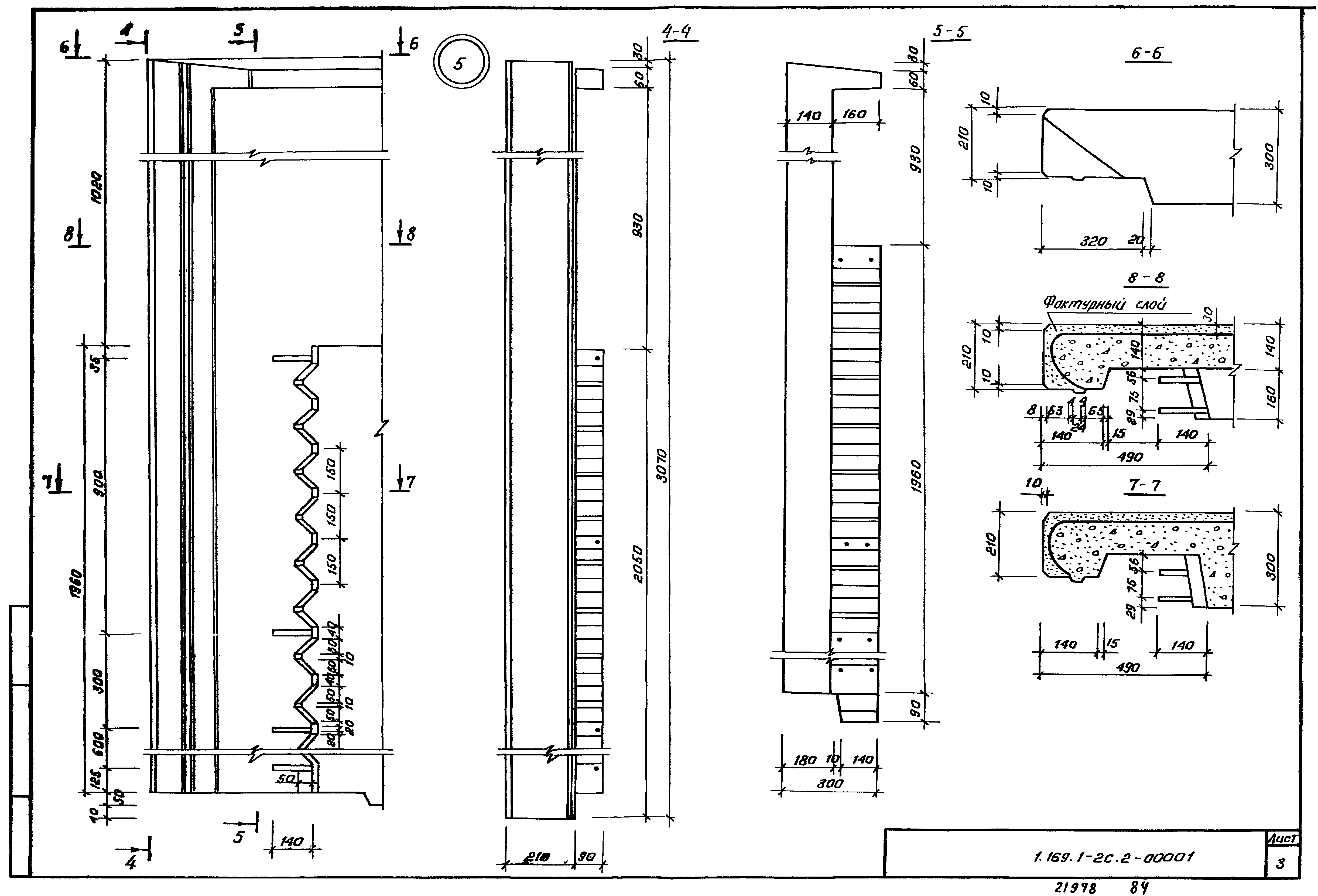
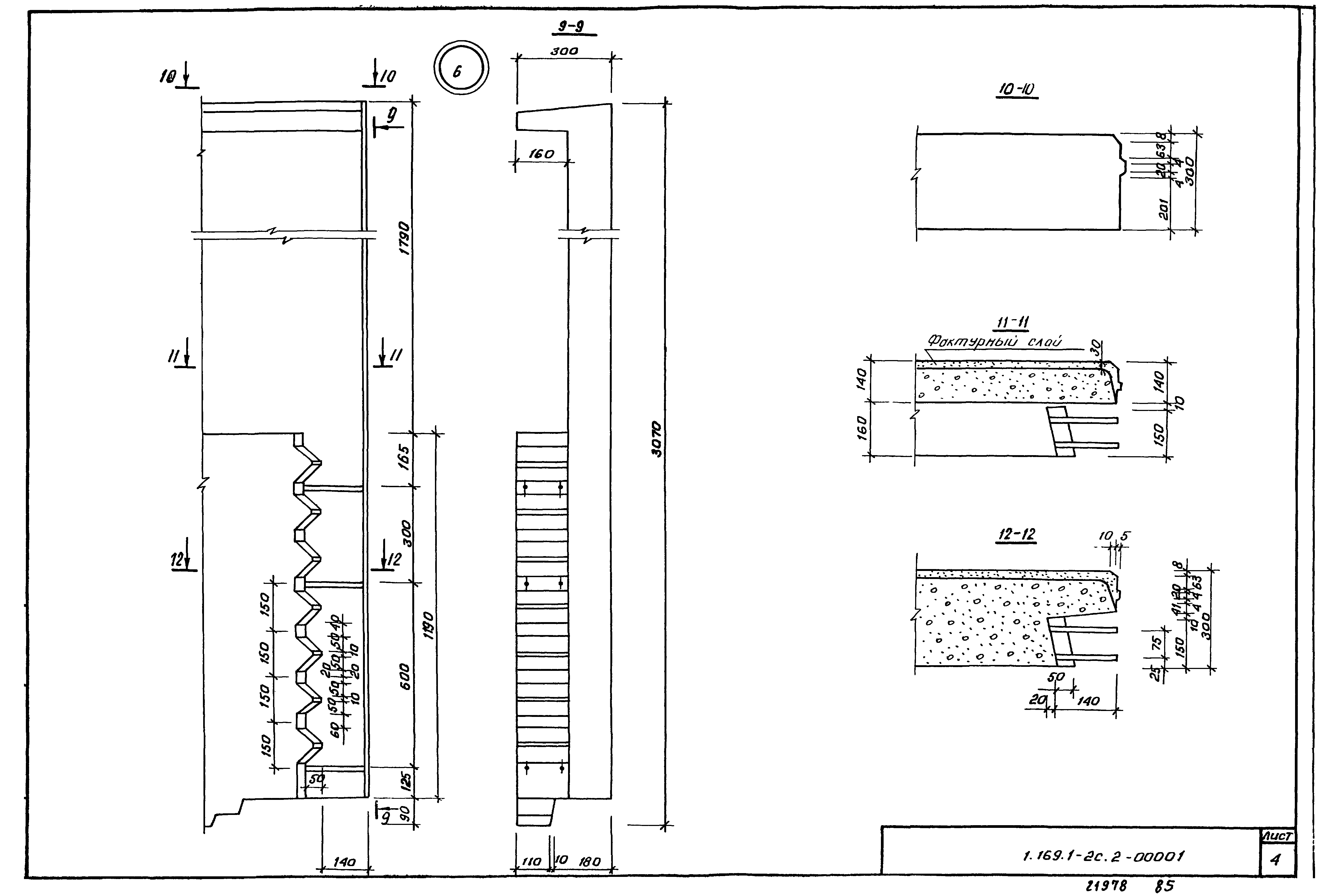
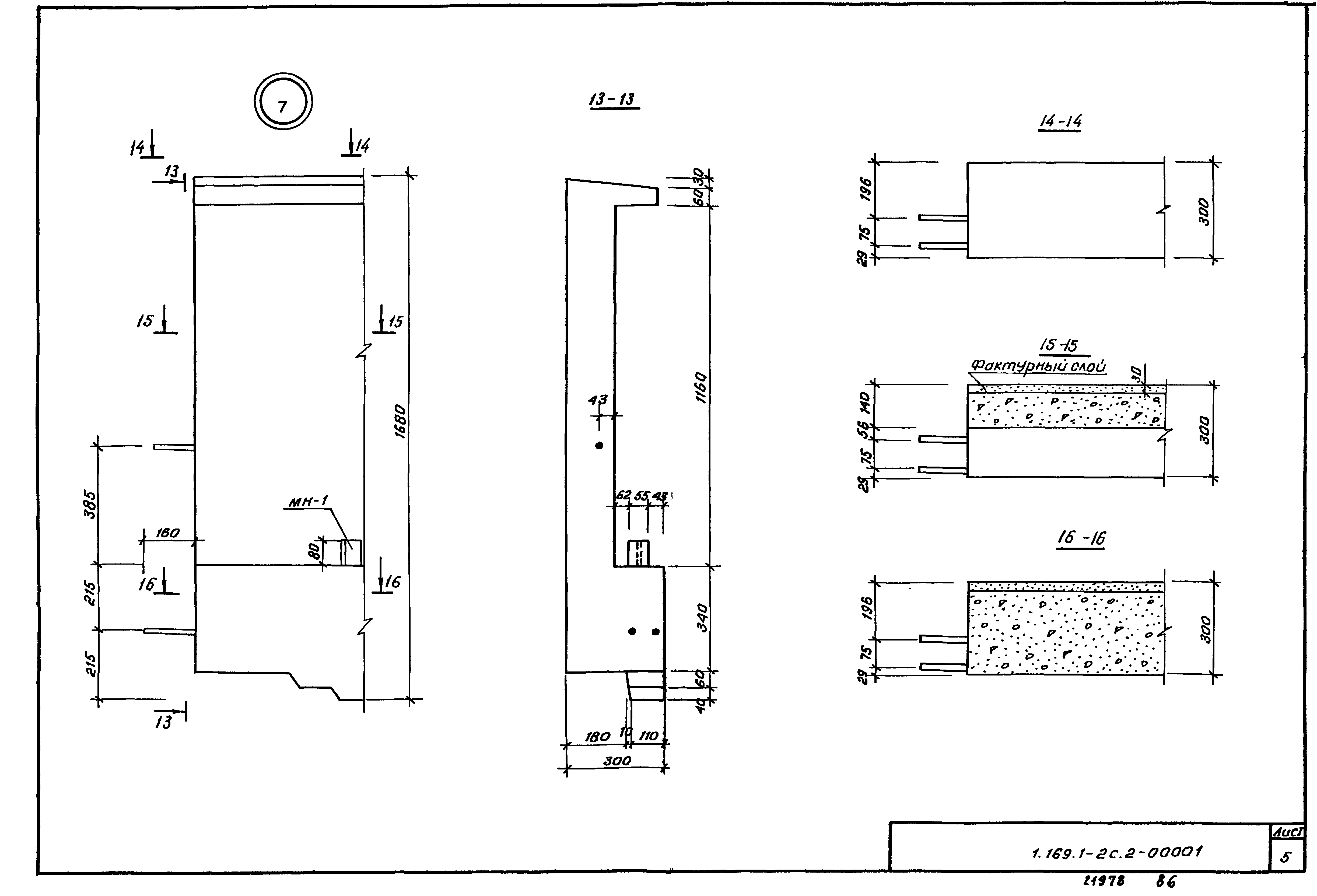
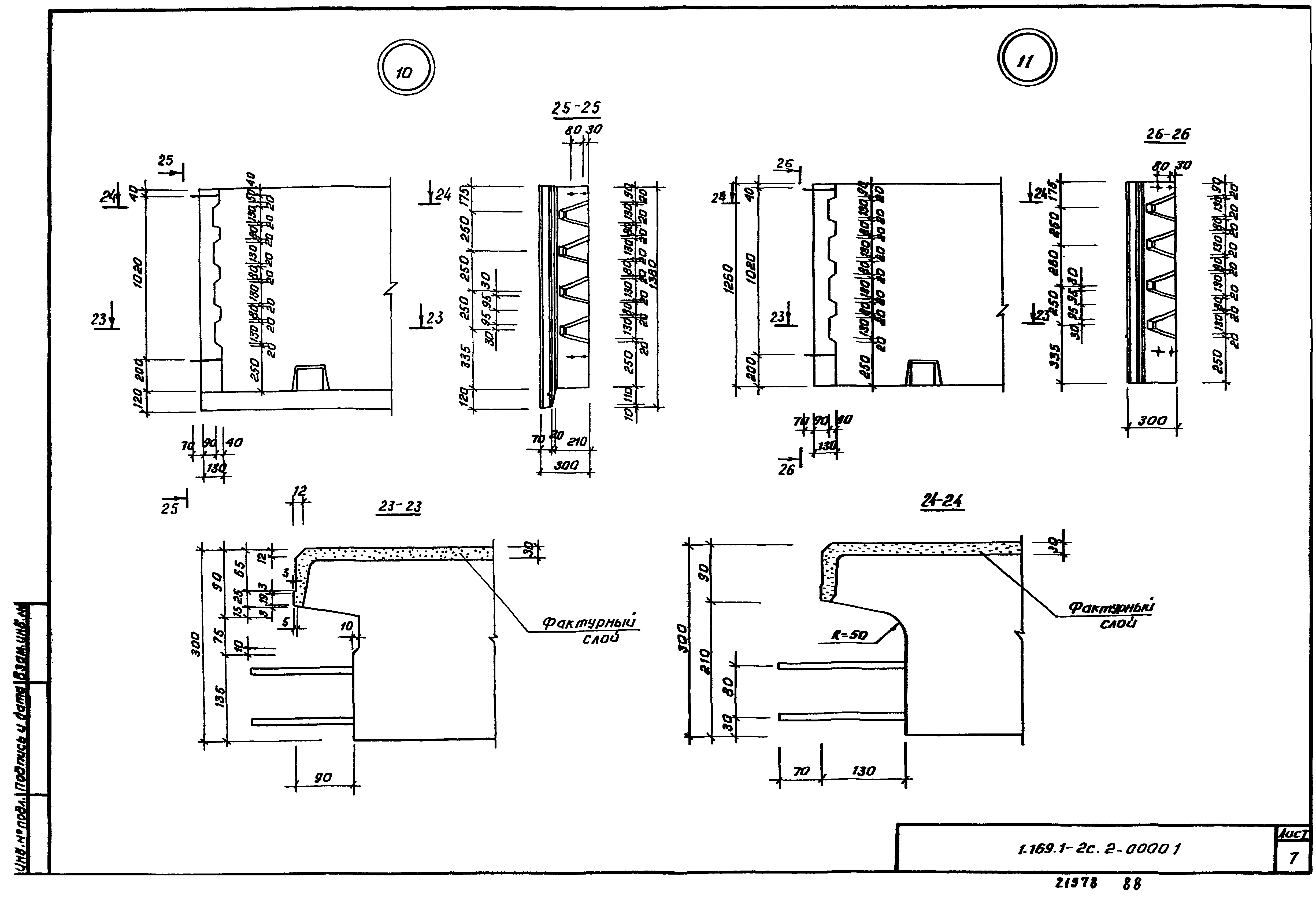
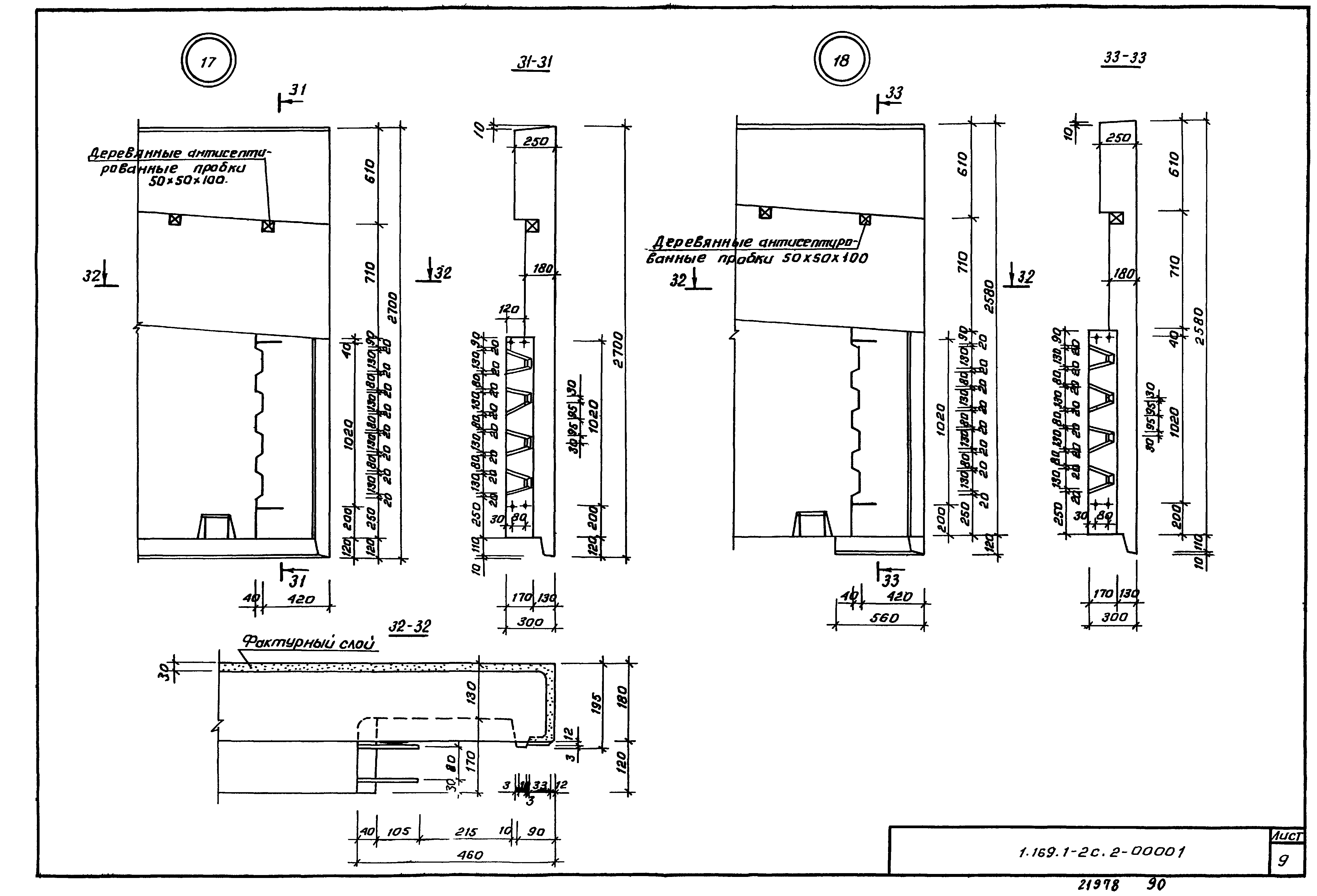
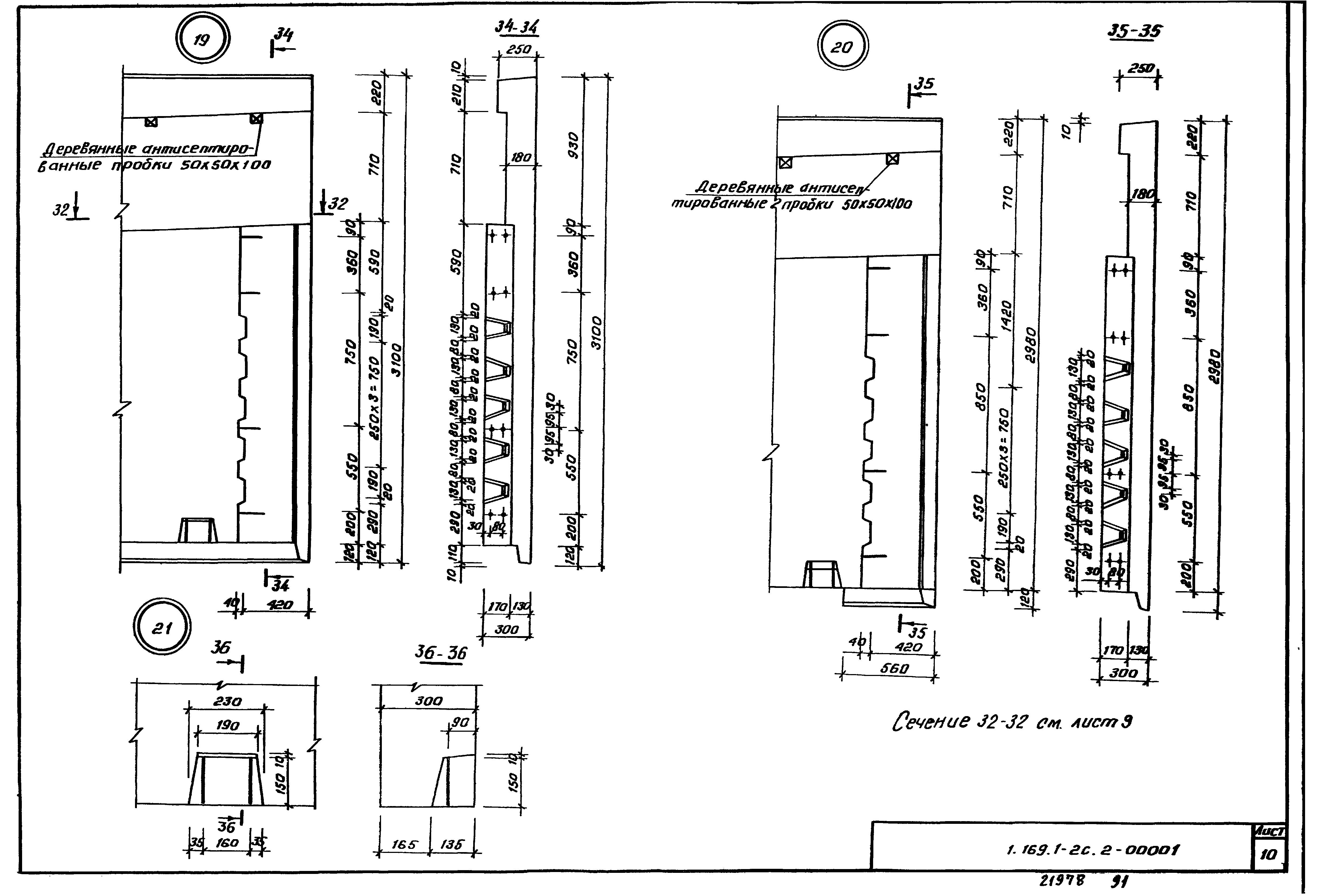
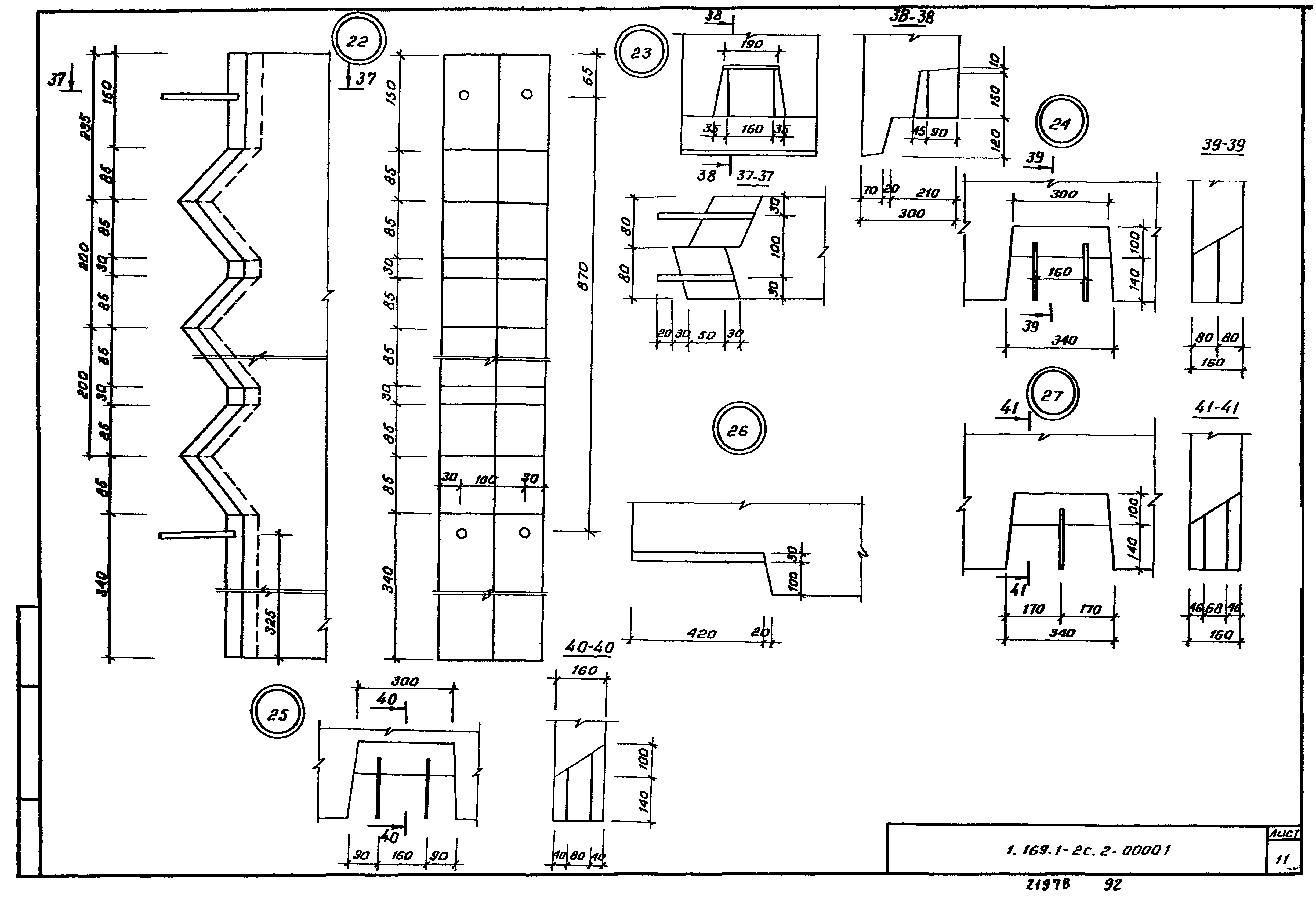
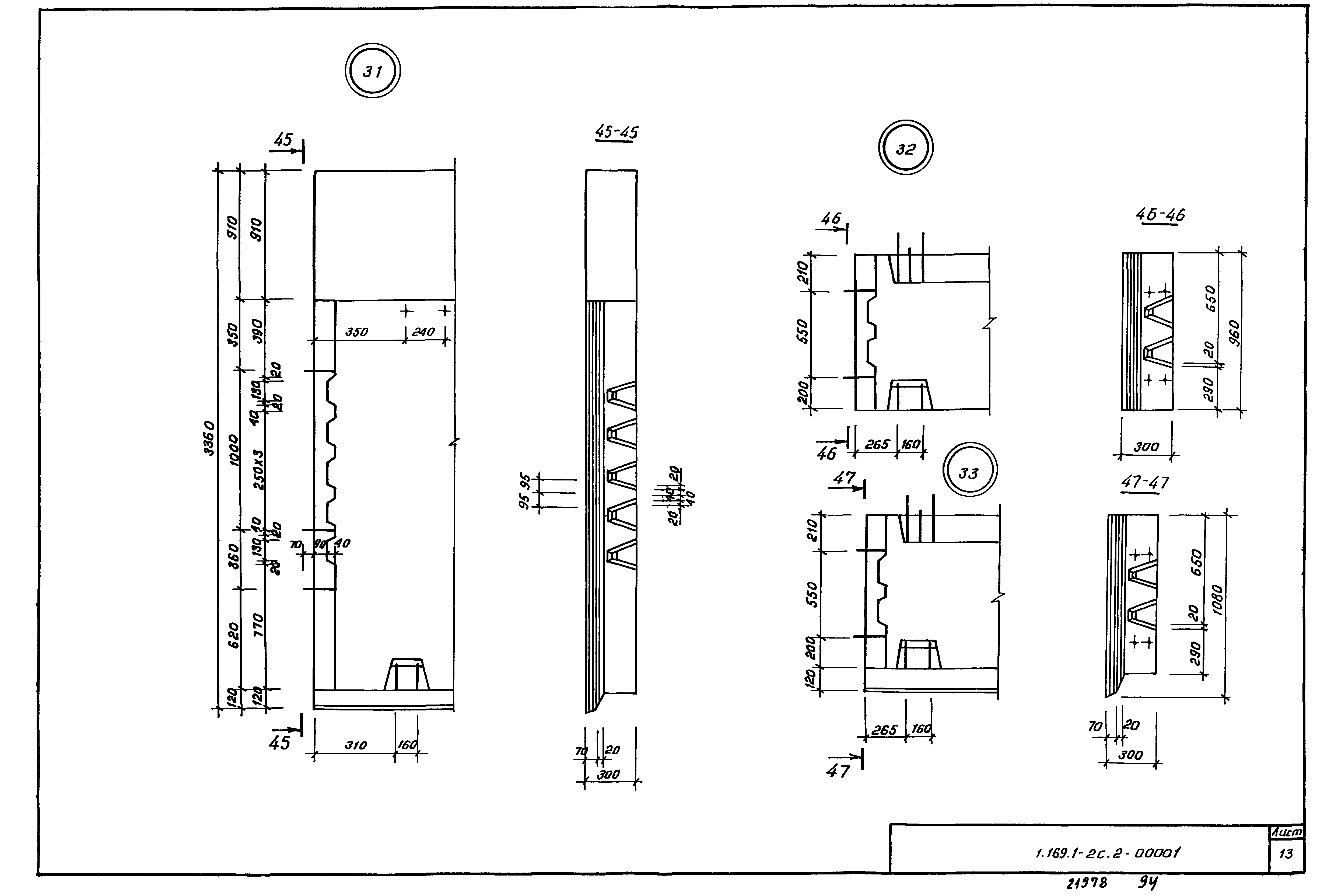
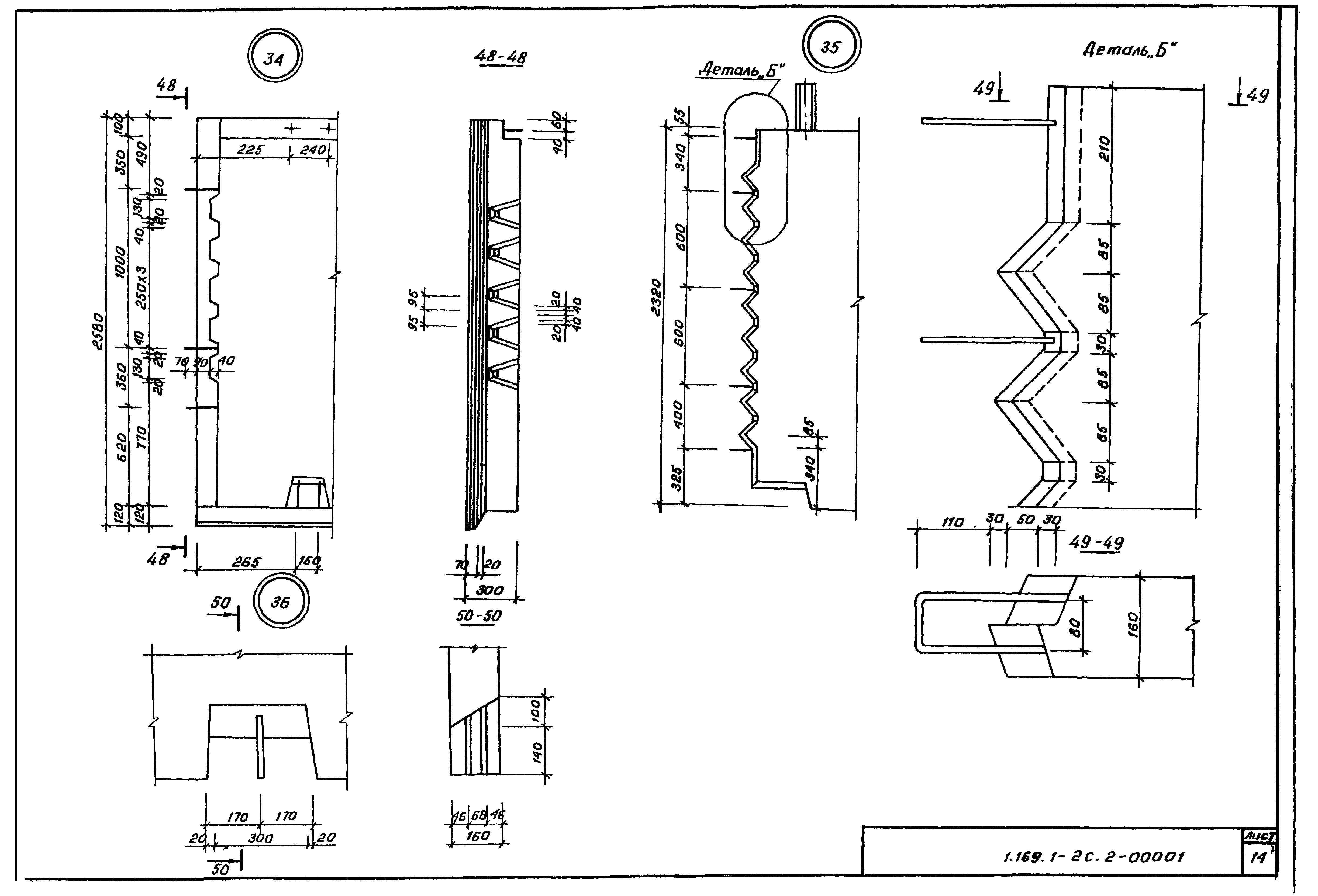
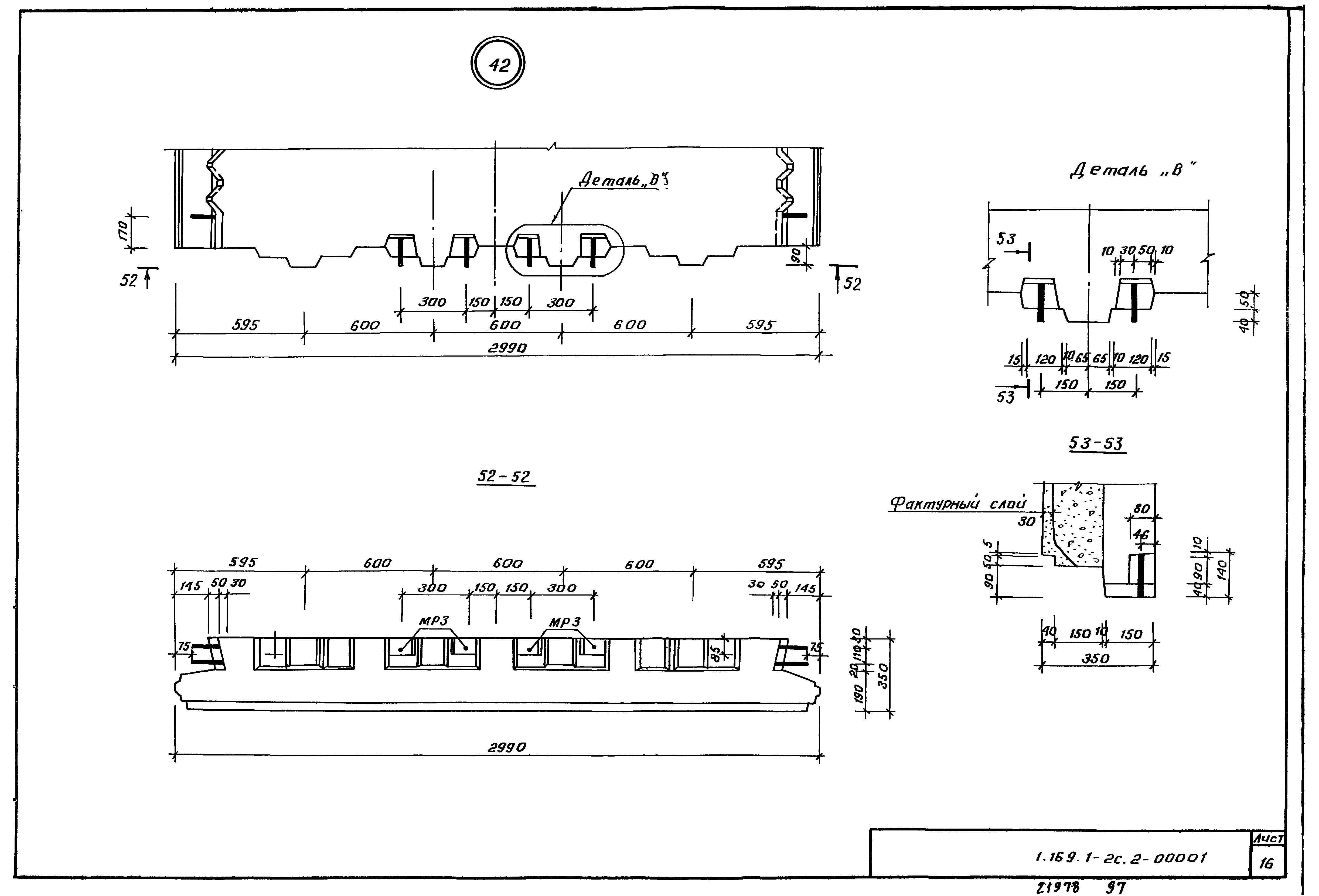
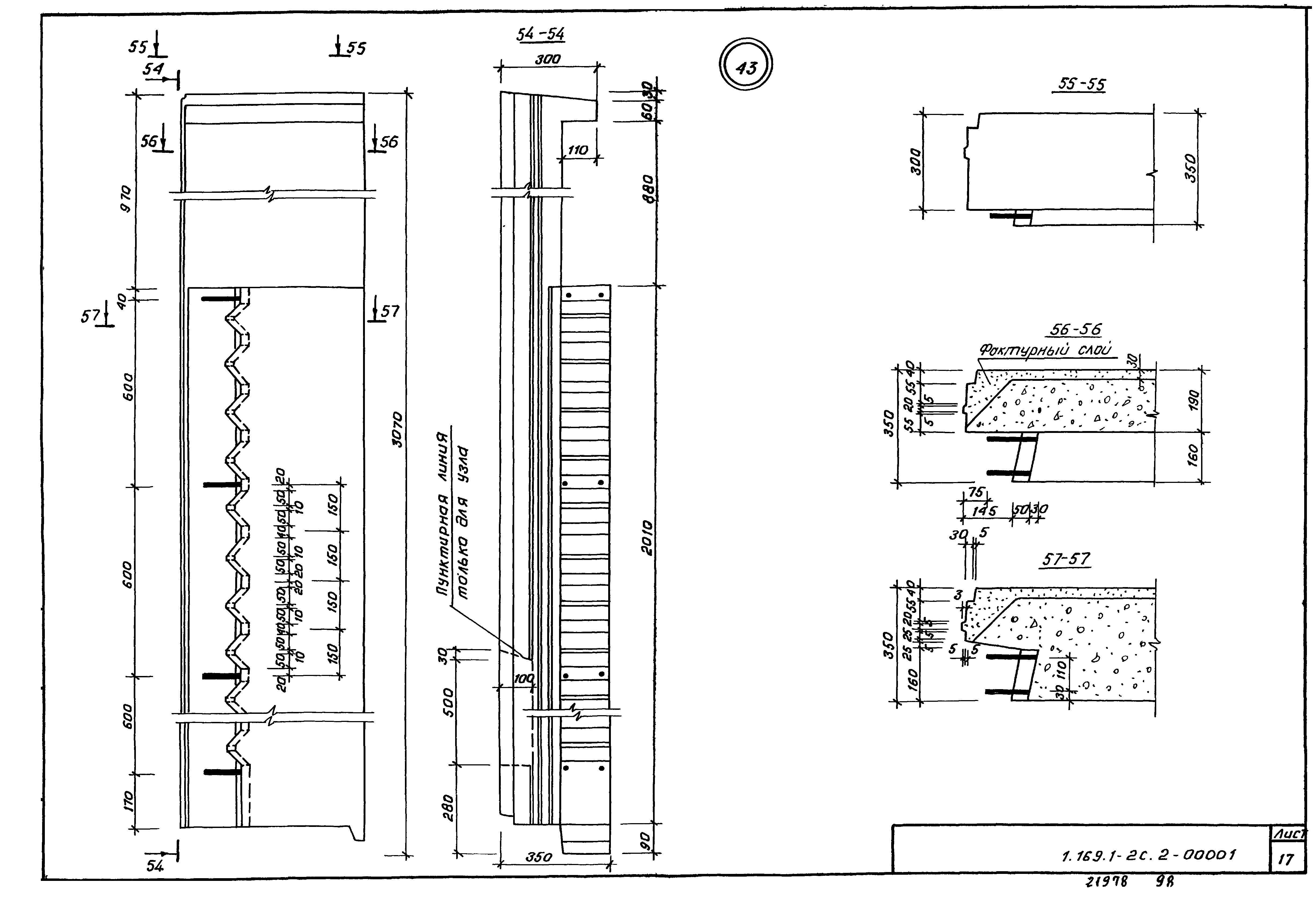
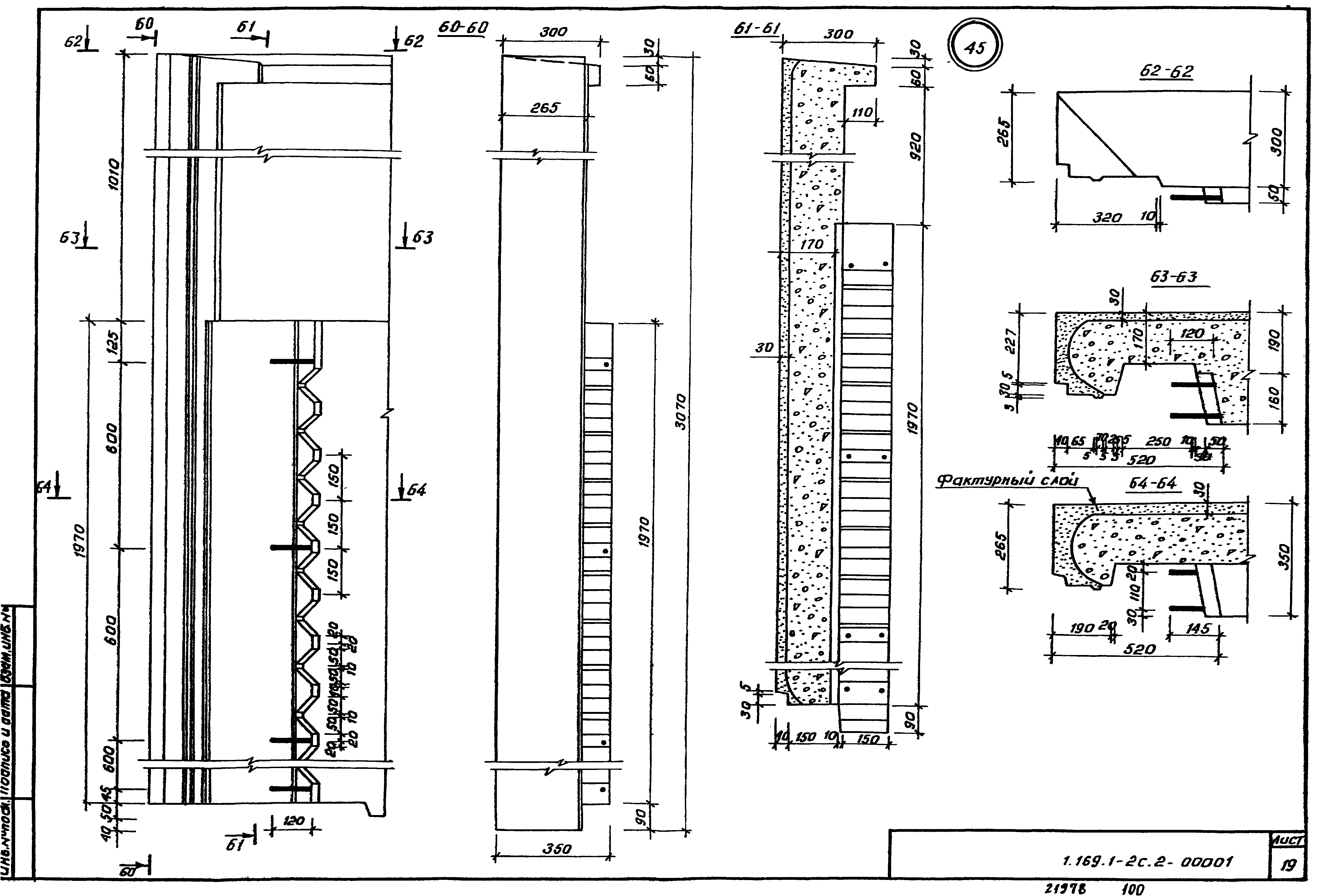
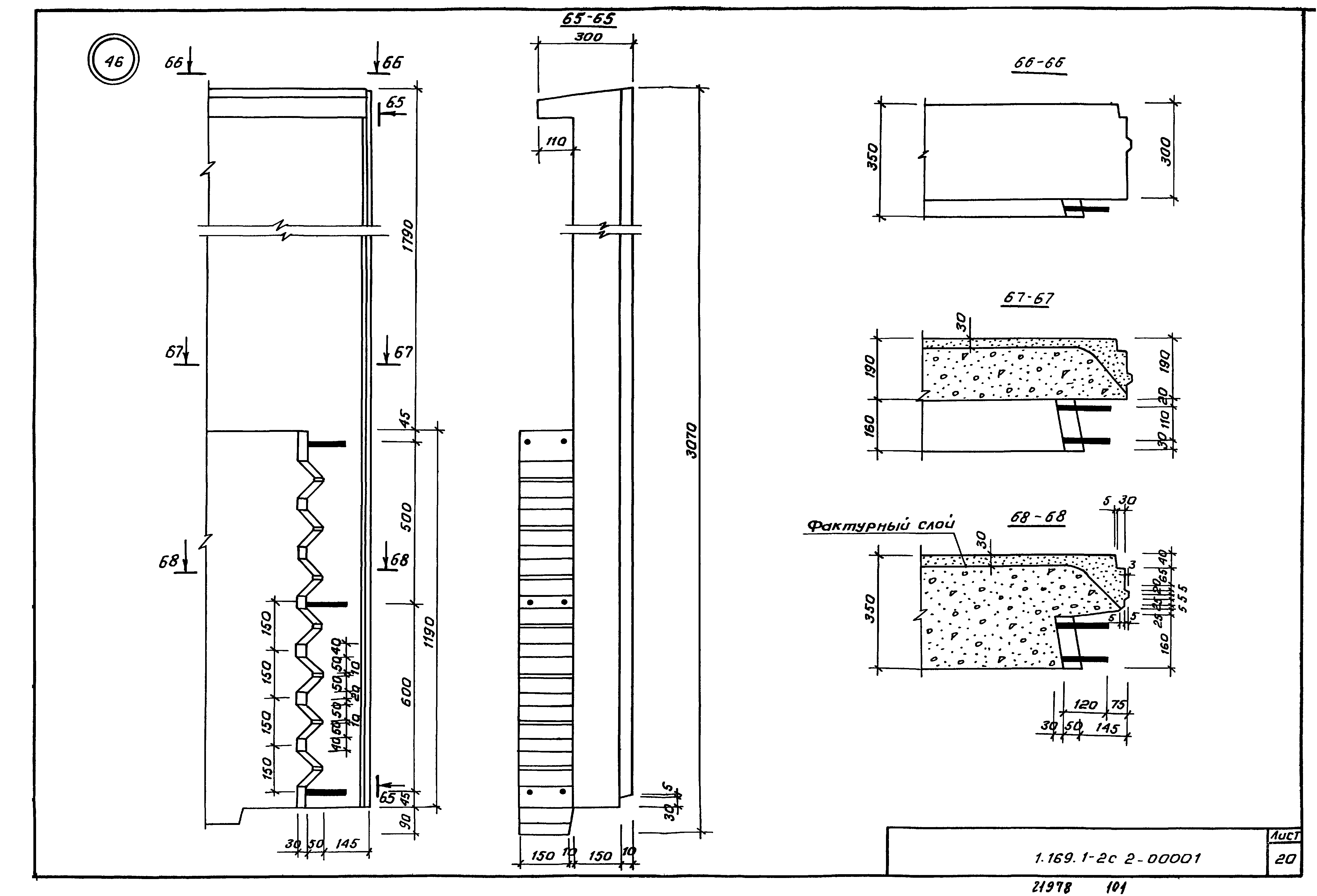
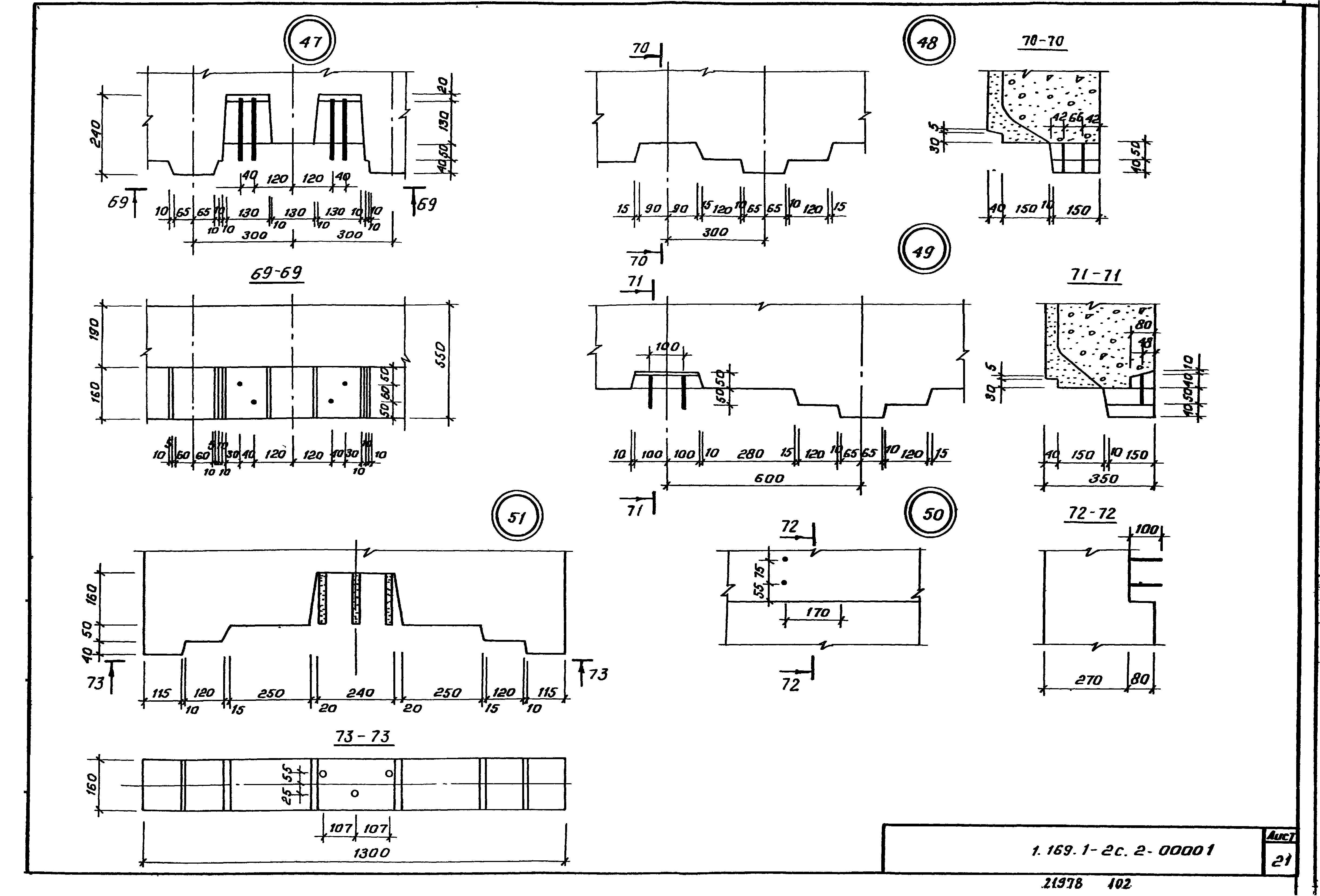
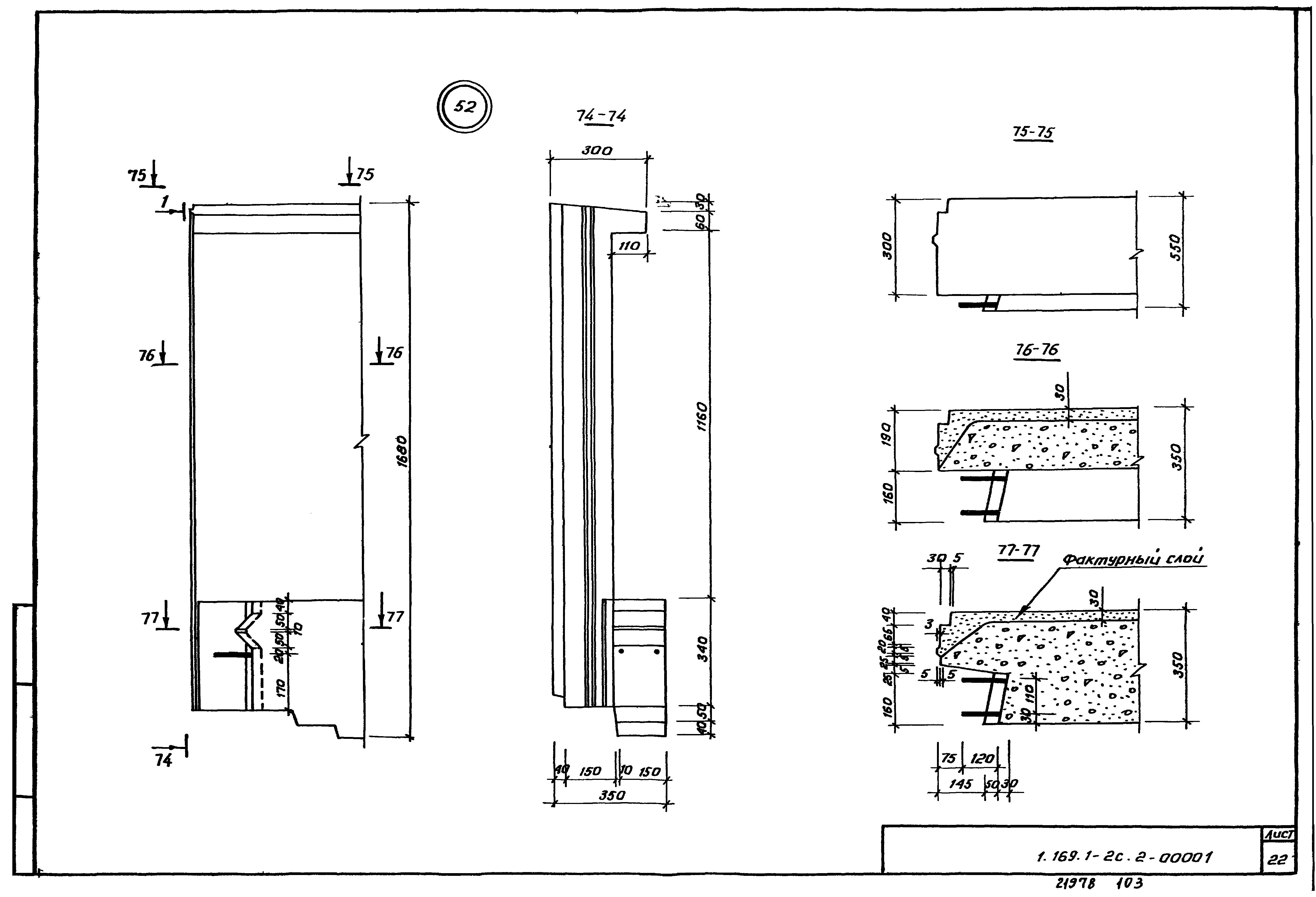
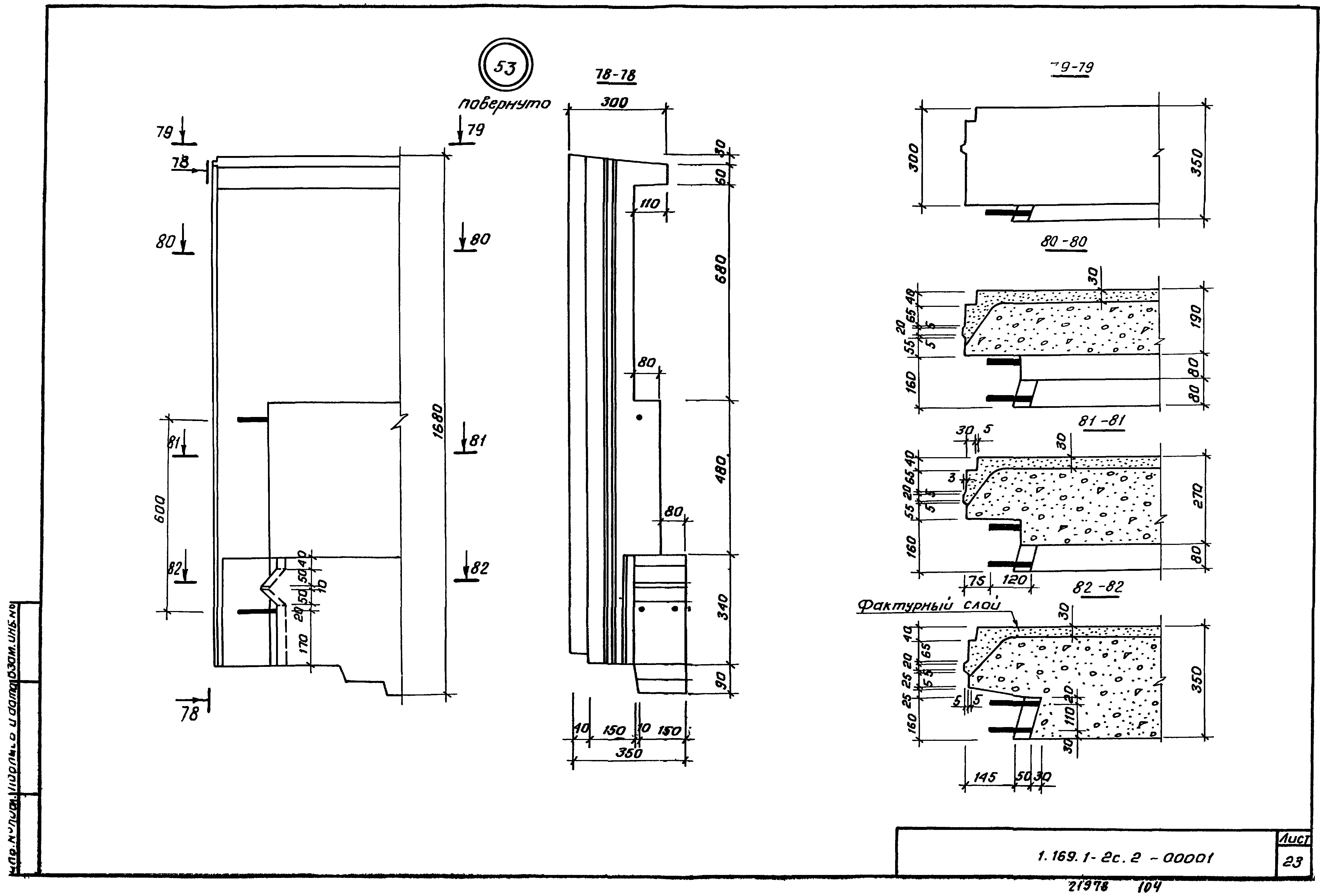
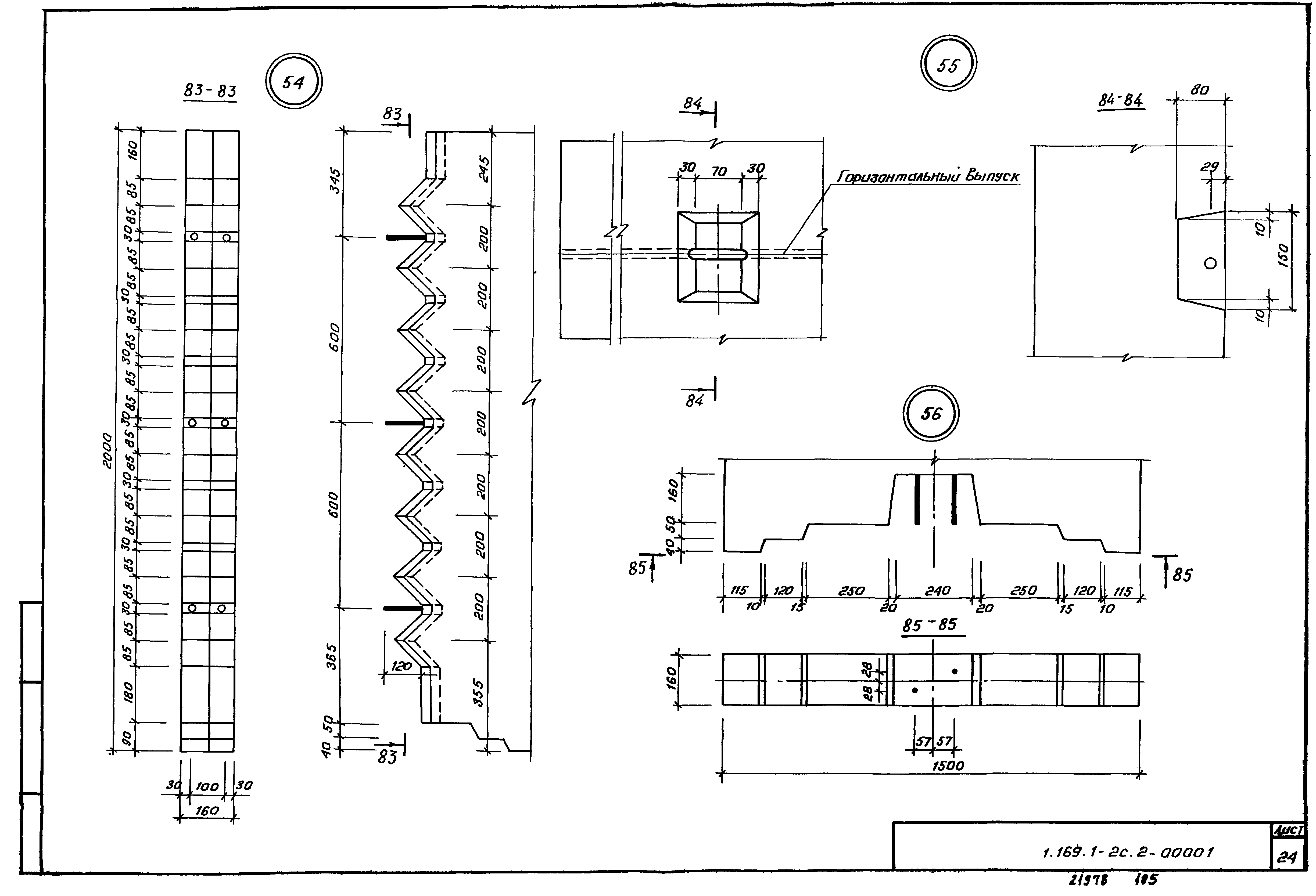
| Оглавление: | 1.169.1-2с.2-01000 Панель парапетная ПП 36.14.3-Л-С; ПП 36.13.3-Л-С 1.169.1-2с.2-01000 СБ Панель парапетная ПП 36.14.3-Л-С; ПП 36.13.3-Л-С. Сборочный чертеж 1.169.1-2с.2-01010 Пространственный каркас ПКР 36.14.3; ПКР 36.13.3 1.169.1-2с.2-01010 СБ Пространственный каркас ПКР 36.14.3; ПКР 36.13.3. Сборочный чертеж 1.169.1-2с.2-02000 Панель парапетная ПП 30.14.3-Л-С; ПП 30.13.3-Л-С 1.169.1-2с.2-02000 СБ Панель парапетная ПП 30.14.3-Л-С; ПП 30.13.3-Л-С. Сборочный чертеж 1.169.1-2с.2-02010 Пространственный каркас ПКР 30.14.3; ПКР 30.13.3 1.169.1-2с.2-02010 СБ Пространственный каркас ПКР 30.14.3; ПКР 30.13.3. Сборочный чертеж 1.169.1-2с.2-03000 Панель парапетная ПП 36.22.3-Л-С; ПП 36.20.3-Л-С 1.169.1-2с.2-03000 СБ Панель парапетная ПП 36.22.3-Л-С; ПП 36.20.3-Л-С. Сборочный чертеж 1.169.1-2с.2-03010 Пространственный каркас ПКР 36.22.3; ПКР 36.20.3 1.169.1-2с.2-03010 СБ Пространственный каркас ПКР 36.22.3; ПКР 36.20.3. Сборочный чертеж 1.169.1-2с.2-04000 Панель парапетная ПП 30.22.3-Л-С; ПП 30.20.3-Л-С 1.169.1-2с.2-04000 СБ Панель парапетная ПП 30.22.3-Л-С; ПП 30.20.3-Л-С. Сборочный чертеж 1.169.1-2с.2-04010 Пространственный каркас ПКР 30.22.3; ПКР 30.20.3 1.169.1-2с.2-04010 СБ Пространственный каркас ПКР 30.22.3; ПКР 30.20.3. Сборочный чертеж 1.169.1-2с.2-05000 Панель парапетная ПП 30.31.4-Л-С 1.169.1-2с.2-05000 СБ Панель парапетная ПП 30.31.4-Л-С. Сборочный чертеж 1.169.1-2с.2-05010 Пространственный каркас ПКР 30.31.4 1.169.1-2с.2-05010 СБ Пространственный каркас ПКР 30.31.4. Сборочный чертеж 1.169.1-2с.2-06000 Панель парапетная ПП 30.31.3-Л-С1; ПП 30.31.3-Л-С2; ПП 30.31.3-Л-С 1.169.1-2с.2-06000 СБ Панель парапетная ПП 30.31.3-Л-С1; ПП 30.31.3-Л-С2; ПП 30.31.3-Л-С. Сборочный чертеж 1.169.1-2с.2-06010 Пространственный каркас ПКР3 0.31.3-1; ПКР 30.31.3-2; ПКР 30.31.3 1.169.1-2с.2-06010 СБ Пространственный каркас ПКР3 0.31.3-1; ПКР 30.31.3-2; ПКР 30.31.3. Сборочный чертеж 1.169.1-2с.2-07000 Панель парапетная ПП 56.27.3-Л-С1; ПП 56.27.3-Л-С2; ПП 56.31.3-Л-С1; ПП 56.31.3-Л-С2 1.169.1-2с.2-07000 СБ Панель парапетная ПП 56.27.3-Л-С1; ПП 56.27.3-Л-С2; ПП 56.31.3-Л-С1; ПП 56.31.3-Л-С2. Сборочный чертеж 1.169.1-2с.2-07010 Пространственный каркас ПКР 56.27.3-1; ПКР 56.27.3-2; ПКР 56.31.3-1; ПКР 56.31.3-2 1.169.1-2с.2-07010 СБ Пространственный каркас ПКР 56.27.3-1; ПКР 56.27.3-2; ПКР 56.31.3-1; ПКР 56.31.3-2. Сборочный чертеж 1.169.1-2с.2-08000 Панель парапетная ПП 56.31.3-Л-С3; ПП 56.31.3-Л-С4 1.169.1-2с.2-08000 СБ Панель парапетная ПП 56.31.3-Л-С3; ПП 56.31.3-Л-С4. Сборочный чертеж 1.169.1-2с.2-08010 Пространственный каркас ПКР 56.31.3-3; ПКР 56.31.3-4 1.169.1-2с.2-08010 СБ Пространственный каркас ПКР 56.31.3-3; ПКР 56.31.3-4. Сборочный чертеж 1.169.1-2с.2-09000 Панель парапетная ПП 57.31.4-Л-С1; ПП 57.31.4-Л-С2 1.169.1-2с.2-09000 СБ Панель парапетная ПП 57.31.4-Л-С1; ПП 57.31.4-Л-С2. Сборочный чертеж 1.169.1-2с.2-09010 Пространственный каркас ПКР 57.31.4-1; ПКР 57.31.4-2 1.169.1-2с.2-09010 СБ Пространственный каркас ПКР 57.31.4-1; ПКР 57.31.4-2. Сборочный чертеж 1.169.1-2с.2-10000 Панель парапетная ПП 30.17.4-Л-С; ПП 47.17.4-Л-С1; ПП 47.17.4-Л-С2 1.169.1-2с.2-10000 СБ Панель парапетная ПП 30.17.4-Л-С; ПП 47.17.4-Л-С1; ПП 47.17.4-Л-С2. Сборочный чертеж 1.169.1-2с.2-10010 Пространственный каркас ПКР 30.17.4; ПКР 30.17.4-1; ПКР 30.17.4-2 1.169.1-2с.2-10010 СБ Пространственный каркас ПКР 30.17.4; ПКР 30.17.4-1; ПКР 30.17.4-2. Сборочный чертеж 1.169.1-2с.2-11000 Панель парапетная ПП 30.17.3-Л-С1; ПП 30.17.3-Л-С2 1.169.1-2с.2-11000 СБ Панель парапетная ПП 30.17.3-Л-С1; ПП 30.17.3-Л-С2. Сборочный чертеж 1.169.1-2с.2-11010 Пространственный каркас ПКР 30.17.3-1; ПКР 30.17.3-2 1.169.1-2с.2-11010 СБ Пространственный каркас ПКР 30.17.3-1; ПКР 30.17.3-2. Сборочный чертеж 1.169.1-2с.2-12000 Панель парапетная ПП 41.17.3-Л-С1; ПП 41.17.3-Л-С2 1.169.1-2с.2-12000 СБ Панель парапетная ПП 41.17.3-Л-С1; ПП 41.17.3-Л-С2. Сборочный чертеж 1.169.1-2с.2-12010 Пространственный каркас ПКР 41.17.3-1; ПКР 41.17.3-2 1.169.1-2с.2-12010 СБ Пространственный каркас ПКР 41.17.3-1; ПКР 41.17.3-2. Сборочный чертеж 1.169.1-2с.2-13000 Блок распорный БР 20.13-Т-С1; БР 20.13-Т-С2 1.169.1-2с.2-13000 СБ Блок распорный БР 20.13-Т-С1; БР 20.13-Т-С2. Сборочный чертеж 1.169.1-2с.2-14000 Блок распорный БР 20.20-Т-С. Опорная подушка ОП 13.13-Т-С 1.169.1-2с.2-14000 СБ Блок распорный БР 20.20-Т-С. Опорная подушка ОП 13.13-Т-С. Сборочный чертеж 1.169.1-2с.2-14010 Пространственный каркас ПК20.20; ПК13.13 1.169.1-2с.2-14010 СБ Пространственный каркас ПК20.20; ПК13.13. Сборочный чертеж 1.169.1-2с.2-15000 Вентиляционная шахта ВШ 26.7.6-Л-С; ВШ 26.9.6-Л-С 1.169.1-2с.2-15000 СБ Вентиляционная шахта ВШ 26.7.6-Л-С; ВШ 26.9.6-Л-С. Сборочный чертеж 1.169.1-2с.2-16000 Опорная балка ОБ 36.4.2-Т-С; ОБ 30.4.2-Т-С 1.169.1-2с.2-16000 СБ Опорная балка ОБ 36.4.2-Т-С; ОБ 30.4.2-Т-С. Сборочный чертеж 1.169.1-2с.2-17000 Вентиляционный короб высотой 400 мм 1.169.1-2с.2-17000 СБ Вентиляционный короб высотой 400 мм. Сборочный чертеж 1.169.1-2с.2-18000 Вентиляционный короб ВК 12.10-Т-С1; ВК 12.10-Т-С2 1.169.1-2с.2-18000 СБ Вентиляционный короб ВК 12.10-Т-С1; ВК 12.10-Т-С2. Сборочный чертеж 1.169.1-2с.2-19000 Вентиляционный короб ВК 17.10-Т-С1; ВК 17.10-Т-С2 1.169.1-2с.2-19000 СБ Вентиляционный короб ВК 17.10-Т-С1; ВК 17.10-Т-С2. Сборочный чертеж 1.169.1-2с.2-20000 Вентиляционный короб ВК 24.11-Т-С; ВК 12.7-Т-С 1.169.1-2с.2-20000 Вентиляционный короб ВК 24.11-Т-С; ВК 12.7-Т-С. Сборочный чертеж 1.169.1-2с.2-00001 Узлы опалубочные и арматурные 1.169.1-2с.2-20000 РС Ведомость расхода стали на элемент |
| Разработан: | ТашЗНИИЭП Госгражданстроя |
| Утверждён: | 03.02.1987 Госгражданстрой (Gosgrazhdanstroy 22) |










































































































