Скачать Серия 1.169.1-2с Выпуск 3. Арматурные и закладные изделия. Рабочие чертежиДата актуализации: 01.01.2021
|
| Обозначение: | Серия 1.169.1-2с |
| Обозначение англ: | Series 1.169.1-2с |
| Статус: | не определен законодательством |
| Название рус.: | Выпуск 3. Арматурные и закладные изделия. Рабочие чертежи |
| Дата добавления в базу: | 01.09.2013 |
| Дата актуализации: | 01.01.2021 |
| Дата введения: | 15.02.1987 |
| Дата окончания срока действия: | 30.06.2003 |
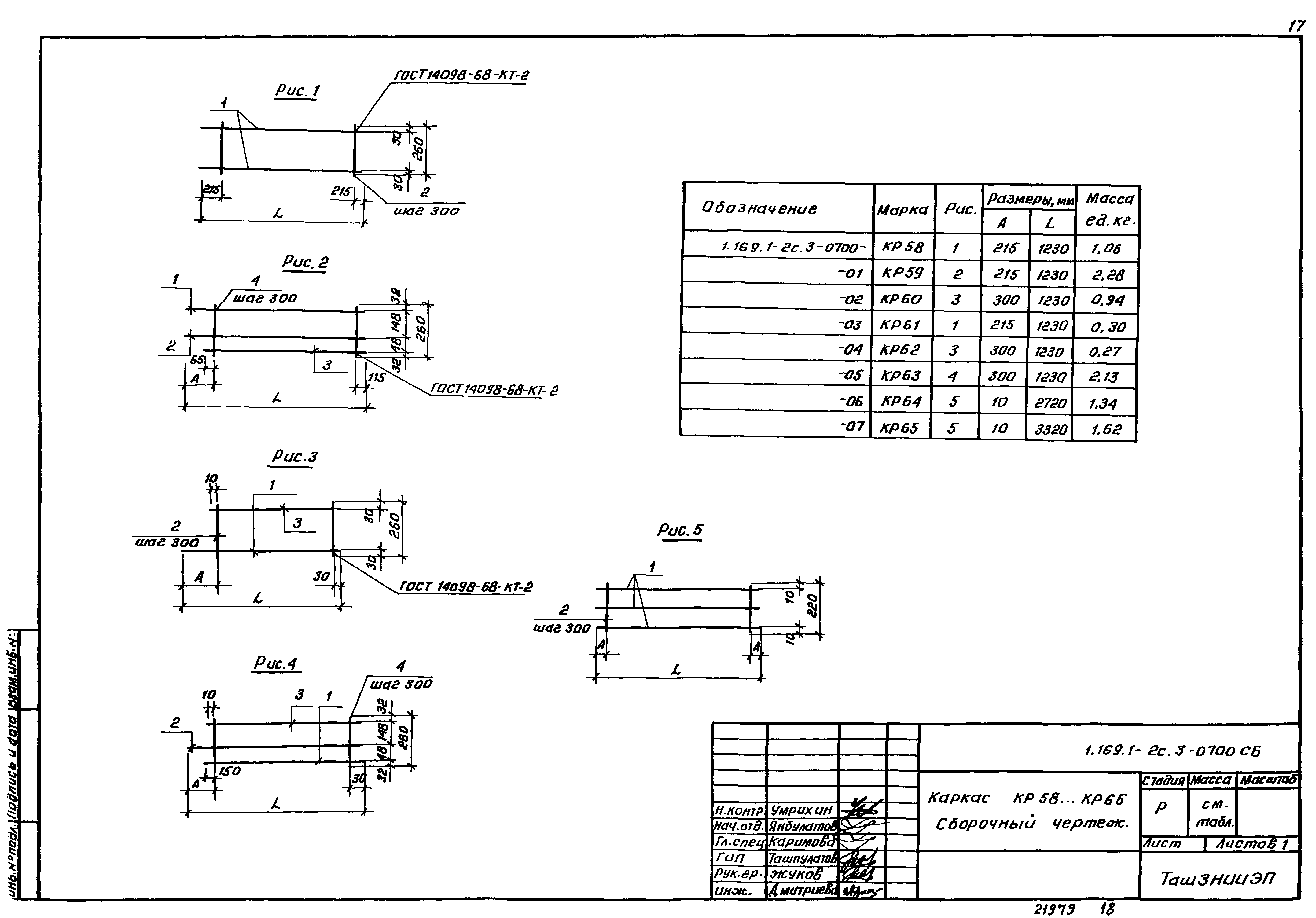
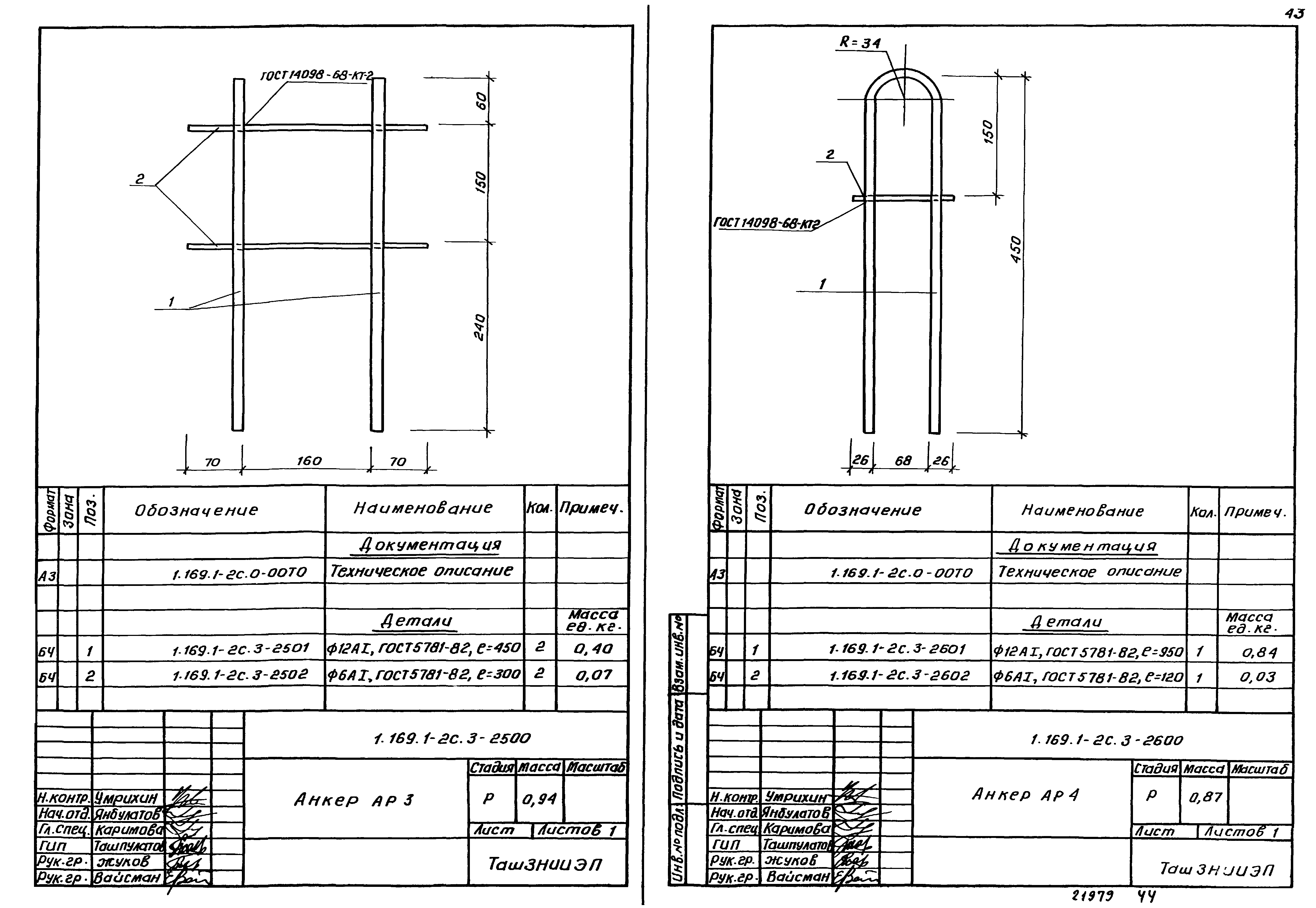
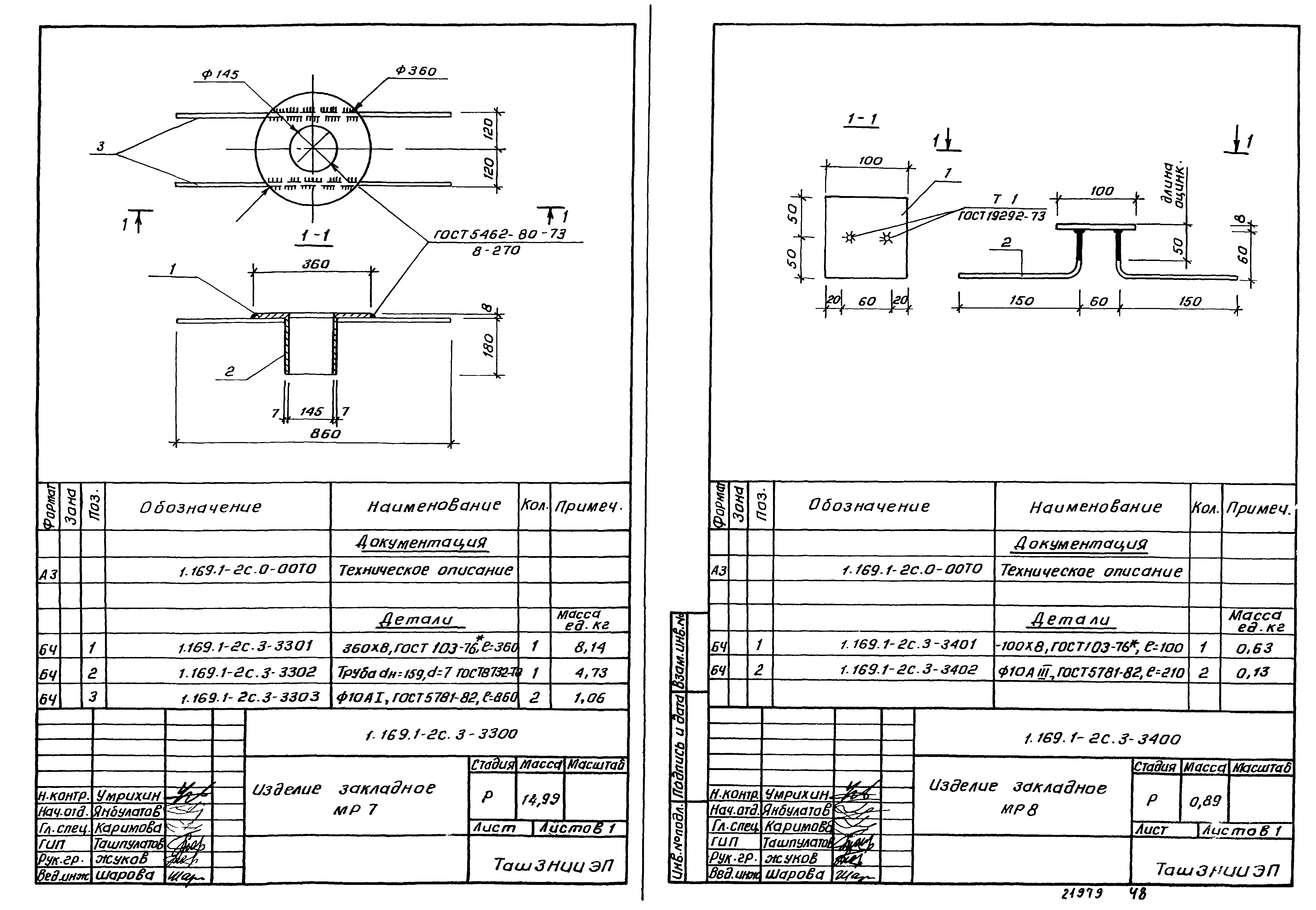
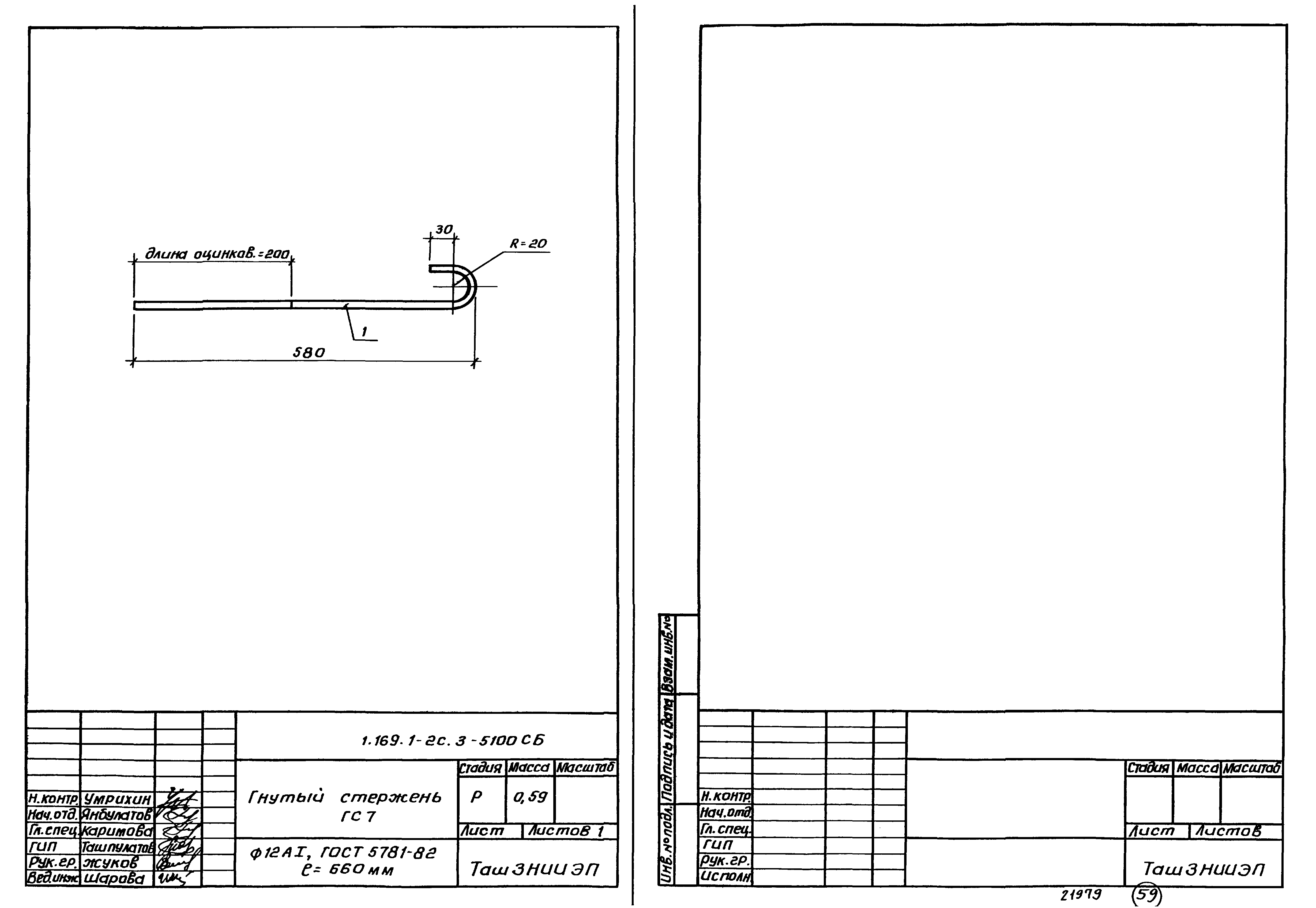
| Оглавление: | 1.169.1-2с.3-0100 Каркас КР1…КР14 1.169.1-2с.3-0100 СБ Каркас КР1…КР14. Сборочный чертеж 1.169.1-2с.3-0200 Каркас КР15…КР28 1.169.1-2с.3-0200 СБ Каркас КР15…КР28. Сборочный чертеж 1.169.1-2с.3-0300 Каркас КР29…КР36 1.169.1-2с.3-0300 СБ Каркас КР29…КР36. Сборочный чертеж 1.169.1-2с.3-0400 Каркас КР37…КР41 1.169.1-2с.3-0400 СБ Каркас КР37…КР41. Сборочный чертеж 1.169.1-2с.3-0500 Каркас КР42…КР47 1.169.1-2с.3-0500 СБ Каркас КР42…КР47. Сборочный чертеж 1.169.1-2с.3-0600 Каркас КР48…КР57 1.169.1-2с.3-0600 СБ Каркас КР48…КР57 Сборочный чертеж 1.169.1-2с.3-0700 Каркас КР58…КР65 1.169.1-2с.3-0700 СБ Каркас КР58…КР65. Сборочный чертеж 1.169.1-2с.3-0800 Каркас КР66…КР71 1.169.1-2с.3-0800 СБ Каркас КР66…КР71. Сборочный чертеж 1.169.1-2с.3-0900 Каркас КР72…КР75 1.169.1-2с.3-0900 СБ Каркас КР72…КР75. Сборочный чертеж 1.169.1-2с.3-1000 Каркас КР76…КР78 1.169.1-2с.3-1000 СБ Каркас КР76…КР78. Сборочный чертеж 1.169.1-2с.3-1100 Каркас КР79, КР80 1.169.1-2с.3-1100 СБ Каркас КР79, КР80. Сборочный чертеж 1.169.1-2с.3-1200 Каркас КР81…КР84 1.169.1-2с.3-1200 СБ Каркас КР81…КР84. Сборочный чертеж 1.169.1-2с.3-1300 Каркас КР85…КР89 1.169.1-2с.3-1300 СБ Каркас КР85…КР89. Сборочный чертеж 1.169.1-2с.3-1400 Каркас КР90…КР93 1.169.1-2с.3-1400 СБ Каркас КР90…КР93. Сборочный чертеж 1.169.1-2с.3-1500 Сетка СР1…СР15 1.169.1-2с.3-1500 СБ Сетка СР1…СР15. Сборочный чертеж 1.169.1-2с.3-1600 Сетка СР16…СР23 1.169.1-2с.3-1600 СБ Сетка СР16…СР23. Сборочный чертеж 1.169.1-2с.3-1700 Сетка СР24…СР27 1.169.1-2с.3-1700 СБ Сетка СР24…СР27. Сборочный чертеж 1.169.1-2с.3-1800 Сетка СР28, СР29 1.169.1-2с.3-1800 СБ Сетка СР28, СР29. Сборочный чертеж 1.169.1-2с.3-1900 Сетка СР30…СР43 1.169.1-2с.3-1900 СБ Сетка СР30…СР43. Сборочный чертеж 1.169.1-2с.3-2000 Сетка СР44…СР51 1.169.1-2с.3-2000 СБ Сетка СР44…СР51. Сборочный чертеж 1.169.1-2с.3-2100 Сетка СР52…СР55 1.169.1-2с.3-2100 СБ Сетка СР52…СР55. Сборочный чертеж 1.169.1-2с.3-2200 Сетка СР56…СР69 1.169.1-2с.3-2200 СБ Сетка СР56…СР69. Сборочный чертеж 1.169.1-2с.3-2300 Сетка СР70…СР76 1.169.1-2с.3-2300 СБ Сетка СР70…СР76. Сборочный чертеж 1.169.1-2с.3-2400 Анкер АР-1; АР-2 1.169.1-2с.3-2400 СБ Анкер АР-1; АР-2. Сборочный чертеж 1.169.1-2с.3-2500 Анкер АР-3 1.169.1-2с.3-2600 Анкер АР-4 1.169.1-2с.3-2700 Изделие закладное МР1 1.169.1-2с.3-2800 Изделие закладное МР2 1.169.1-2с.3-2900 Изделие закладное МР3 1.169.1-2с.3-3000 Изделие закладное МР4 1.169.1-2с.3-3100 Изделие закладное МР5 1.169.1-2с.3-3200 Изделие закладное МР6 1.169.1-2с.3-3300 Изделие закладное МР7 1.169.1-2с.3-3400 Изделие закладное МР8 1.169.1-2с.3-3500 Изделие закладное МР9 1.169.1-2с.3-3600 Изделие закладное МР10 1.169.1-2с.3-3700 Изделие закладное МР11 1.169.1-2с.3-3700 СБ Изделие закладное МР11. Сборочный чертеж 1.169.1-2с.3-3800 Изделие закладное МР12 1.169.1-2с.3-3900 Изделие закладное МР13 1.169.1-2с.3-4000 Изделие закладное МР14…МР16 1.169.1-2с.3-4000 СБ Изделие закладное МР14…МР16. Сборочный чертеж 1.169.1-2с.3-4100 Изделие закладное МР17, МР18 1.169.1-2с.3-4100 СБ Изделие закладное МР17, МР18. Сборочный чертеж 1.169.1-2с.3-4200 Изделие закладное МР19, МР20 1.169.1-2с.3-4200 СБ Изделие закладное МР19, МР20. Сборочный чертеж 1.169.1-2с.3-4300 Петля строповочная МП1…МП5 1.169.1-2с.3-4400 Петля строповочная МП6 1.169.1-2с.3-4500 Монтажная петля МП7 1.169.1-2с.3-4600 Монтажная петля МП8…МП10 1.169.1-2с.3-4700 Монтажная петля МП11…МП13 1.169.1-2с.3-4800 Гнутый стержень ГС1…ГС3 1.169.1-2с.3-4900 Гнутый стержень ГС4…ГС6 1.169.1-2с.3-5000 Монтажная петля МП14 1.169.1-2с.3-5100 Гнутый стержень ГС7 |
| Разработан: | ТашЗНИИЭП Госгражданстроя |
| Утверждён: | 03.02.1987 Госгражданстрой (Gosgrazhdanstroy 22) |

























































