Скачать Серия 5.900-7 Выпуск 1. Опорные конструкции и средства крепления неизолированных трубопроводов к железобетонным колоннам. Рабочие чертежиДата актуализации: 01.01.2021
|
| Обозначение: | Серия 5.900-7 |
| Обозначение англ: | Series 5.900-7 |
| Статус: | не определен законодательством |
| Название рус.: | Выпуск 1. Опорные конструкции и средства крепления неизолированных трубопроводов к железобетонным колоннам. Рабочие чертежи |
| Дата добавления в базу: | 01.09.2013 |
| Дата актуализации: | 01.01.2021 |
| Дата введения: | 01.03.1992 |
| Дата окончания срока действия: | 30.06.2003 |
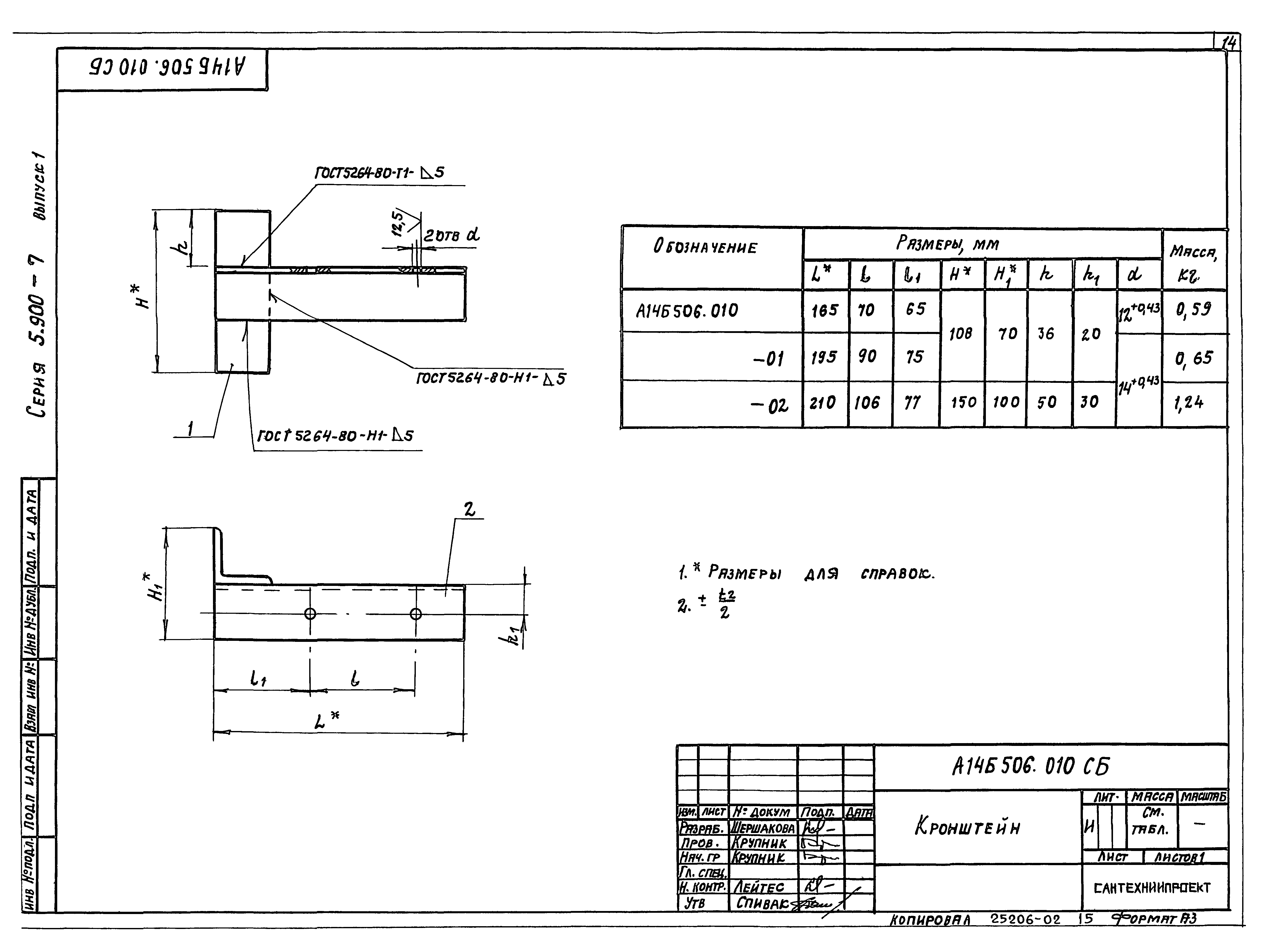
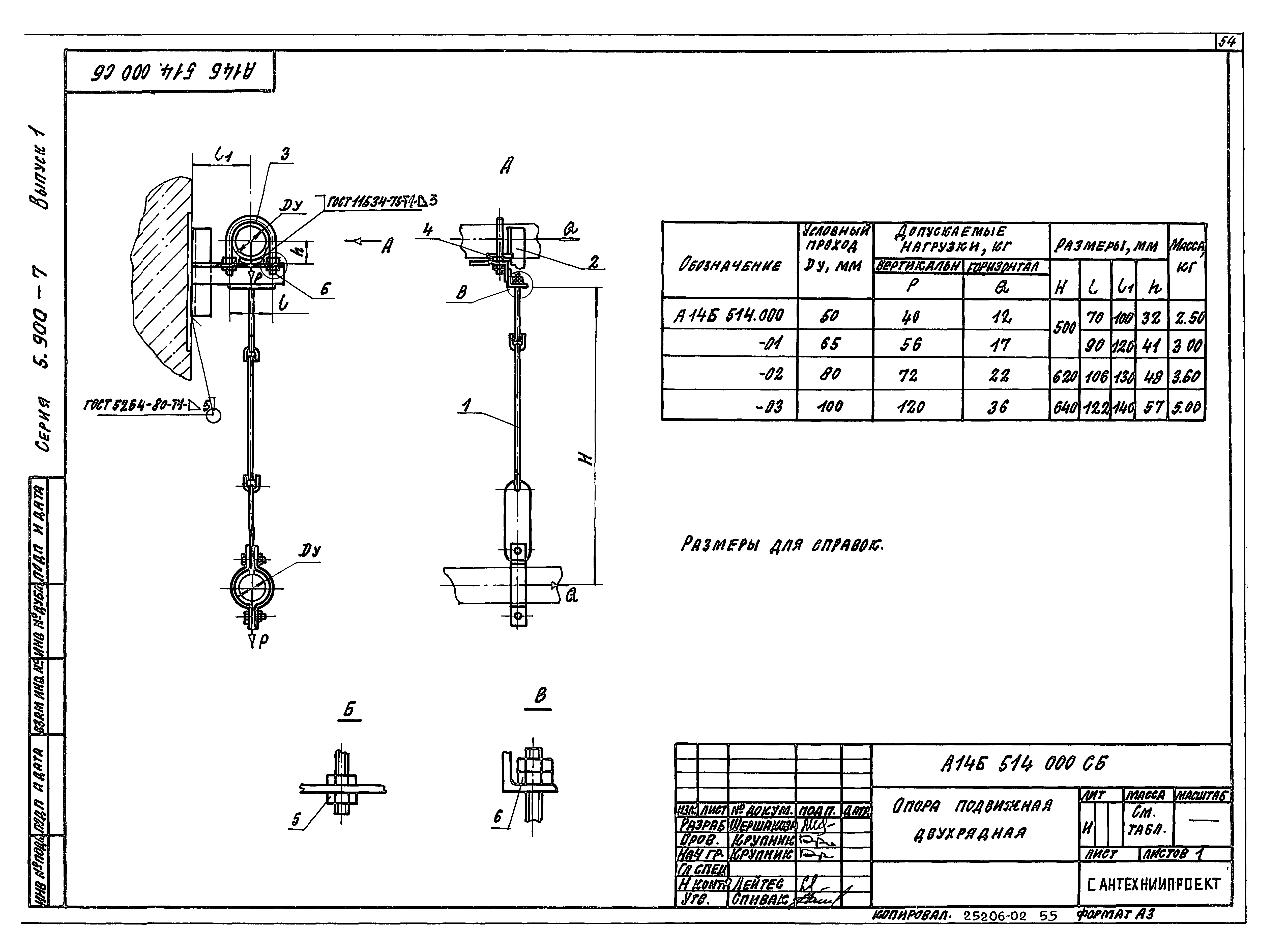
| Оглавление: | А14Б 505.000 Опора подвижная А14Б 505.010 Кронштейн А14Б 505.000 СБ Опора подвижная А14Б 505.010 СБ Кронштейн А14Б 505.005 Перекладина А14Б 506.000 Опора подвижная А14Б 506.000 СБ Опора подвижная А14Б 506.010 Кронштейн А14Б 505.002 Подушка А14Б 506.001 Перекладина А14Б 507.001 Косынка А14Б 506.010 СБ Кронштейн А14Б 507.000 Опора подвижная А14Б 507.000 СБ Опора подвижная А14Б 507.010 Кронштейн А14Б 505.001 Хомут А14Б 507.010 СБ Кронштейн А14Б 508.000 Опора подвижная А14Б 508.010 Кронштейн А14Б 508.000 СБ Опора подвижная А14Б 508.010 СБ Кронштейн А14Б 509.000 Опора подвижная А14Б 509.000 СБ Опора подвижная А14Б 509.010 Кронштейн А14Б 510.001 Перекладина А14Б 509.010 СБ Кронштейн А14Б 509.001 Перекладина А14Б 510.000 Опора подвижная двухрядная А14Б 510.000 СБ Опора подвижная двухрядная А14Б 510.010 Кронштейн А14Б 510.010 СБ Кронштейн А14Б 511.000 Опора подвижная двухрядная А14Б 511.000 СБ Опора подвижная двухрядная А14Б 511.010 Кронштейн А14Б 511.001 Перекладина А14Б 511.010 СБ Кронштейн А14Б 512.000 Опора подвижная двухрядная А14Б 512.000 СБ Опора подвижная двухрядная А14Б 512.010 Кронштейн А14Б 515.002 Накладка А14Б 512.010 СБ Кронштейн А14Б 512.001 Перекладина А14Б 513.000 Опора подвижная двухрядная А14Б 508.002 Плита А14Б 513.000 СБ Опора подвижная двухрядная А14Б 513.010 Кронштейн А14Б 513.020 Подвеска А14Б 522.001 Плита А14Б 513.010 СБ Кронштейн А14Б 513.020 СБ Подвеска А14Б 513.001 Перекладина А14Б 513.002 Косынка А14Б 513.004 Тяга А14Б 513.005 Ушко А14Б 513.006 Серьга А14Б 514.000 Опора подвижная двухрядная А14Б 514.000 СБ Опора подвижная двухрядная А14Б 514.010 Кронштейн А14Б 514.010 СБ Кронштейн А14Б 515.000 Опора подвижная двухрядная А14Б 515.000 СБ Опора подвижная двухрядная А14Б 515.010 Кронштейн А14Б 515.010 СБ Кронштейн А14Б 515.002 Перекладина А14Б 516.000 Опора подвижная трехрядная А14Б 516.000 СБ Опора подвижная трехрядная А14Б 516.010 Кронштейн А14Б 508.001 Перекладина А14Б 516.010 СБ Кронштейн А14Б 516.001 Перекладина А14Б 518.001 Перекладина А14Б 517.000 Опора подвижная трехрядная А14Б 517.000 СБ Опора подвижная трехрядная А14Б 517.010 Кронштейн А14Б 514.001 Перекладина А14Б 517.010 СБ Кронштейн А14Б 517.001 Перекладина А14Б 518.000 Опора подвижная трехрядная А14Б 518.000 СБ Опора подвижная трехрядная А14Б 518.010 Кронштейн А14Б 518.010 СБ Кронштейн А14Б 519.000 Опора подвижная трехрядная А14Б 519.000 СБ Опора подвижная трехрядная А14Б 519.010 Кронштейн А14Б 519.010 СБ Кронштейн А14Б 505.006 Упор А14Б 519.001 Перекладина А14Б 520.000 Опора подвижная трехрядная А14Б 520.010 Кронштейн А14Б 520.000 СБ Опора подвижная трехрядная А14Б 520.010 СБ Кронштейн А14Б 520.001 Перекладина А14Б 521.000 Опора подвижная А14Б 513.007 Полухомут А14Б 521.000 СБ Опора подвижная А14Б 521.010 Плита А14Б 521.010 СБ Плита А14Б 521.020 Кронштейн А14Б 521.020 СБ Кронштейн А14Б 522.002 Уголок А14Б 521.001 Стяжка А14Б 521.003 Полоса А14Б 521.002 Плита А14Б 521.006 Накладка А14Б 521.005 Перекладина А14Б 522.000 Опора подвижная двухрядная А14Б 522.000 СБ Опора подвижная двухрядная А14Б 522.010 Плита А14Б 522.020 Кронштейн А14Б 522.010 СБ Плита А14Б 522.020 СБ Кронштейн |
| Разработан: | ГПКНИИ Сантехниипроект |
| Утверждён: | 31.10.1991 ГПКНИИ Сантехниипроект (50) |
| Издан: | ЦИТП Госстроя СССР (CITP, Gosstroy (USSR) 1992 г. ) |






























































































































