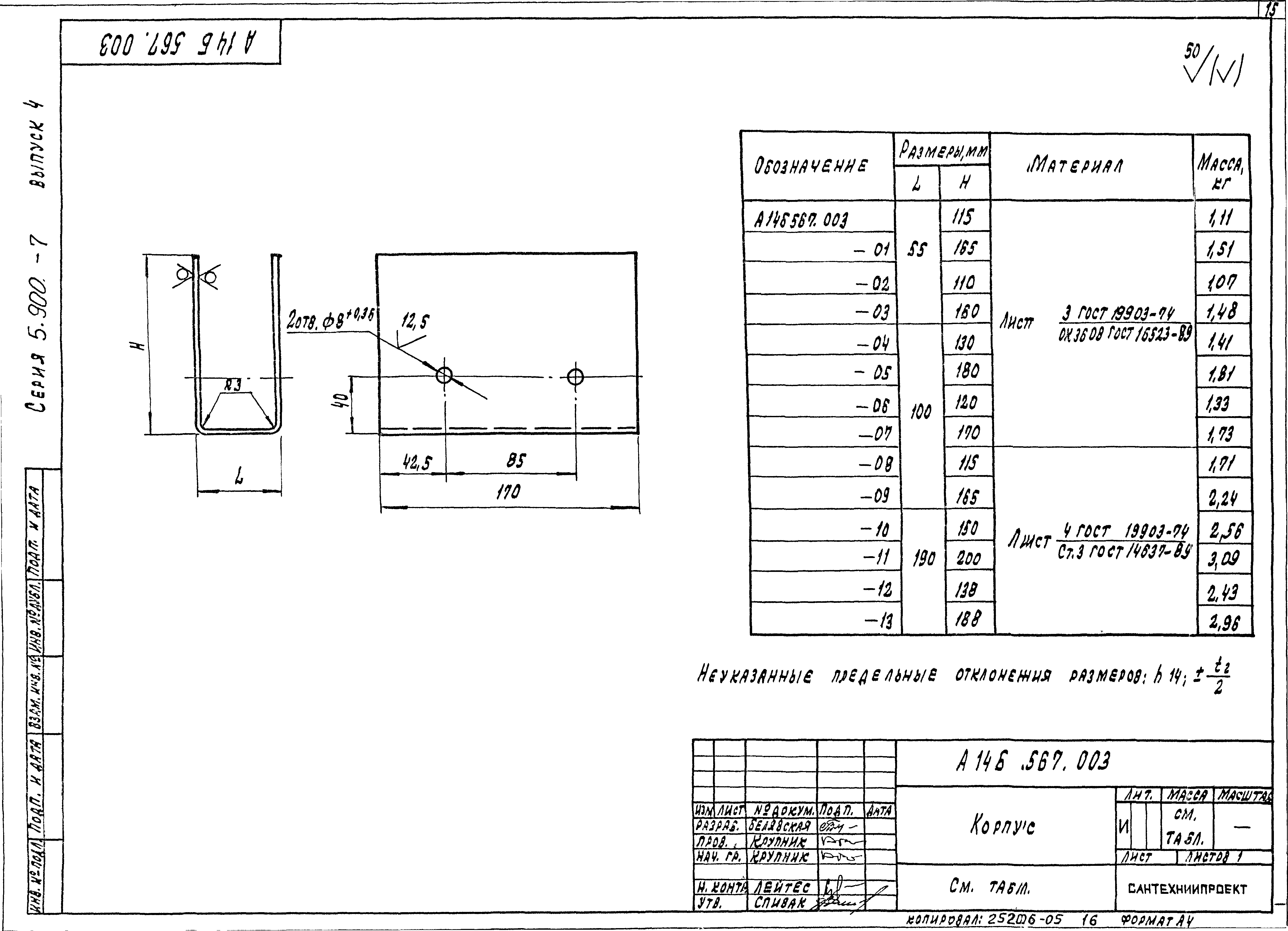
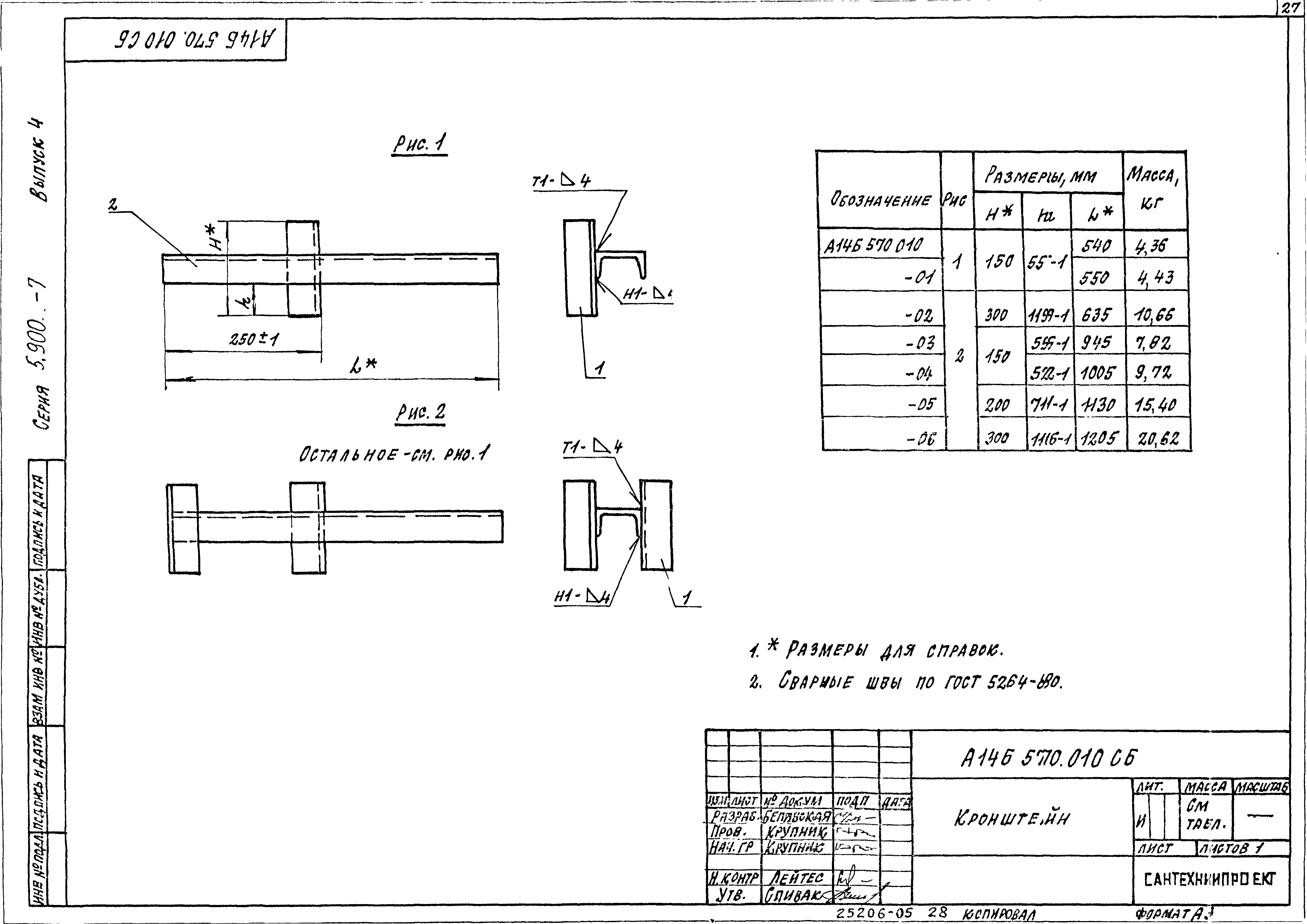
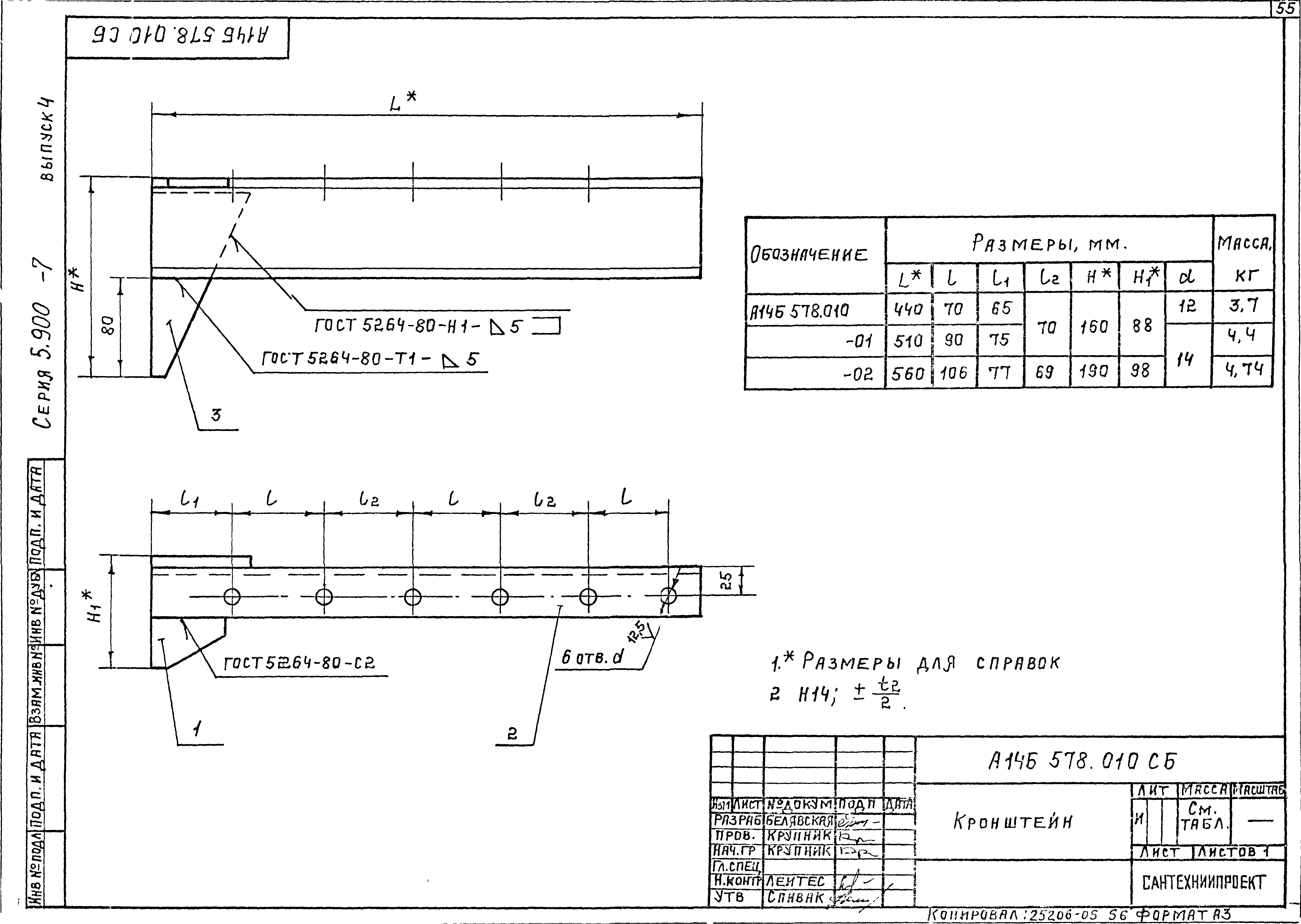
Скачать Серия 5.900-7 Выпуск 4. Опорные конструкции и средства крепления трубопроводов к стенам перекрытиям и к полу. Рабочие чертежиДата актуализации: 01.01.2021
|
| Обозначение: | Серия 5.900-7 |
| Обозначение англ: | Series 5.900-7 |
| Статус: | не определен законодательством |
| Название рус.: | Выпуск 4. Опорные конструкции и средства крепления трубопроводов к стенам перекрытиям и к полу. Рабочие чертежи |
| Дата добавления в базу: | 01.09.2013 |
| Дата актуализации: | 01.01.2021 |
| Дата введения: | 01.03.1992 |
| Дата окончания срока действия: | 30.06.2003 |
| Разработан: | ГПКНИИ Сантехниипроект |
| Утверждён: | 31.10.1991 ГПКНИИ Сантехниипроект (50) |
| Издан: | ЦИТП Госстроя СССР (CITP, Gosstroy (USSR) 1992 г. ) |












































































































