Скачать Серия 2.436-17 Выпуск 0. Материалы для проектирования

Дата актуализации: 01.01.2021

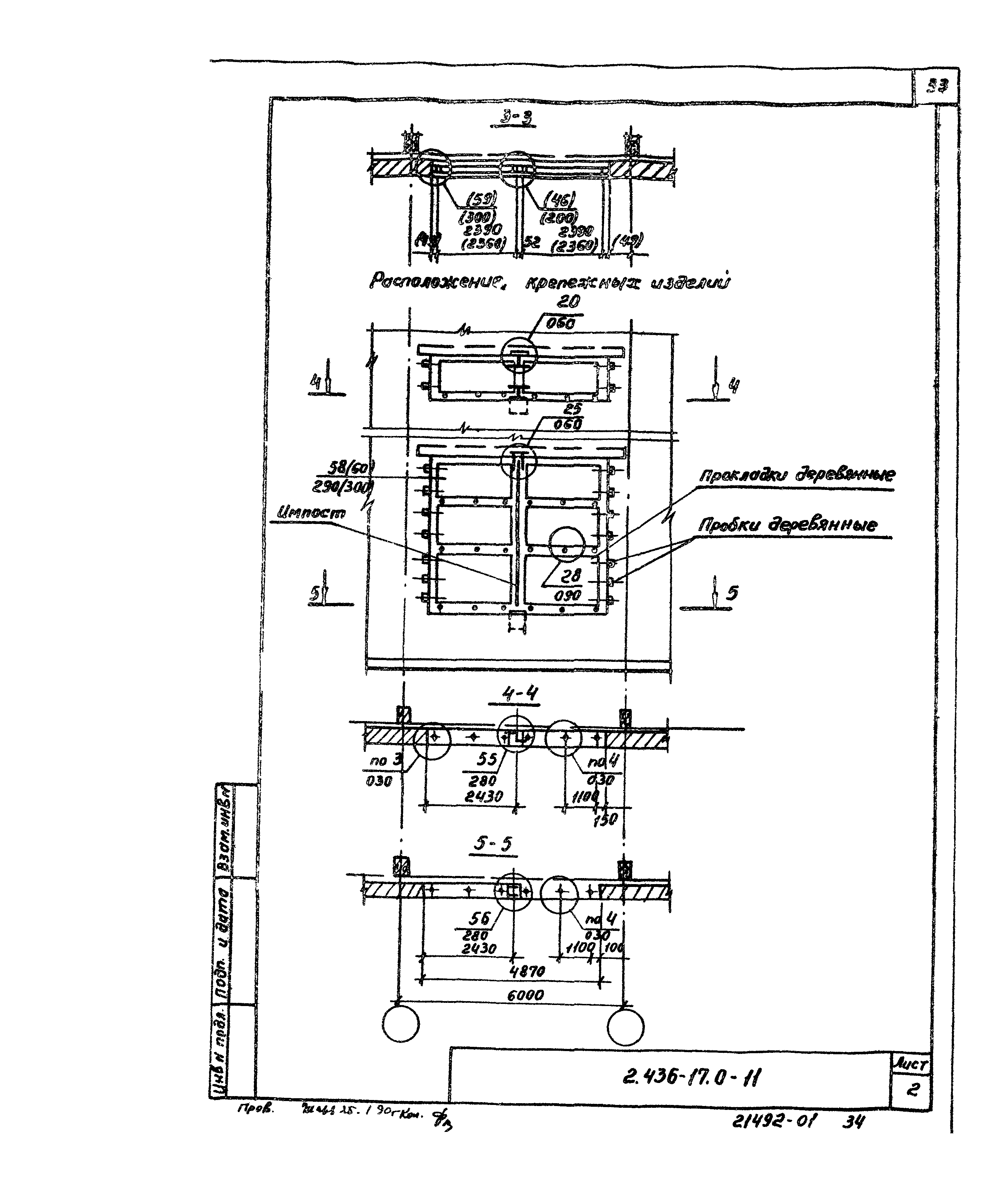
Серия 2.436-17

Выпуск 0. Материалы для проектирования

Обозначение: Серия 2.436-17
Обозначение англ: Series 2.436-17
Статус:не определен законодательством
Название рус.:Выпуск 0. Материалы для проектирования
Дата добавления в базу:01.09.2013
Дата актуализации:01.01.2021
Дата введения:01.07.1986
Дата окончания срока действия:30.06.2003
Разработан: АО ЦНИИпромзданий
ГипроНИсельхоз (Институт Гипронисельхоз )
Утверждён:11.05.1986 Госстрой СССР (Государственный комитет Совета Министров СССР по делам строительства) (USSR Gosstroy 53)
Издан: ЦИТП Госстроя СССР (CITP, Gosstroy (USSR) 1990 г. )
Заменяет собой:
  • Серия 2.436-14
Нормативные ссылки:
Серия 2.436-17Серия 2.436-17Серия 2.436-17Серия 2.436-17Серия 2.436-17Серия 2.436-17Серия 2.436-17Серия 2.436-17Серия 2.436-17Серия 2.436-17Серия 2.436-17Серия 2.436-17Серия 2.436-17Серия 2.436-17Серия 2.436-17Серия 2.436-17Серия 2.436-17Серия 2.436-17Серия 2.436-17Серия 2.436-17Серия 2.436-17Серия 2.436-17Серия 2.436-17Серия 2.436-17Серия 2.436-17Серия 2.436-17Серия 2.436-17Серия 2.436-17Серия 2.436-17Серия 2.436-17Серия 2.436-17Серия 2.436-17Серия 2.436-17Серия 2.436-17Серия 2.436-17Серия 2.436-17