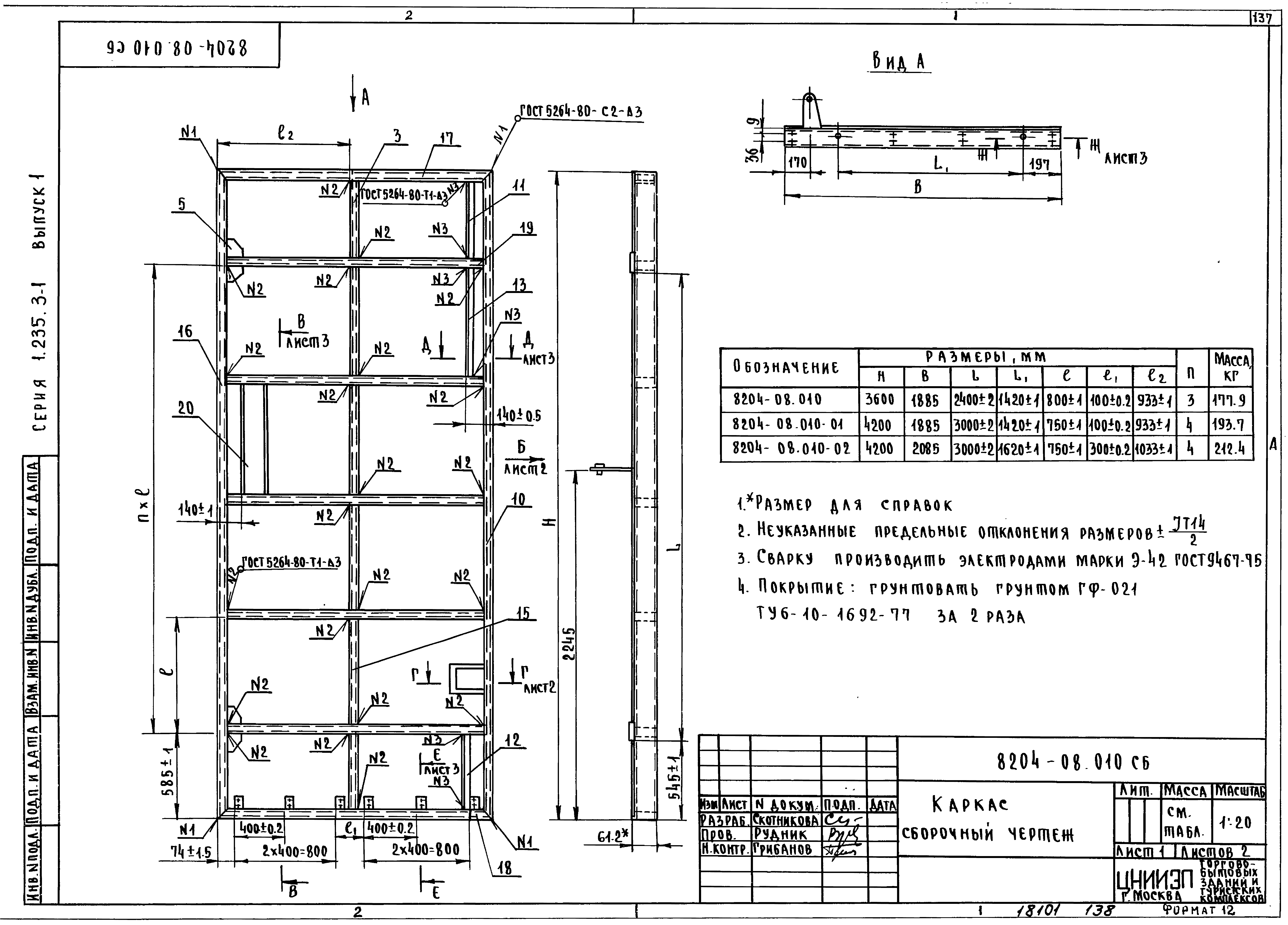
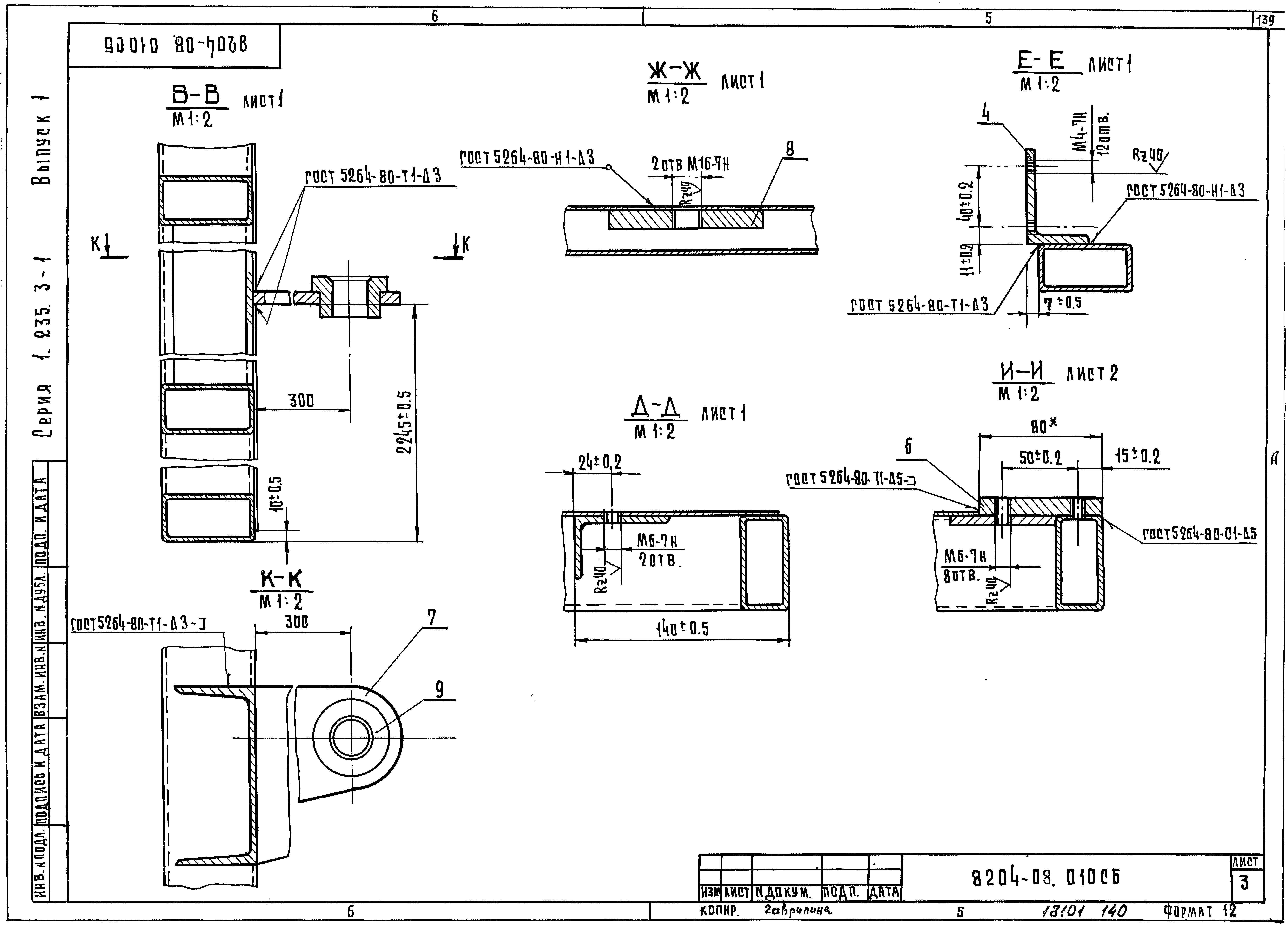
Скачать Серия 1.235.3-1 Выпуск 1. Рабочие чертежиДата актуализации: 01.01.2021
|
| Обозначение: | Серия 1.235.3-1 |
| Обозначение англ: | Series 1.235.3-1 |
| Статус: | не определен законодательством |
| Название рус.: | Выпуск 1. Рабочие чертежи |
| Дата добавления в базу: | 01.09.2013 |
| Дата актуализации: | 01.01.2021 |
| Дата введения: | 01.09.1982 |
| Дата окончания срока действия: | 30.06.2003 |
| Разработан: | ЦНИИЭП торгово-бытовых зданий и туристских комплексов |
| Утверждён: | 24.06.1982 Госгражданстрой (Gosgrazhdanstroy 166) |

















































































































































