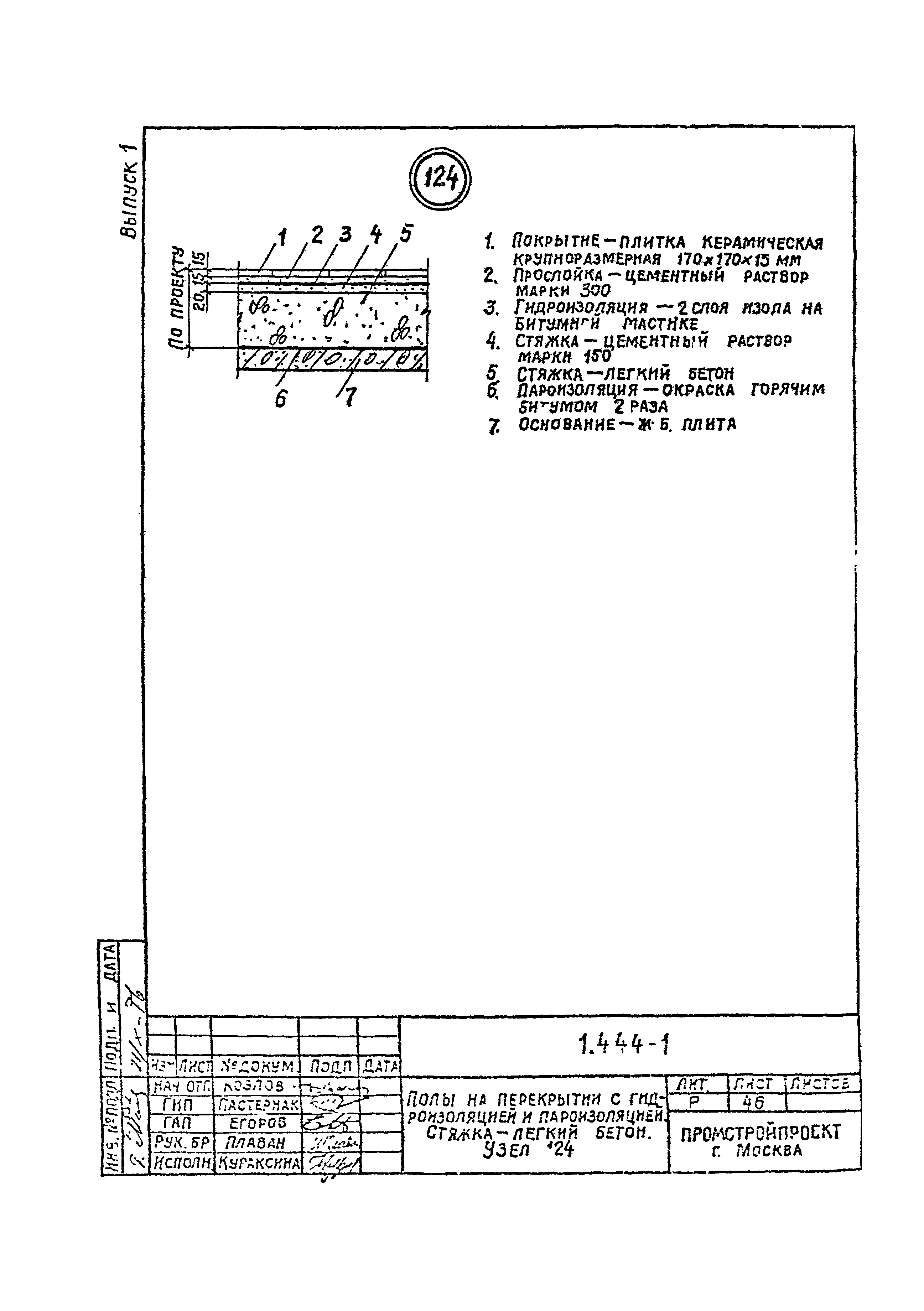
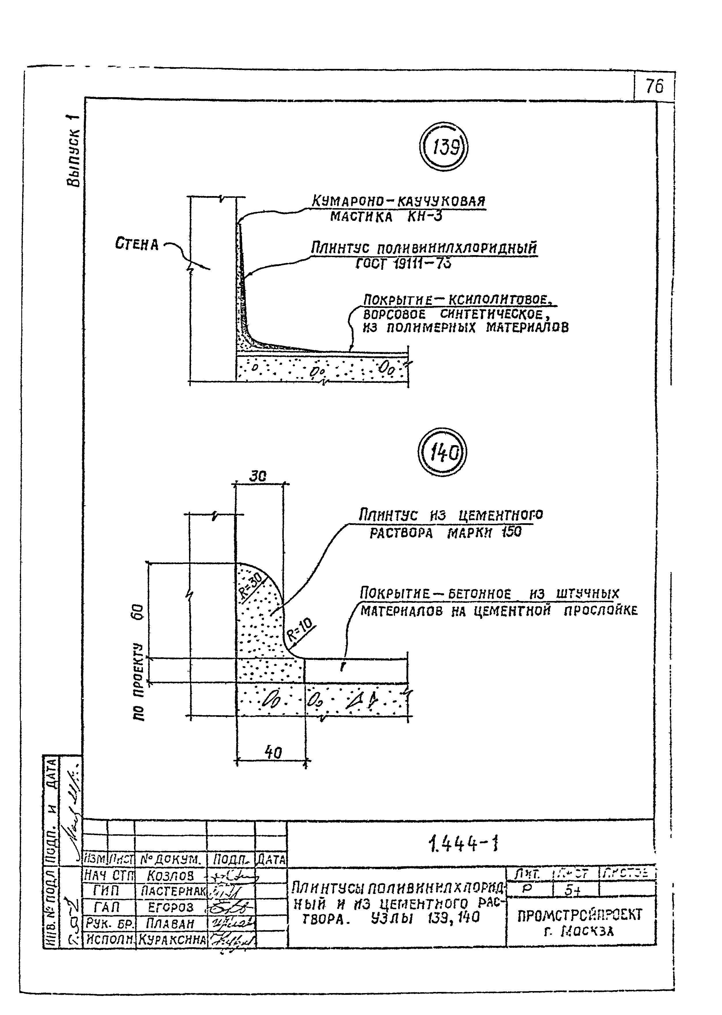
Скачать Серия 1.444-1 Выпуск 1. Конструкции половДата актуализации: 01.01.2021
|
| Обозначение: | Серия 1.444-1 |
| Обозначение англ: | Series 1.444-1 |
| Статус: | действует |
| Название рус.: | Выпуск 1. Конструкции полов |
| Дата добавления в базу: | 01.09.2013 |
| Дата актуализации: | 01.01.2021 |
| Дата введения: | 27.09.1976 |
| Разработан: | Промстройпроект Госстроя СССР Гипроавтопром |
| Утверждён: | 27.09.1976 Минавтопром СССР (USSR Minavtoprom ) |














































































