Скачать Шифр 209-82 Плиты полов керамзитобетонные для мест содержания животных. Рабочие чертежиДата актуализации: 01.01.2021
|
| Обозначение: | Шифр 209-82 |
| Обозначение англ: | 209-82 |
| Статус: | не определен законодательством |
| Название рус.: | Плиты полов керамзитобетонные для мест содержания животных. Рабочие чертежи |
| Дата добавления в базу: | 01.10.2014 |
| Дата актуализации: | 01.01.2021 |
| Дата введения: | 01.01.1983 |
| Дата окончания срока действия: | 30.06.2003 |
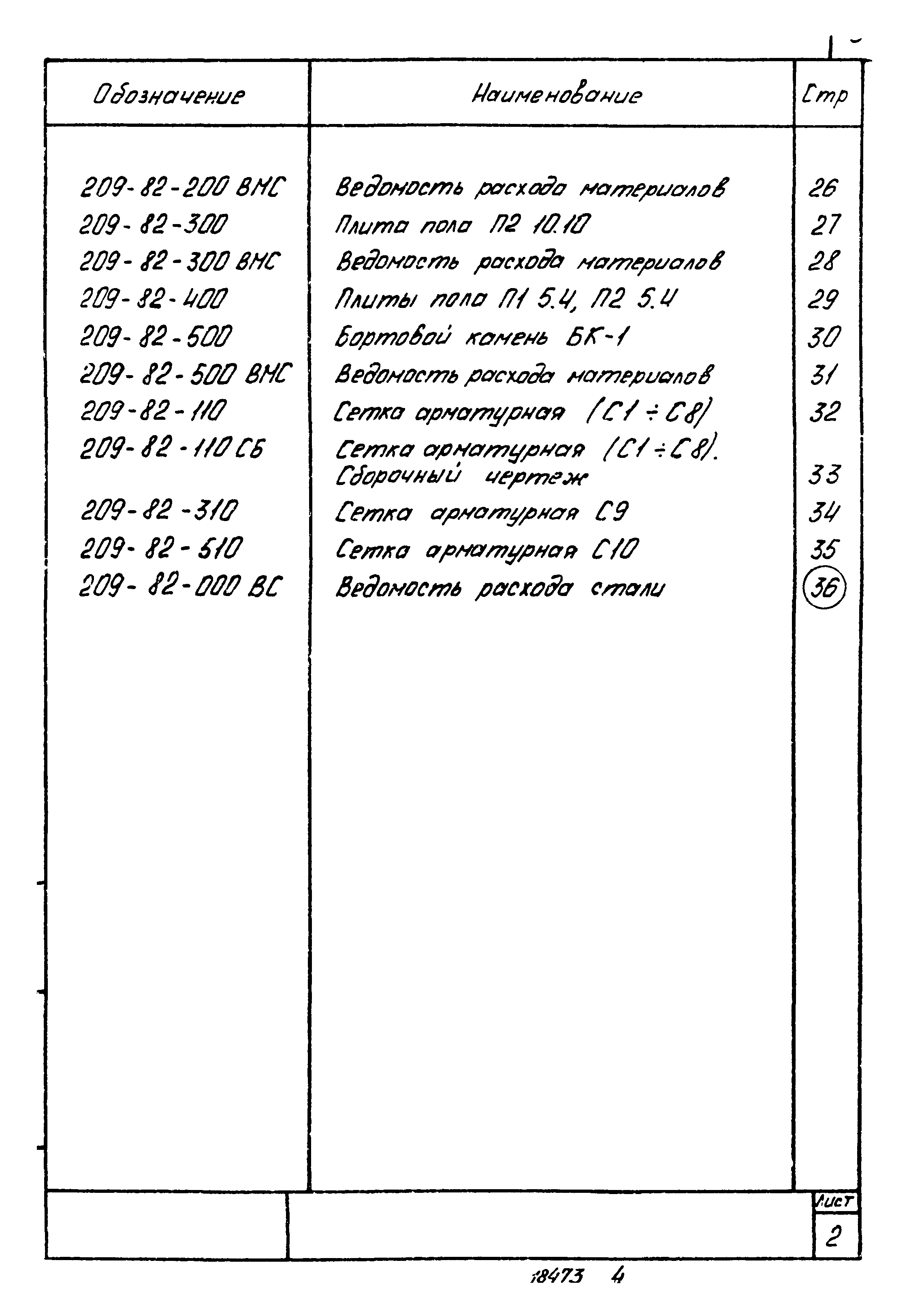
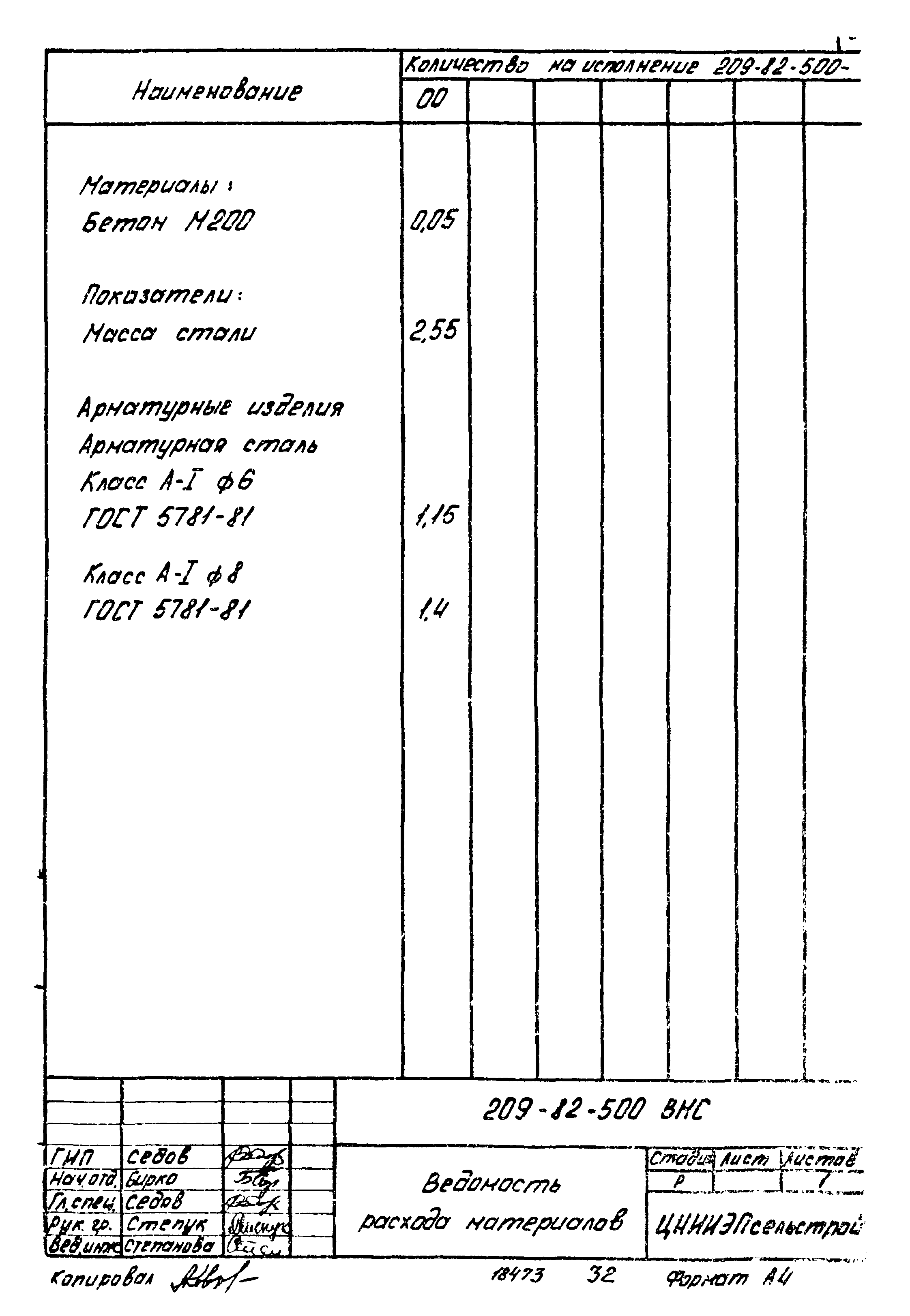
| Оглавление: | 209-82-000ПЗ Пояснительная записка 209-82-СМ1 Номенклатура 209-82-СМ2 Схема боксов с полами из керамзитобетонных плит 209-82-СМ3 Пример раскладки плит пола (ТП 801-2-12) 209-82-СМ4 Узел 1 209-82-СМ5 Пример раскладки плит пола (ТП 801-385) 209-82-СМ6 Узел 2 209-82-СМ7 Пример раскладки плит пола (ТП 802-194) 209-82-СМ8 Узел 3 209-82-100 Плиты пола П1 19.12; П1 20.11; П1 21.10; П1 20.10; П1 19.9; П1 18.8; П1 17.7; П1 16.7 209-82-100СБ Плиты пола П1 19.12; П1 20.11; П1 21.10; П1 20.10; П1 19.9; П1 18.8; П1 17.7; П1 16.7. Сборочный чертеж 209-82-100ВМС Ведомость расхода материалов 209-82-200 Плиты пола П1 19.12-1; П1 20.11-1; П1 21.10-1; П1 20.10-1; П1 19.9-1; П1 18.8-1; П1 17.7-1; П1 16.7-1 209-82-200СБ Плиты пола П1 19.12-1; П1 20.11-1; П1 21.10-1; П1 20.10-1; П1 19.9-1; П1 18.8-1; П1 17.7-1; П1 16.7-1. Сборочный чертеж 209-82-200ВМС Ведомость расхода материалов 209-82-300 Плиты пола П2 10.10 209-82-300ВМС Ведомость расхода материалов 209-82-400 Плиты пола П1 5.4; П2 5.4 209-82-500 Бортовой камень БК-1 209-82-500ВМС Ведомость расхода материалов 209-82-110 Сетка арматурная (С1 - С8) 209-82-110СБ Сетка арматурная (С1 - С8). Сборочный чертеж 209-82-310 Сетка арматурная С9 209-82-510 Сетка арматурная С10 209-82-000ВС Ведомость расхода стали |
| Разработан: | ЦНИИЭПсельстрой |
| Утверждён: | 06.09.1982 Госстрой СССР (Государственный комитет Совета Министров СССР по делам строительства) (USSR Gosstroy 68) |





































