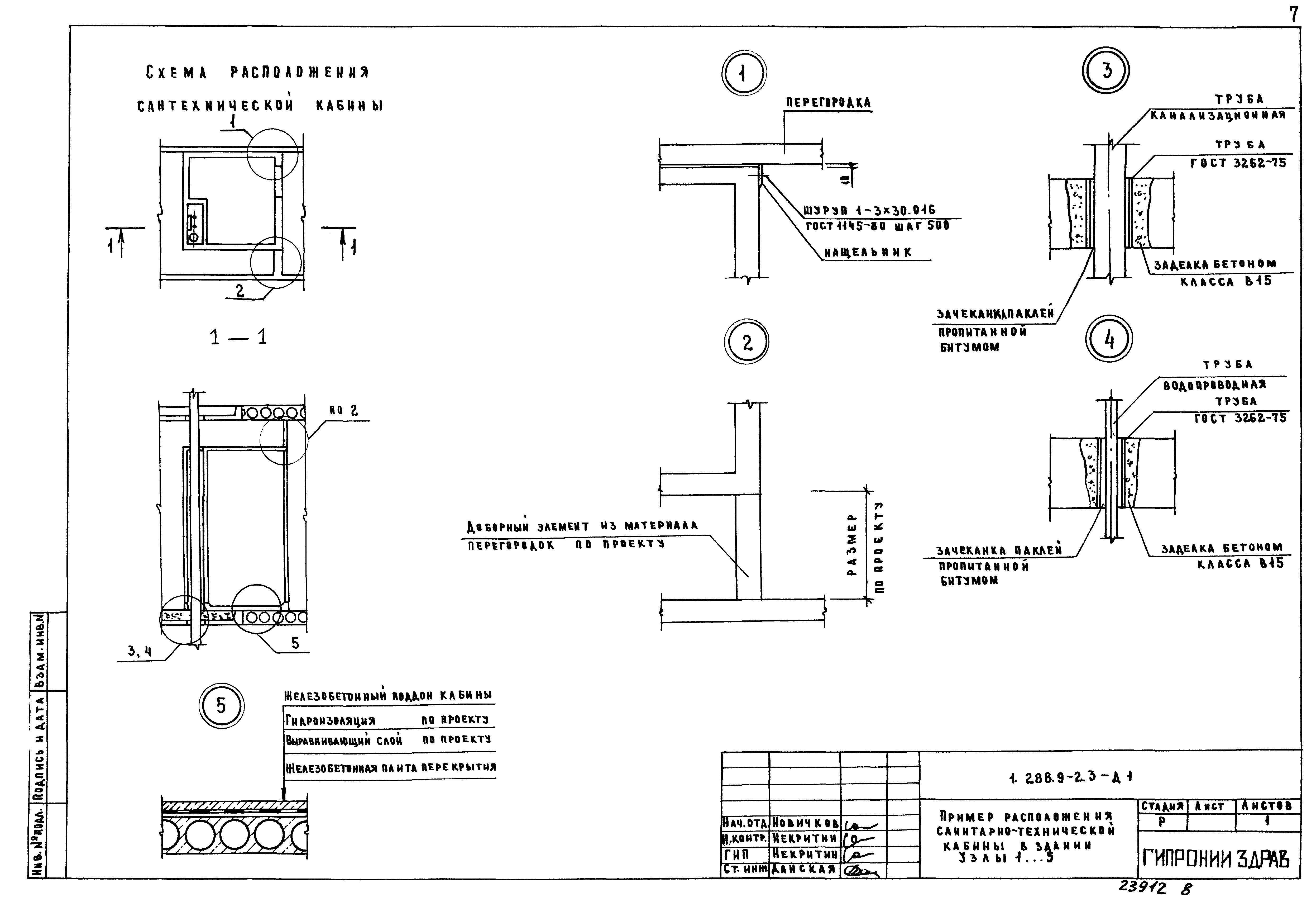
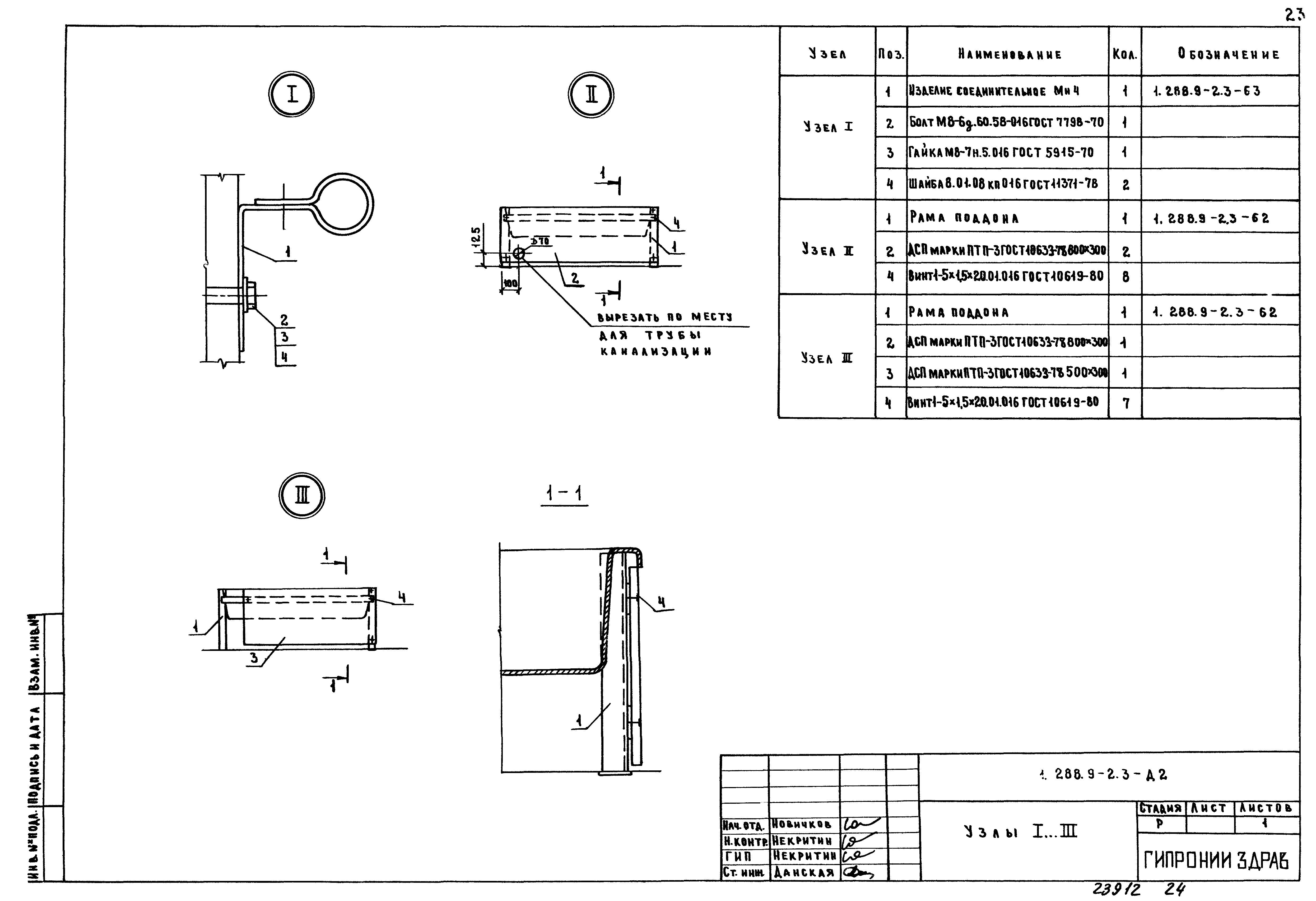
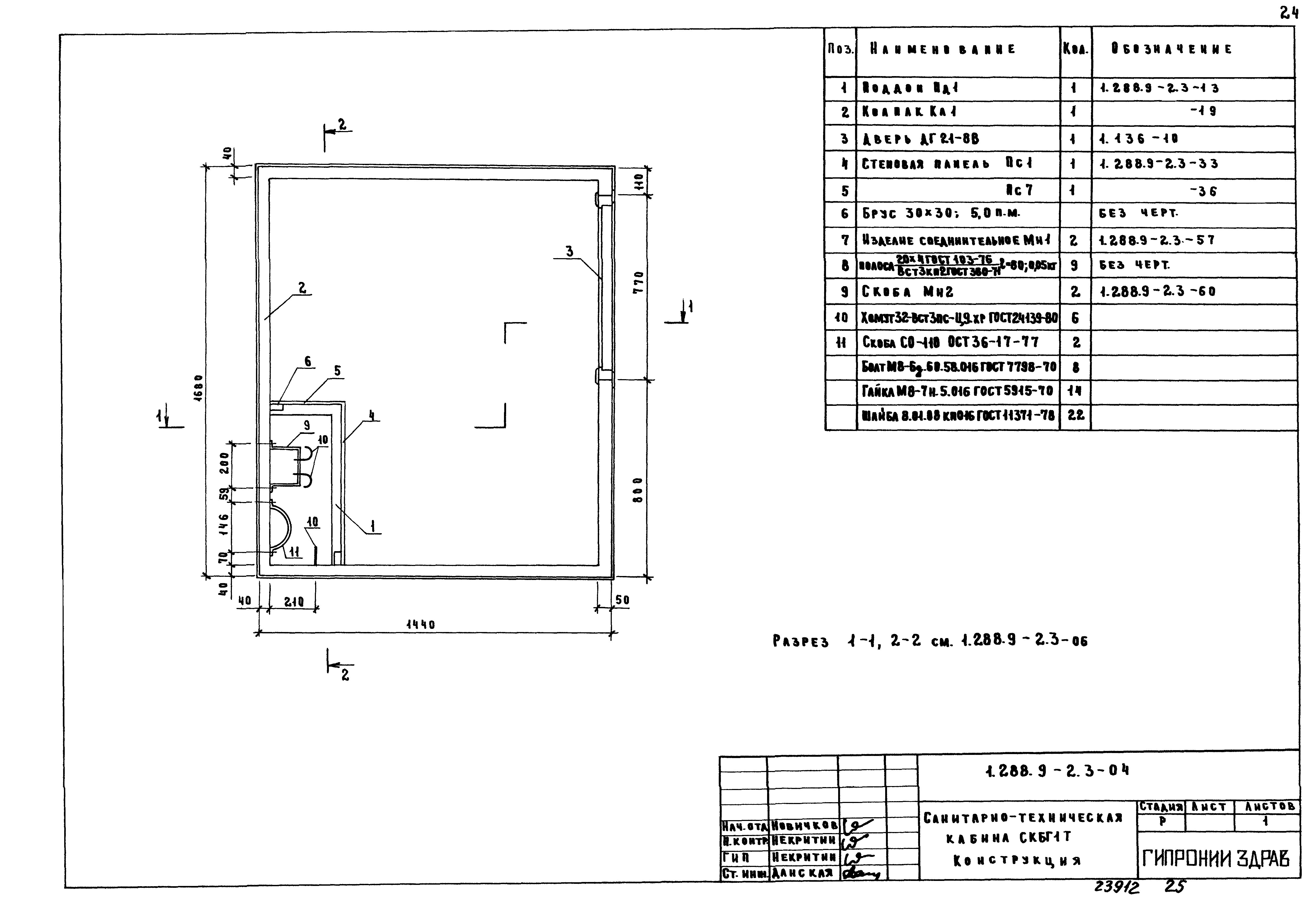
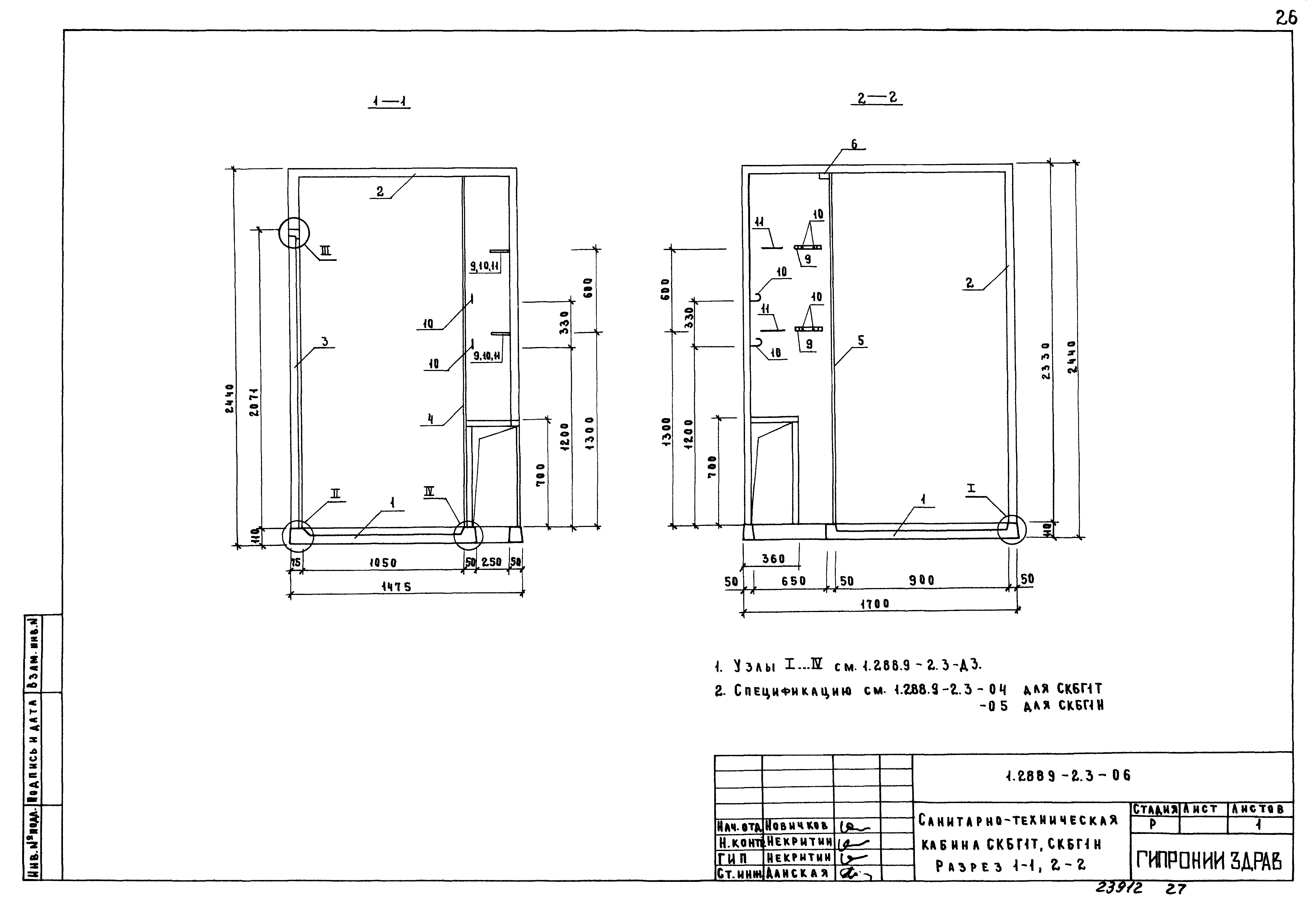
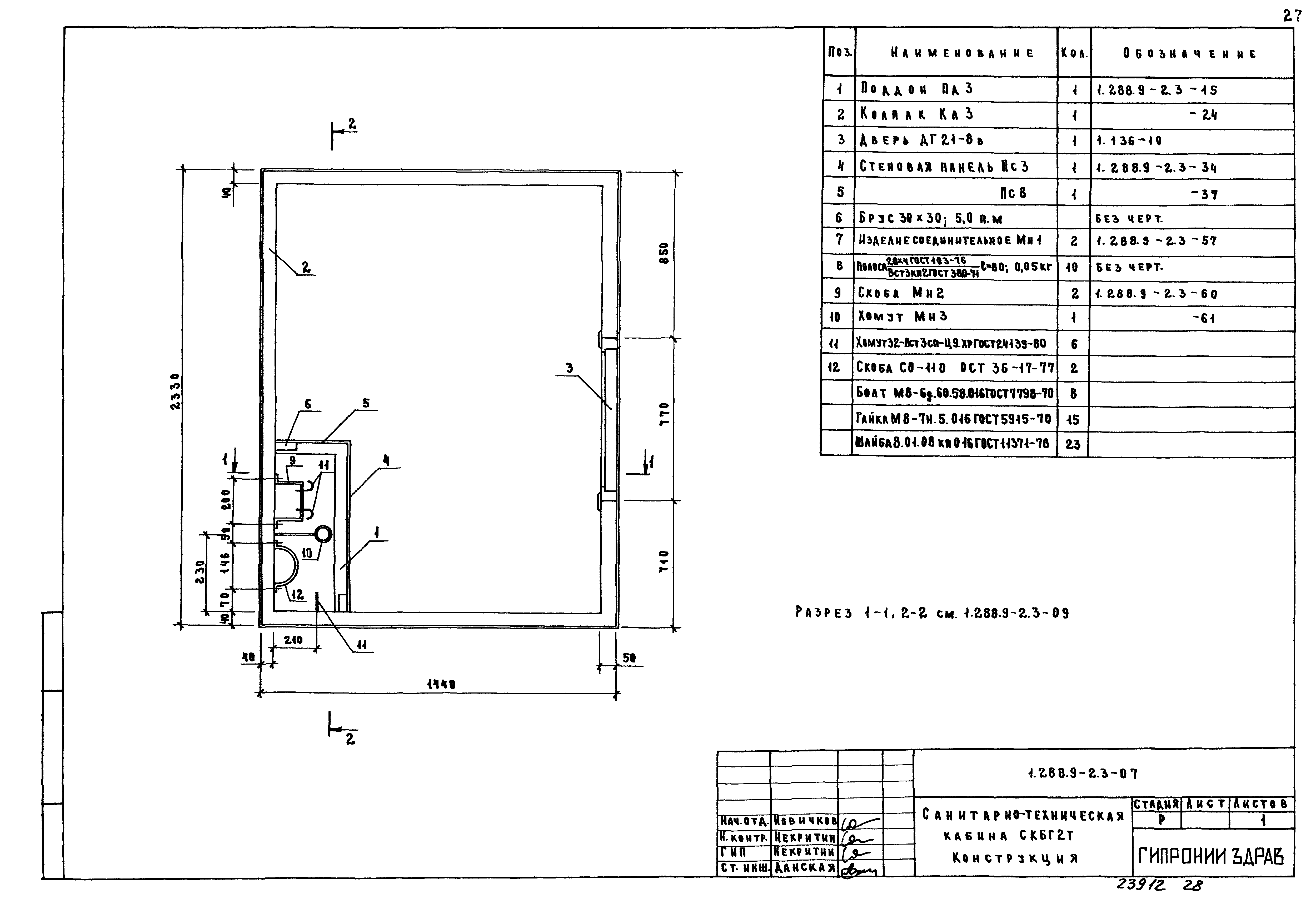
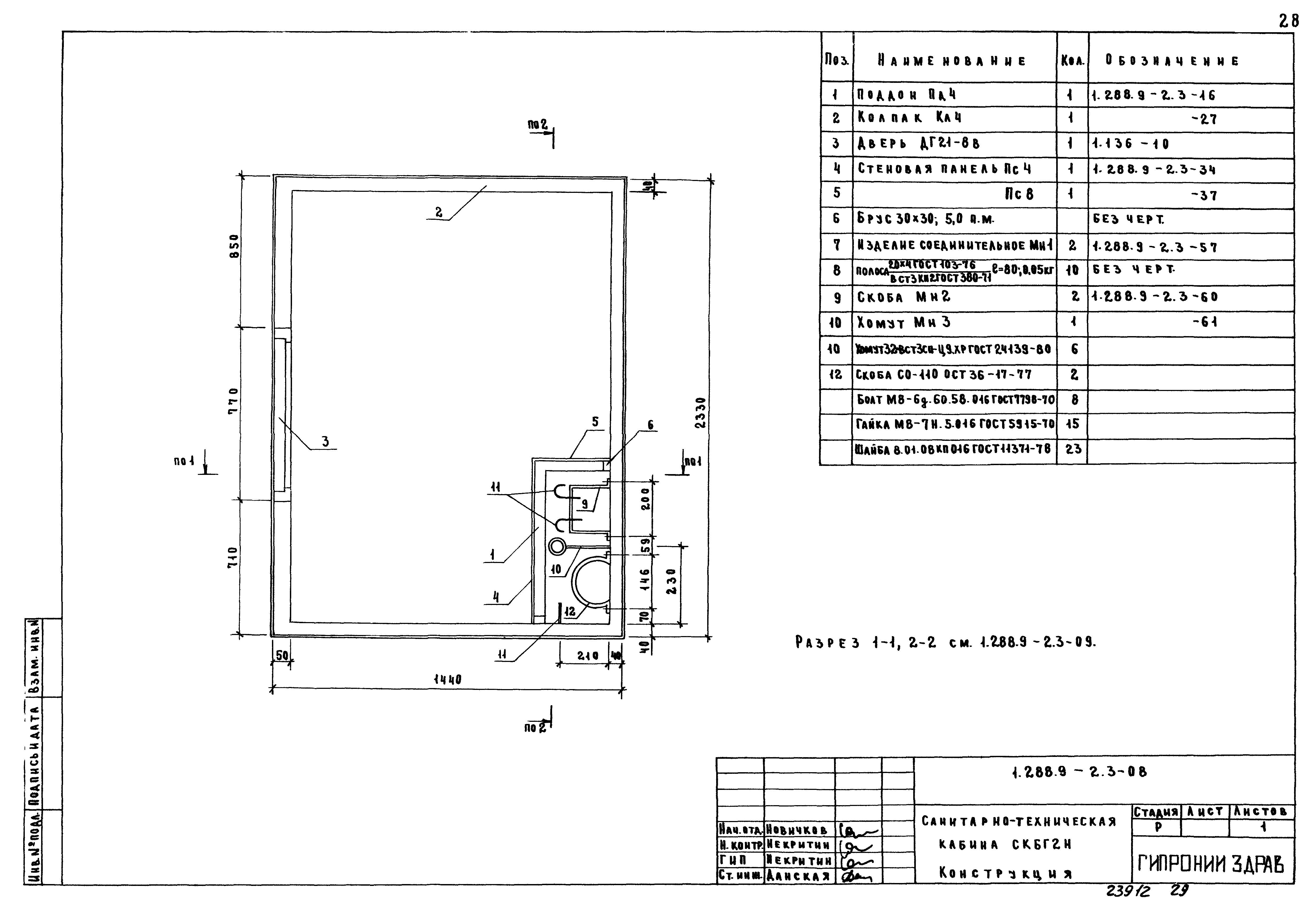
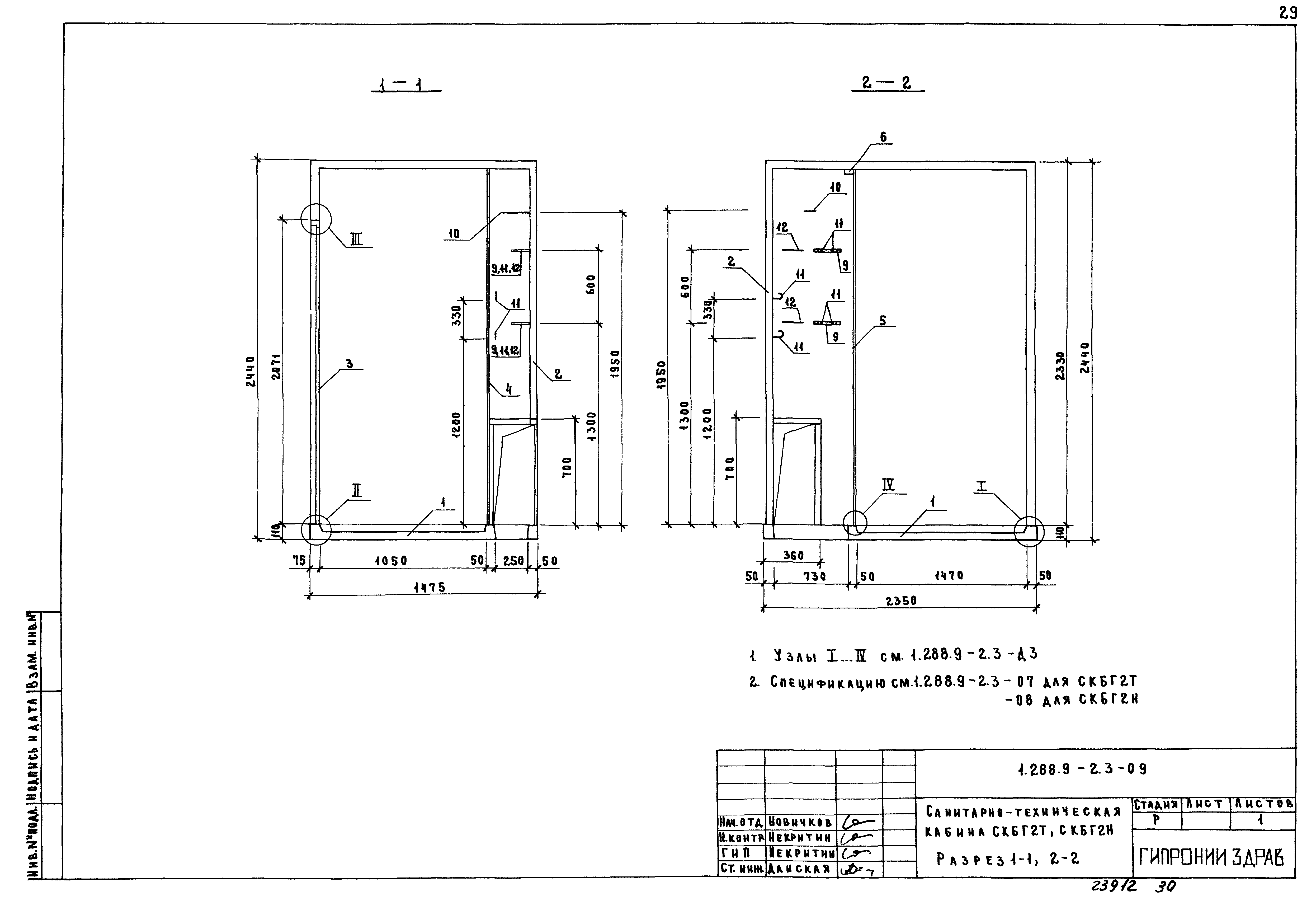
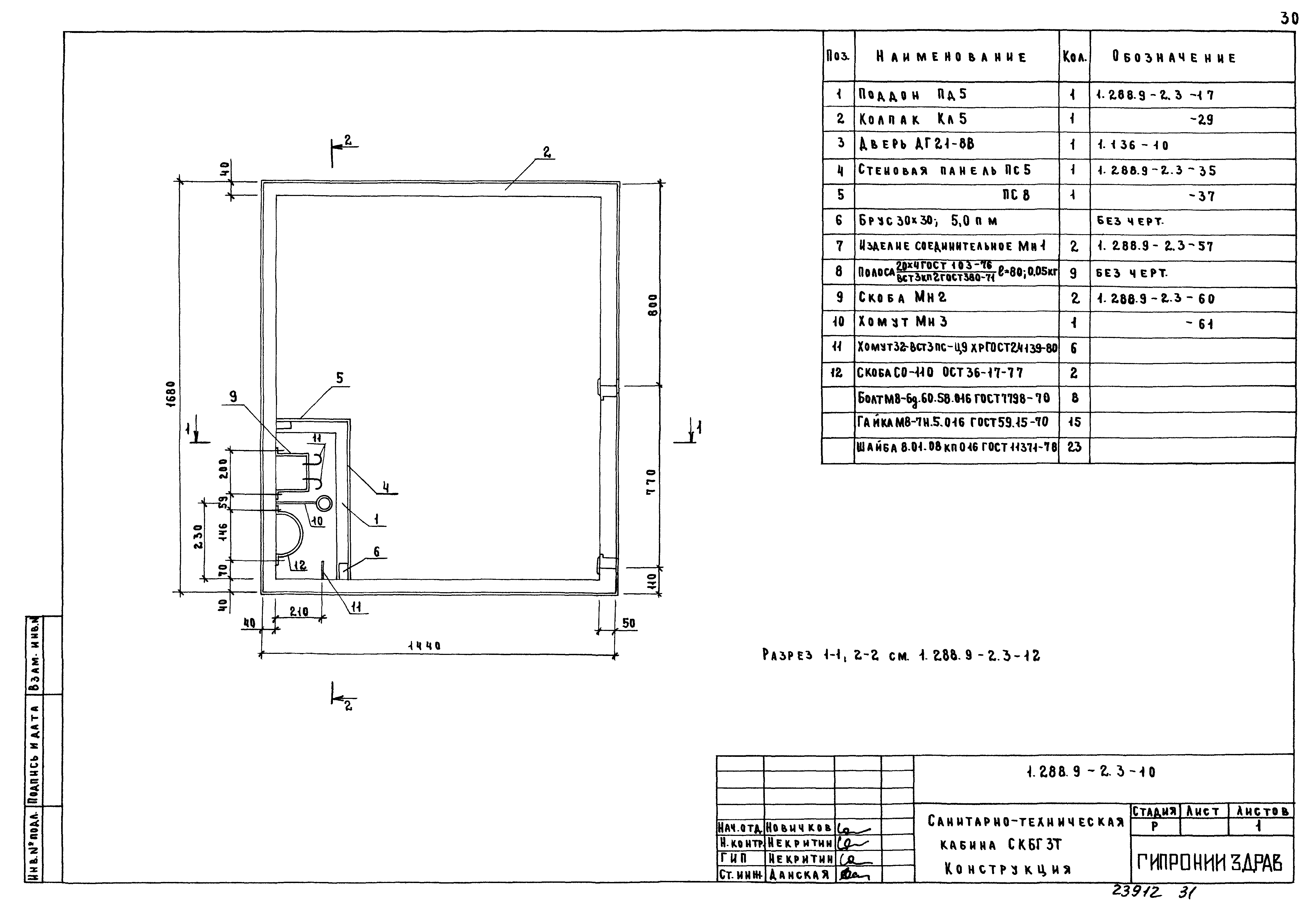
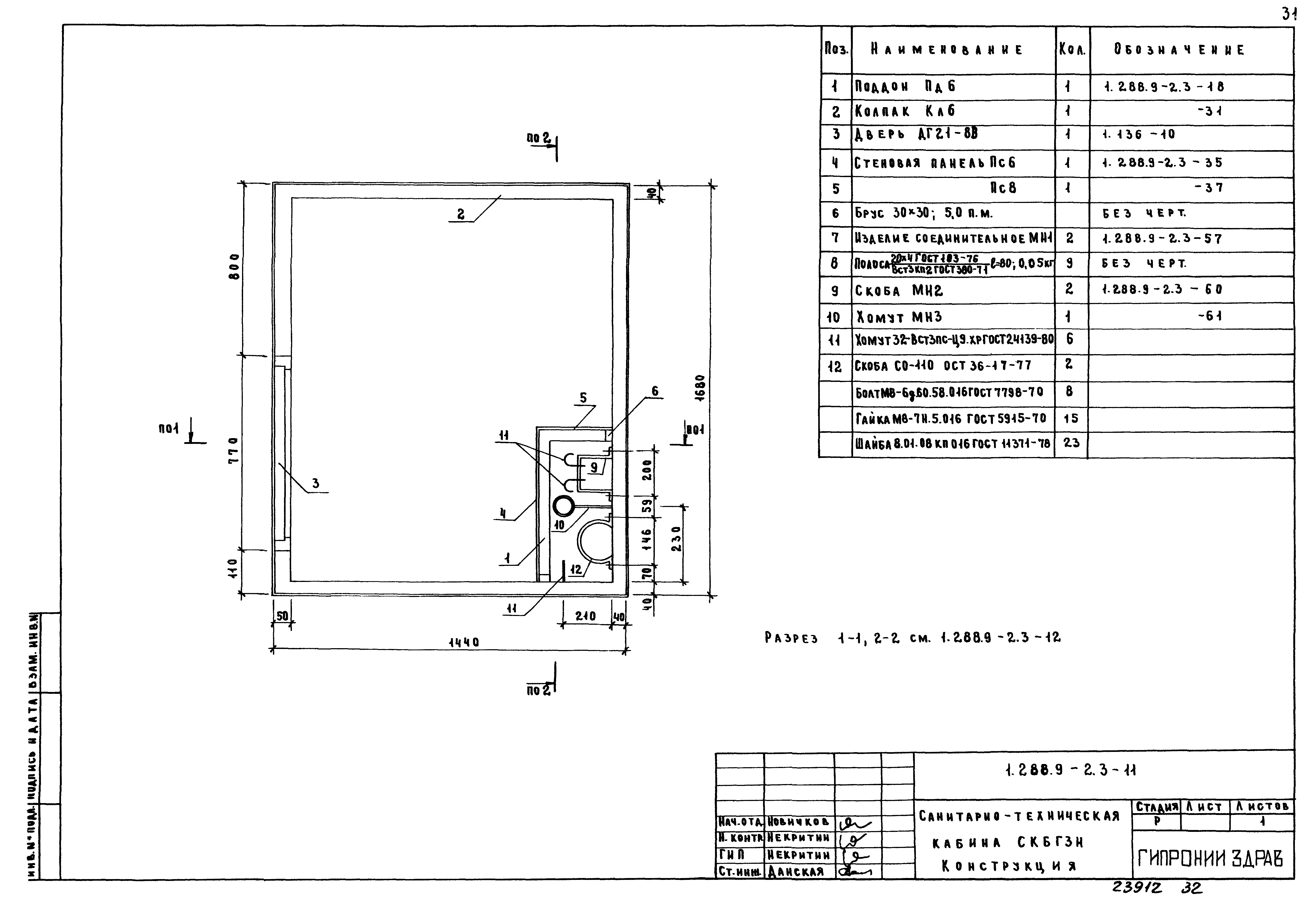
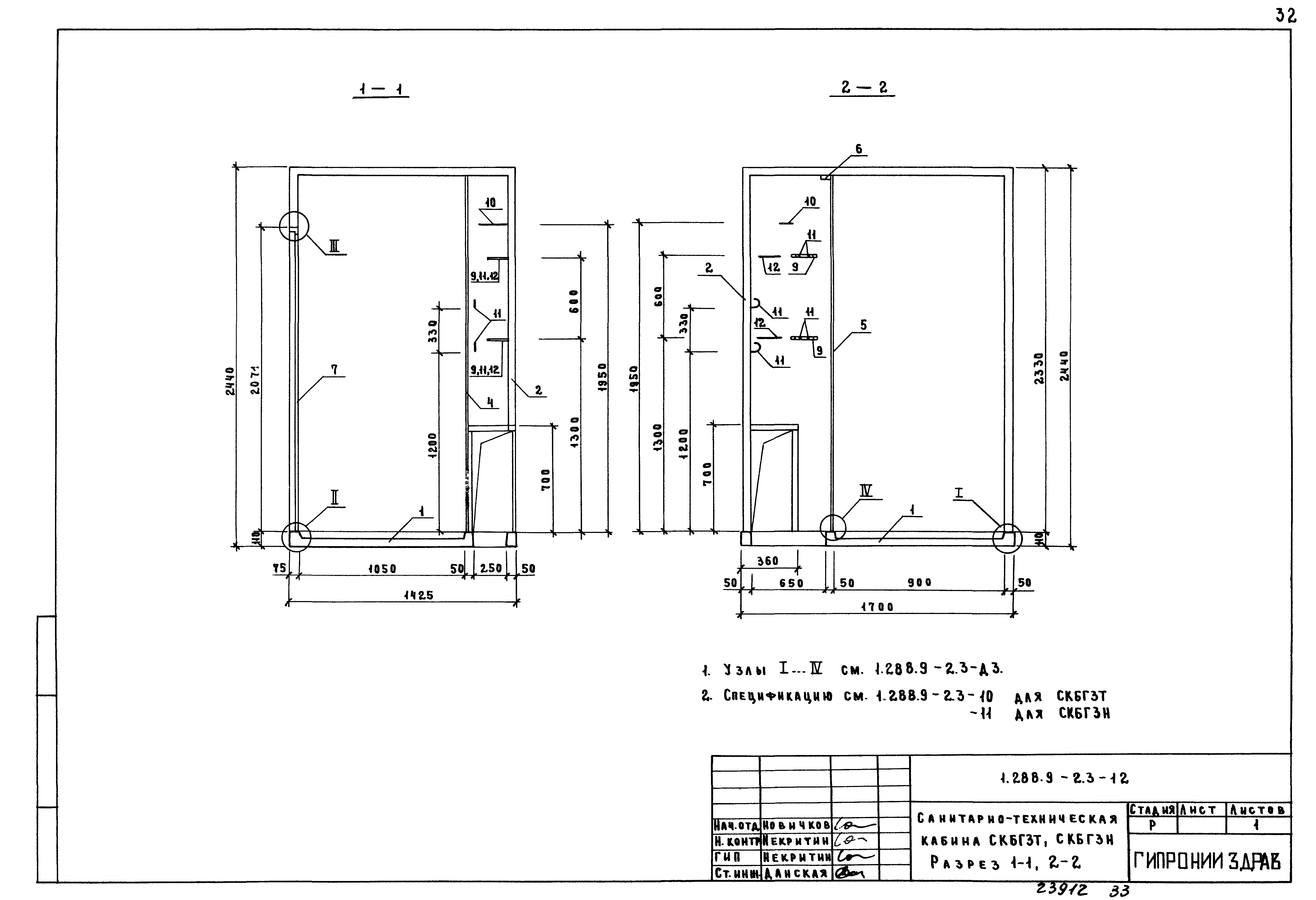
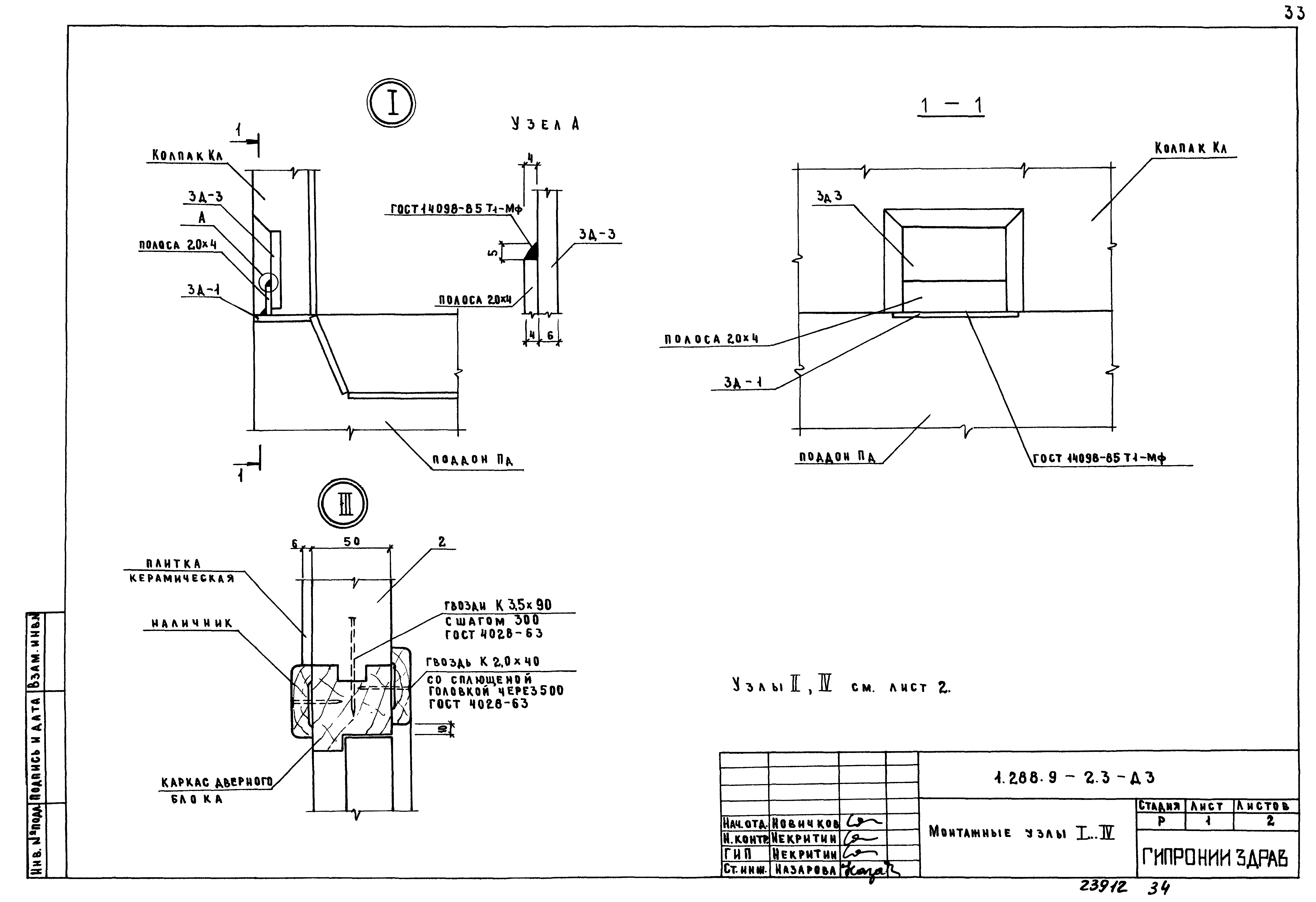
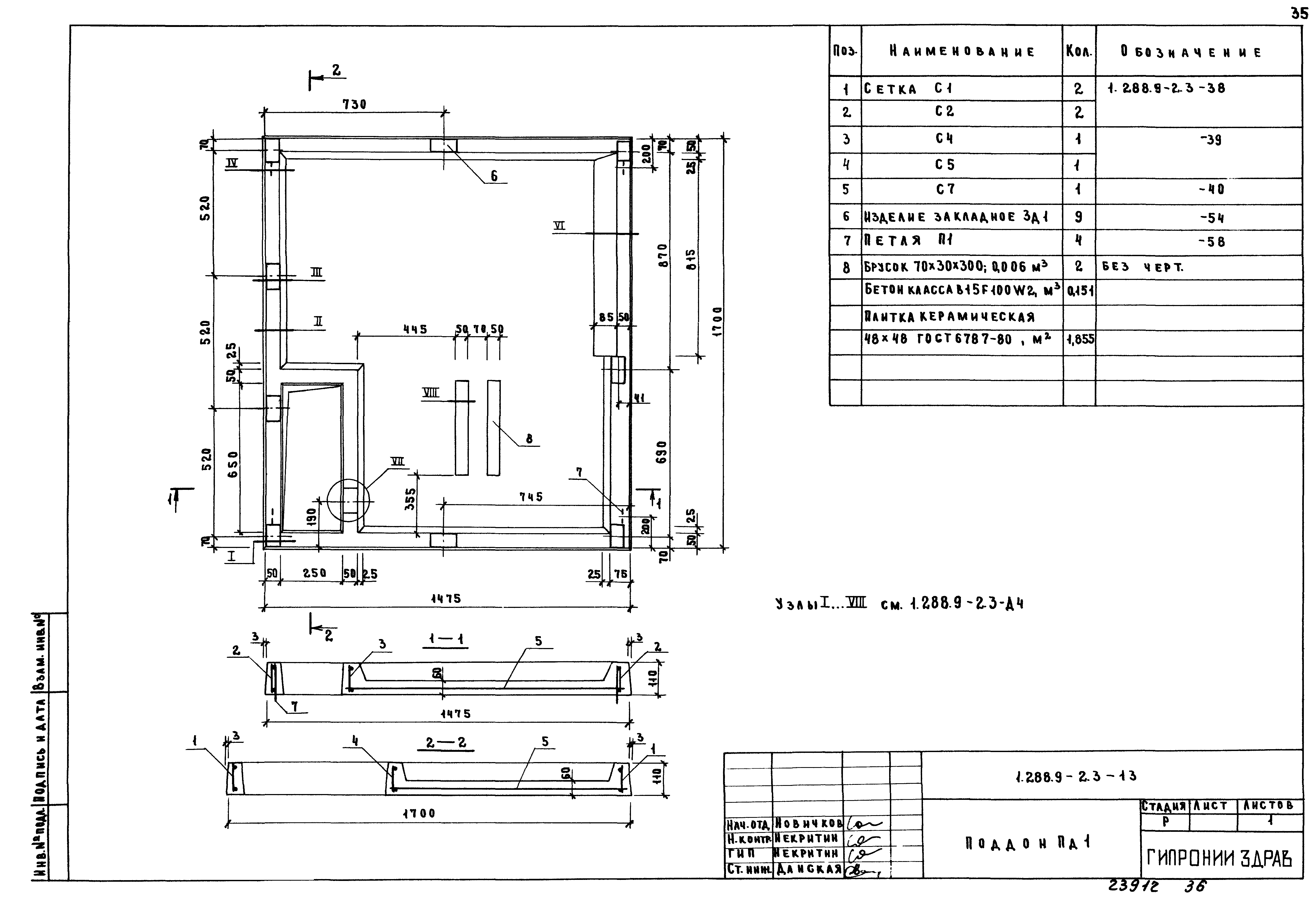
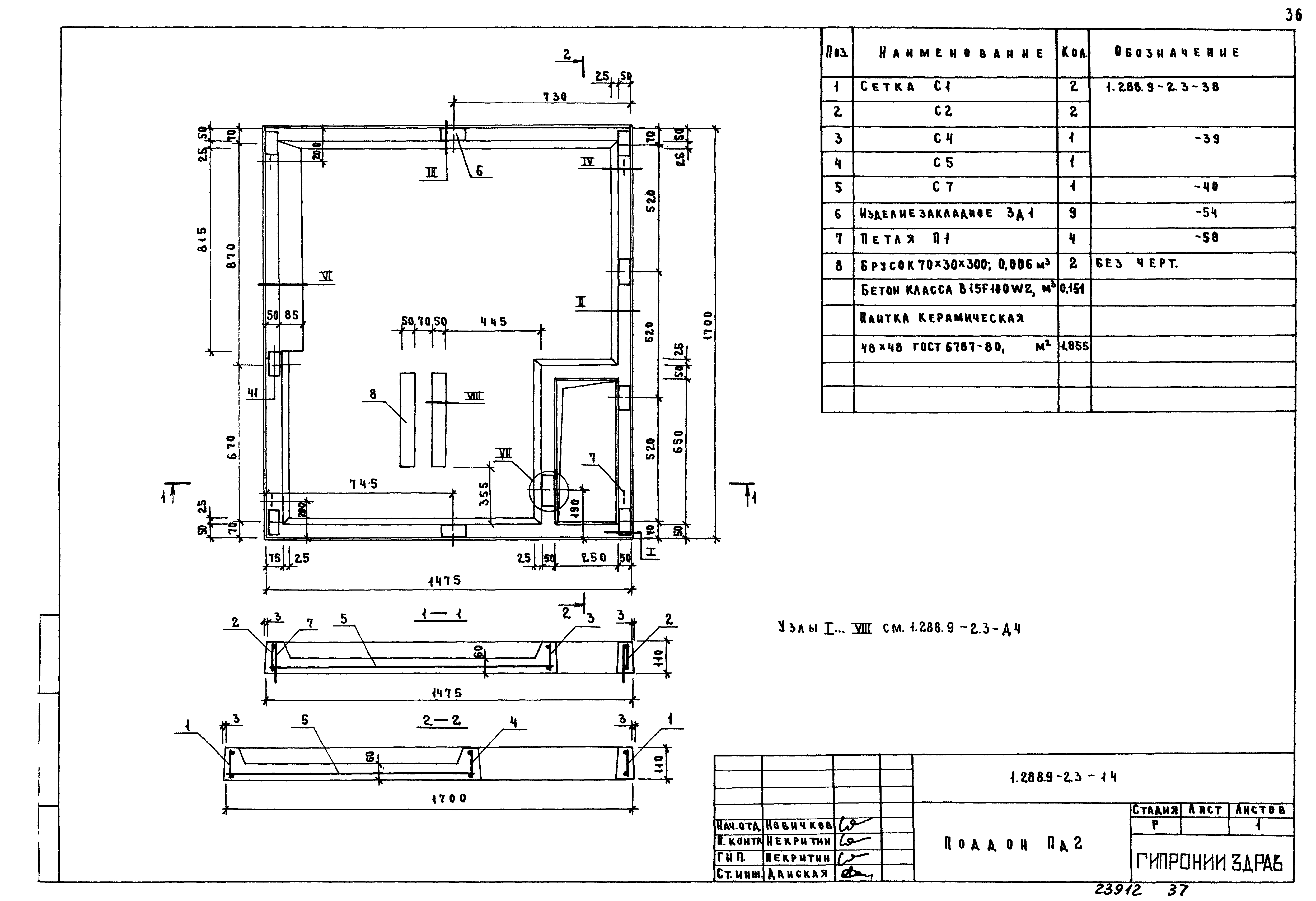
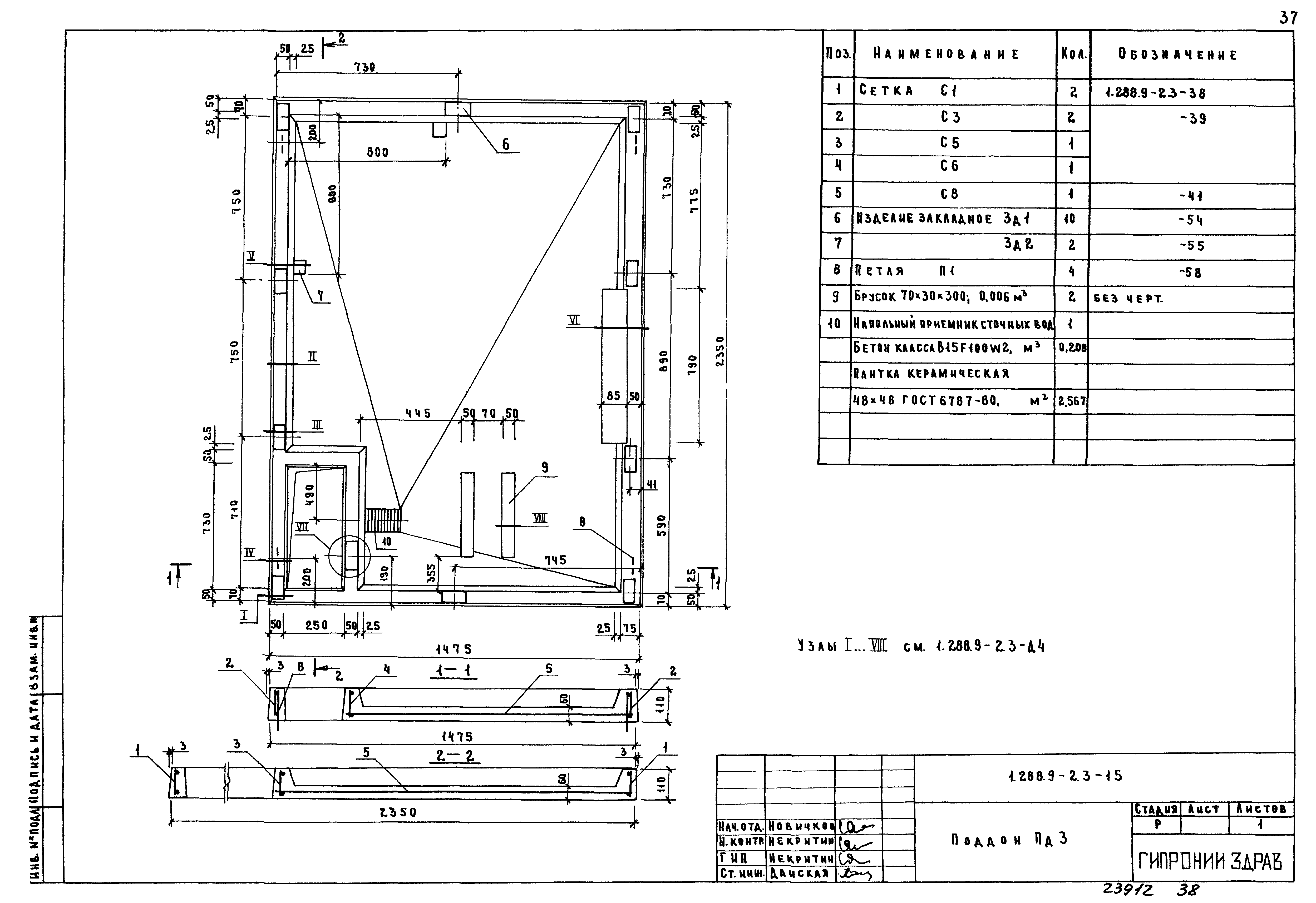
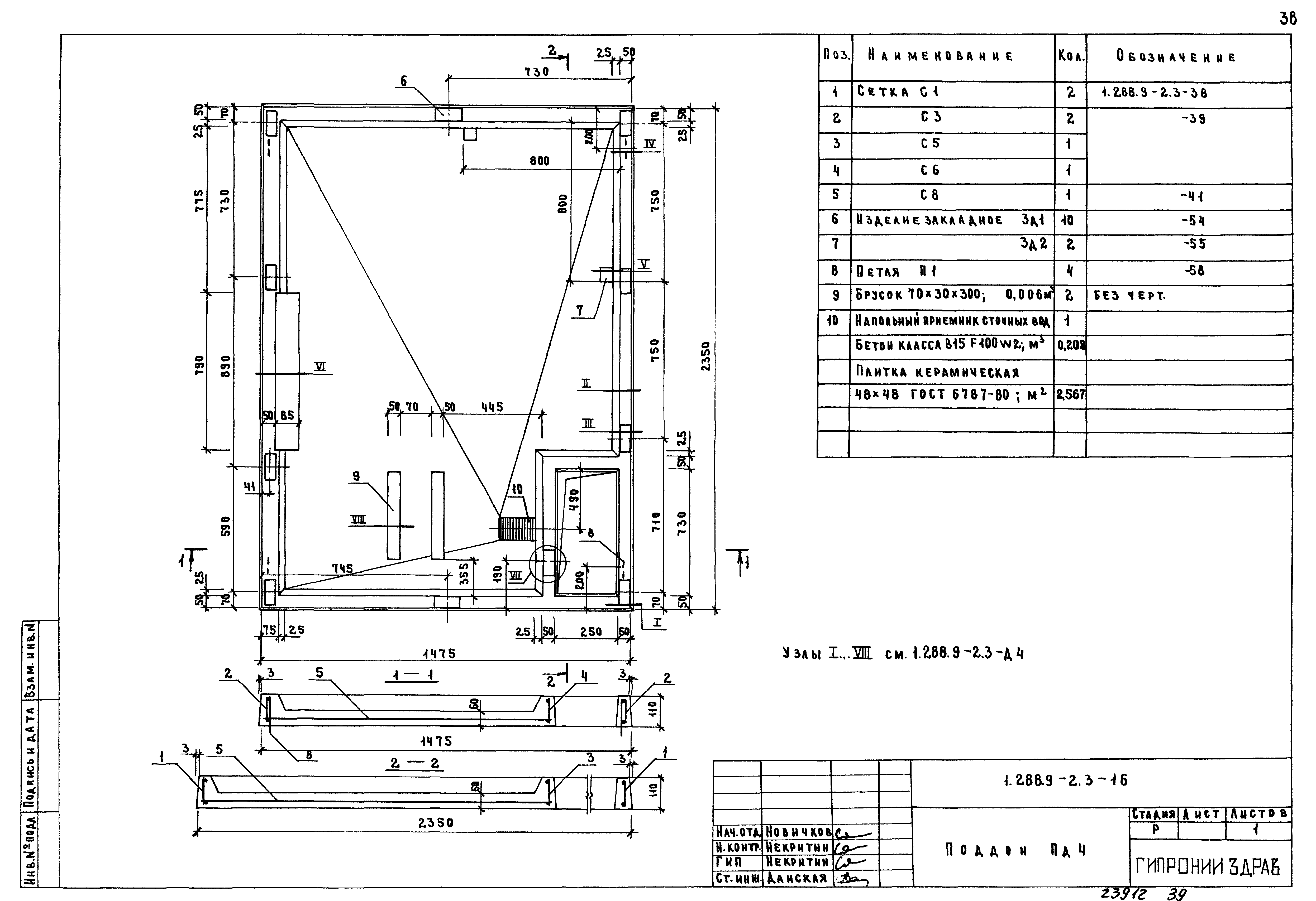
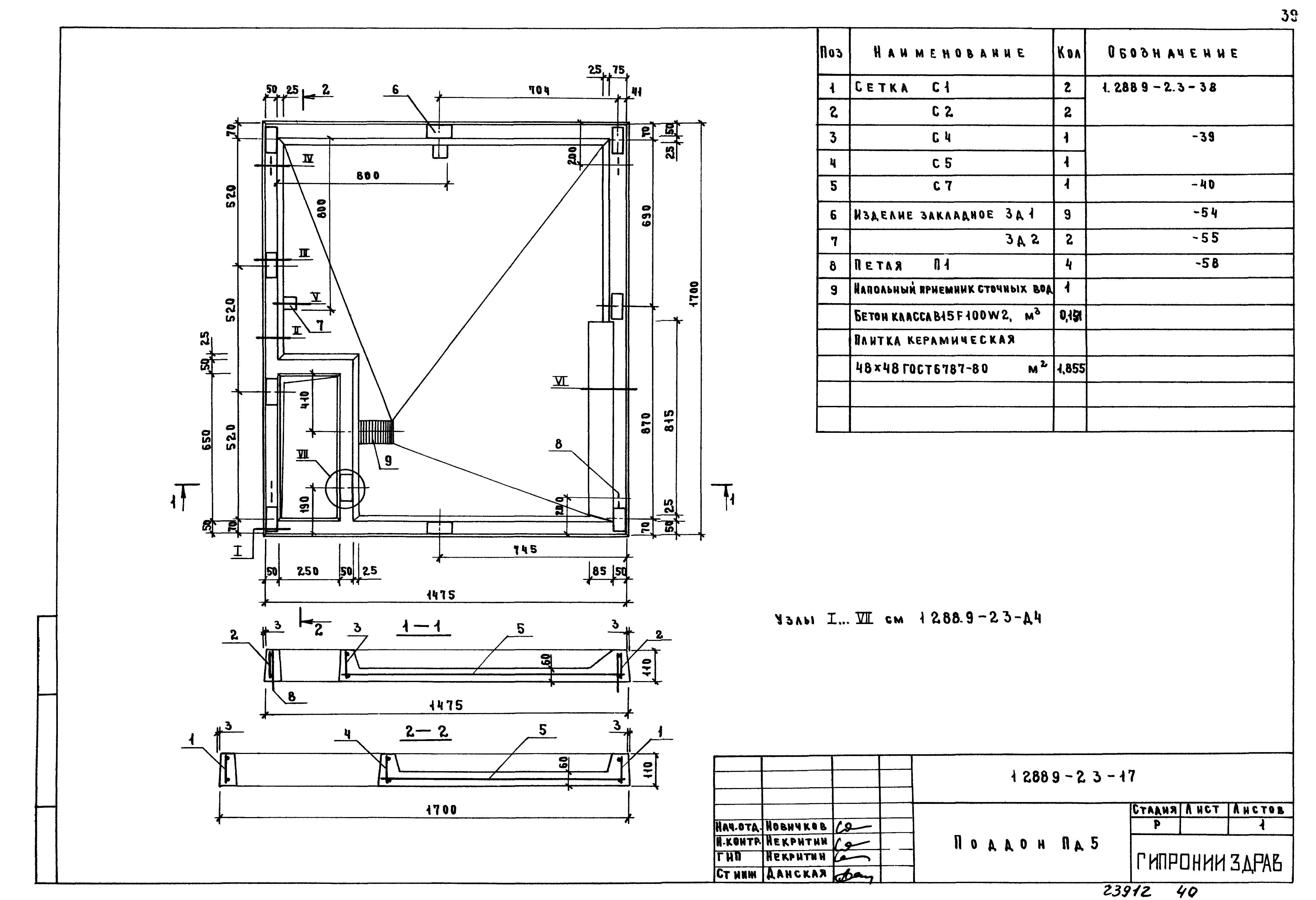
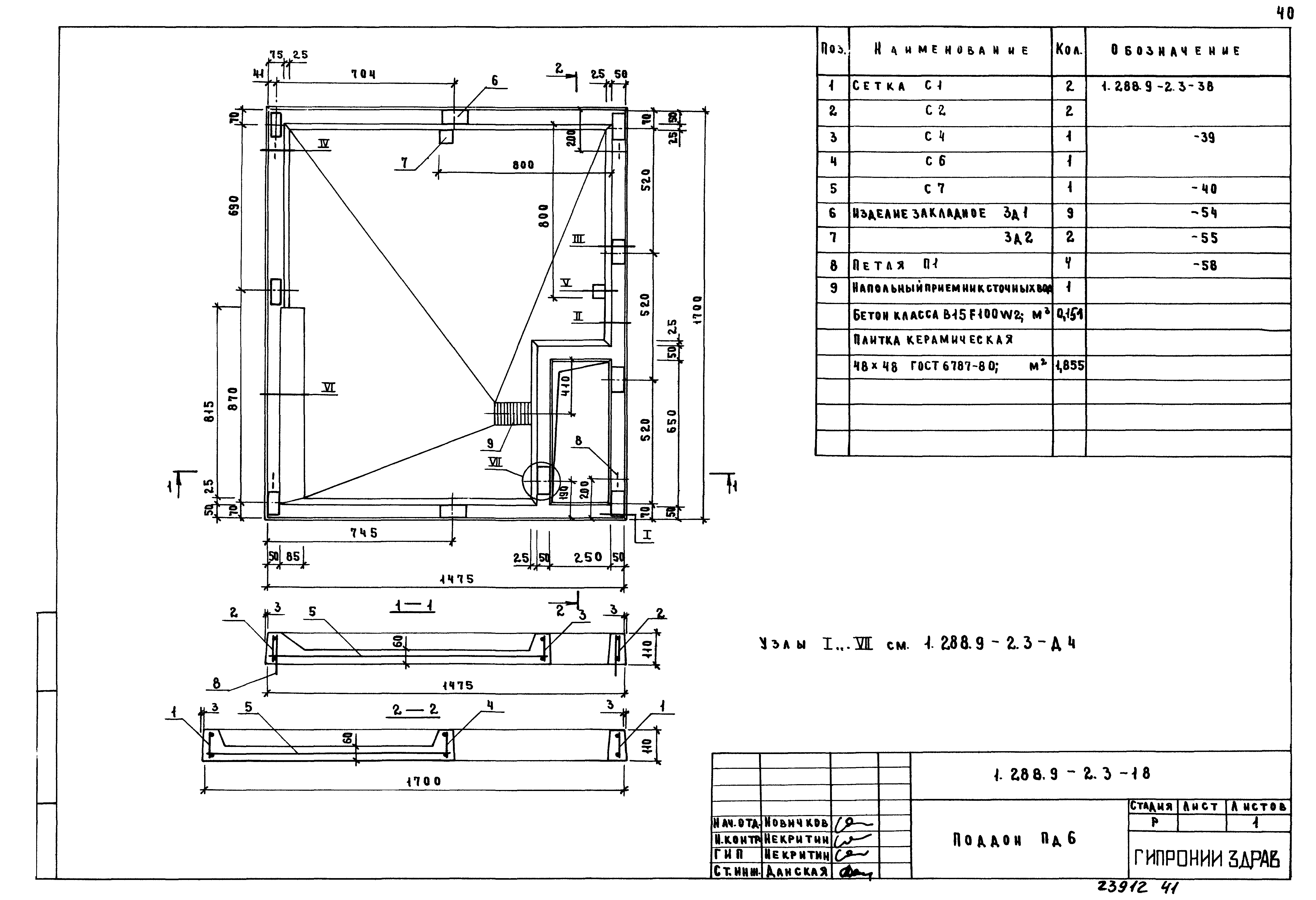
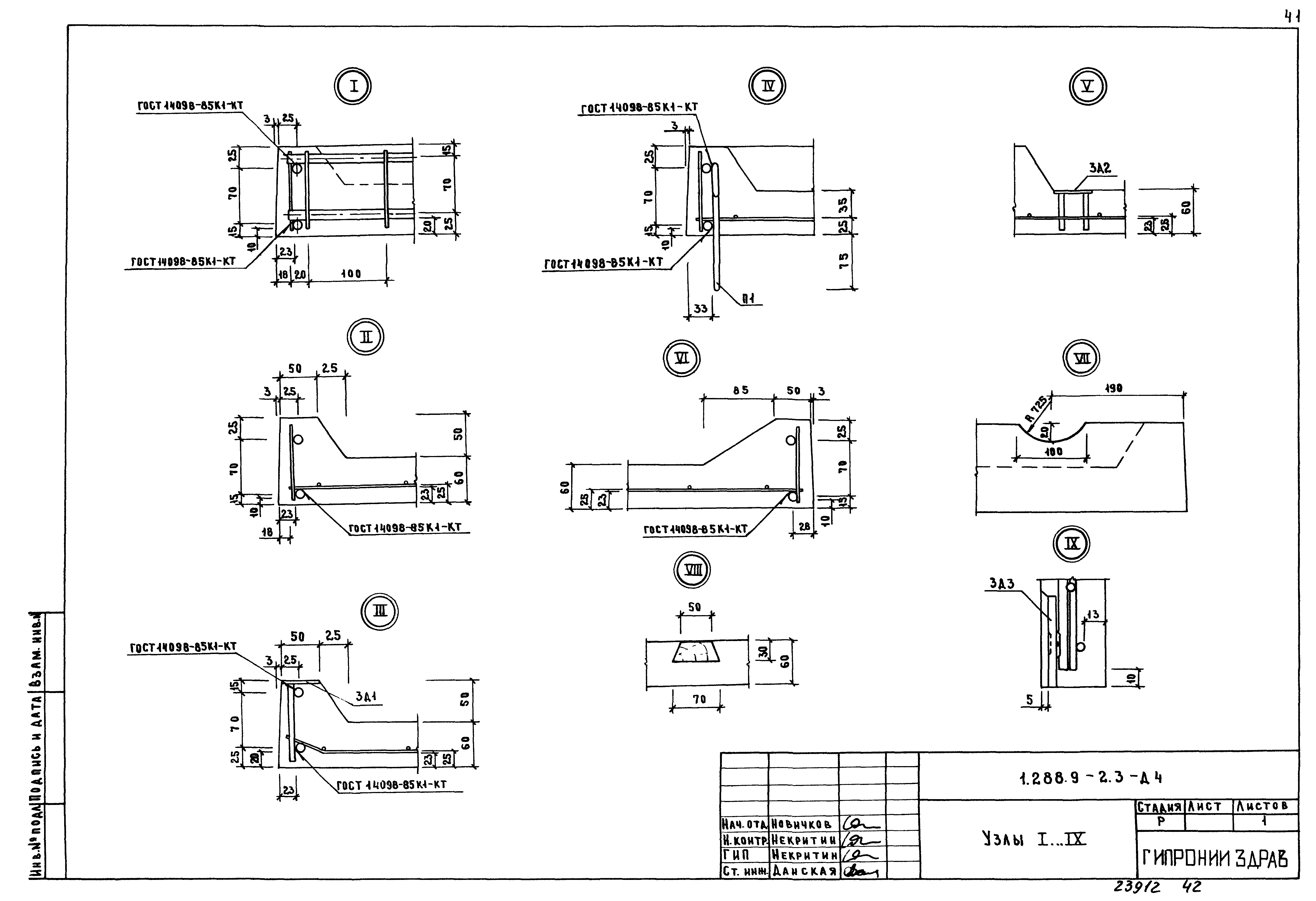
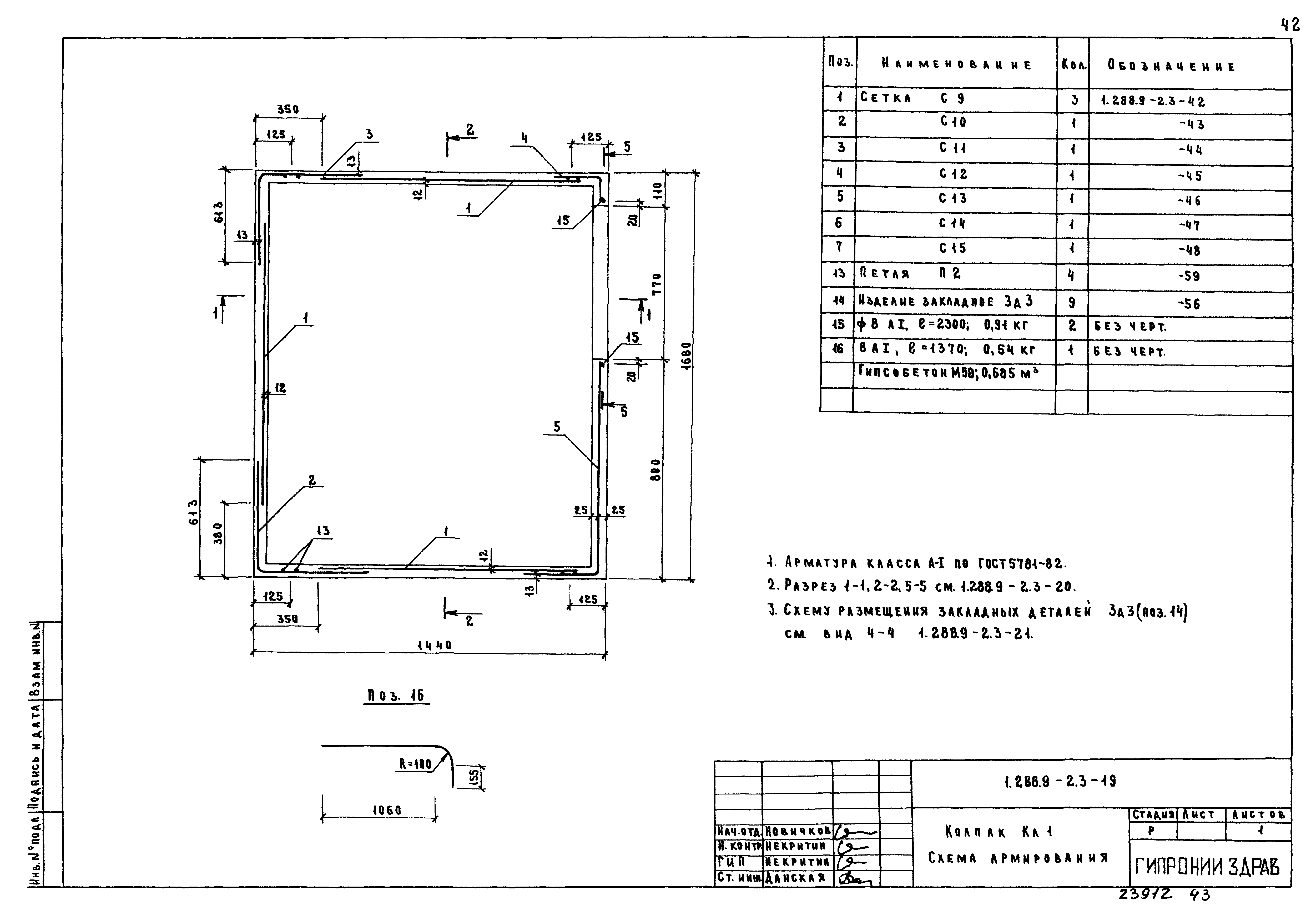
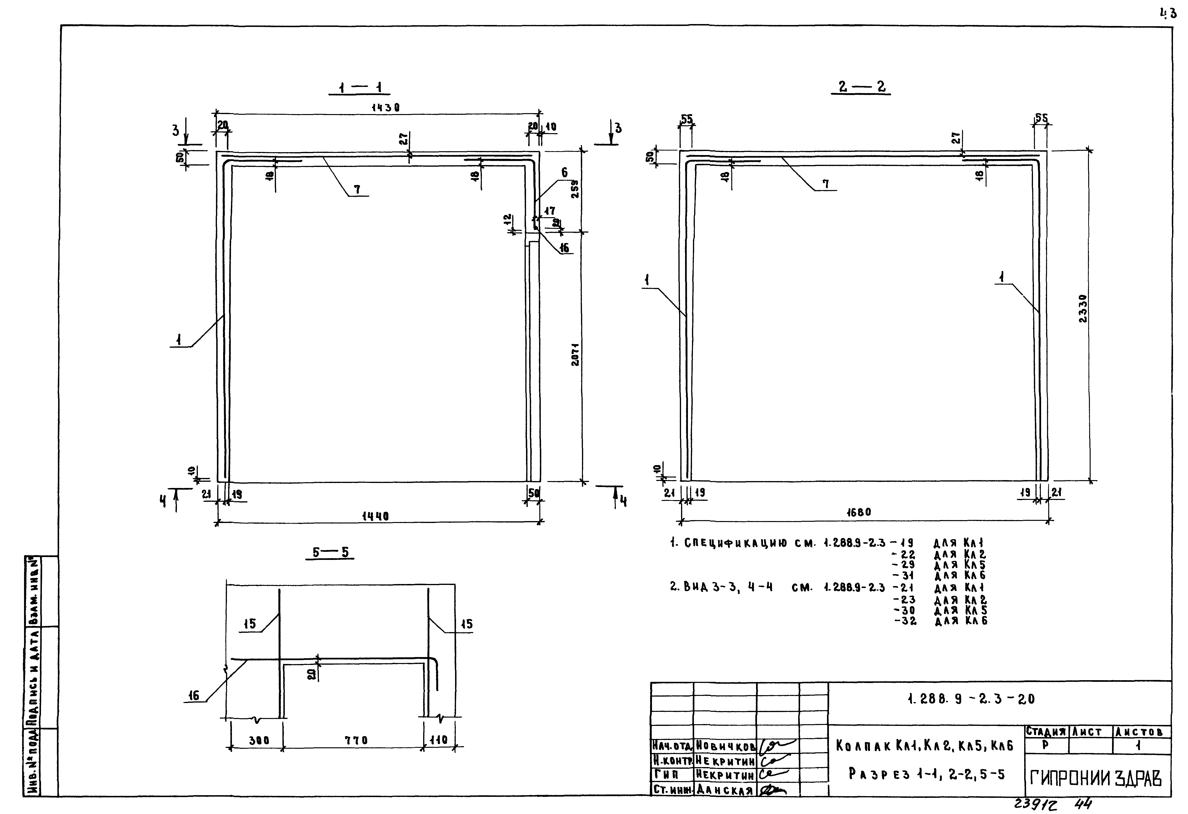
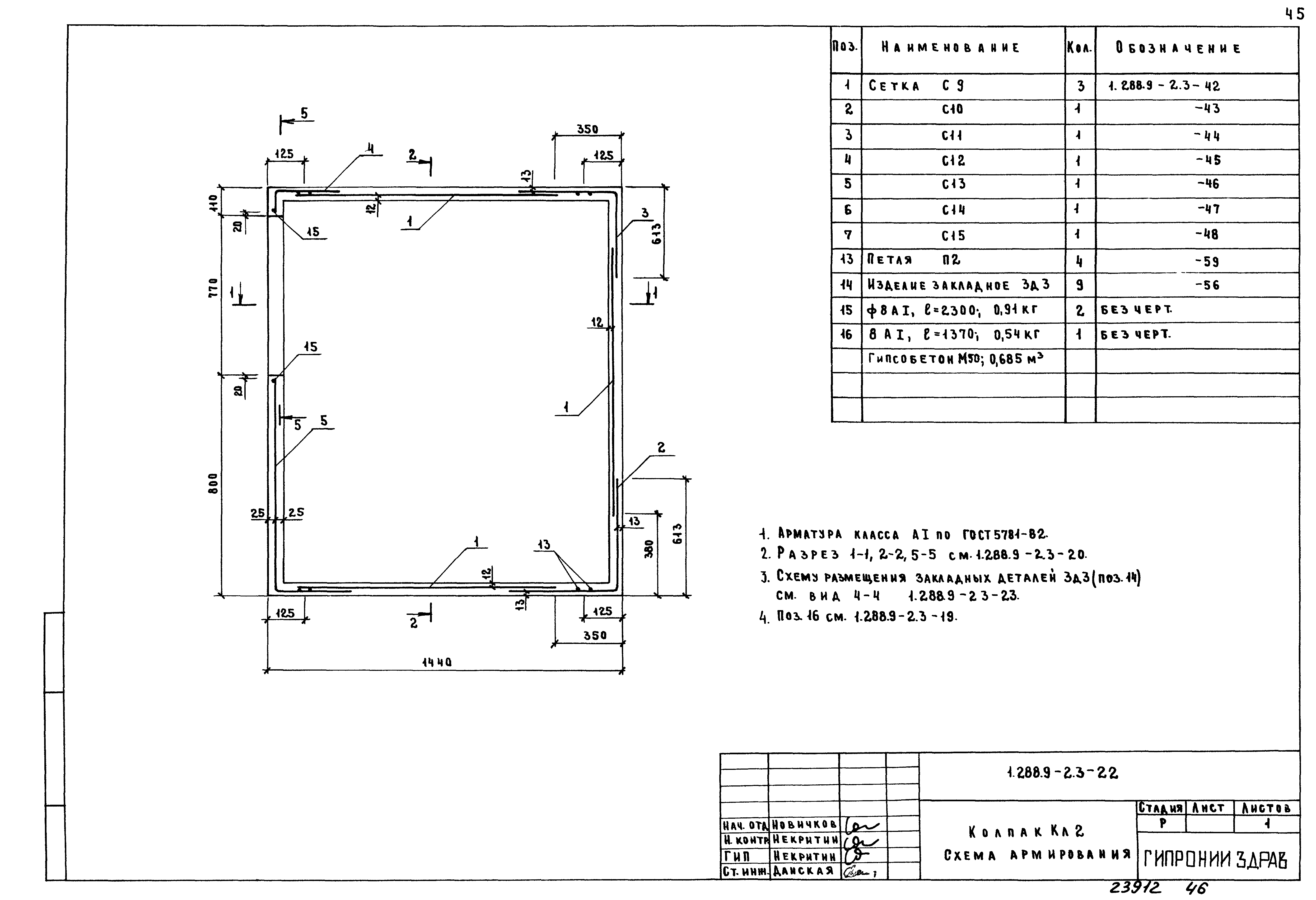
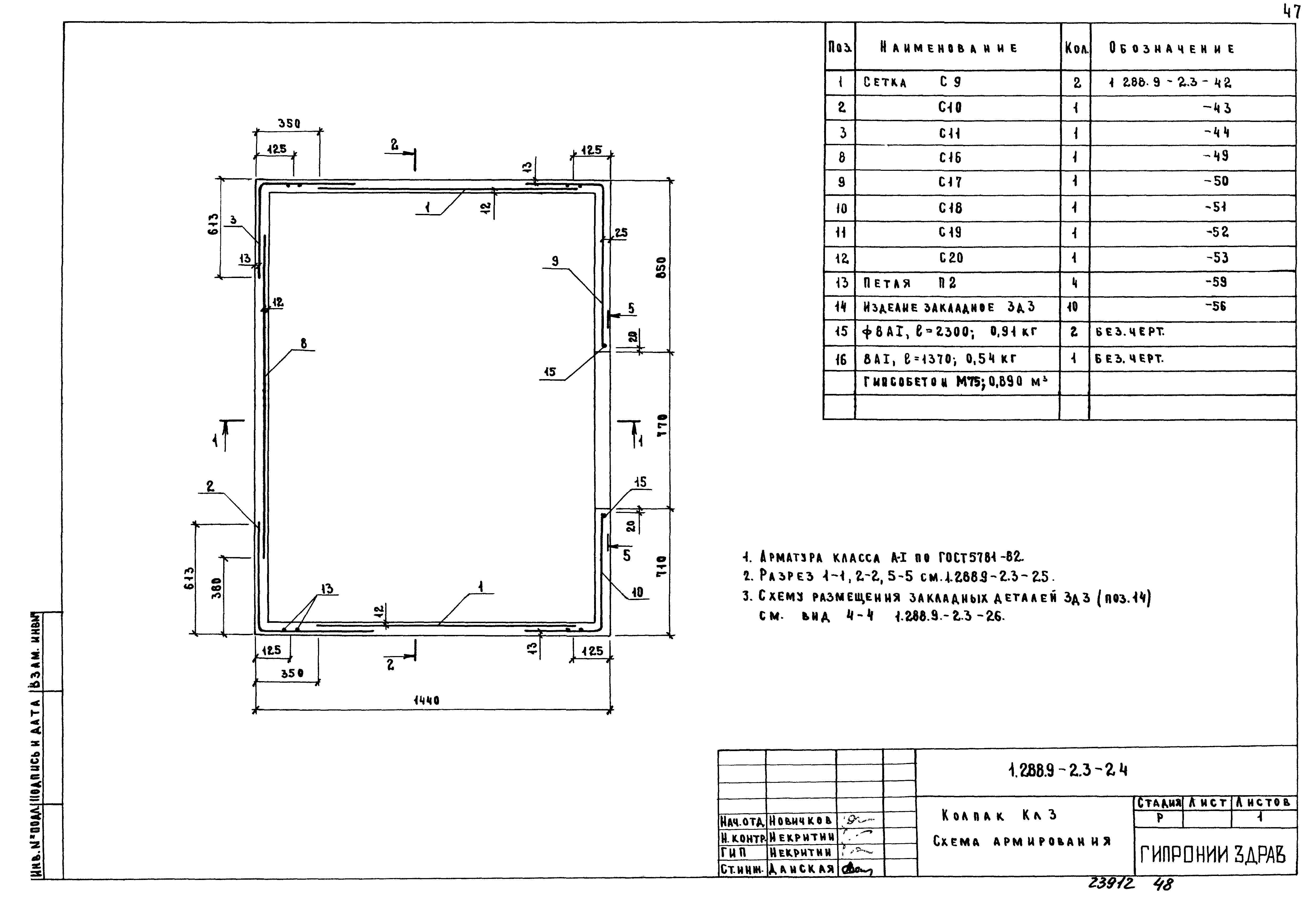
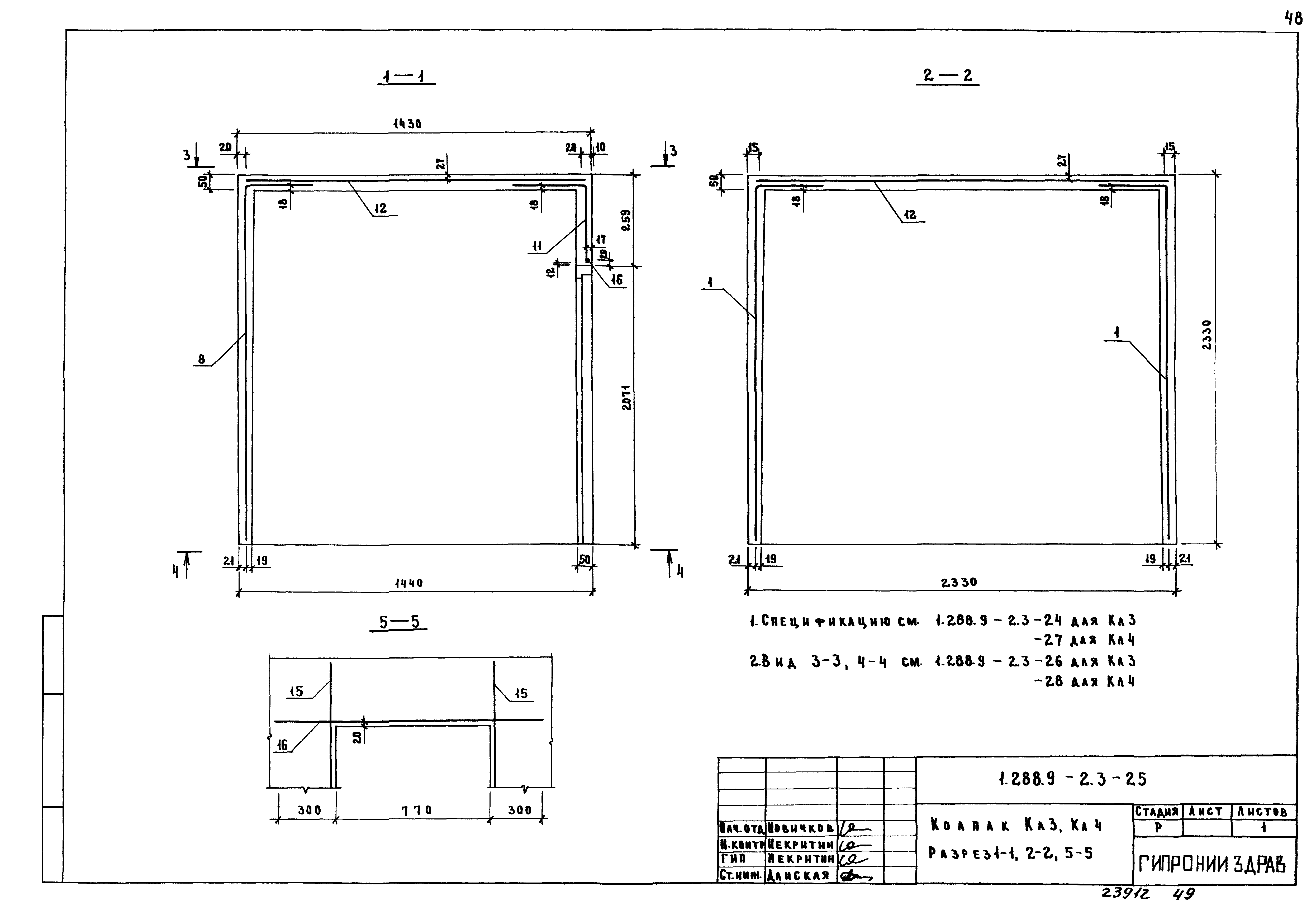
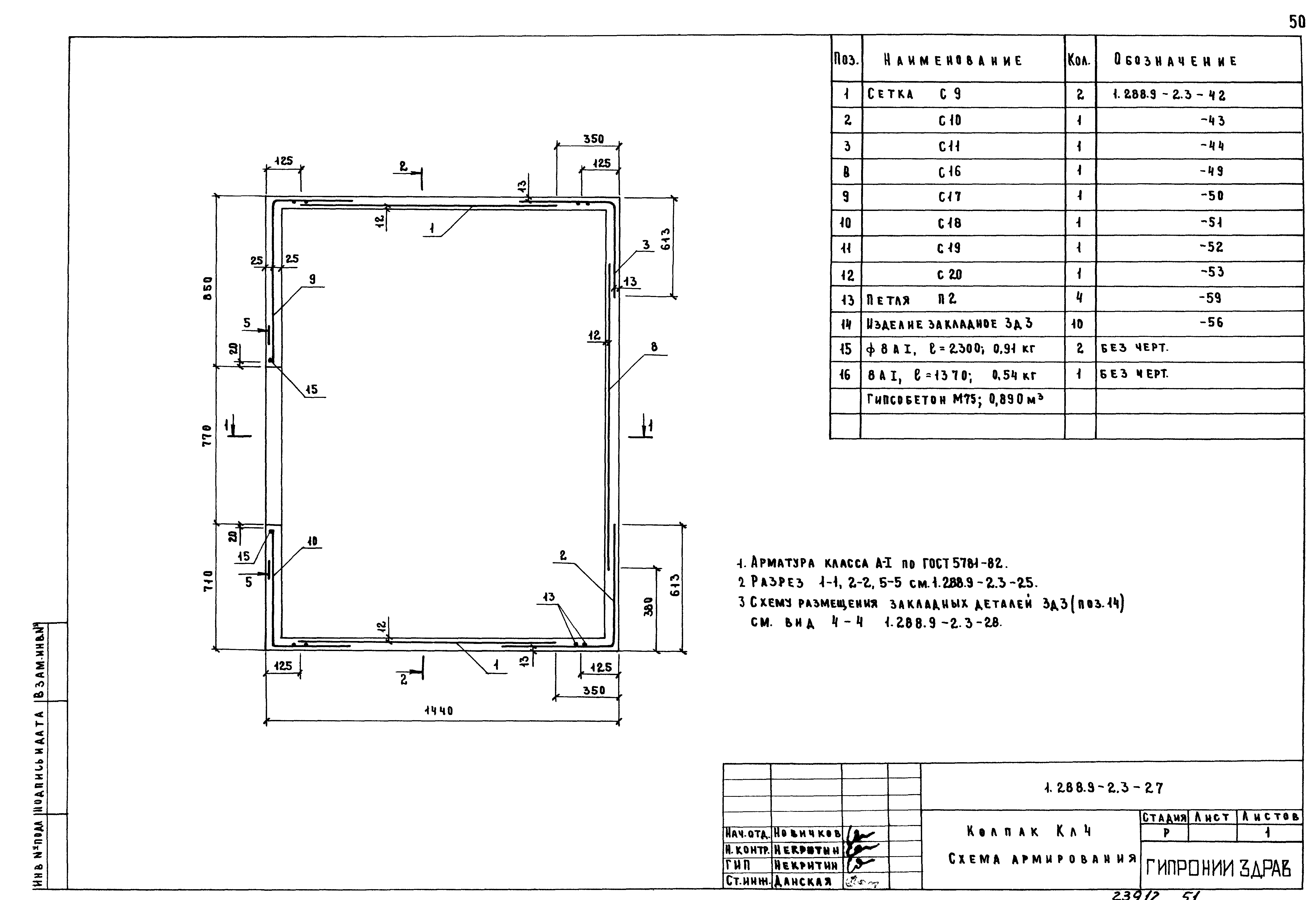
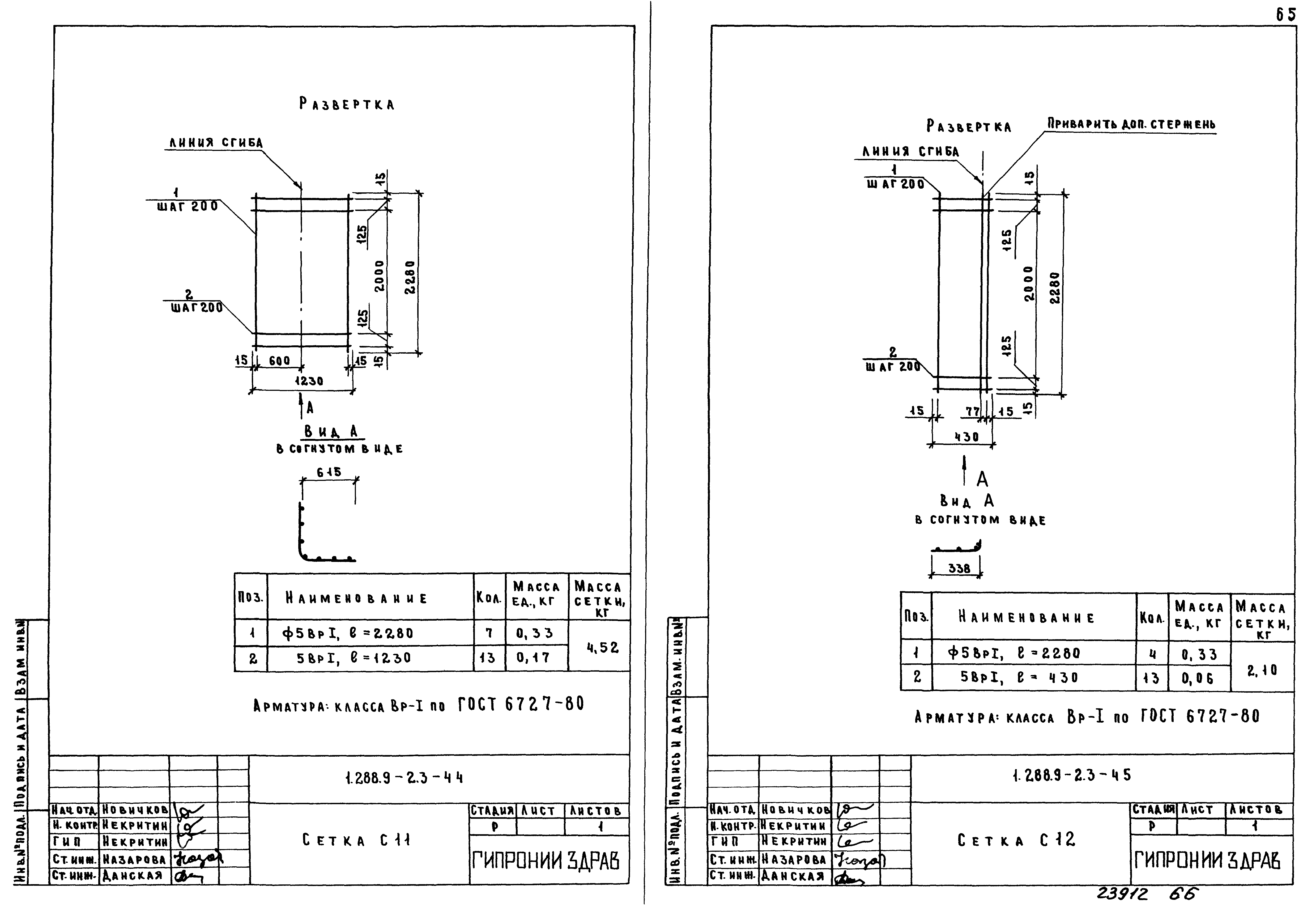
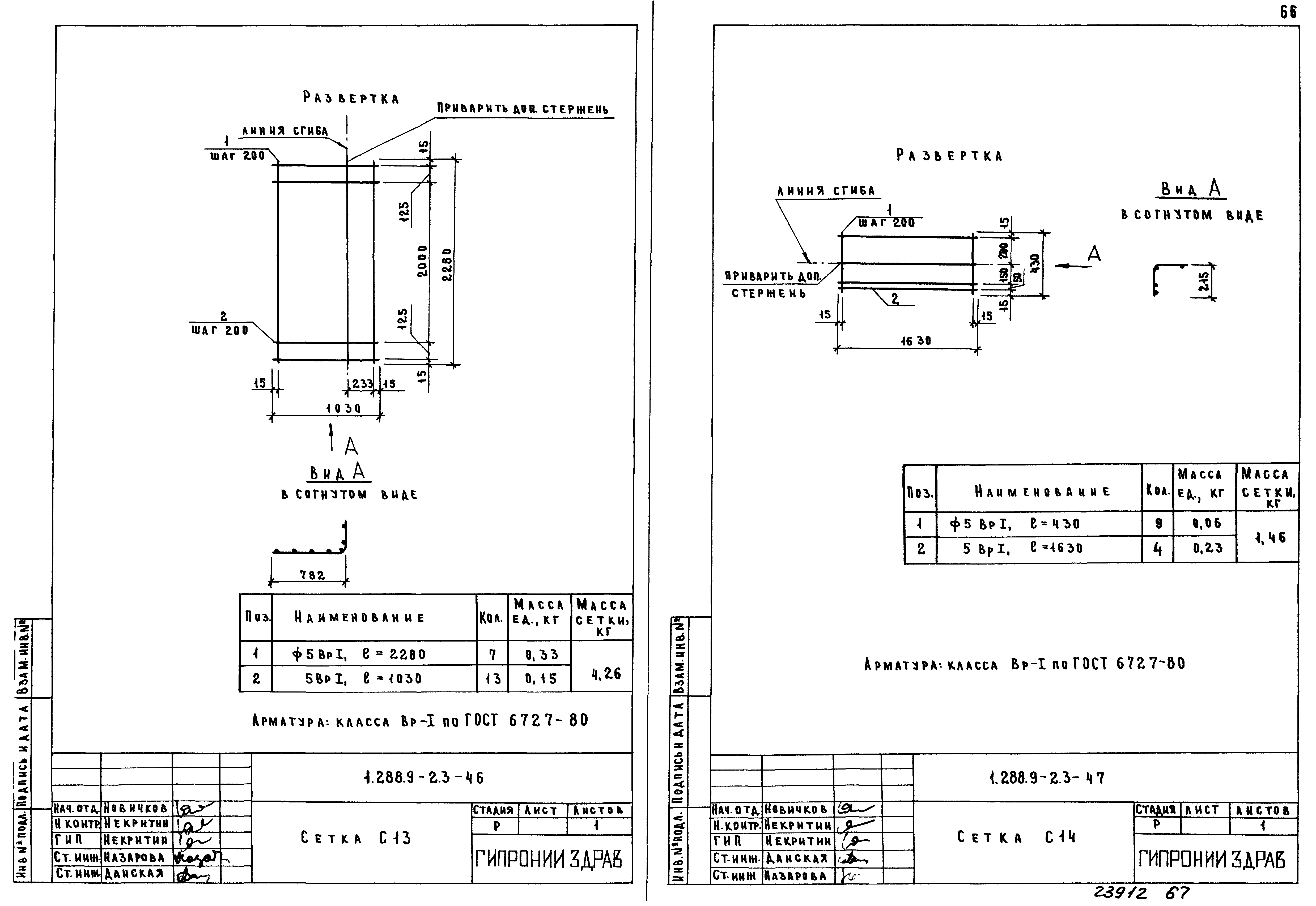
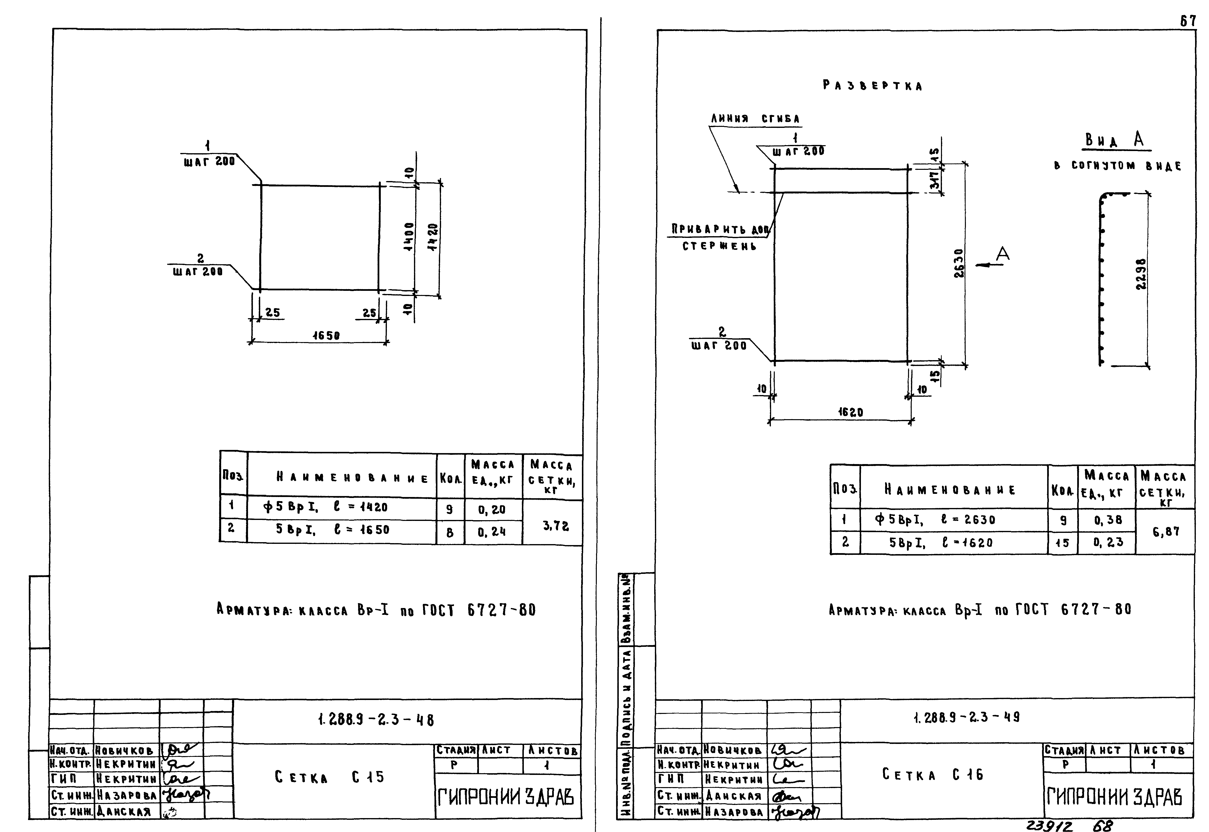
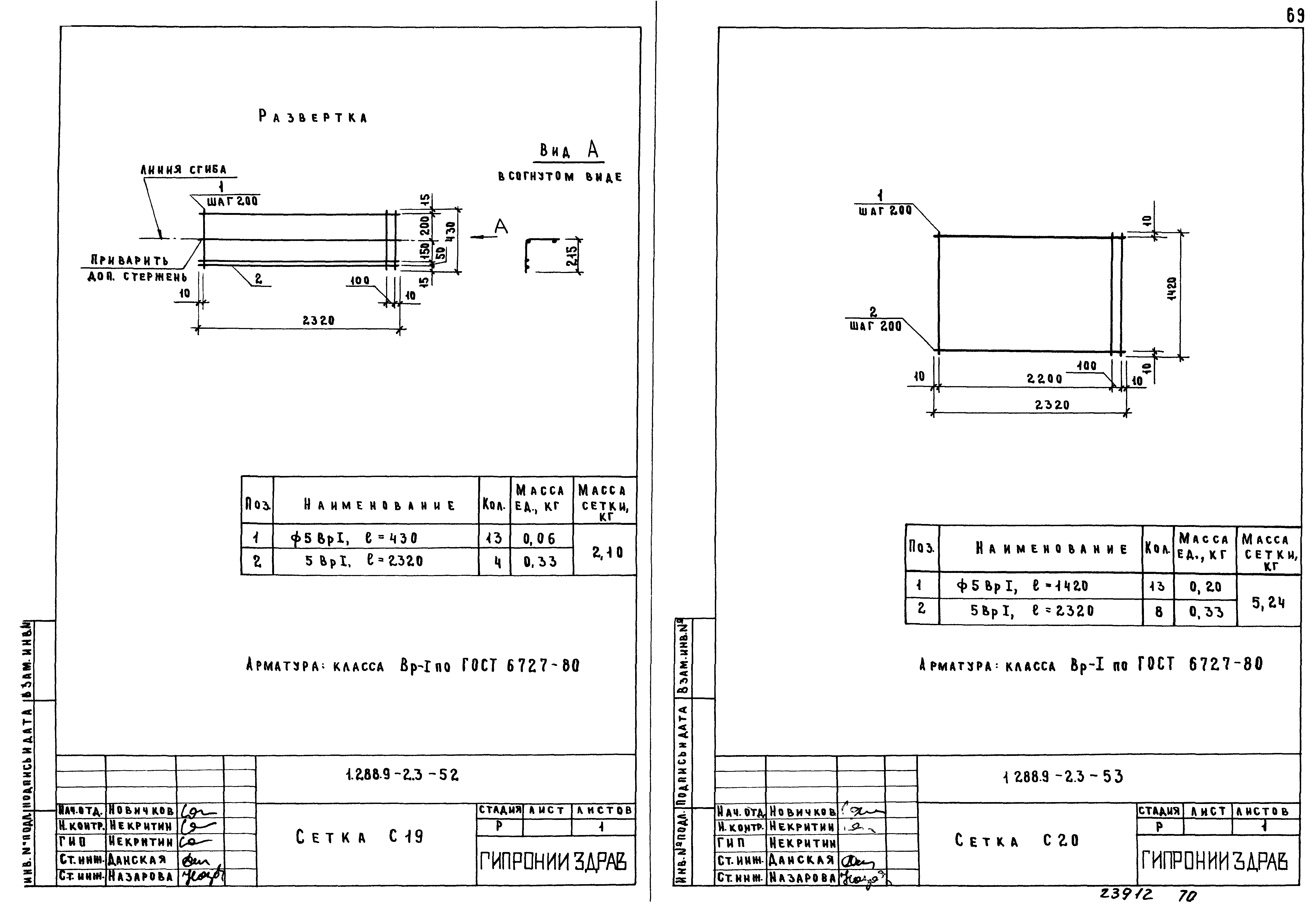
Скачать Серия 1.288.9-2 Выпуск 3. Кабины со стенами из гипсобетона. Строительная часть. Электрооборудование. Рабочие чертежиДата актуализации: 01.01.2021
|
| Обозначение: | Серия 1.288.9-2 |
| Обозначение англ: | Series 1.288.9-2 |
| Статус: | не определен законодательством |
| Название рус.: | Выпуск 3. Кабины со стенами из гипсобетона. Строительная часть. Электрооборудование. Рабочие чертежи |
| Дата добавления в базу: | 01.09.2013 |
| Дата актуализации: | 01.01.2021 |
| Дата введения: | 01.01.1990 |
| Дата окончания срока действия: | 30.06.2003 |
| Разработан: | ГипроНИИздрав Минздрава СССР |
| Утверждён: | 19.05.1989 Госкомархитектура (ЮШ-2-796) |
| Издан: | ЦИТП Госстроя СССР (CITP, Gosstroy (USSR) 1989 г. ) |



















































































