Скачать Серия 1.423.1-3/88 Выпуск 0-1. Книга 1. Материалы для проектирования зданий, возводимых в несейсмических районахДата актуализации: 01.01.2021 Серия 1.423.1-3/88
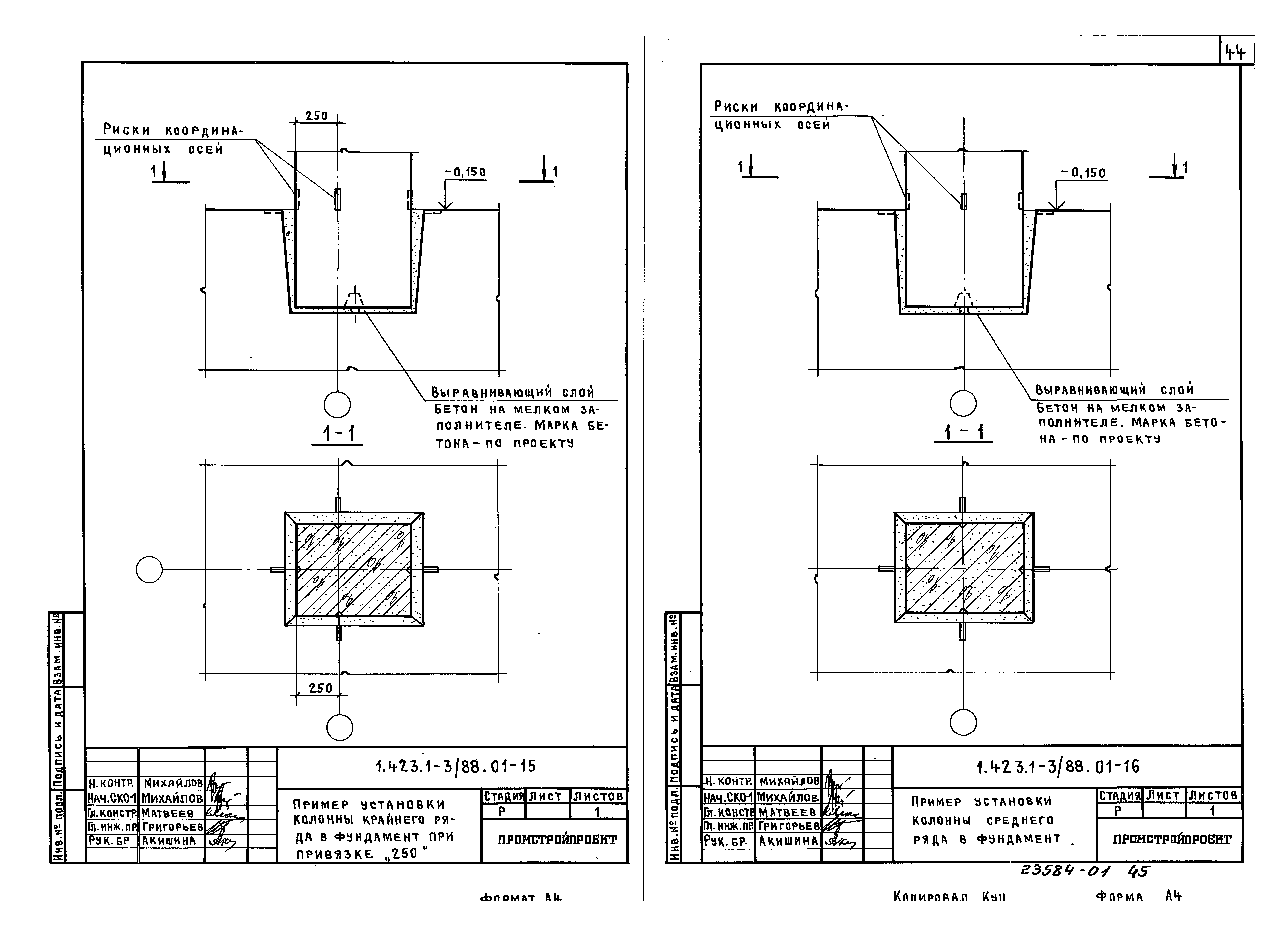
Выпуск 0-1. Книга 1. Материалы для проектирования зданий, возводимых в несейсмических районах| Обозначение: | Серия 1.423.1-3/88 | | Обозначение англ: | Series 1.423.1-3/88 | | Статус: | не определен законодательством | | Название рус.: | Выпуск 0-1. Книга 1. Материалы для проектирования зданий, возводимых в несейсмических районах | | Дата добавления в базу: | 01.09.2013 | | Дата актуализации: | 01.01.2021 | | Дата введения: | 01.04.1989 | | Дата окончания срока действия: | 30.06.2003 | | Разработан: | НИИЖБ ГПИ Промстройпроект
| | Утверждён: | 23.12.1988 Госстрой СССР (Государственный комитет Совета Министров СССР по делам строительства) (USSR Gosstroy АЧ-47)
| | Издан: | ЦИТП Госстроя СССР (CITP, Gosstroy (USSR) 1989 г. )
| | Заменяет собой: | |
                                                             
|