Скачать Серия 1.424.1-13 Выпуск 2. Арматурные и закладные изделия. Стальные связи по колоннам. Рабочие чертежиДата актуализации: 01.01.2021
|
| Обозначение: | Серия 1.424.1-13 |
| Обозначение англ: | Series 1.424.1-13 |
| Статус: | не определен законодательством |
| Название рус.: | Выпуск 2. Арматурные и закладные изделия. Стальные связи по колоннам. Рабочие чертежи |
| Дата добавления в базу: | 01.09.2013 |
| Дата актуализации: | 01.01.2021 |
| Дата введения: | 01.05.1992 |
| Дата окончания срока действия: | 30.06.2003 |
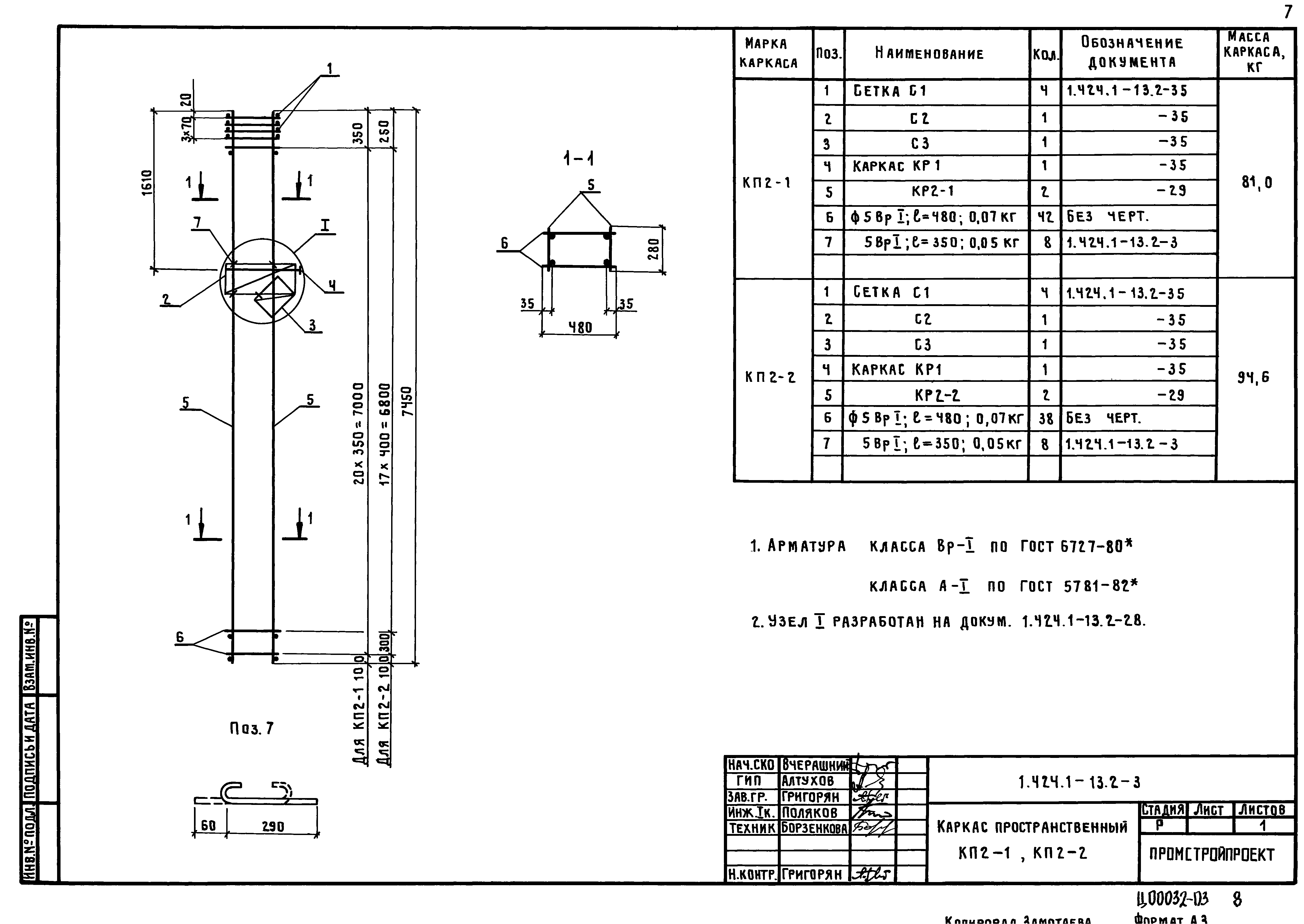
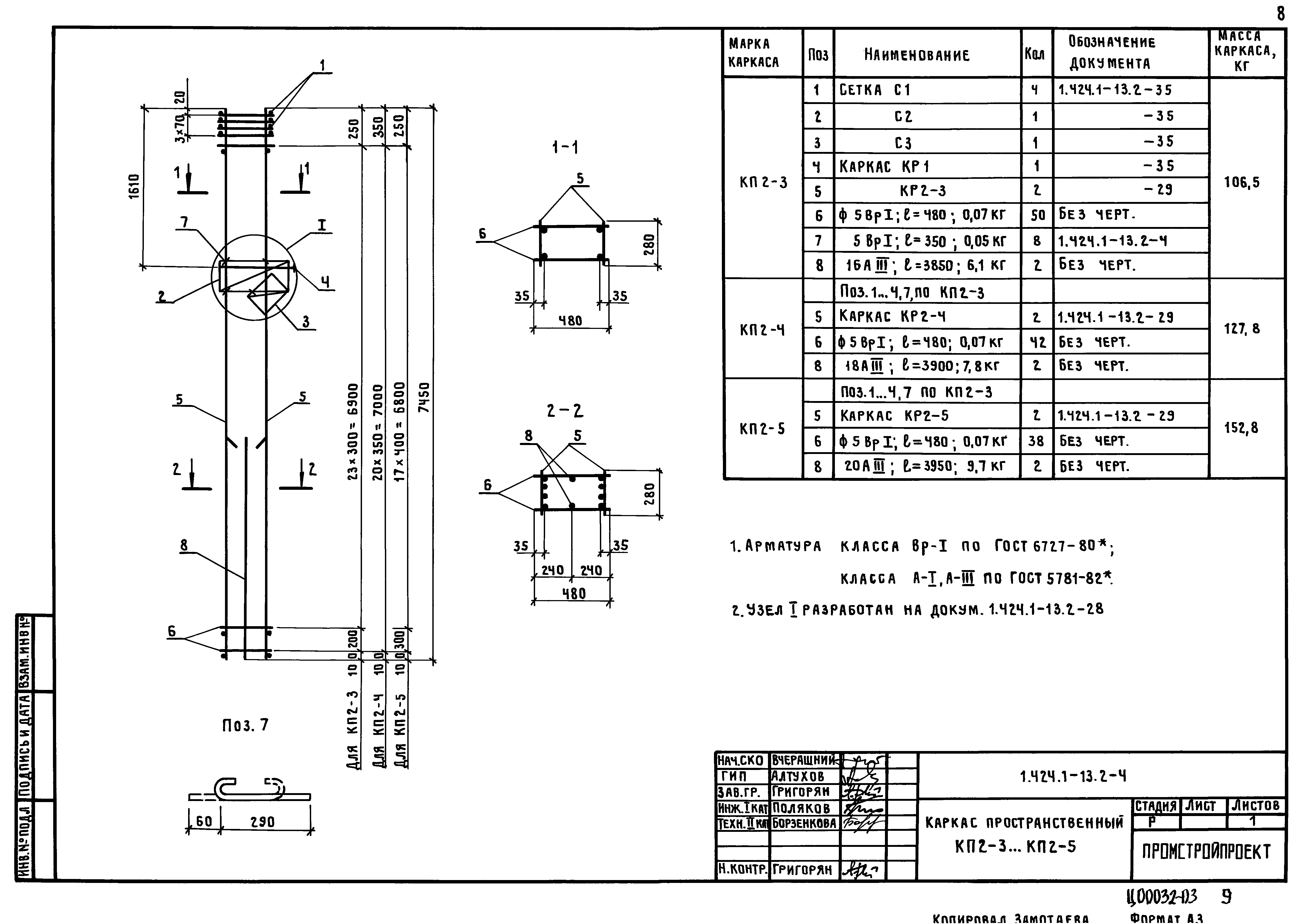
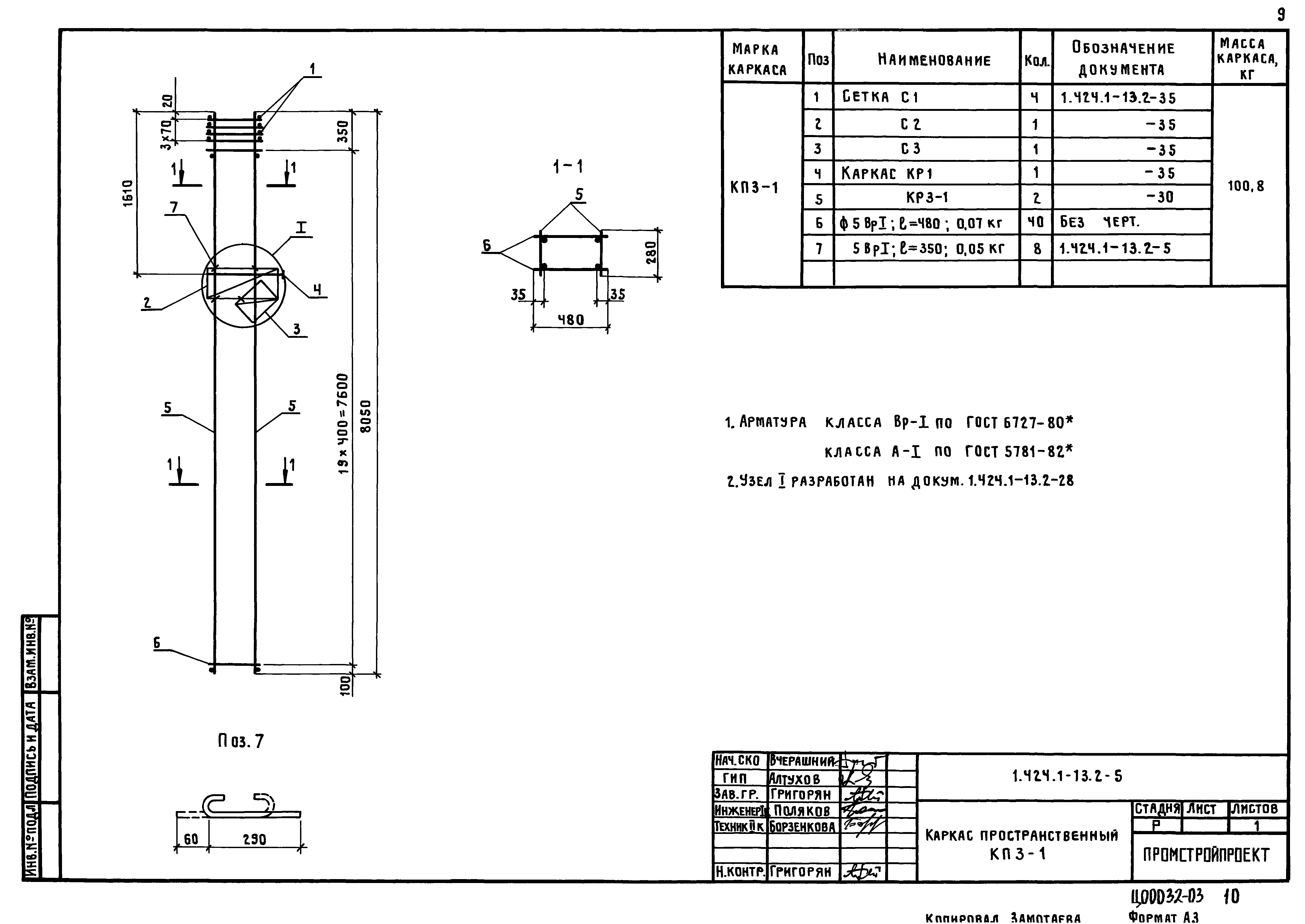
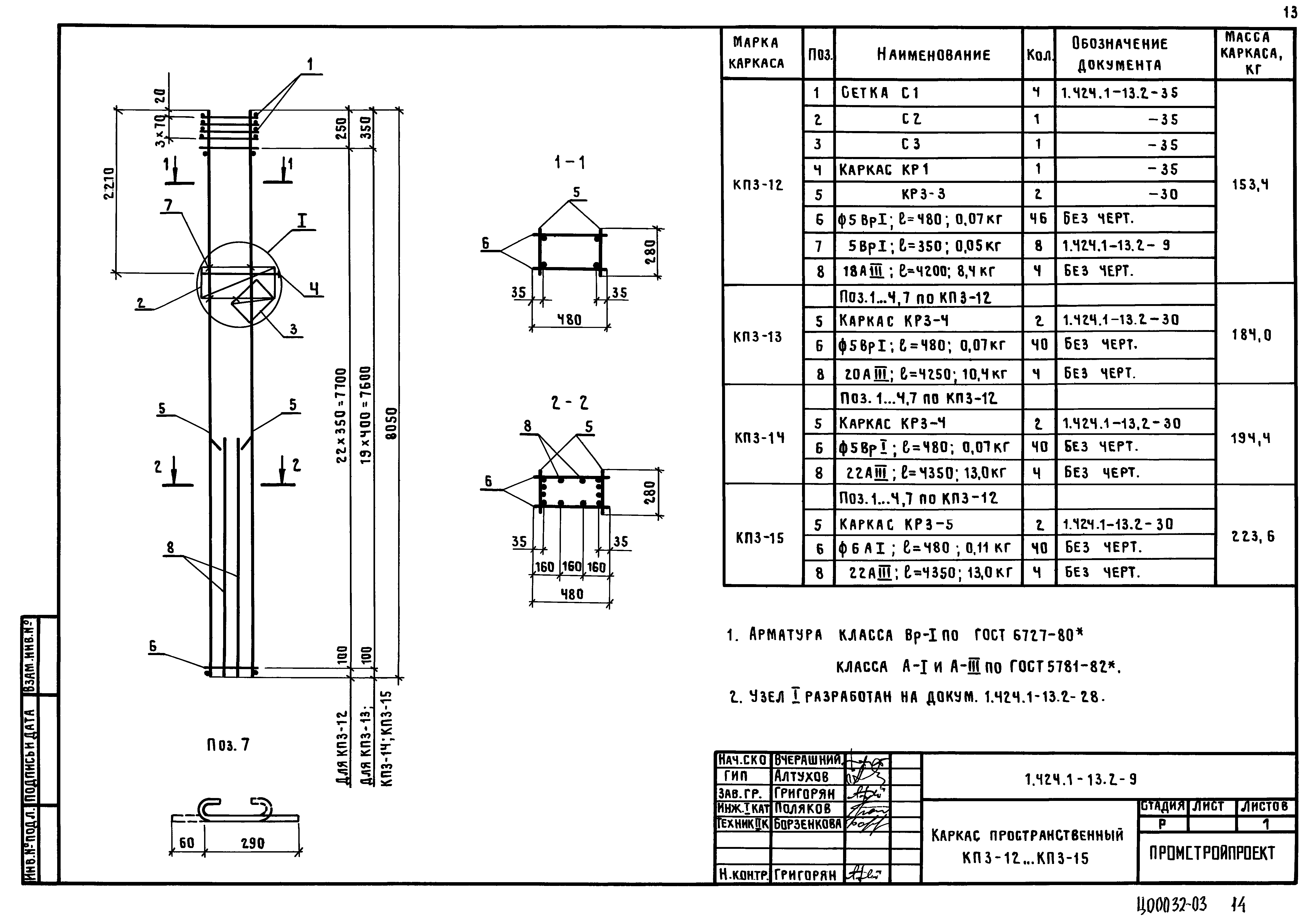
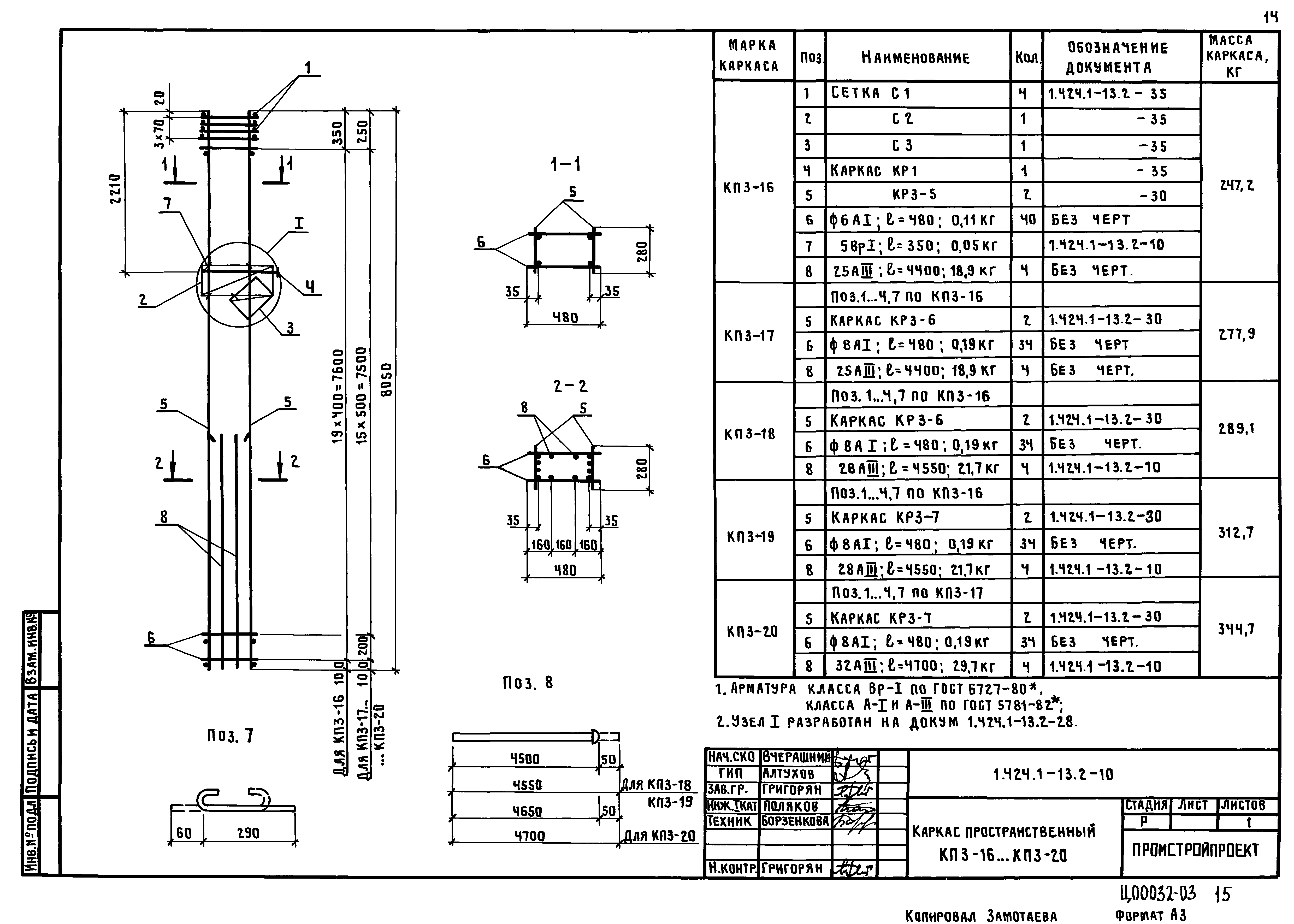
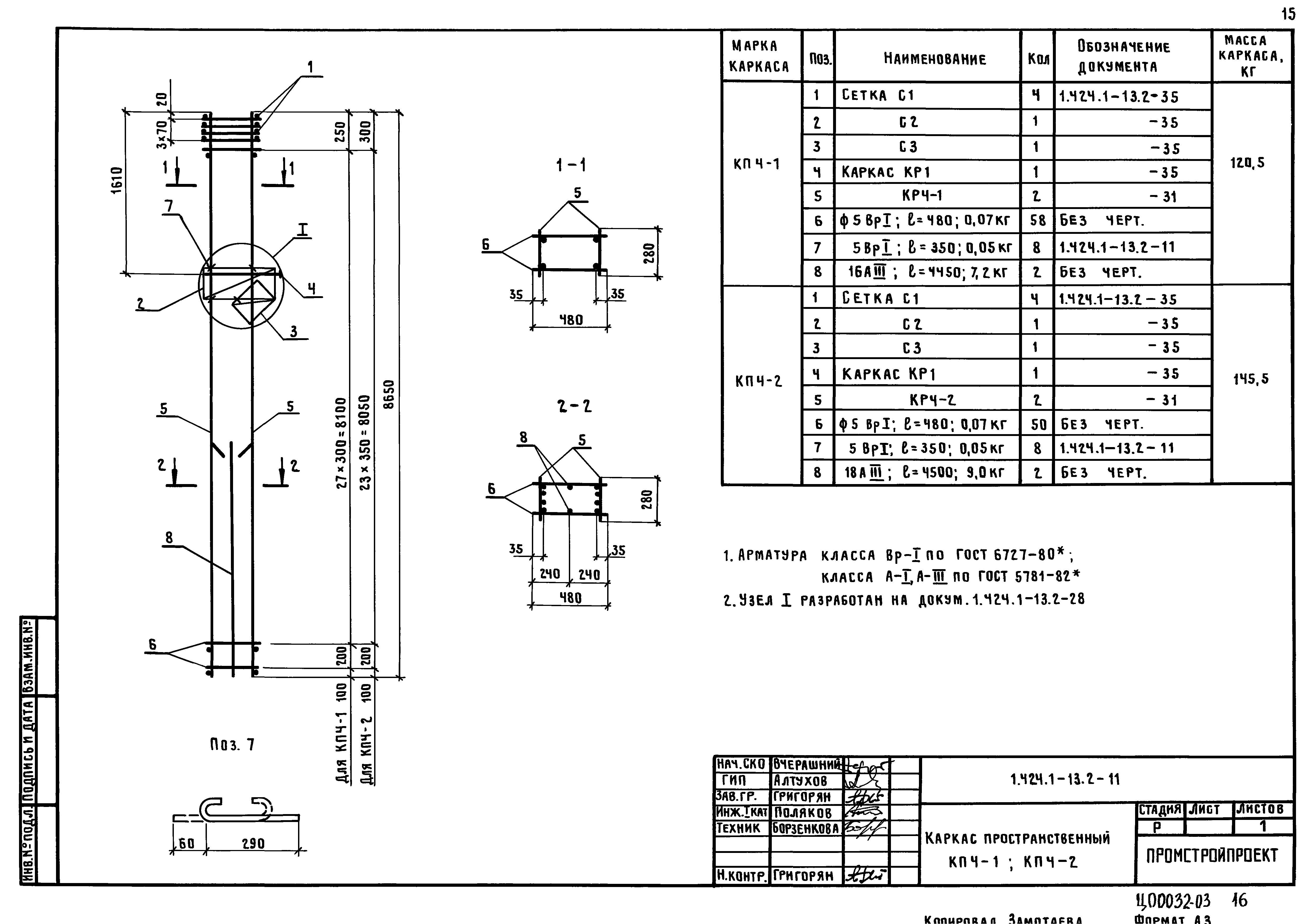
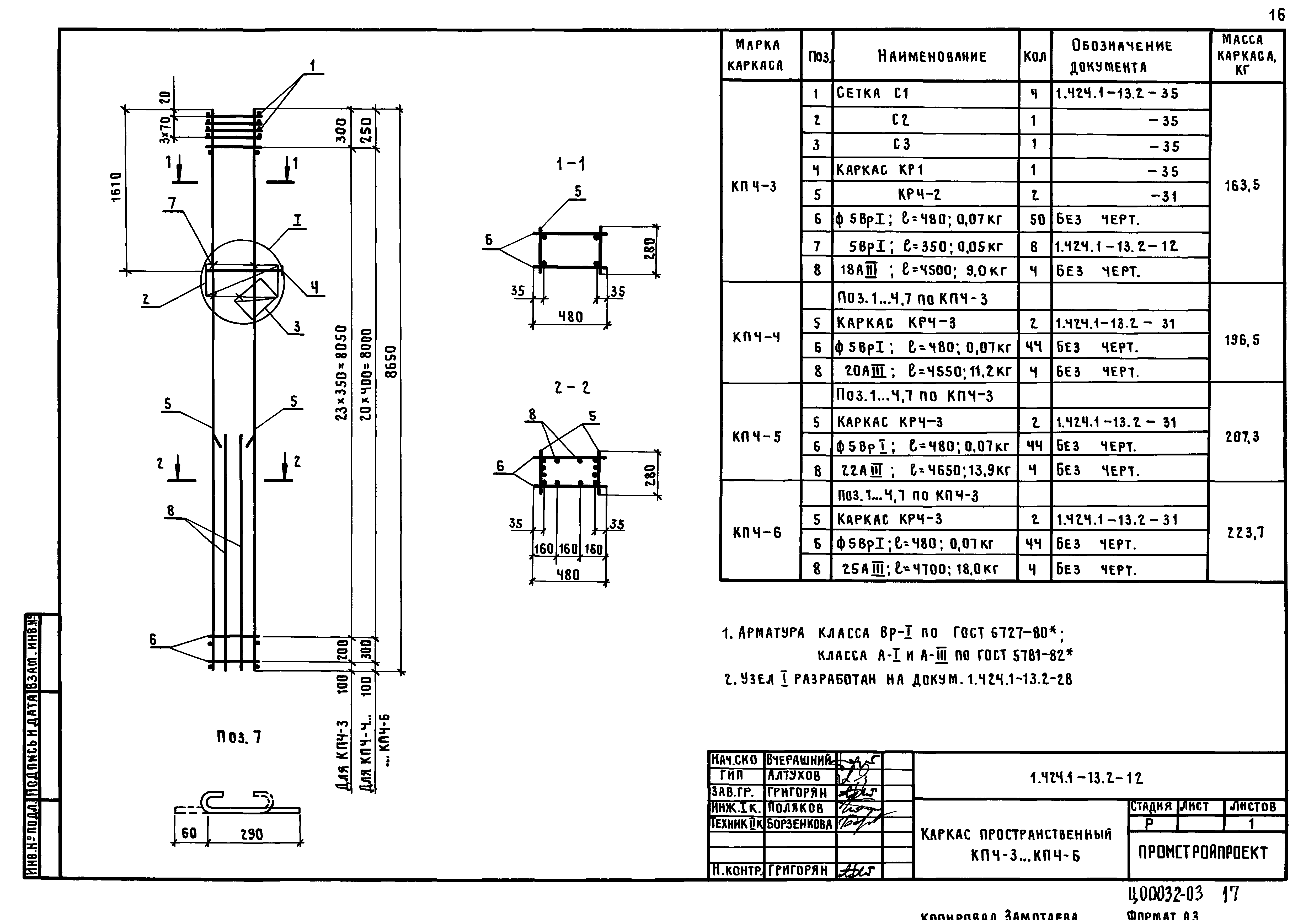
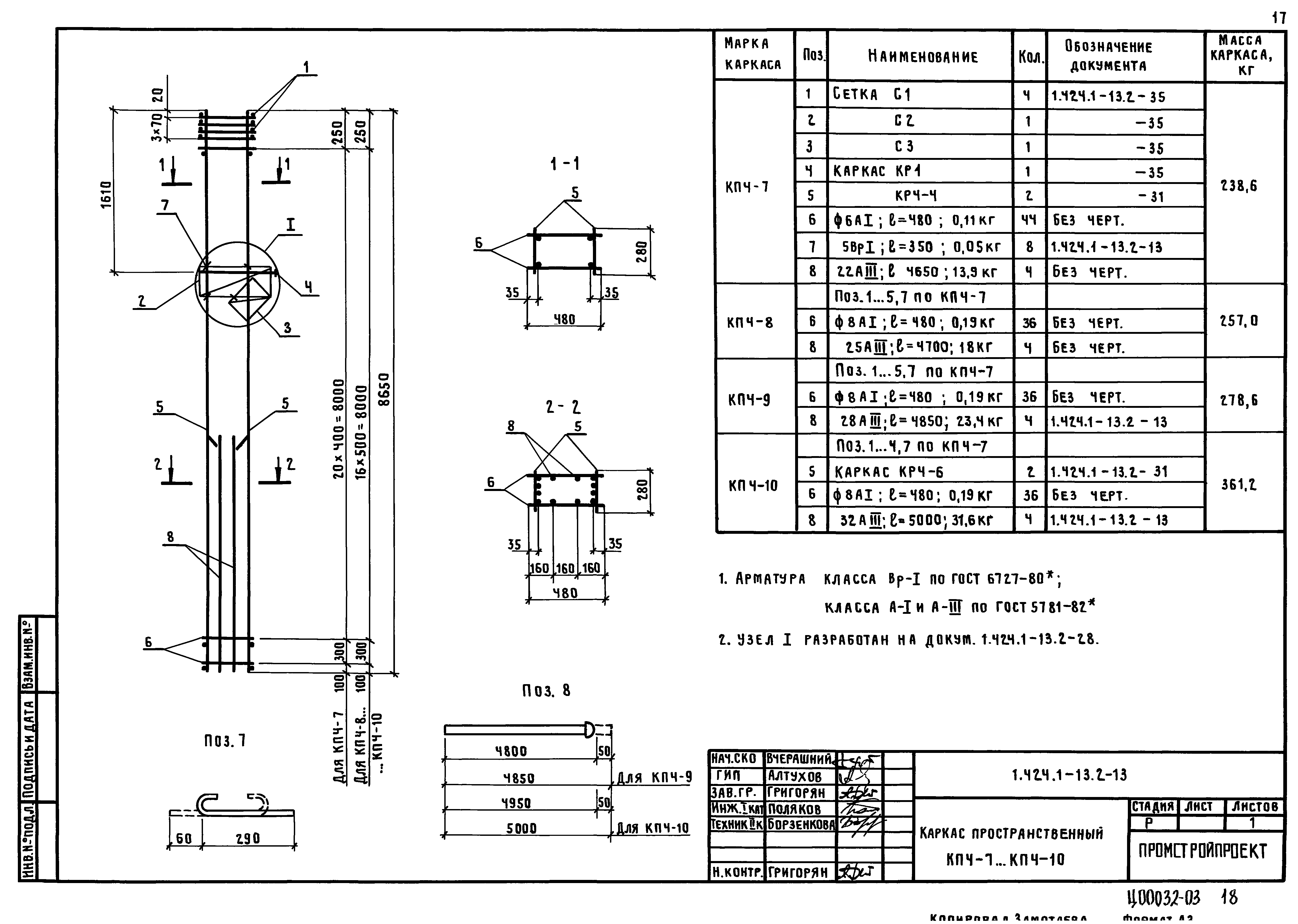
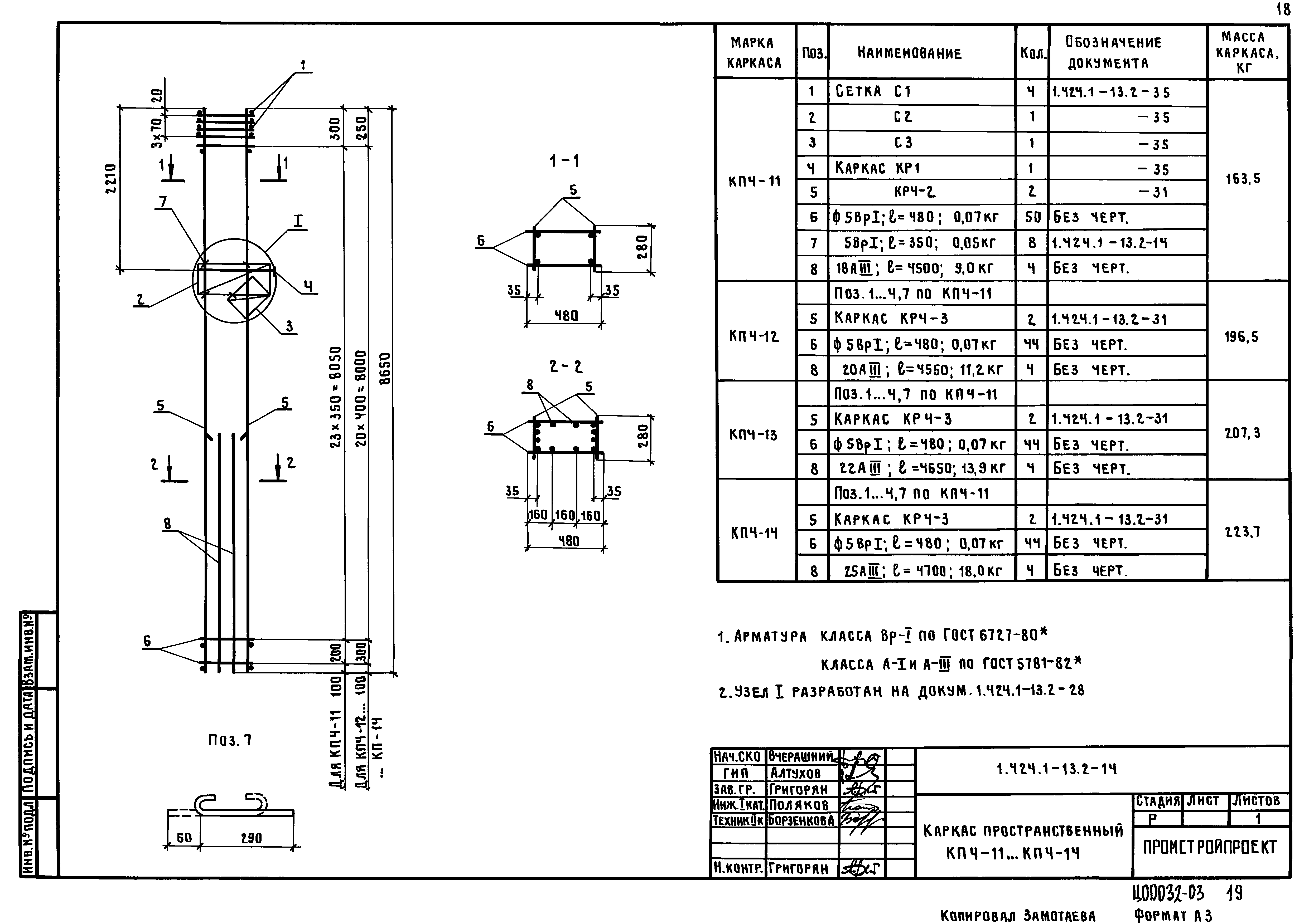
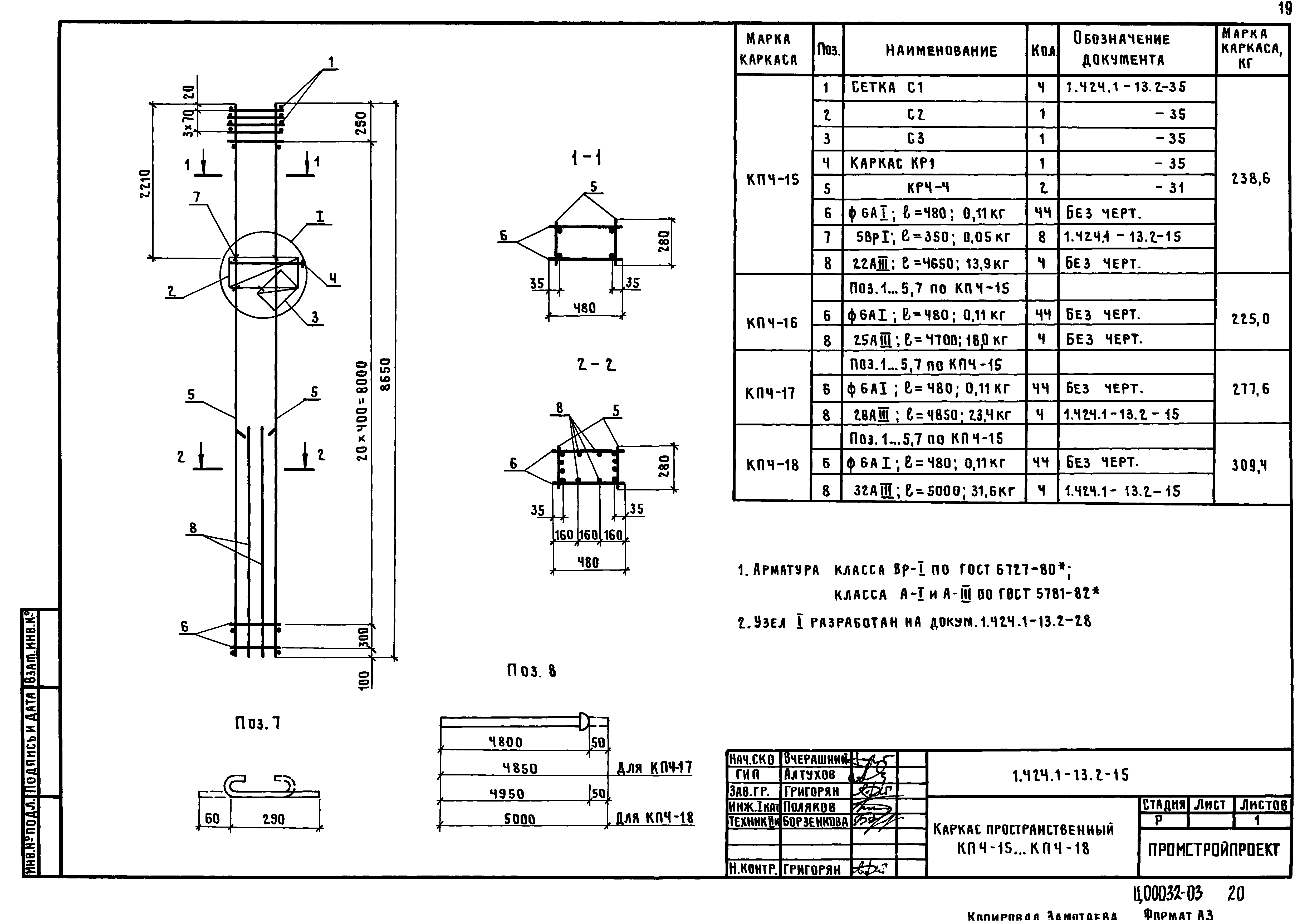
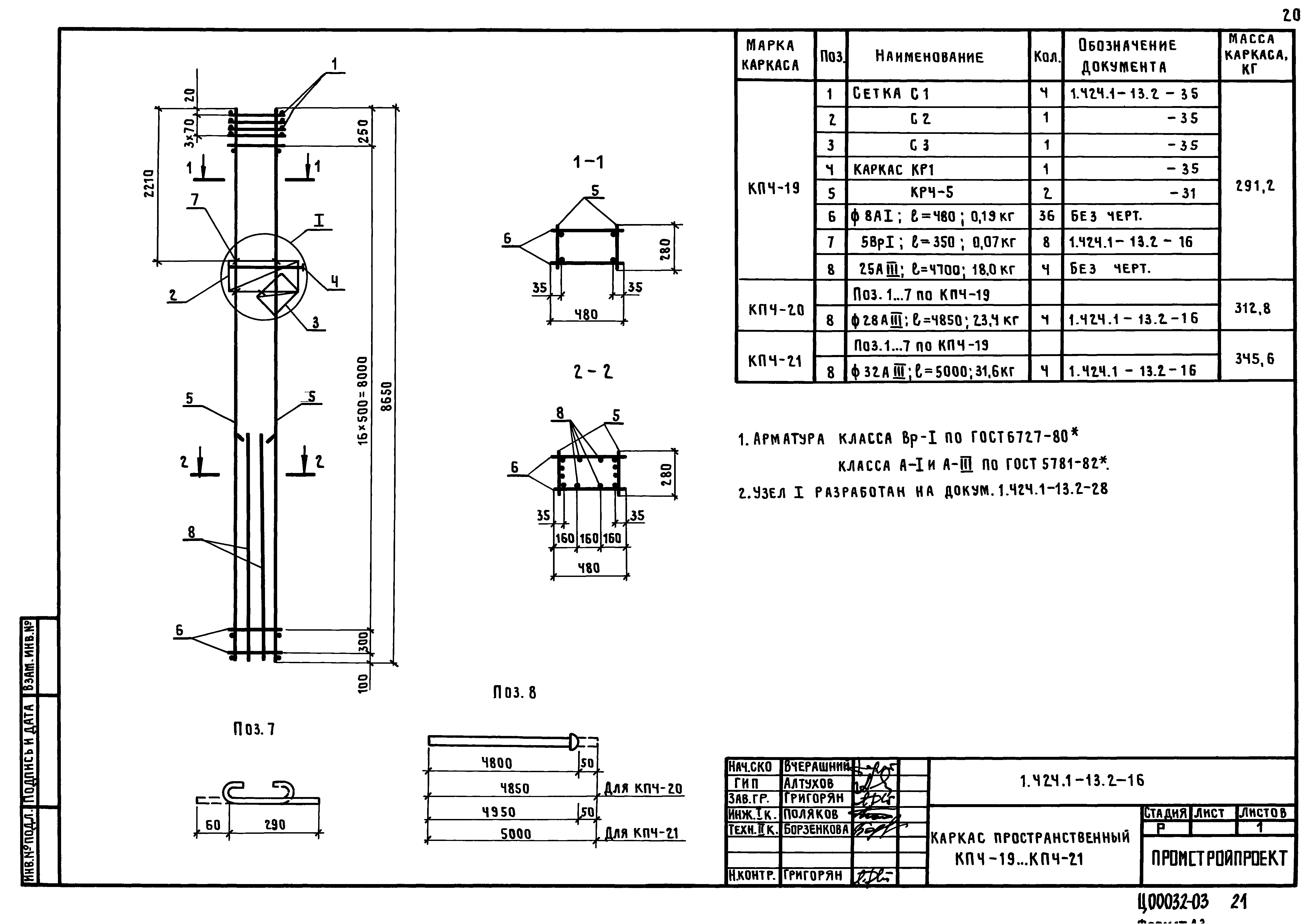
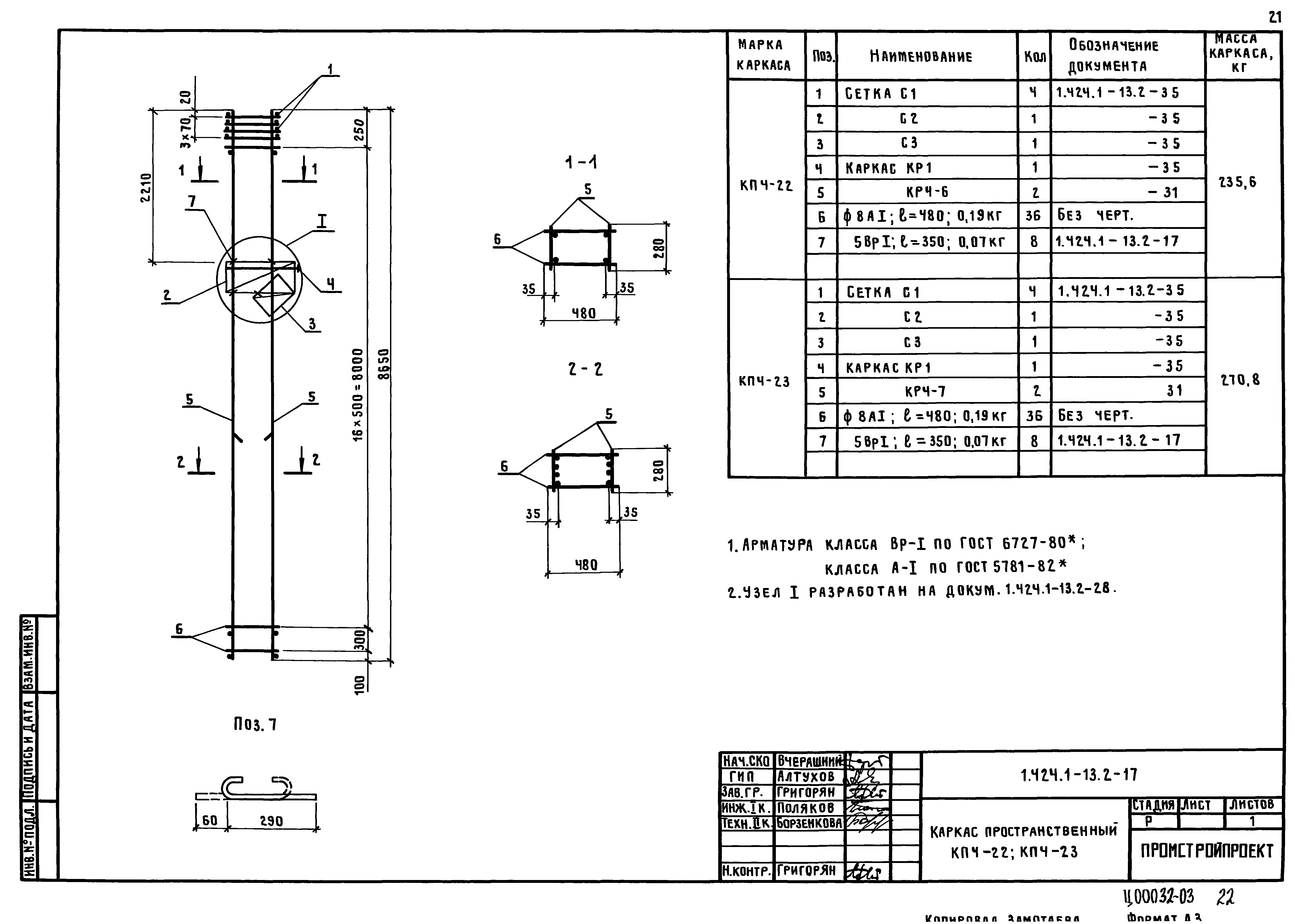
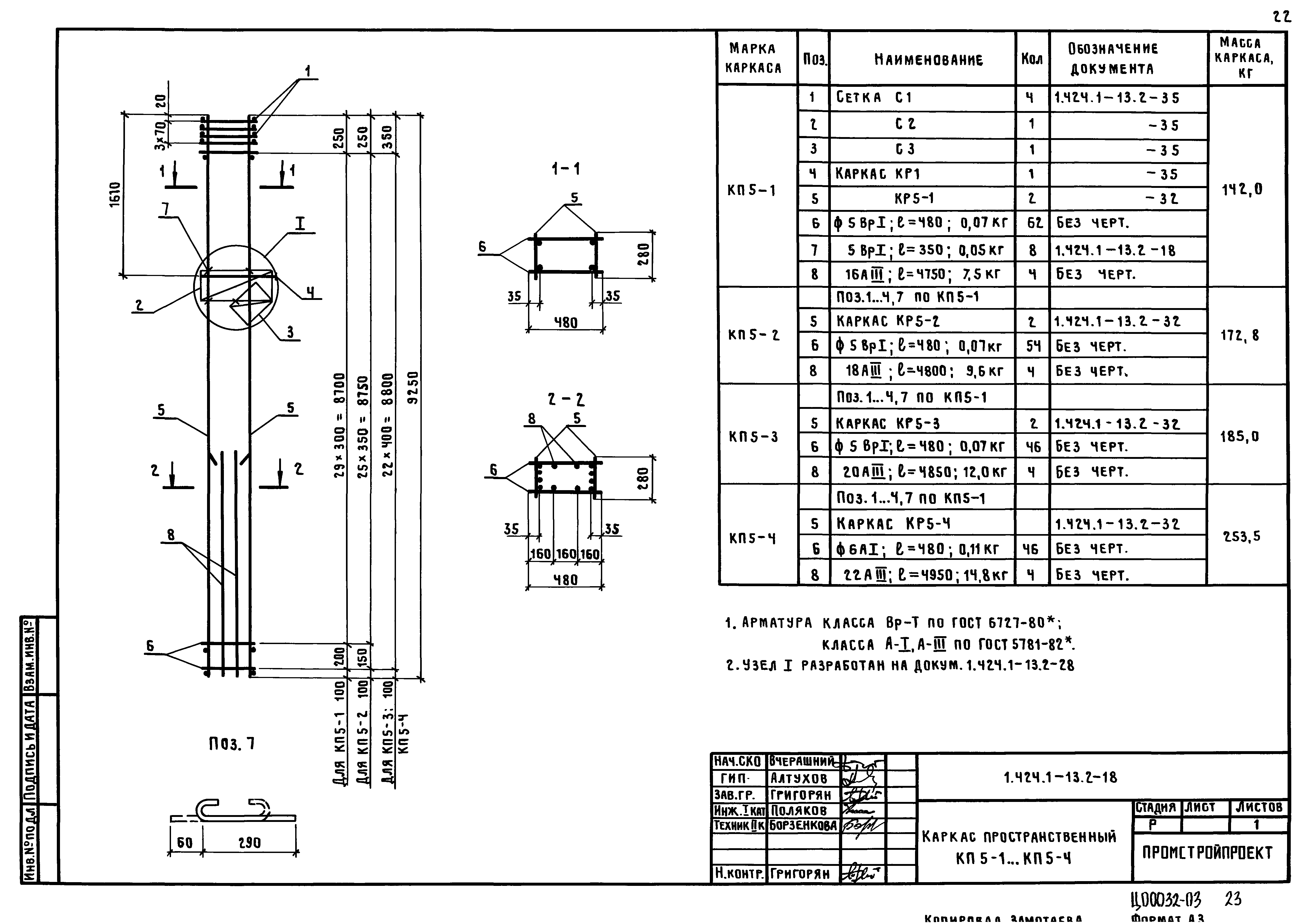
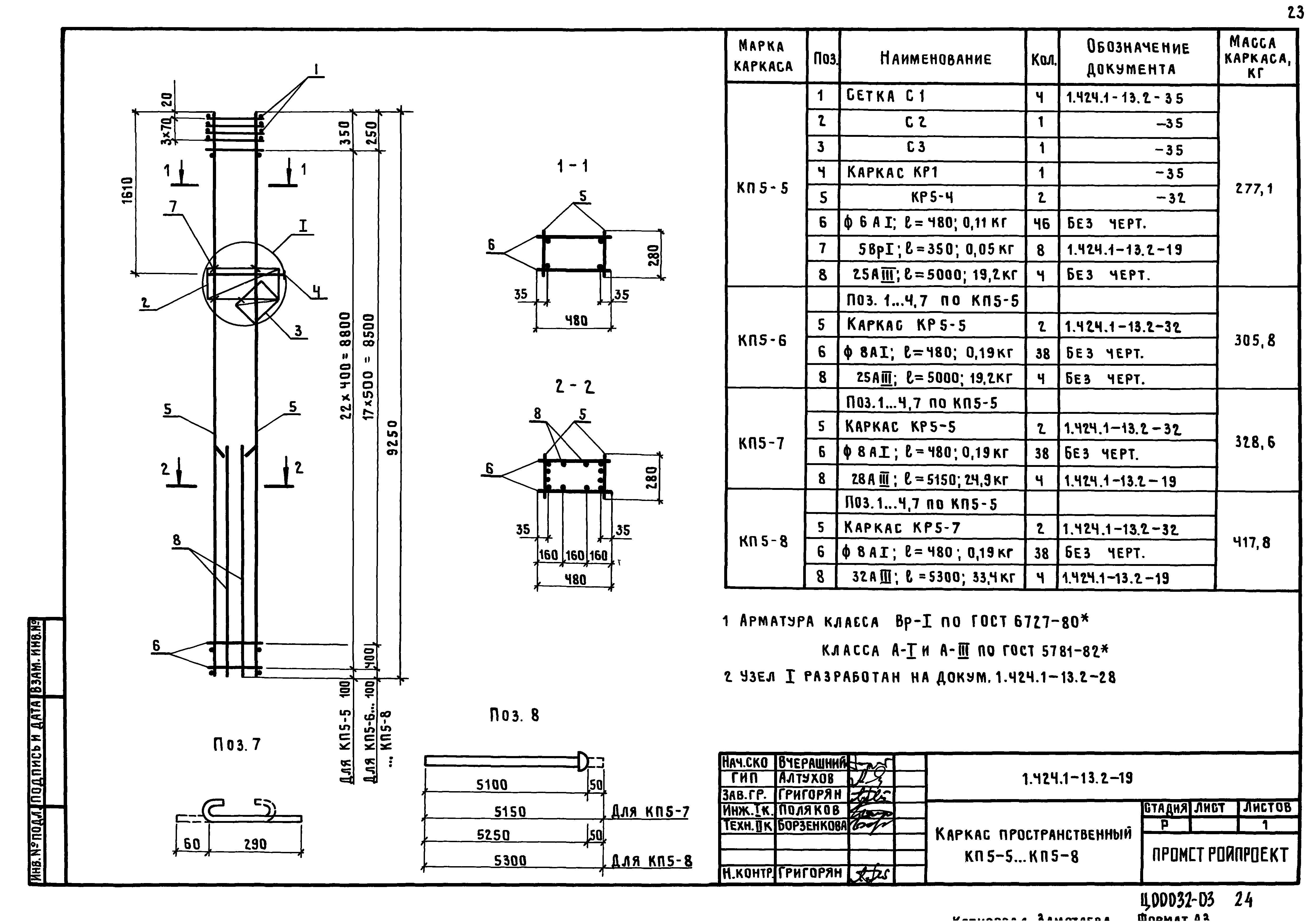
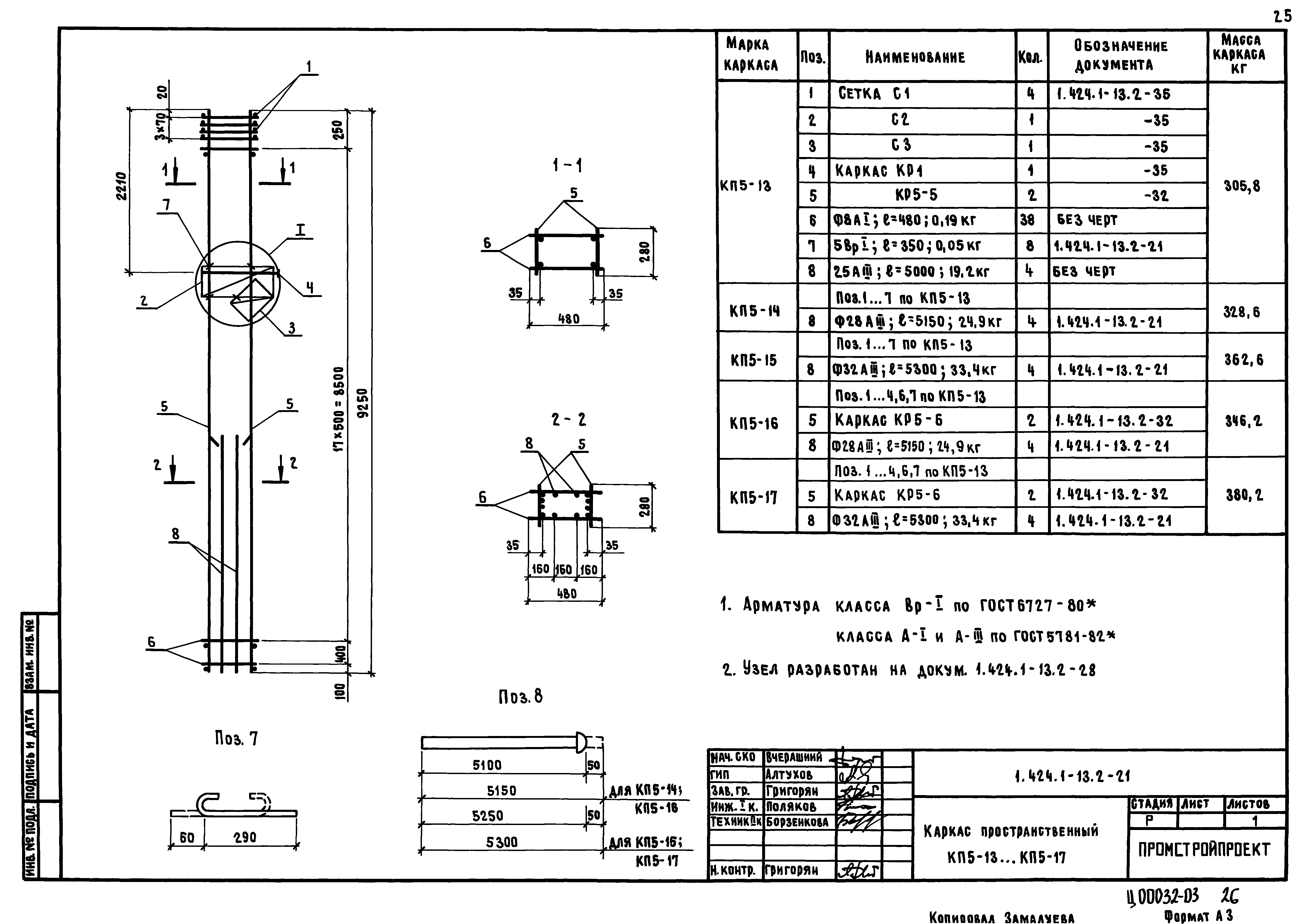
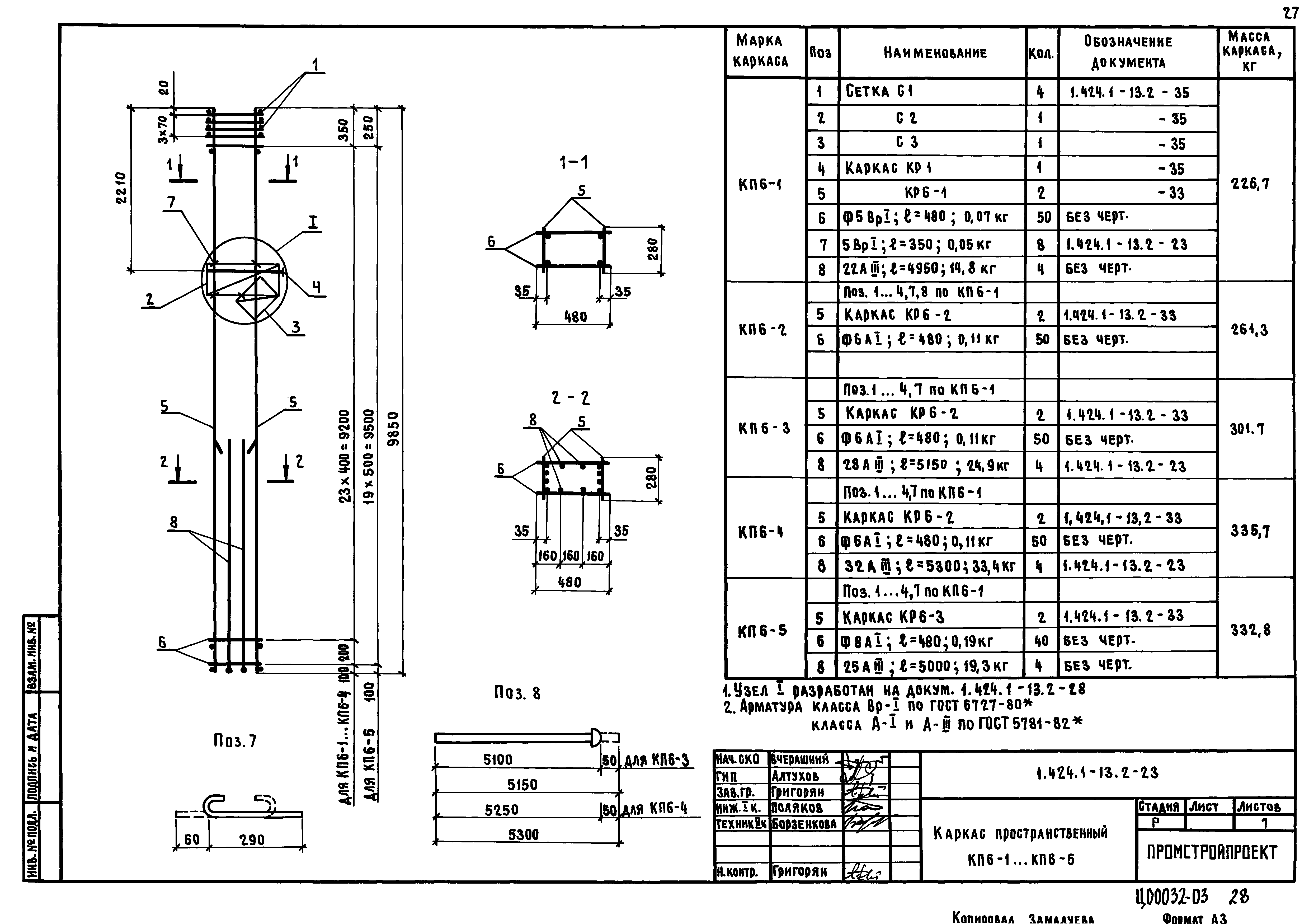
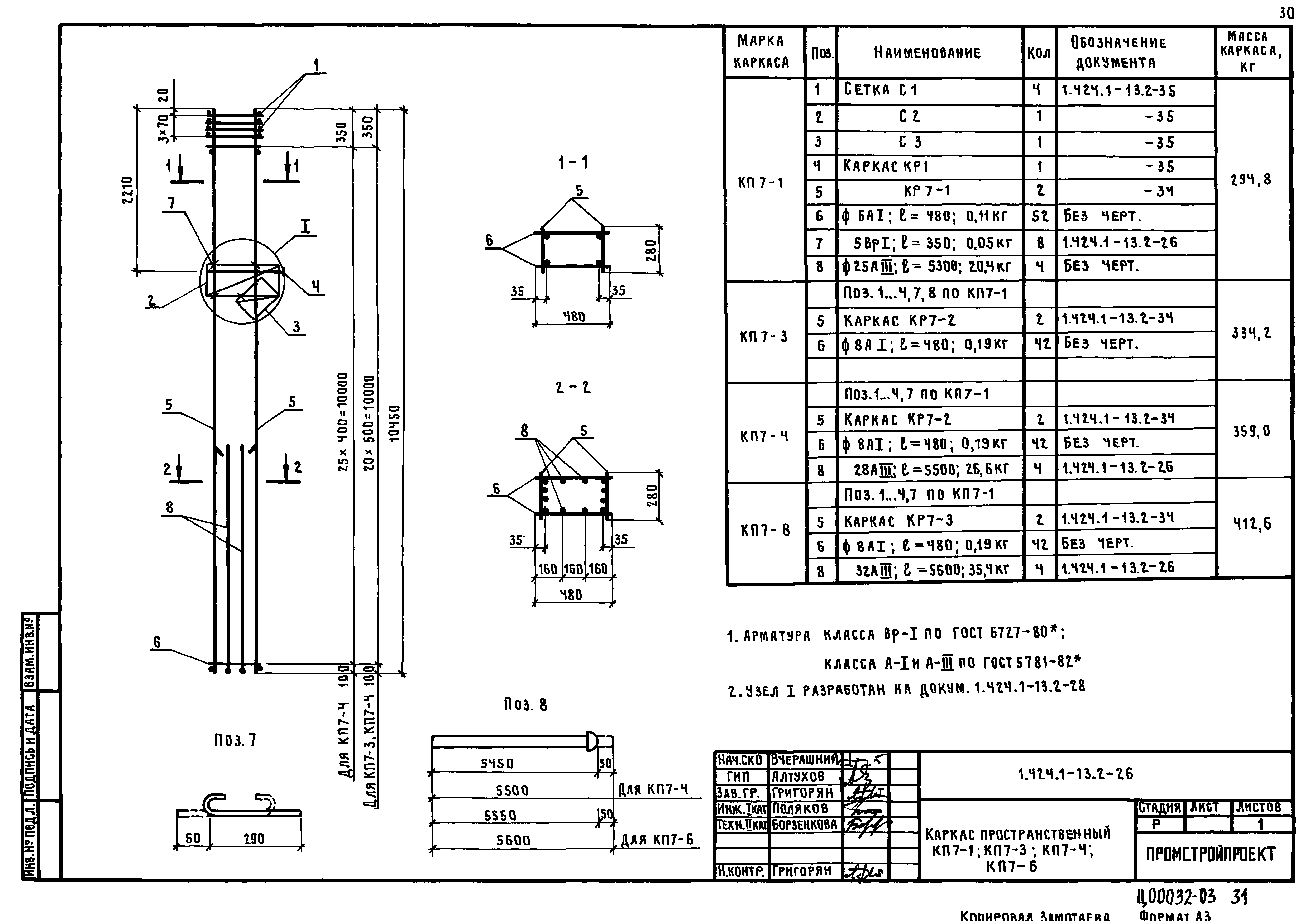
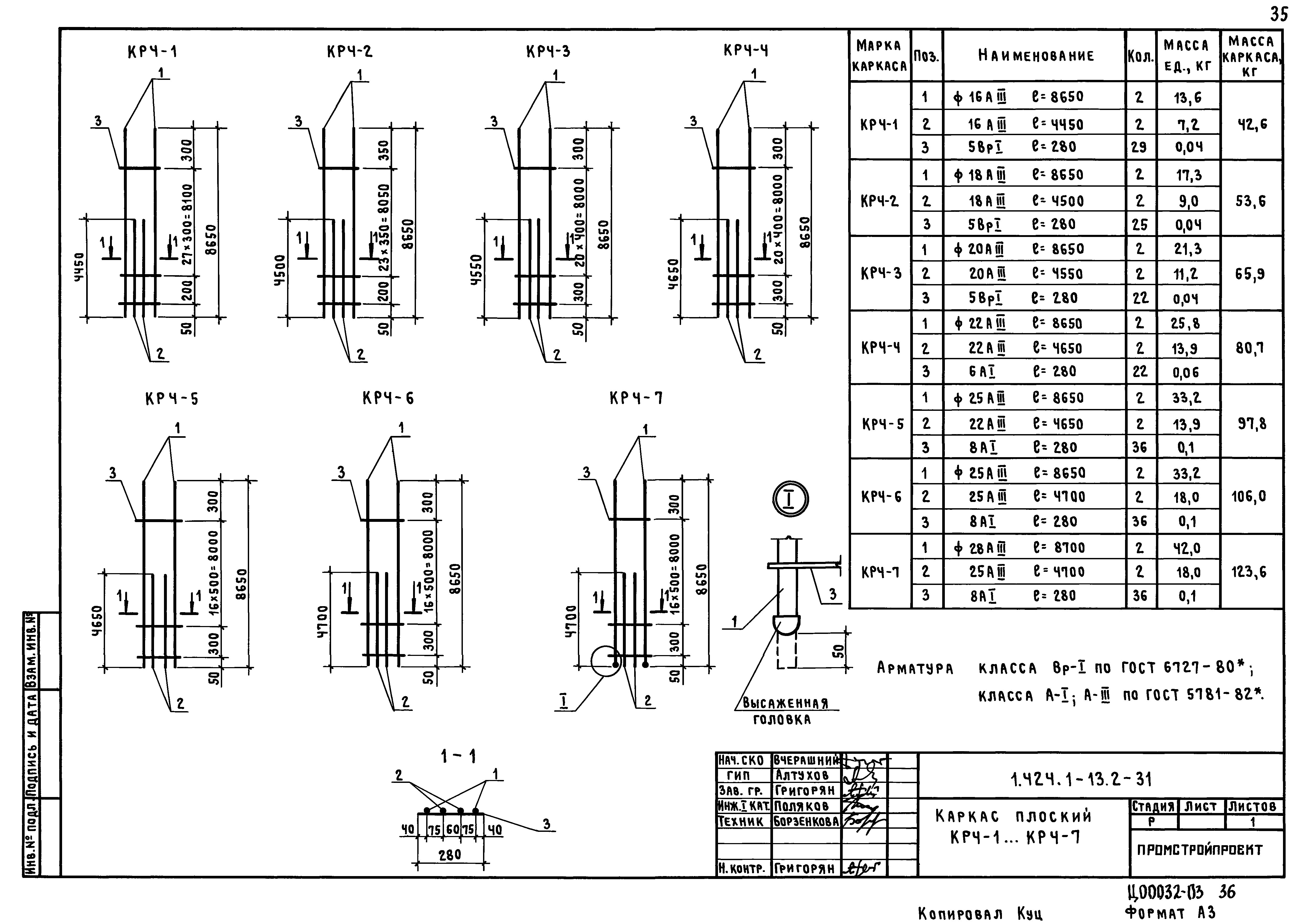
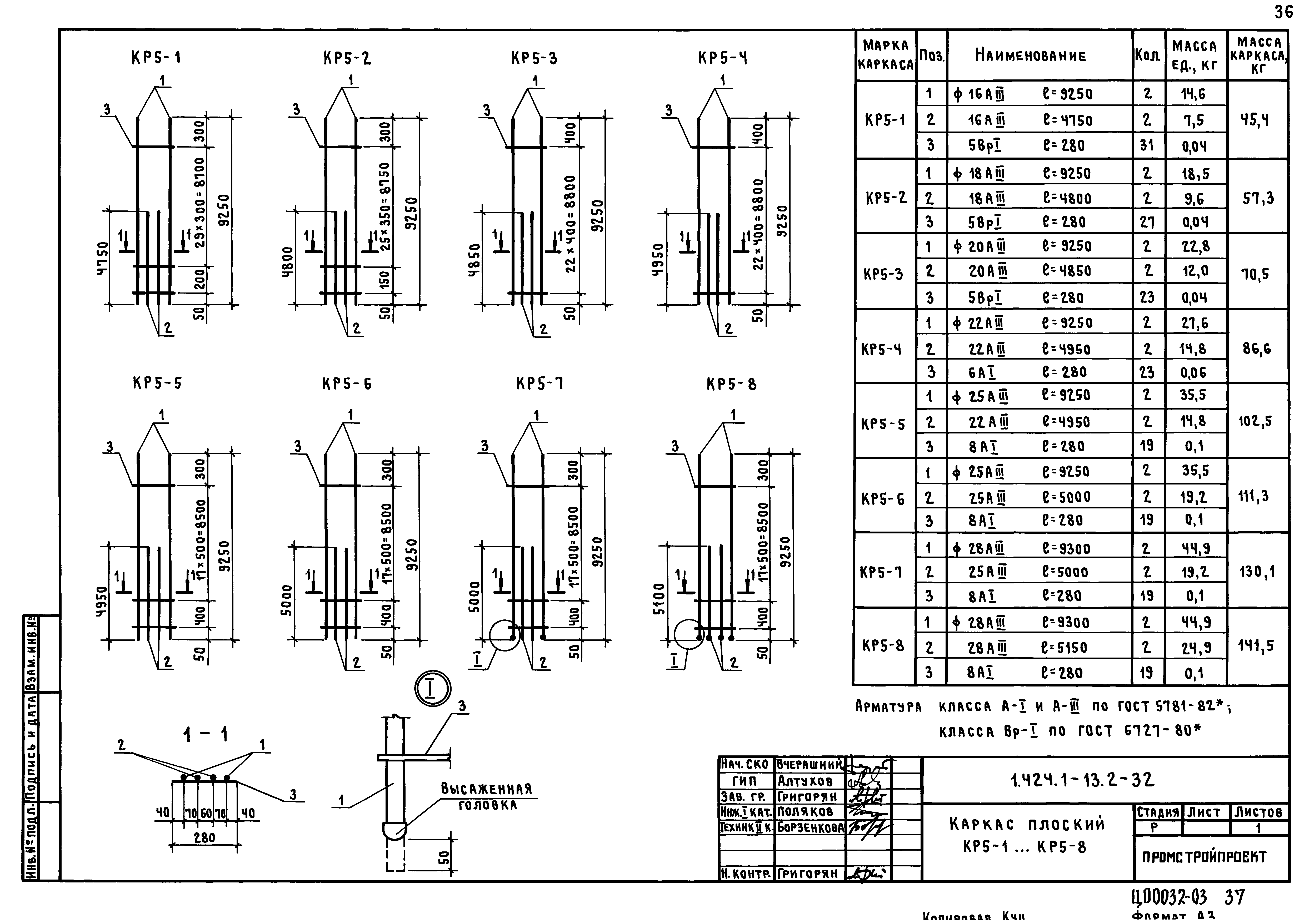
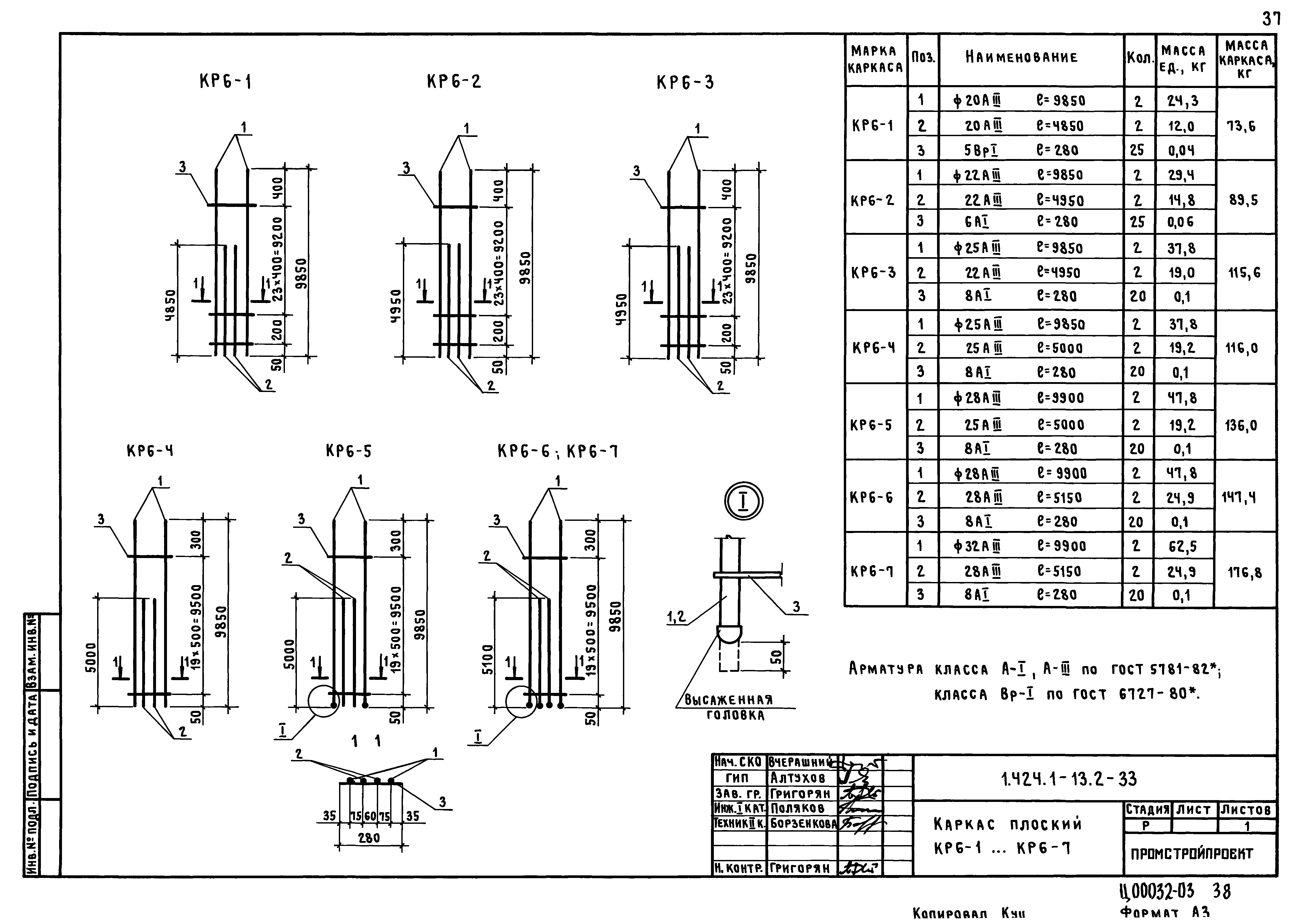
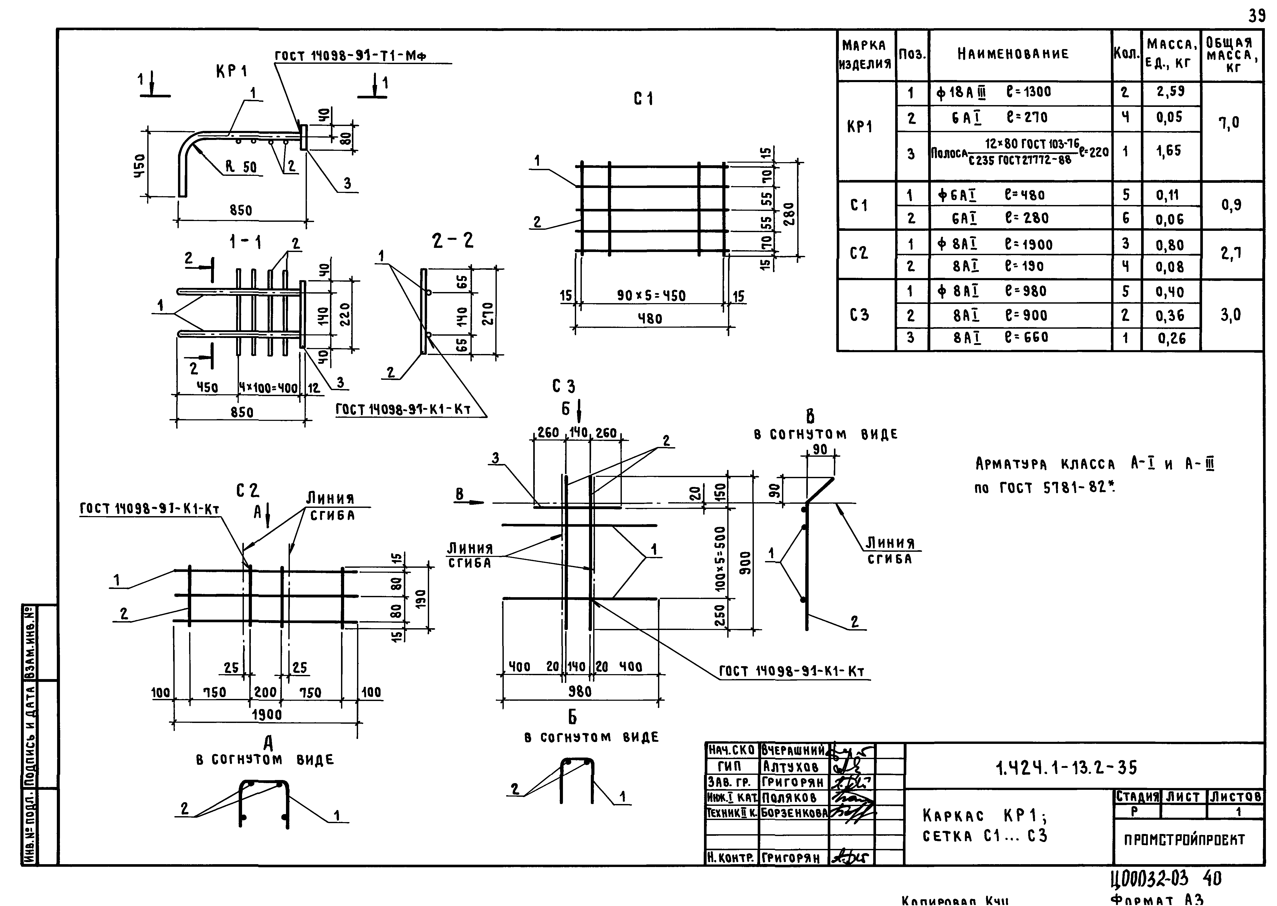
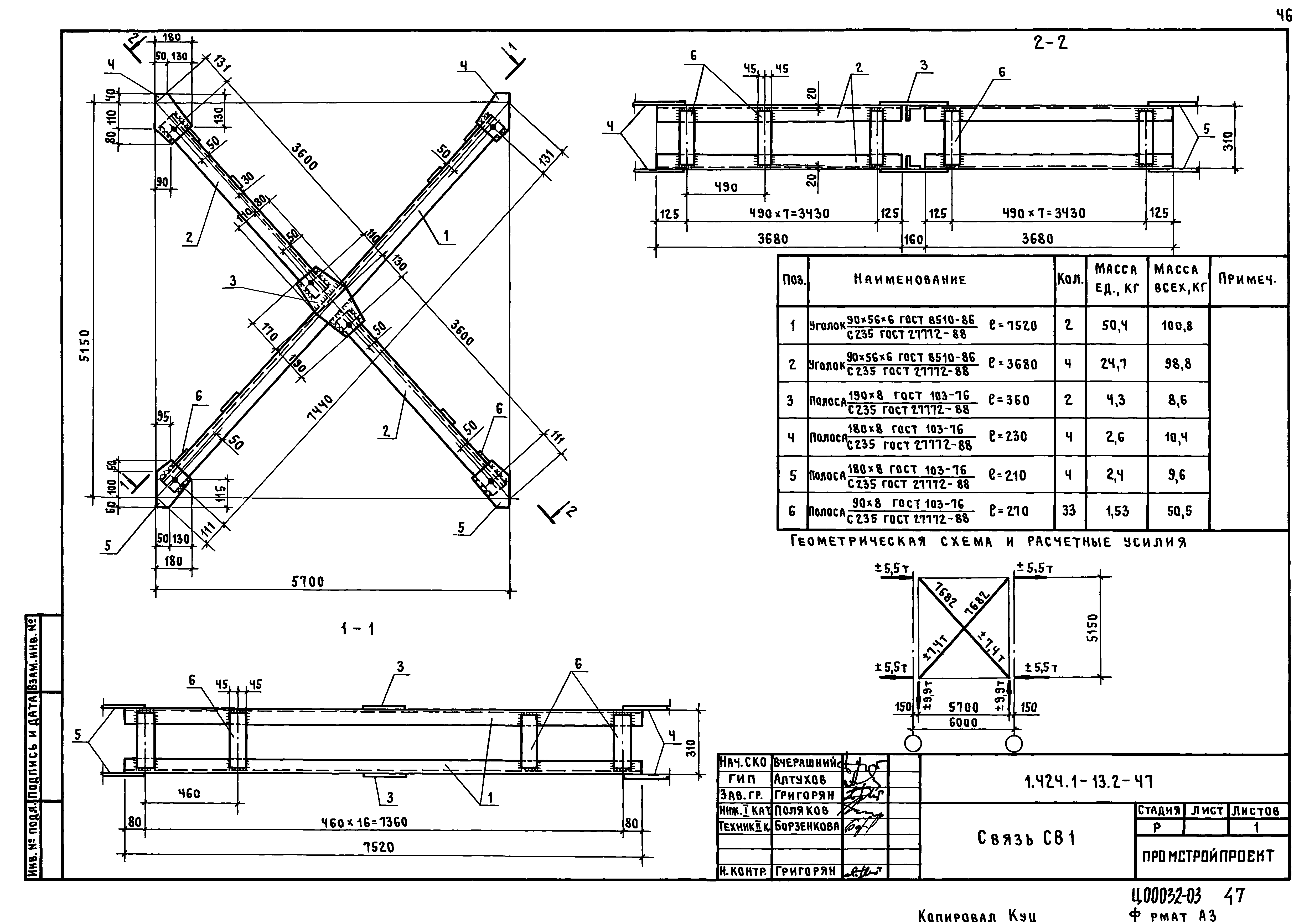
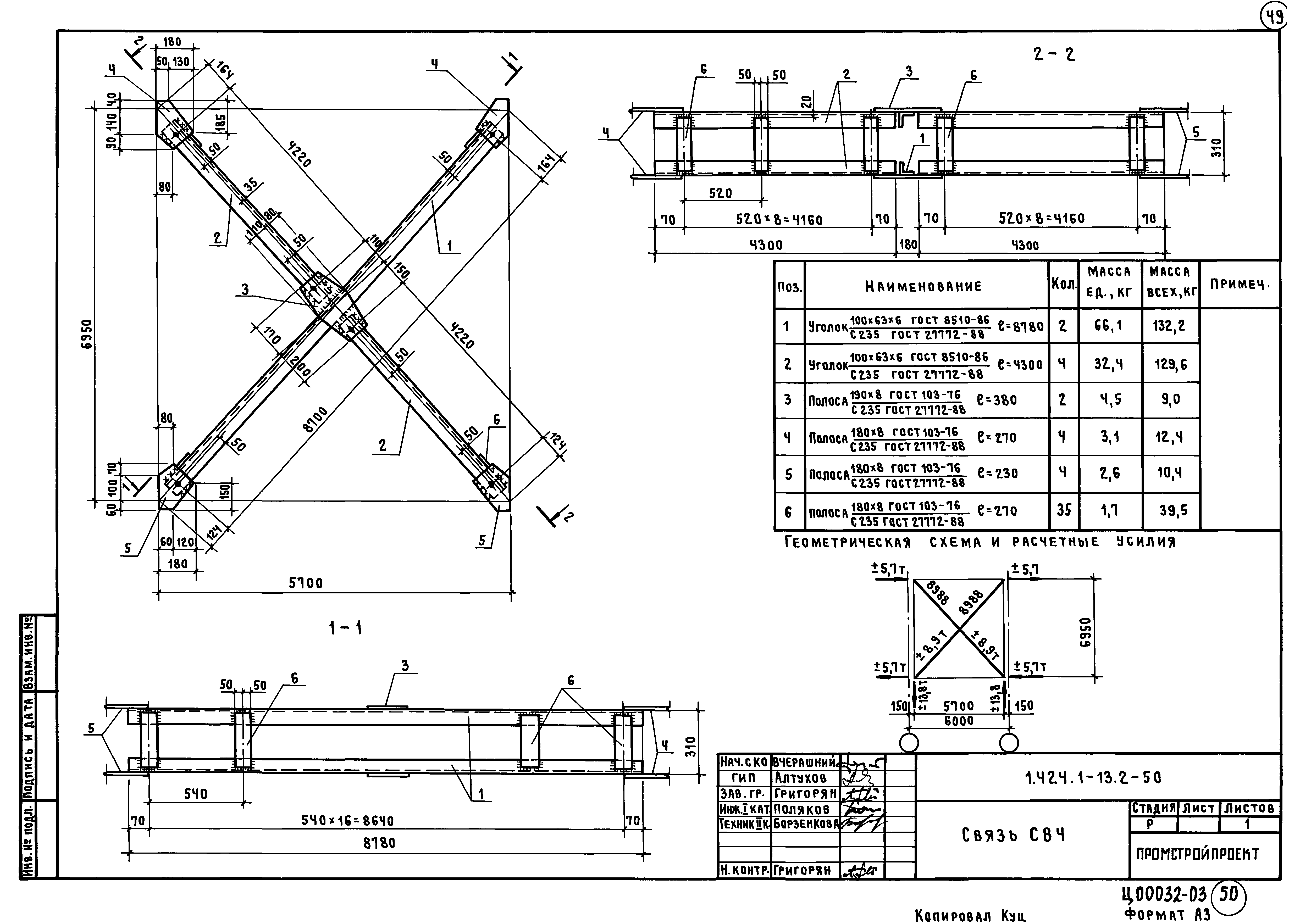
| Оглавление: | 1.424.1-13.0-ПЗ Пояснительная записка 1.424.1-13.0-НИ Номенклатура колонн зданий с высотой этажа 6,0…9,6м 1.424.1-13.0-1СМ Габаритные схемы зданий 1.424.1-13.0-2СМ Расчетные схемы каркаса 1.424.1-13.0-3СМ Расчетные вертикальные нагрузки на каркас 1.424.1-13.0-4СМ Расчетные горизонтальные нагрузки на каркас 1.424.1-13.0-5СМ Пример крепления стропильной железобетонной конструкции к колонне 1.424.1-13.0-6СМ Пример крепления стропильной железобетонной конструкции к колонне при наличии распорок по верху колонн 1.424.1-13.0-7СМ Пример крепления стропильной стальной фермы к колонне 1.424.1-13.0-8СМ Пример установки колонны в фундамент 1.424.1-13.0-9СМ Пример крепления стальной подкрановой балки к колонне 1.424.1-13.0-10СМ Пример крепления стальной подкрановой балки к колонне у торца здания 1.424.1-13.0-11СМ Узел "А" 1.424.1-13.0-12СМ Узел "Б" 1.424.1-13.0-13СМ Пример разбивки закладных изделий 1.424.1-13.0-14 Ключ подбора марок колонн зданий при покрытии железобетонными плитами 1.424.1-13.0-15 Ключ для подбора марок колонн зданий при покрытии со стальным профилированным настилом 1.424.1-13.0-16 Ключ для подбора марок связей 1.424.1-13.0-17 Расчетные нагрузки на фундаменты от покрытия и снегового покрова 1.424.1-13.0-18 Расчетные нагрузки на фундаменты от веса продольных стен, колонн и подкрановых балок 1.424.1-13.0-19 Расчетные нагрузки на фундаменты от мостовых кранов 1.424.1-13.0-20 Расчетные нагрузки на фундаменты от ветрового воздействия II района 1.424.1-13.0-21 Расчетные нагрузки на фундаменты от ветрового воздействия III района 1.424.1-13.0-22 Расчетные нагрузки на фундаменты от ветрового воздействия IV района 1.424.1-13.0-23 Колонна КР96-2-П1 (пример оформления чертежа марки КЖ) |
| Разработан: | Промстройпроект Госстроя СССР |
| Утверждён: | 29.11.1991 Главоргпроект Госстроя СССР (5/4-59) |

















































