Скачать Серия 1.427.1-3 Выпуск 0. Материалы для проектированияДата актуализации: 01.01.2021
|
| Обозначение: | Серия 1.427.1-3 |
| Обозначение англ: | Series 1.427.1-3 |
| Статус: | не определен законодательством |
| Название рус.: | Выпуск 0. Материалы для проектирования |
| Дата добавления в базу: | 01.09.2013 |
| Дата актуализации: | 01.01.2021 |
| Дата введения: | 01.04.1984 |
| Дата окончания срока действия: | 30.06.2003 |
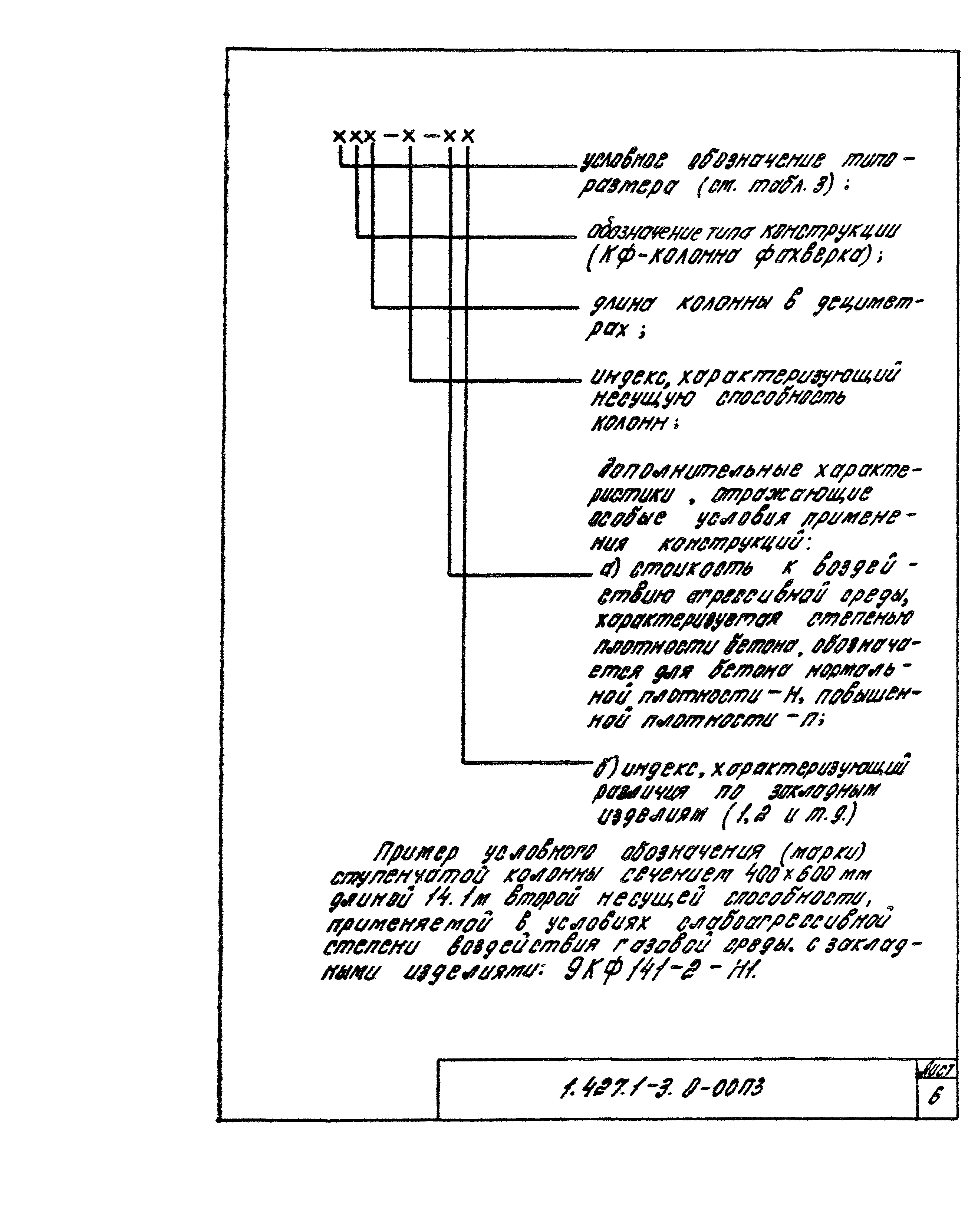
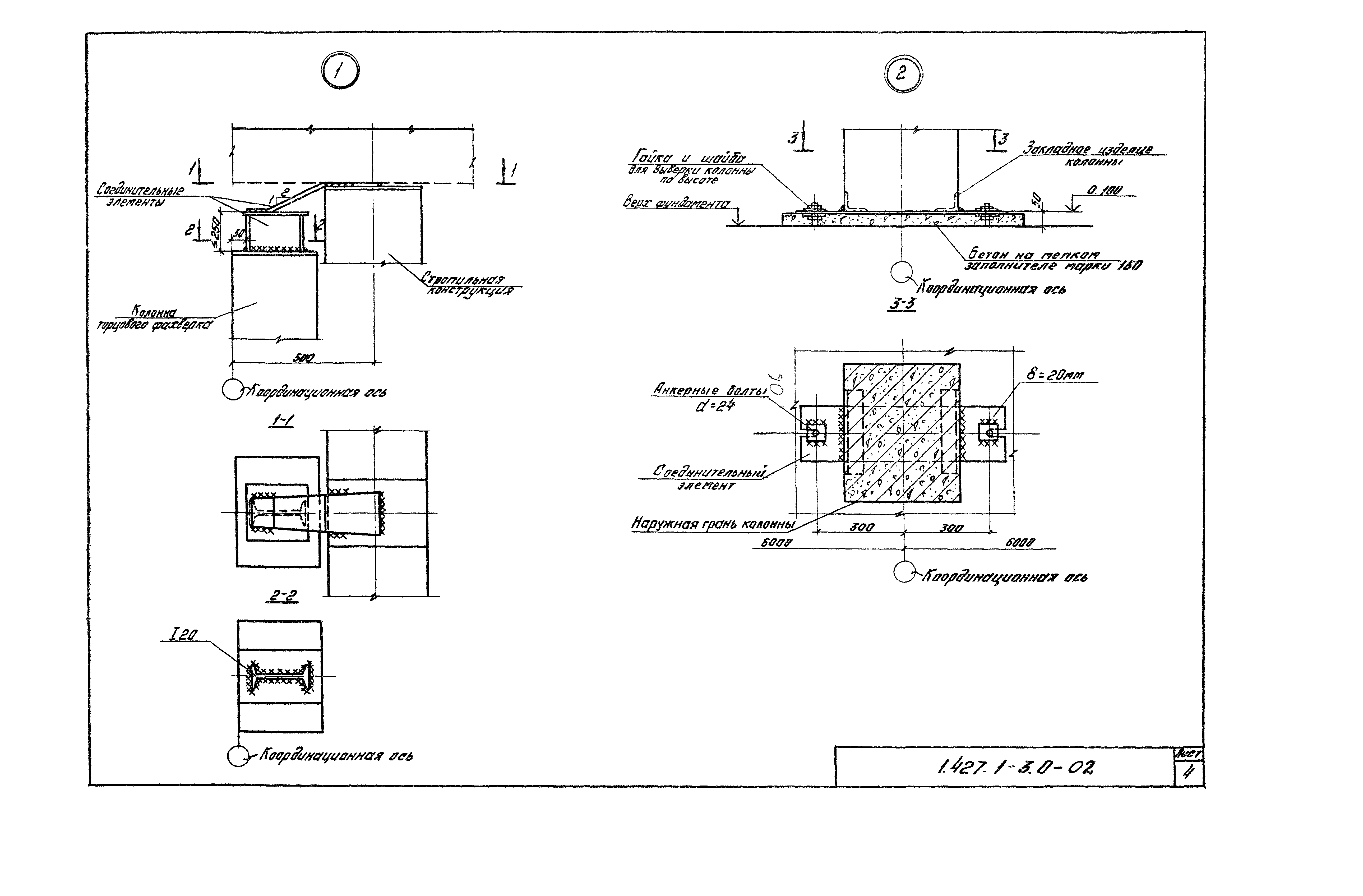
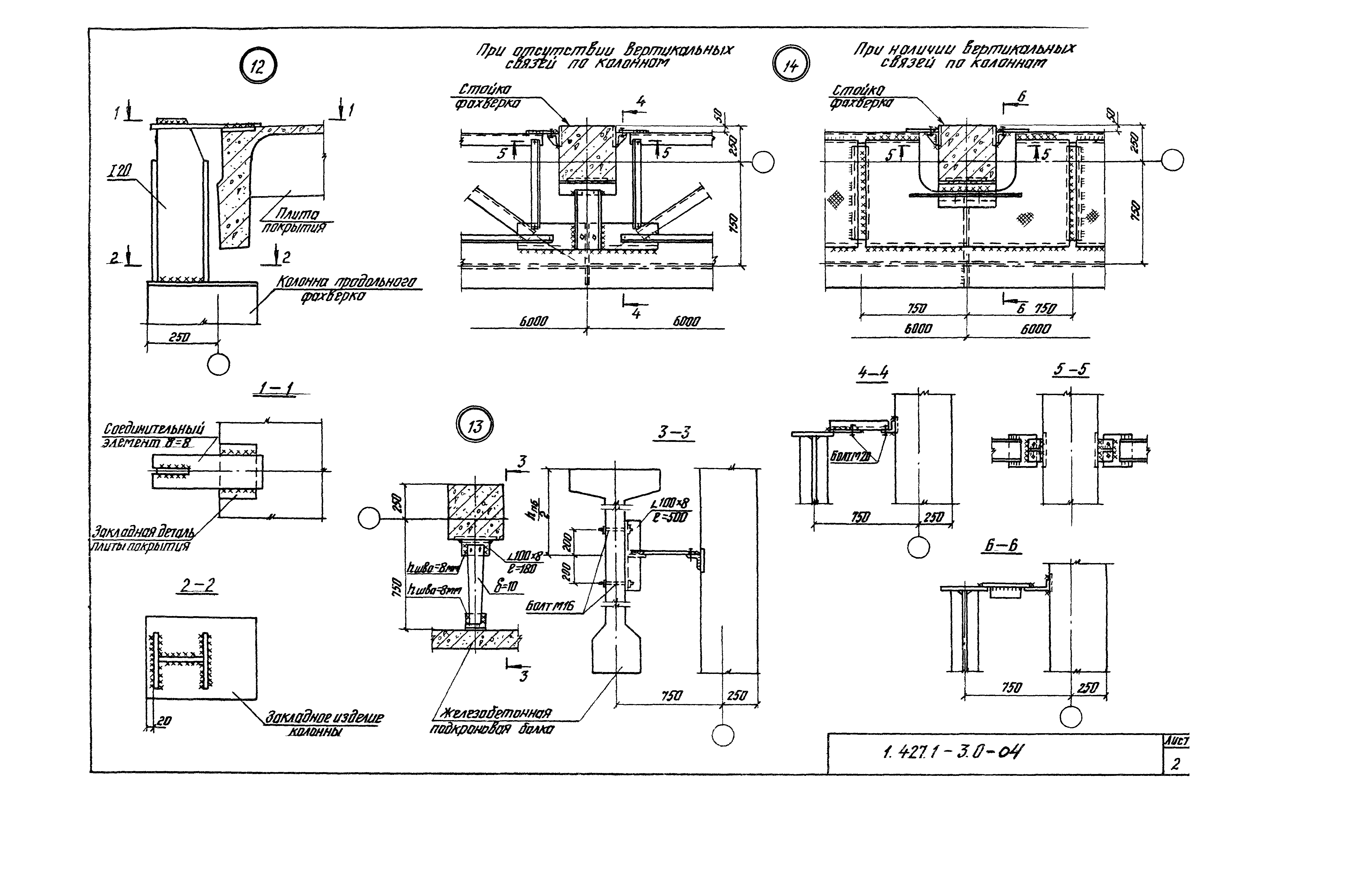
| Оглавление: | 1.427.1-3.0-00ПЗ Пояснительная записка 1.427.1-3.0-01 Номенклатура колонн 1.427.1-3.0-02 Схемы торцевых фахверков 1.427.1-3.0-03 Схемы продольных фахверков зданий без мостовых кранов 1.427.1-3.0-04 Схемы продольных фахверков зданий с мостовыми кранами 1.427.1-3.0-05 Расчетные нагрузки на колонны 1.427.1-3.0-06 Ключ для подбора марок колонн торцевого и продольного фахверка и стальных элементов колонн 1.427.1-3.0-07 Горизонтальные реакции опор колонн 1.427.1-3.0-08 Ключ для подбора закладных изделий для крепления колонн к конструкциям покрытия, фундаментам и подкрановым балкам 1.427.1-3.0-09 Разбивка закладных изделий для крепления связей. Пример разбивки закладных изделий для крепления стеновых панелей 1.427.1-3.0-10 Колонна 1кф93-1-Н1 (Пример оформления чертежей марки КЖИ) |
| Разработан: | АО ЦНИИпромзданий НИИЖБ |
| Утверждён: | 30.12.1983 Госстрой СССР (Государственный комитет Совета Министров СССР по делам строительства) (USSR Gosstroy 338) |
| Издан: | ЦИТП Госстроя СССР (CITP, Gosstroy (USSR) 1988 г. ) |
| Заменяет собой: |


















































