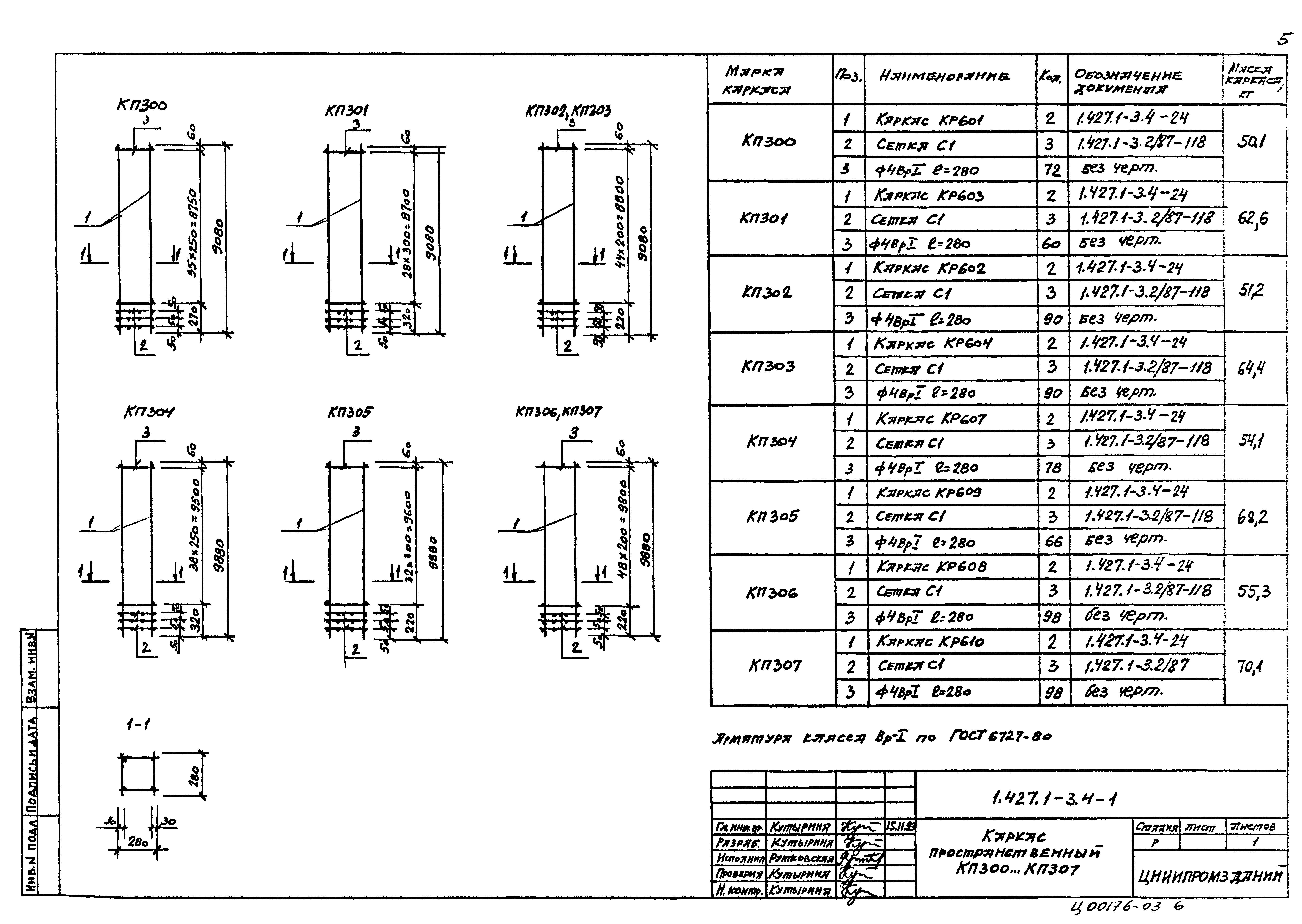
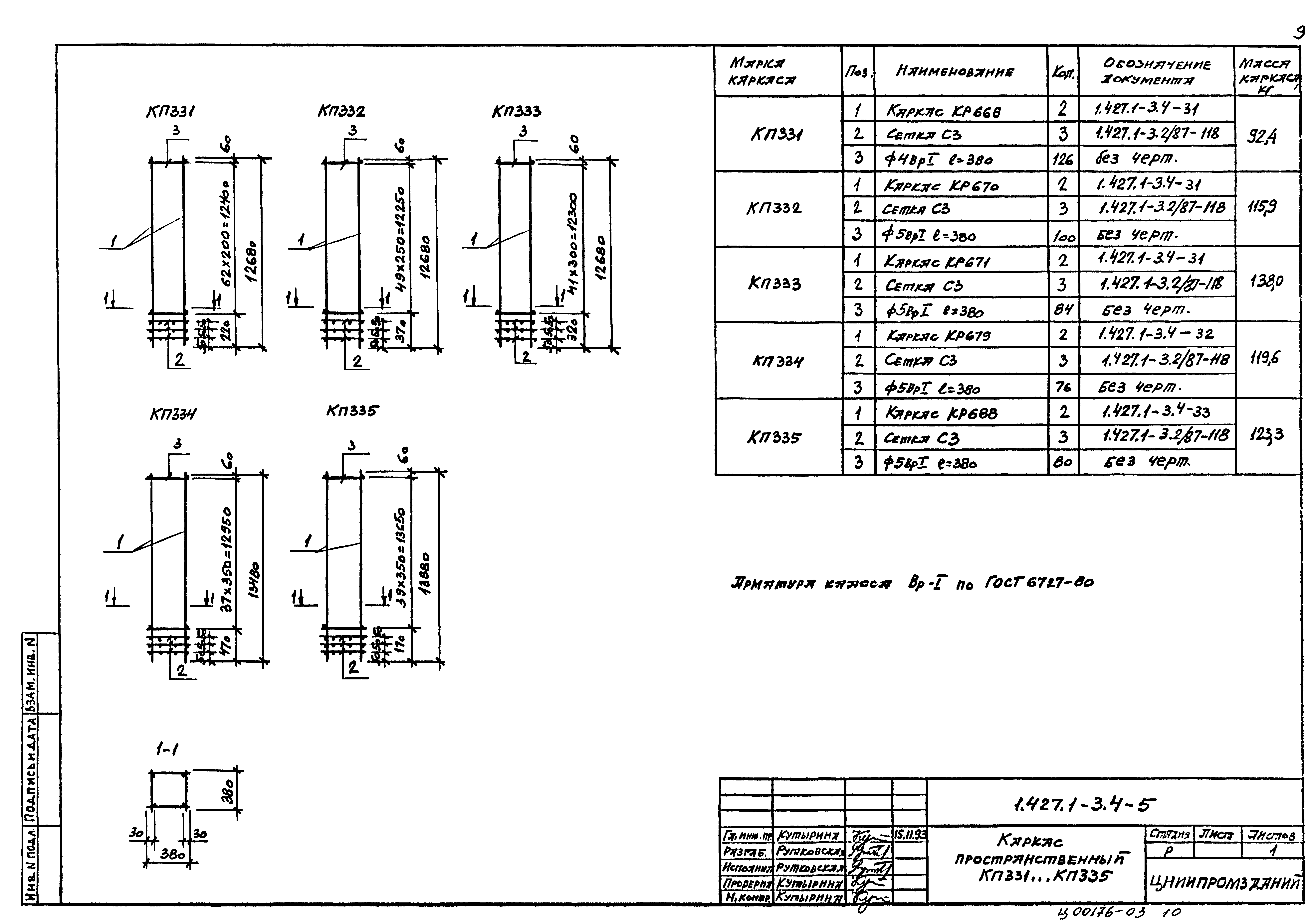
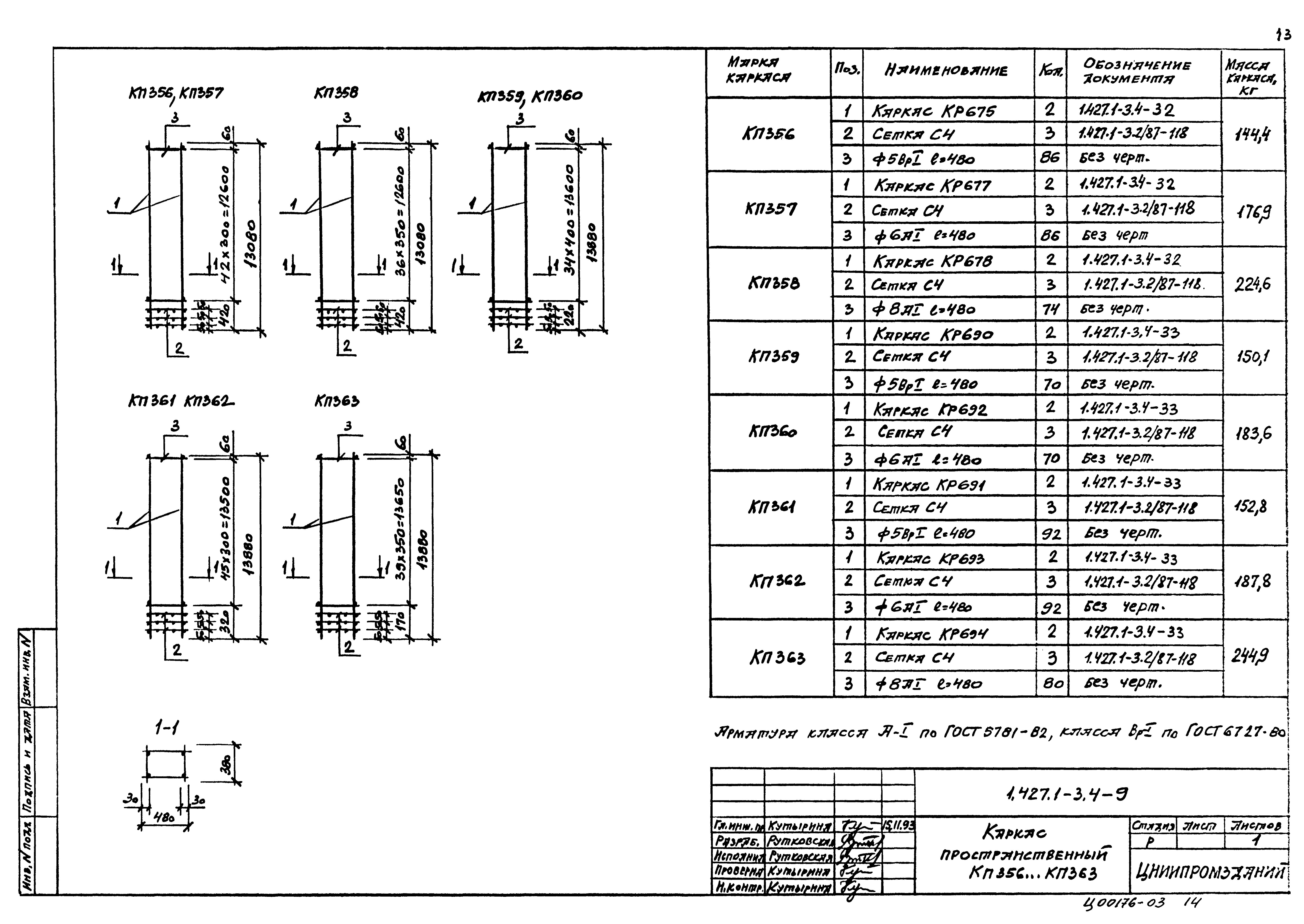
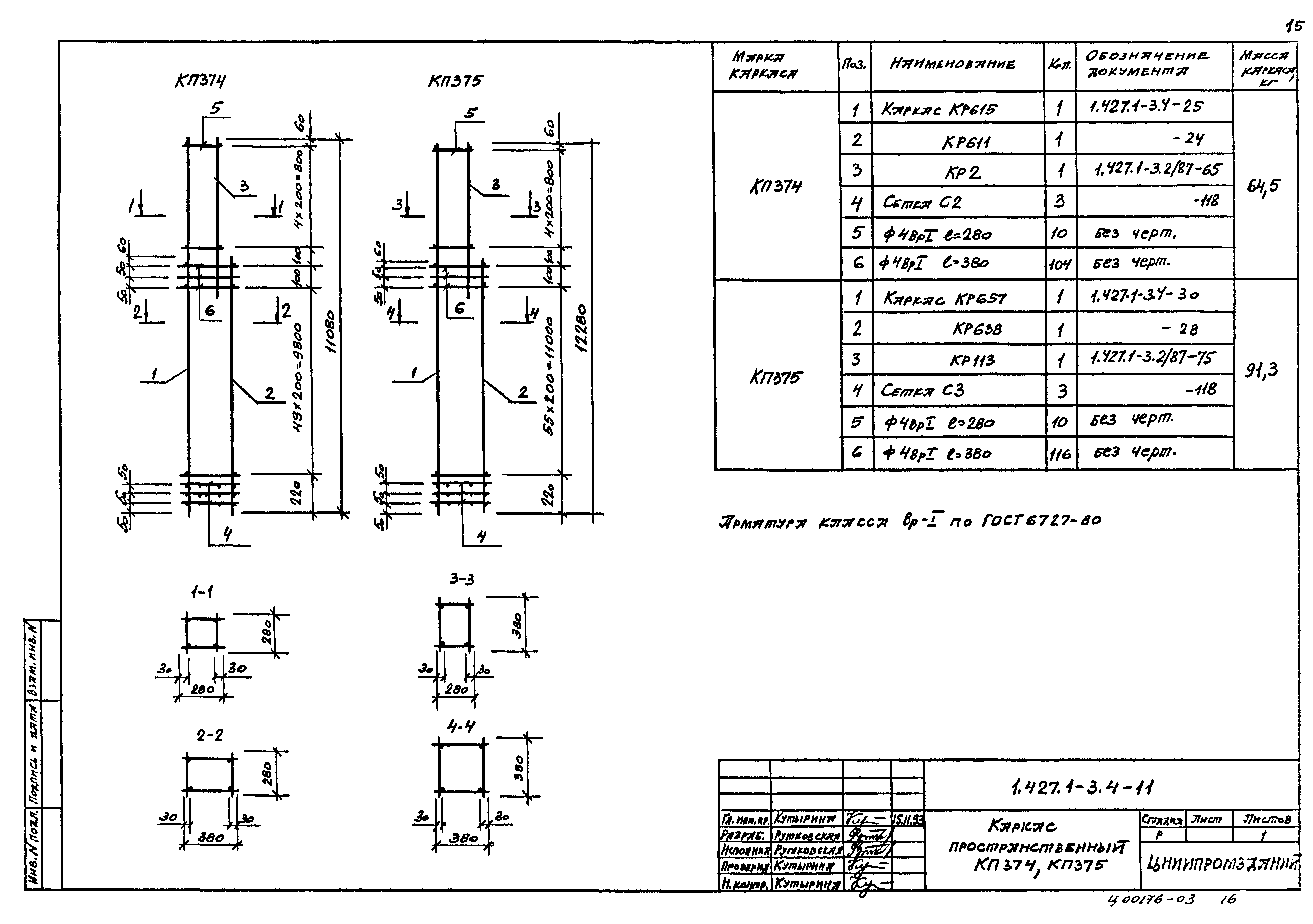
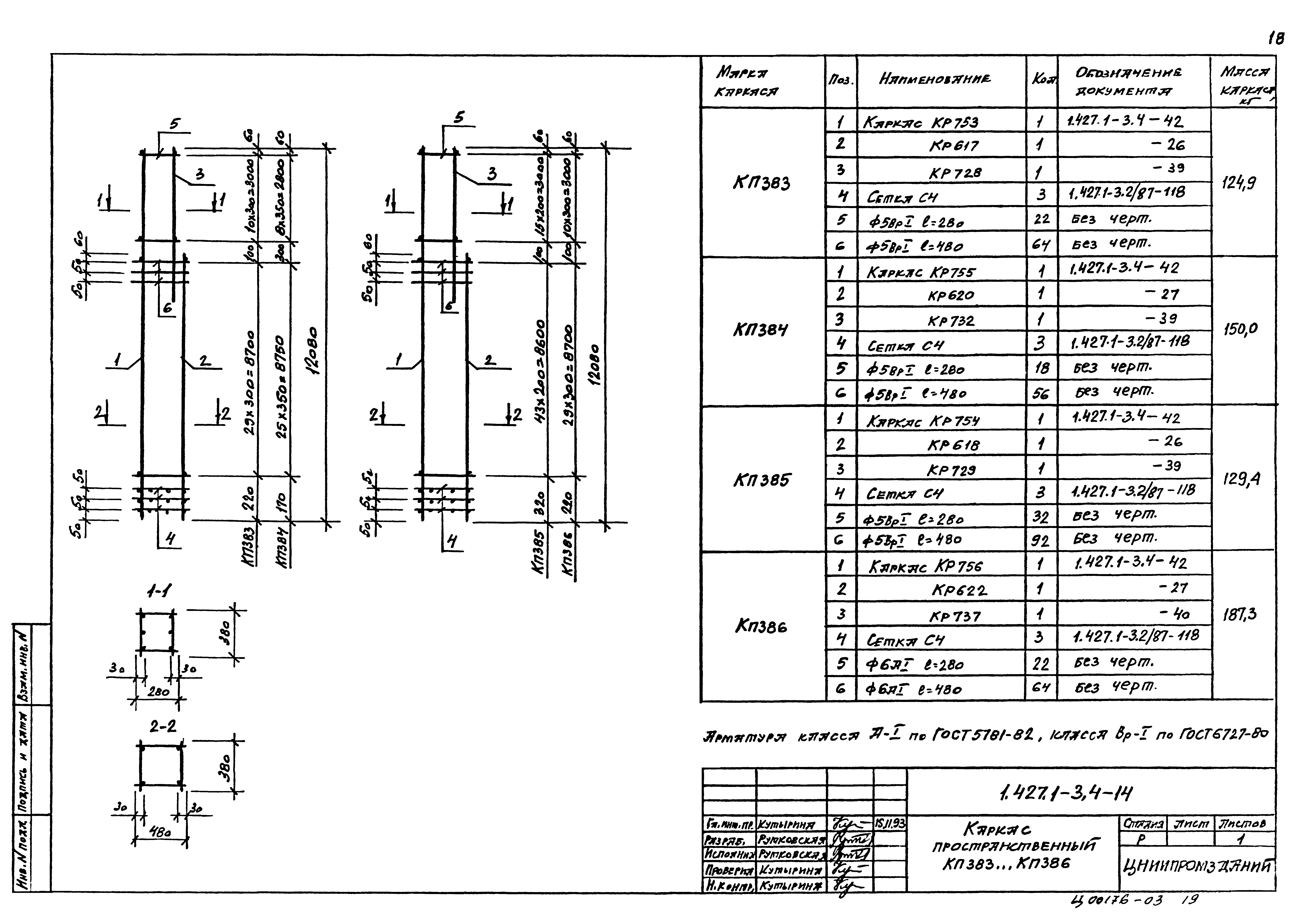
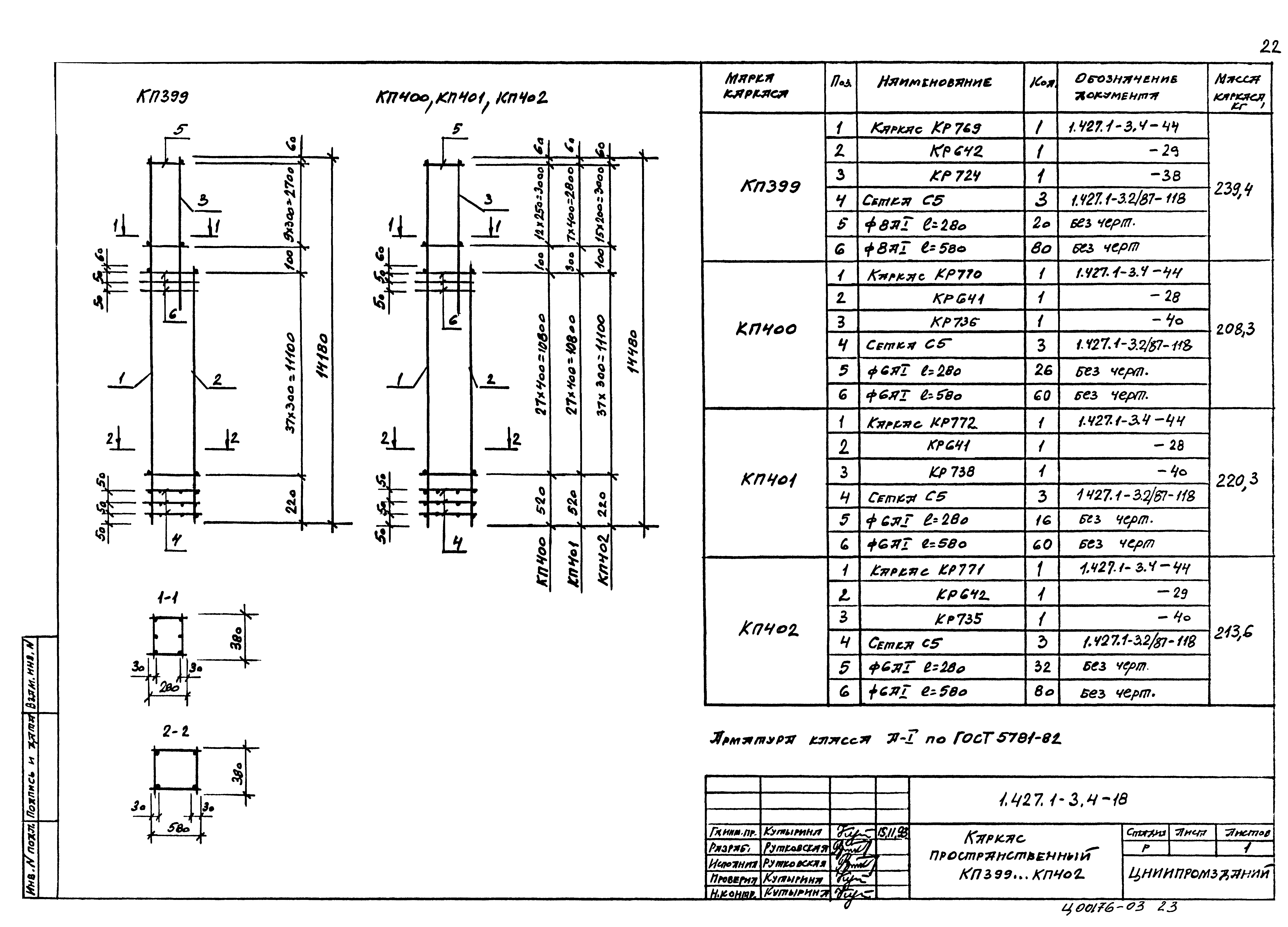
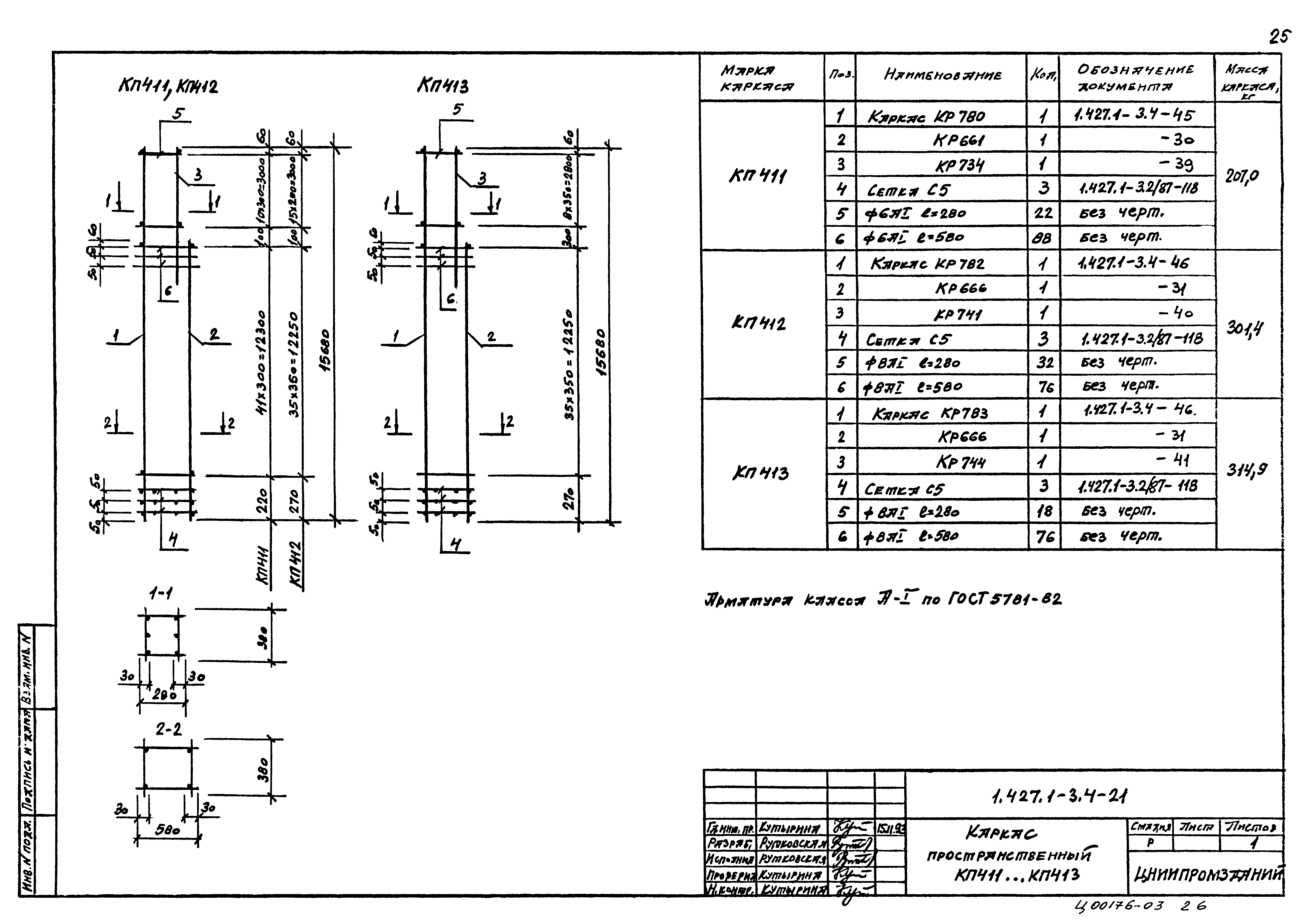
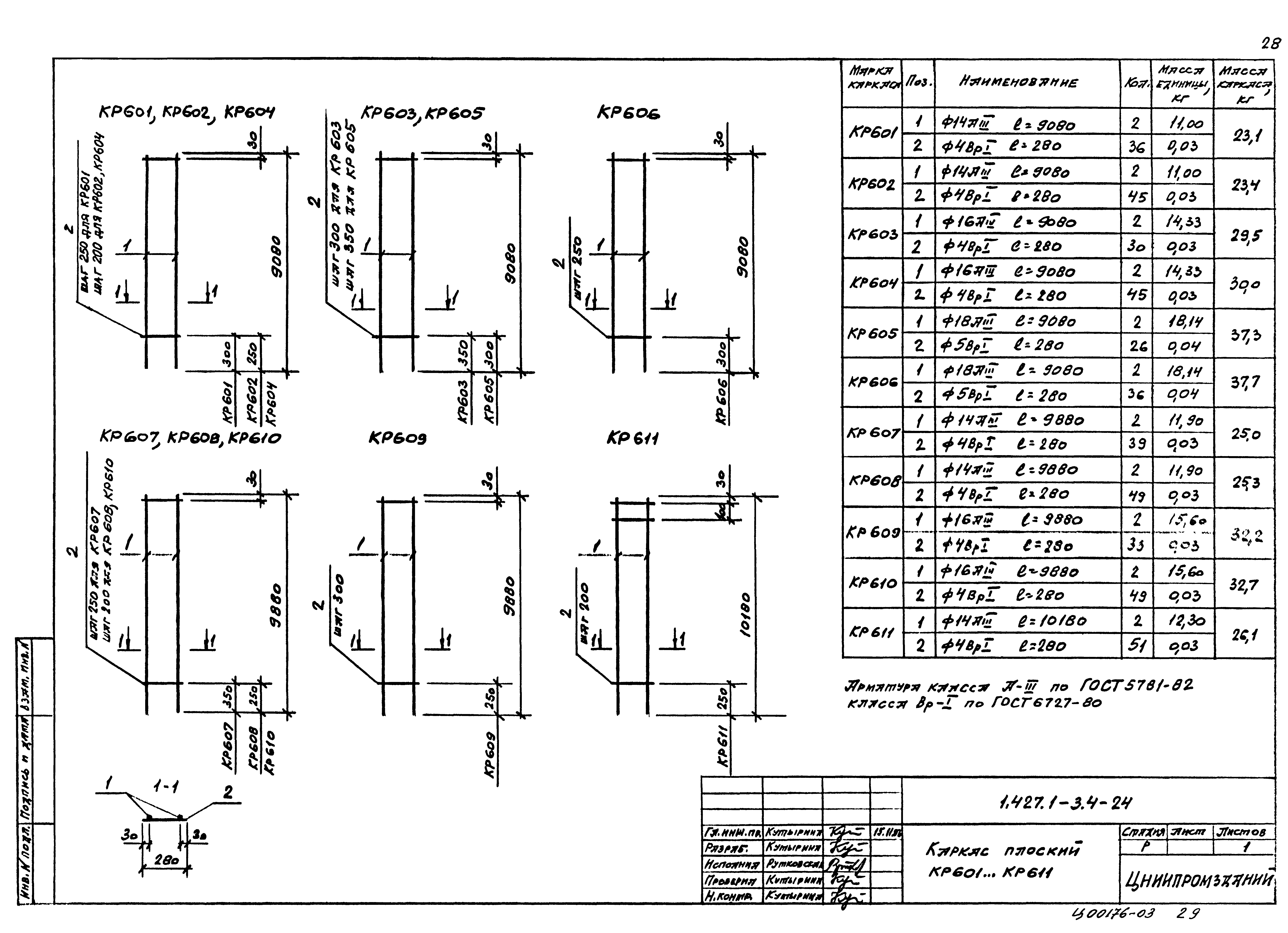
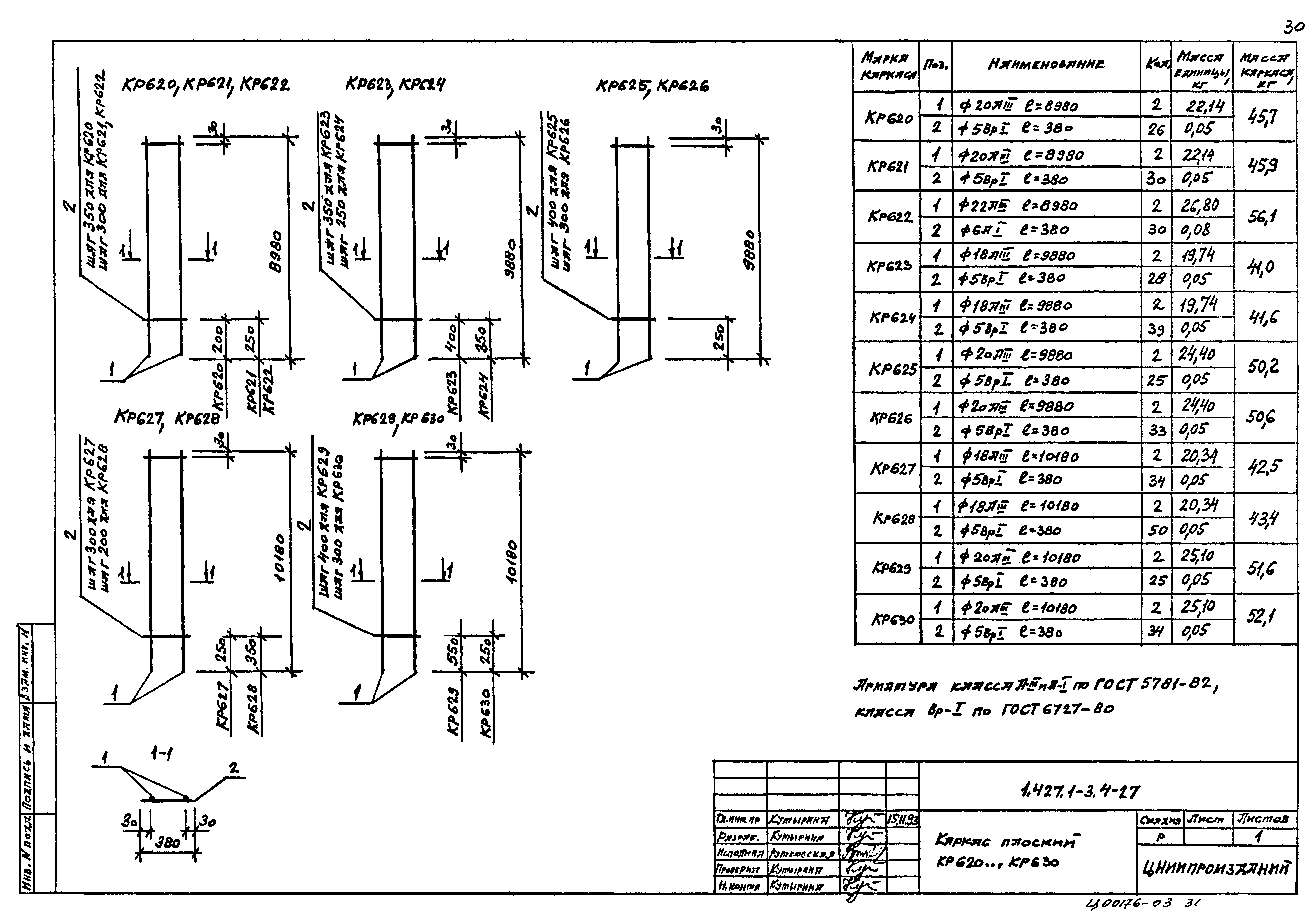
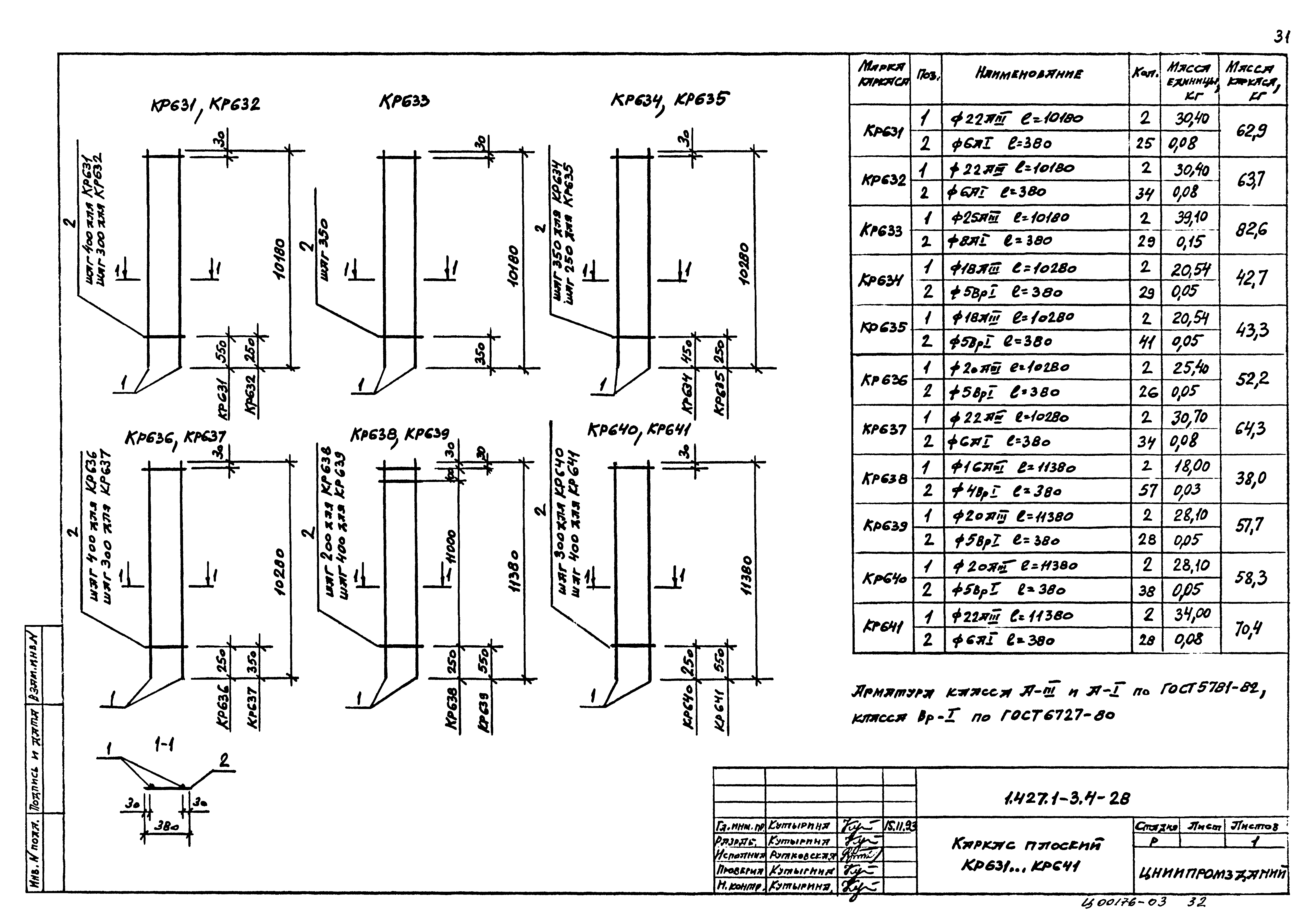
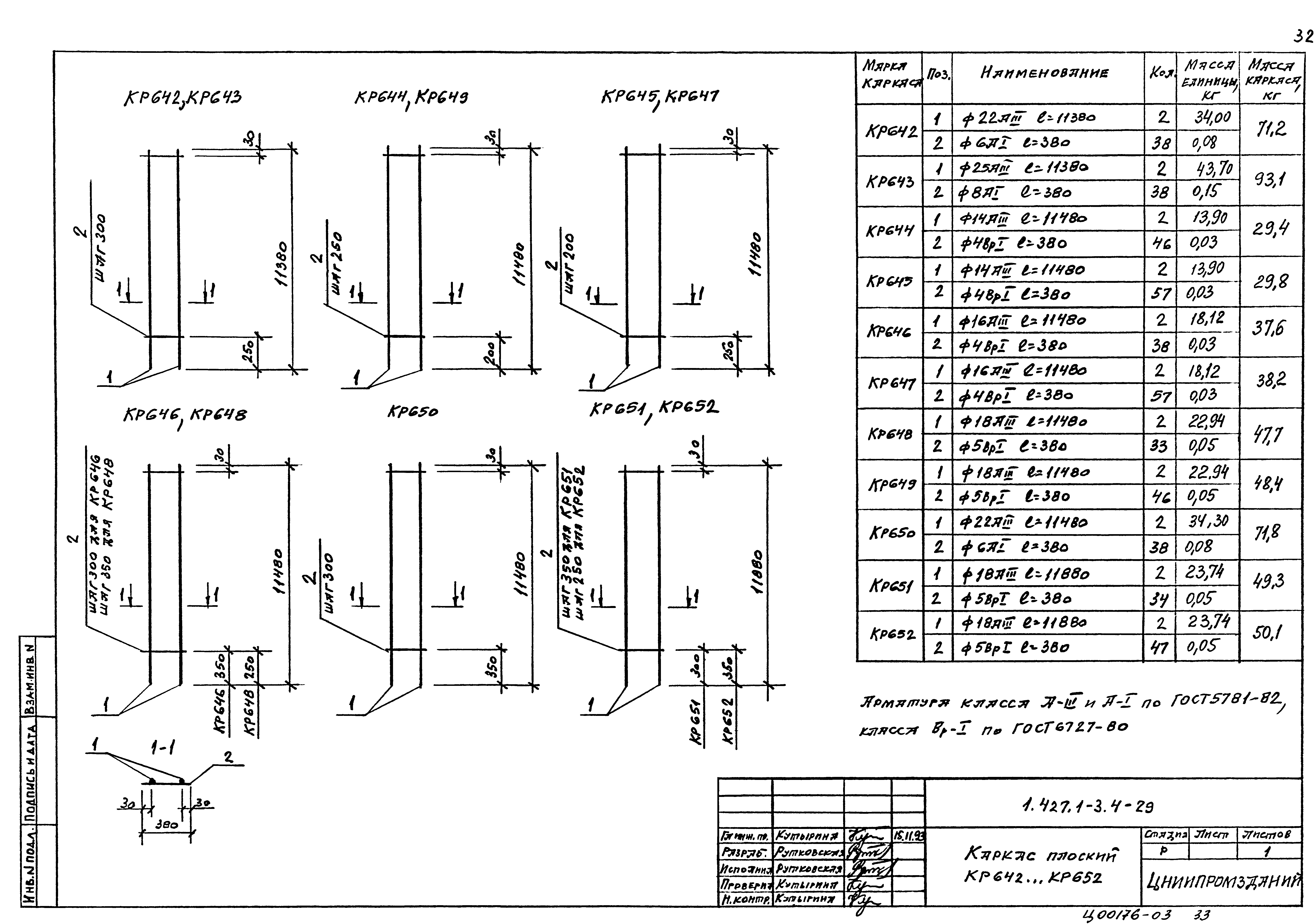
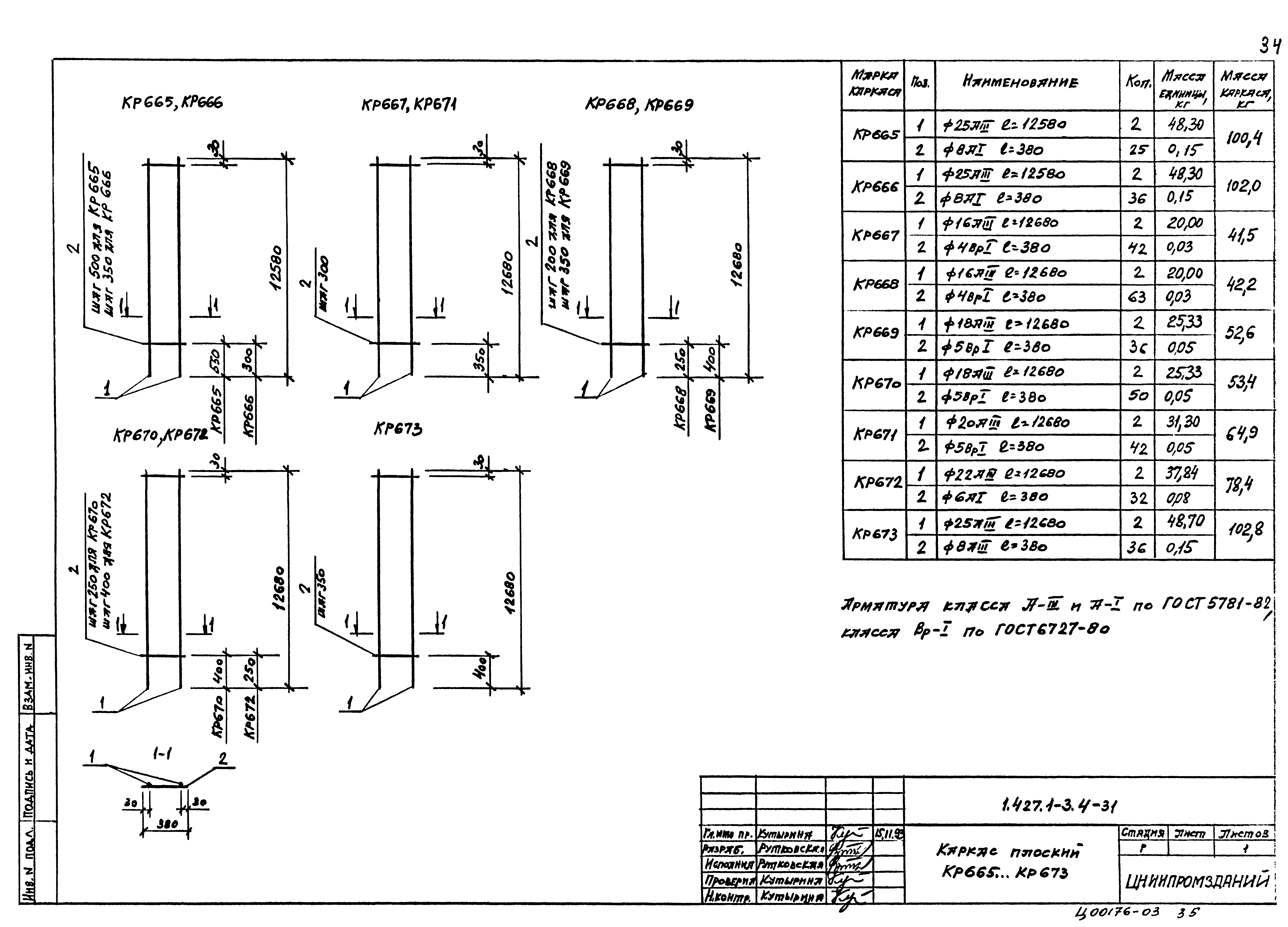
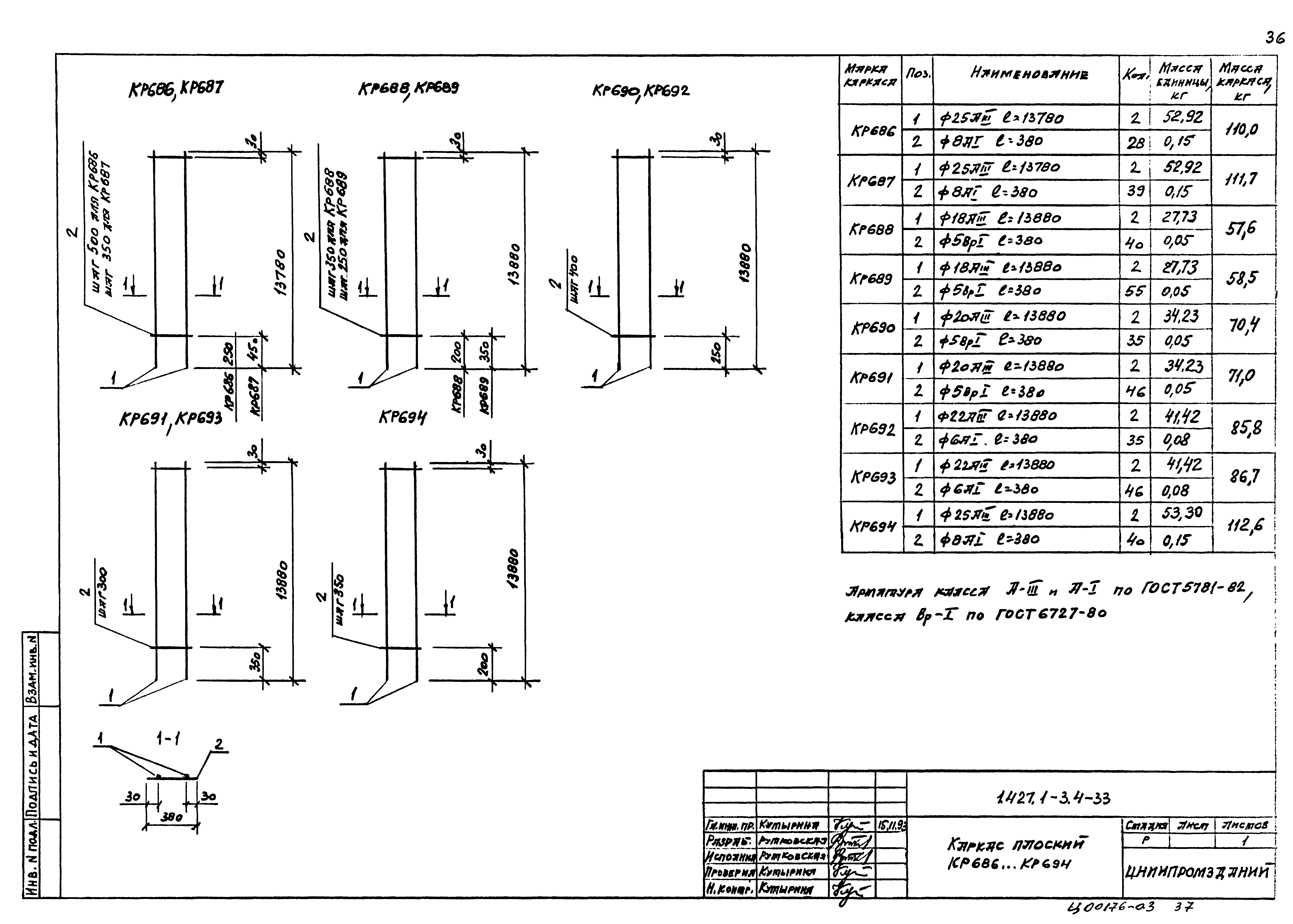
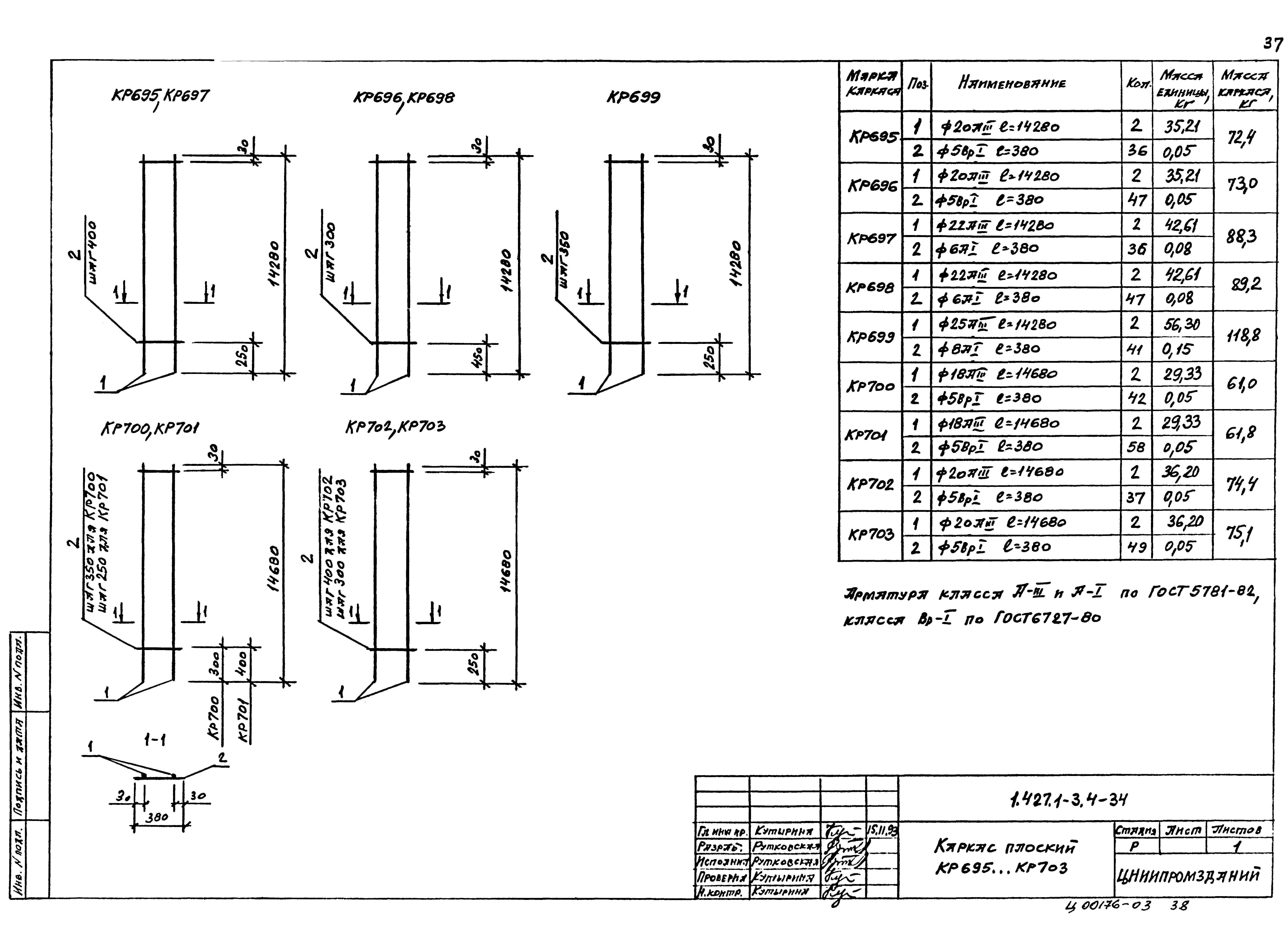
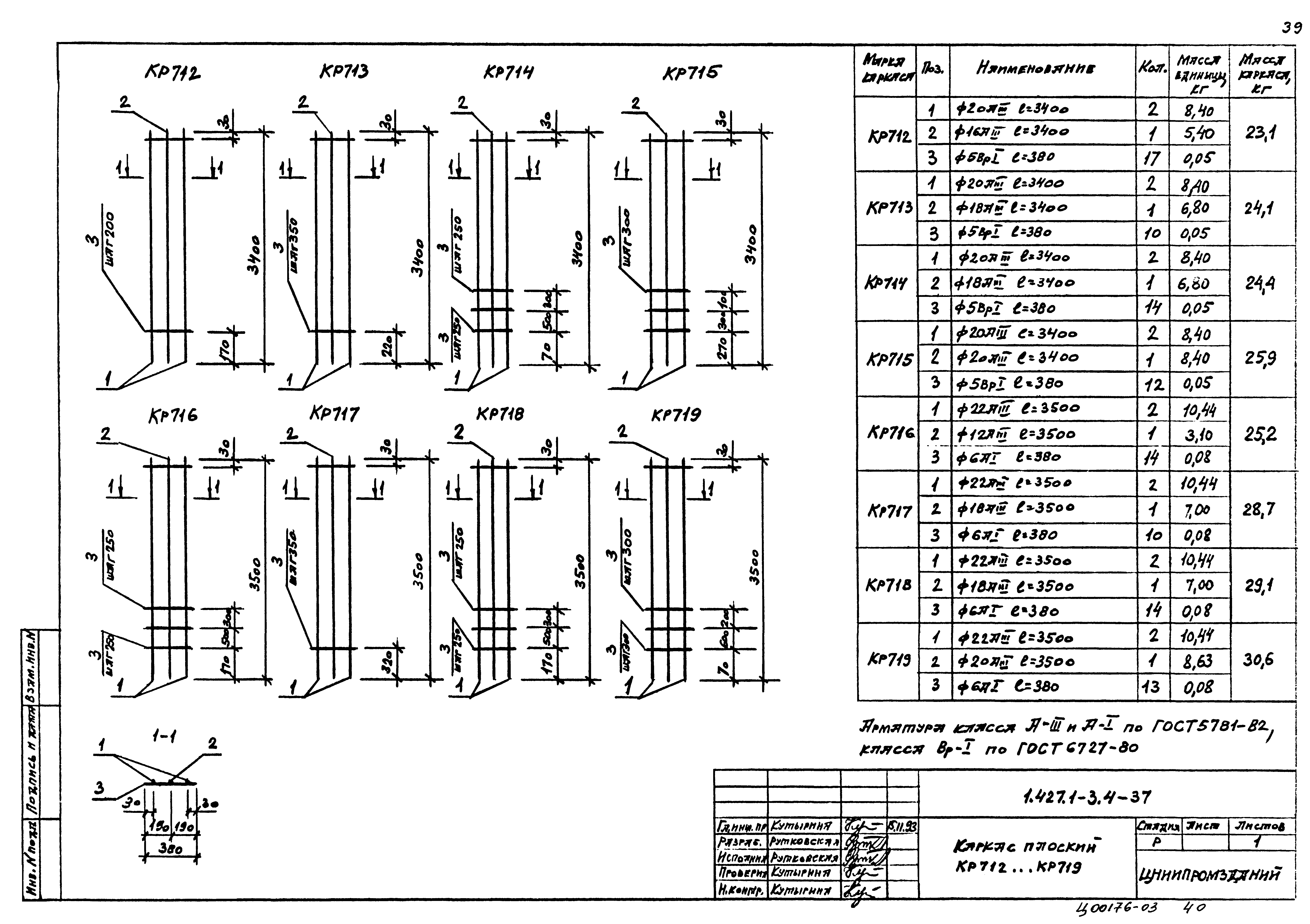
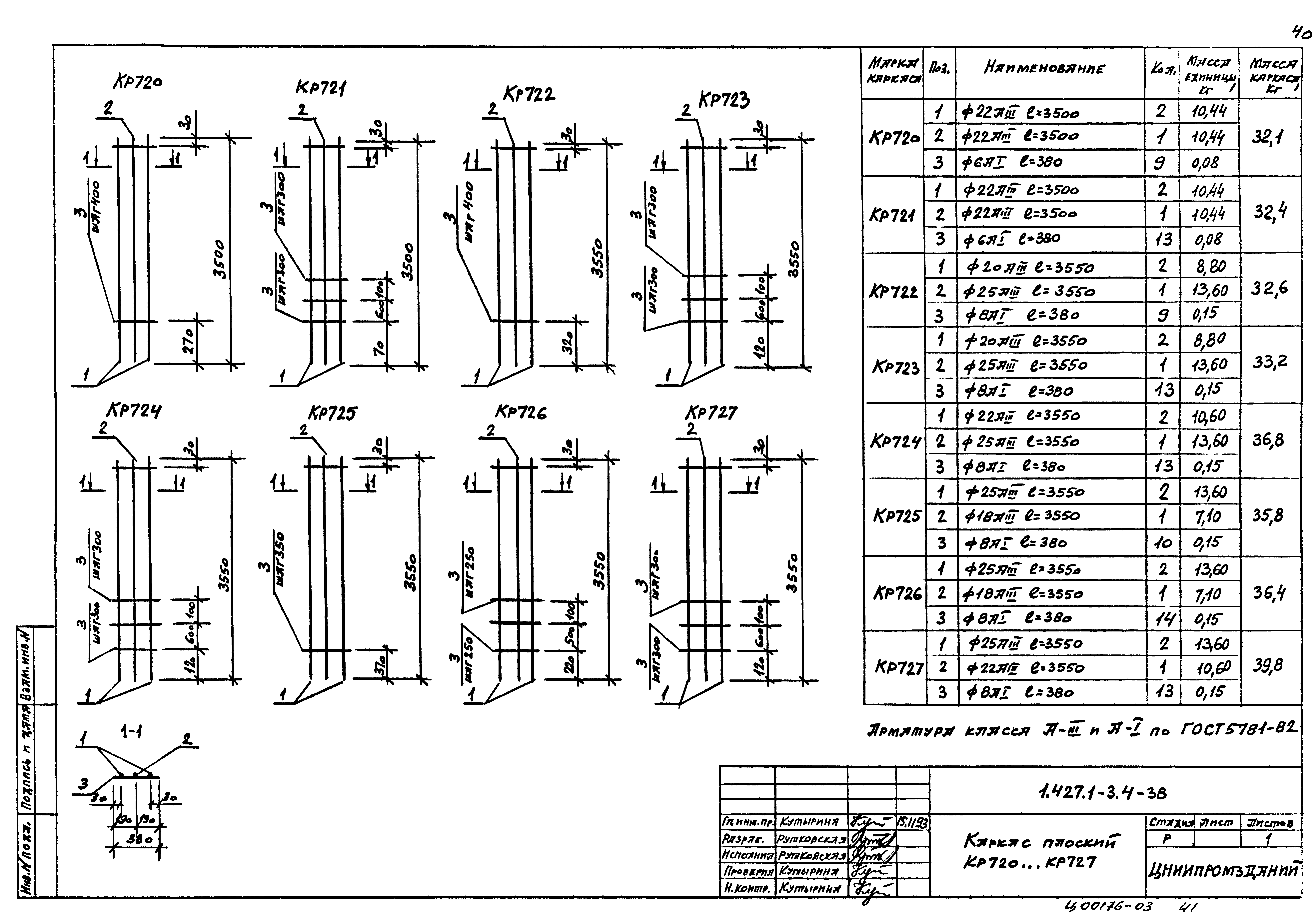
Скачать Серия 1.427.1-3 Выпуск 4. Колонны для зданий высотой 9,0; 10,2; 11,4; 12,6 и 13,8 м. Изделия арматурные и закладные. Рабочие чертежиДата актуализации: 01.01.2021 Серия 1.427.1-3
Выпуск 4. Колонны для зданий высотой 9,0; 10,2; 11,4; 12,6 и 13,8 м. Изделия арматурные и закладные. Рабочие чертежи| Обозначение: | Серия 1.427.1-3 | | Обозначение англ: | Series 1.427.1-3 | | Статус: | не определен законодательством | | Название рус.: | Выпуск 4. Колонны для зданий высотой 9,0; 10,2; 11,4; 12,6 и 13,8 м. Изделия арматурные и закладные. Рабочие чертежи | | Дата добавления в базу: | 01.09.2013 | | Дата актуализации: | 01.01.2021 | | Дата введения: | 01.05.1994 | | Дата окончания срока действия: | 30.06.2003 | | Разработан: | АО ЦНИИпромзданий
| | Утверждён: | 07.12.1993 Главпроект Госстроя России (9-3-2/262)
|
                                                
|