Скачать Серия 1.823.1-3с Выпуск 1. Колонны. Технические условия. Рабочие чертежиДата актуализации: 01.01.2021
|
| Обозначение: | Серия 1.823.1-3с |
| Обозначение англ: | Series 1.823.1-3с |
| Статус: | не определен законодательством |
| Название рус.: | Выпуск 1. Колонны. Технические условия. Рабочие чертежи |
| Дата добавления в базу: | 01.09.2013 |
| Дата актуализации: | 01.01.2021 |
| Дата введения: | 01.01.1991 |
| Дата окончания срока действия: | 30.06.2003 |
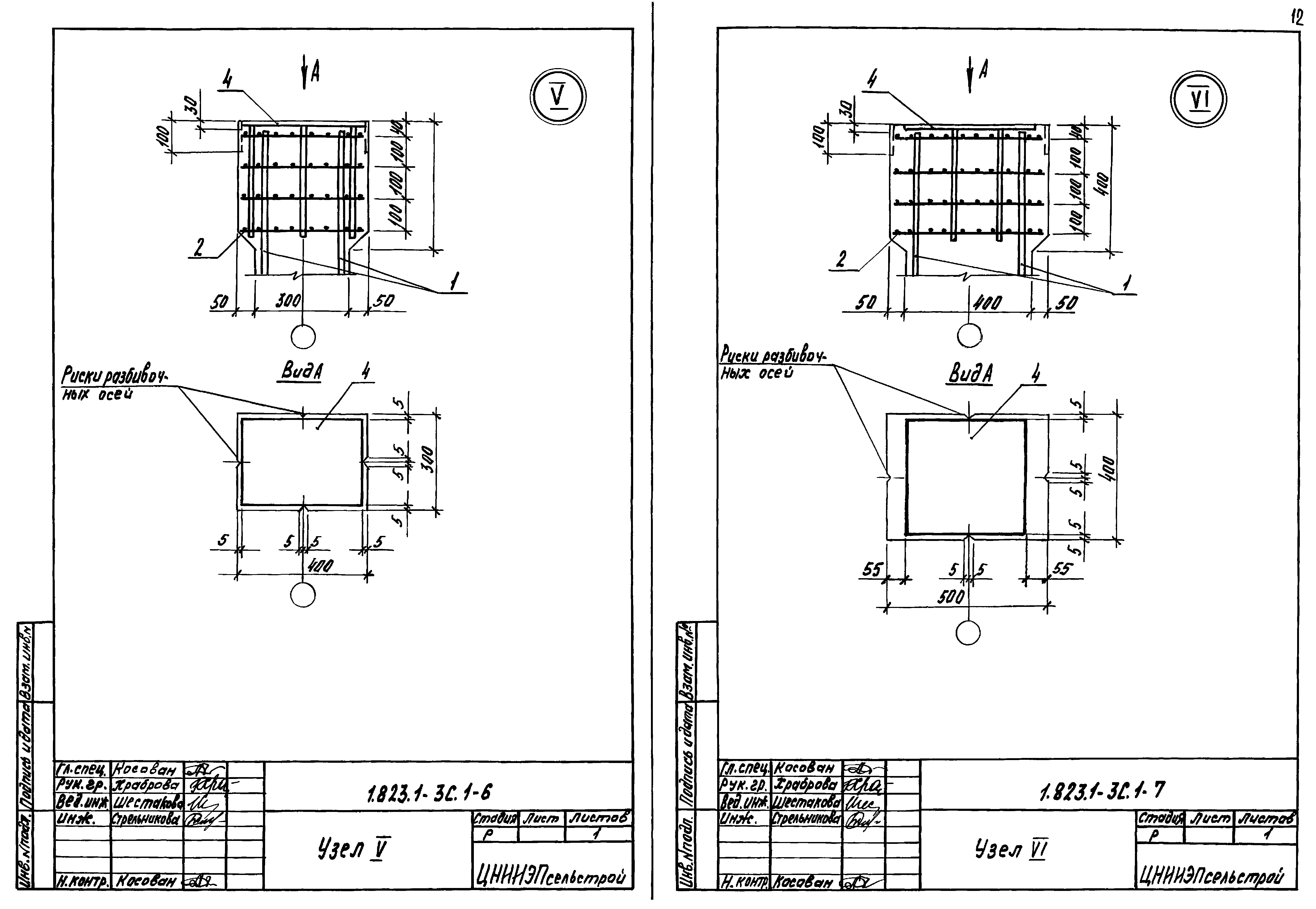
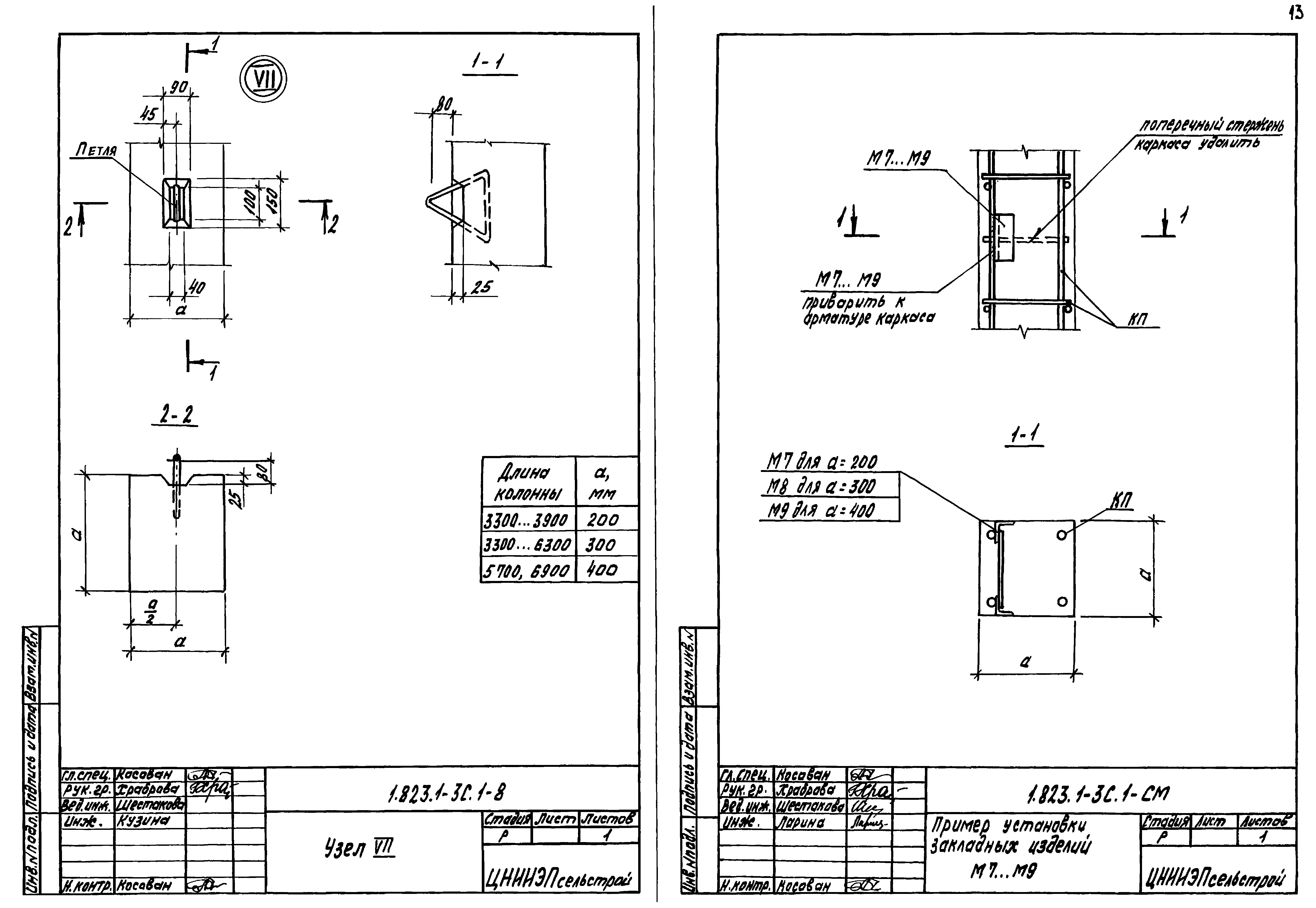
| Оглавление: | 1.823.1-3С.1-ТУ Технические указания 1.823.1-3С.1-1 Колонна 1К33.2-1-С…1К33.2-3-С 1.823.1-3С.1-2 Узел I 1.823.1-3С.1-3 Узел II 1.823.1-3С.1-4 Узел III 1.823.1-3С.1-5 Узел IV 1.823.1-3С.1-6 Узел V 1.823.1-3С.1-7 Узел VI 1.823.1-3С.1-8 Узел VII 1.823.1-3С.1-СМ Пример установки закладных изделий М7…М9 1.823.1-3С.1-9 Колонна 1К36.2-1-С…1К36.2-3-С 1.823.1-3С.1-10 Колонна 1К39.2-1-С…1К39.2-3-С 1.823.1-3С.1-11 Колонна 1К33.3-1-С…1К33.3-4-С 1.823.1-3С.1-12 Колонна 1К36.3-1-С…1К36.3-4-С 1.823.1-3С.1-13 Колонна 1К39.3-1-С…1К39.3-4-С 1.823.1-3С.1-14 Колонна 1К42.3-1-С…1К42.3-4-С 1.823.1-3С.1-15 Колонна 1К45.3-1-С…1К45.3-3-С 1.823.1-3С.1-16 Колонна 1К48.3-1-С…1К48.3-3-С 1.823.1-3С.1-17 Колонна 1К51.3-1-С…1К51.3-4-С 1.823.1-3С.1-18 Колонна 1К57.3-2-С…1К57.3-4-С 1.823.1-3С.1-19 Колонна 1К60.3-2-С…1К60.3-4-С 1.823.1-3С.1-20 Колонна 1К63.3-2-С…1К63.3-4-С 1.823.1-3С.1-21 Колонна 1К57.4-2-С…1К57.4-3-С 1.823.1-3С.1-22 Колонна 1К69.4-1-С…1К69.4-3-С 1.823.1-3С.1-23 Колонна 2К33.2-2-С…2К33.2-3-С 1.823.1-3С.1-24 Колонна 2К36.2-2-С…2К36.2-3-С 1.823.1-3С.1-25 Колонна 2К39.2-2-С…2К39.2-3-С 1.823.1-3С.1-26 Колонна 2К33.3-2-С…2К33.3-4-С 1.823.1-3С.1-27 Колонна 2К36.3-1-С…2К36.3-4-С 1.823.1-3С.1-28 Колонна 2К39.3-1-С…2К39.3-4-С 1.823.1-3С.1-29 Колонна 2К42.3-1-С…2К42.3-3-С 1.823.1-3С.1-30 Колонна 2К45.3-1-С…2К45.3-3-С 1.823.1-3С.1-31 Колонна 2К48.3-1-С…2К48.3-3-С 1.823.1-3С.1-32 Колонна 2К51.3-1-С…2К51.3-3-С 1.823.1-3С.1-33 Колонна 2К54.3-1-С…2К54.3-3-С 1.823.1-3С.1-34 Колонна 2К57.3-1-С…2К57.3-4-С 1.823.1-3С.1-35 Колонна 2К60.3-1-С…2К60.3-3-С 1.823.1-3С.1-36 Колонна 2К63.3-2-С…2К63.3-4-С 1.823.1-3С.1-37 Колонна 2К69.4-1-С…2К69.4-2-С 1.823.1-3С.1-РС Ведомость расхода стали |
| Разработан: | НИИЖБ ЦНИИЭПсельстрой |
| Утверждён: | 18.09.1990 Госстрой СССР (Государственный комитет Совета Министров СССР по делам строительства) (USSR Gosstroy 5/6-791) |














































