Скачать Серия 1.823.1-3с Выпуск 2. Колонны. Арматурные и закладные изделия. Рабочие чертежиДата актуализации: 01.01.2021
|
| Обозначение: | Серия 1.823.1-3с |
| Обозначение англ: | Series 1.823.1-3с |
| Статус: | не определен законодательством |
| Название рус.: | Выпуск 2. Колонны. Арматурные и закладные изделия. Рабочие чертежи |
| Дата добавления в базу: | 01.09.2013 |
| Дата актуализации: | 01.01.2021 |
| Дата введения: | 01.01.1991 |
| Дата окончания срока действия: | 30.06.2003 |
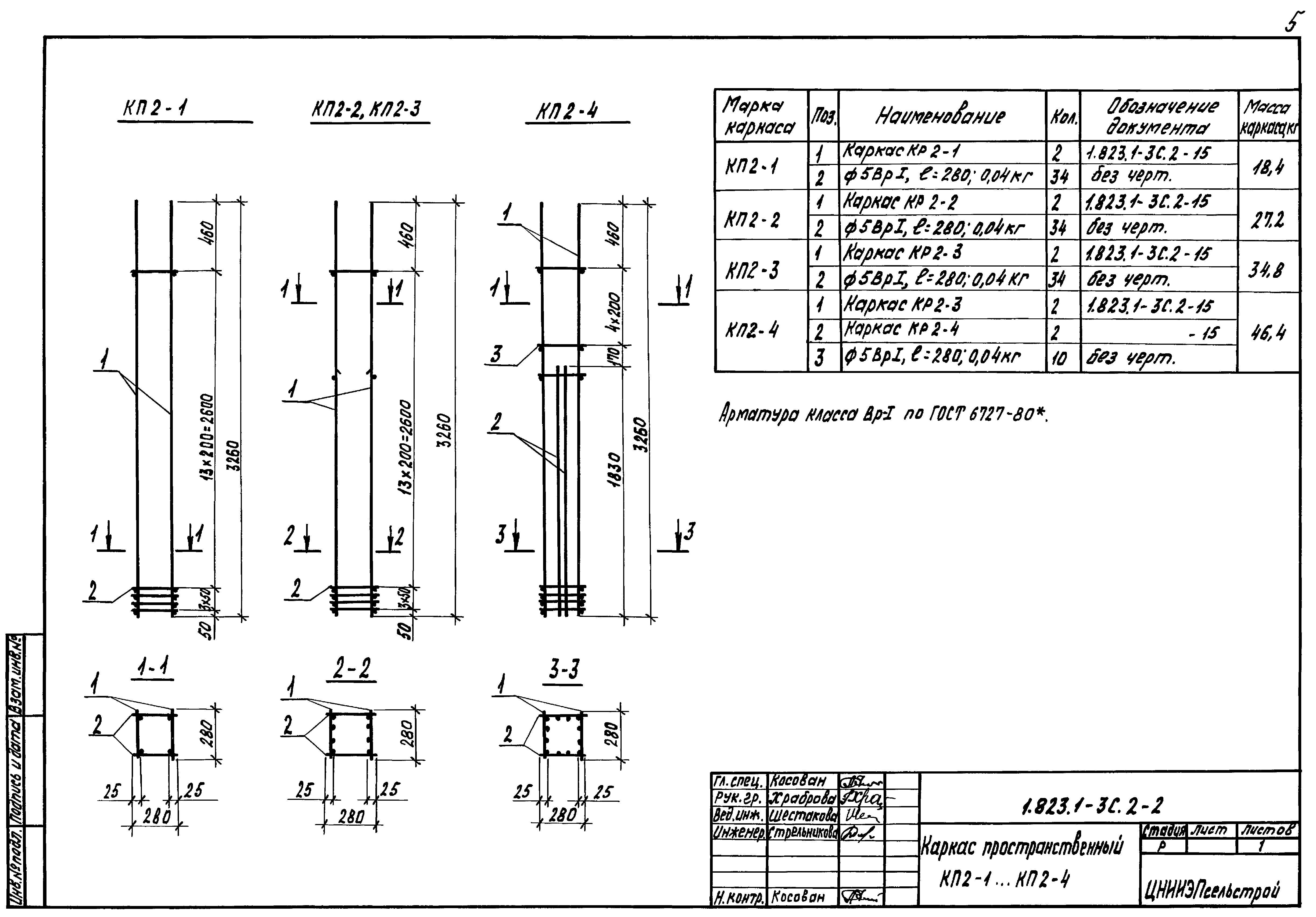
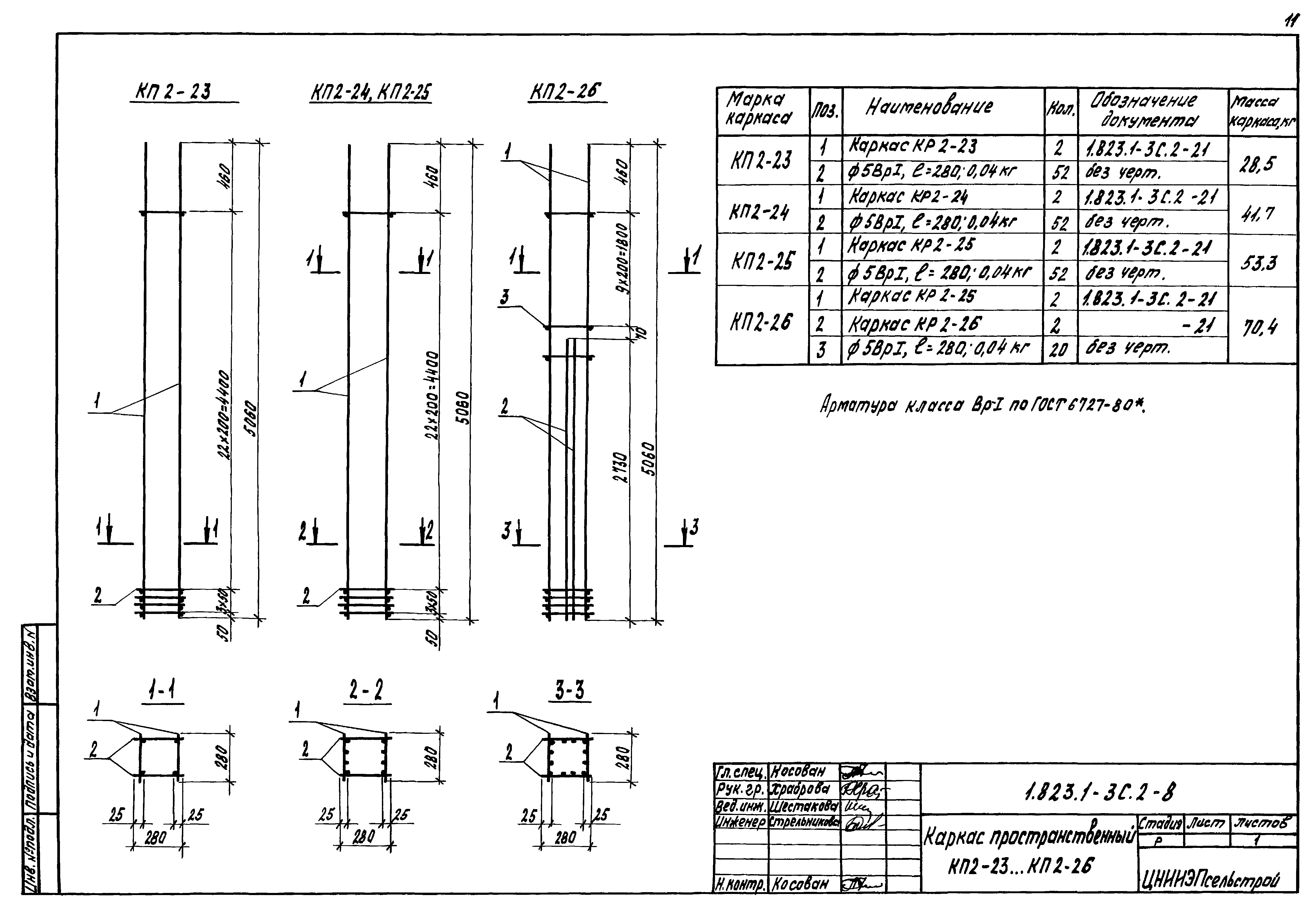
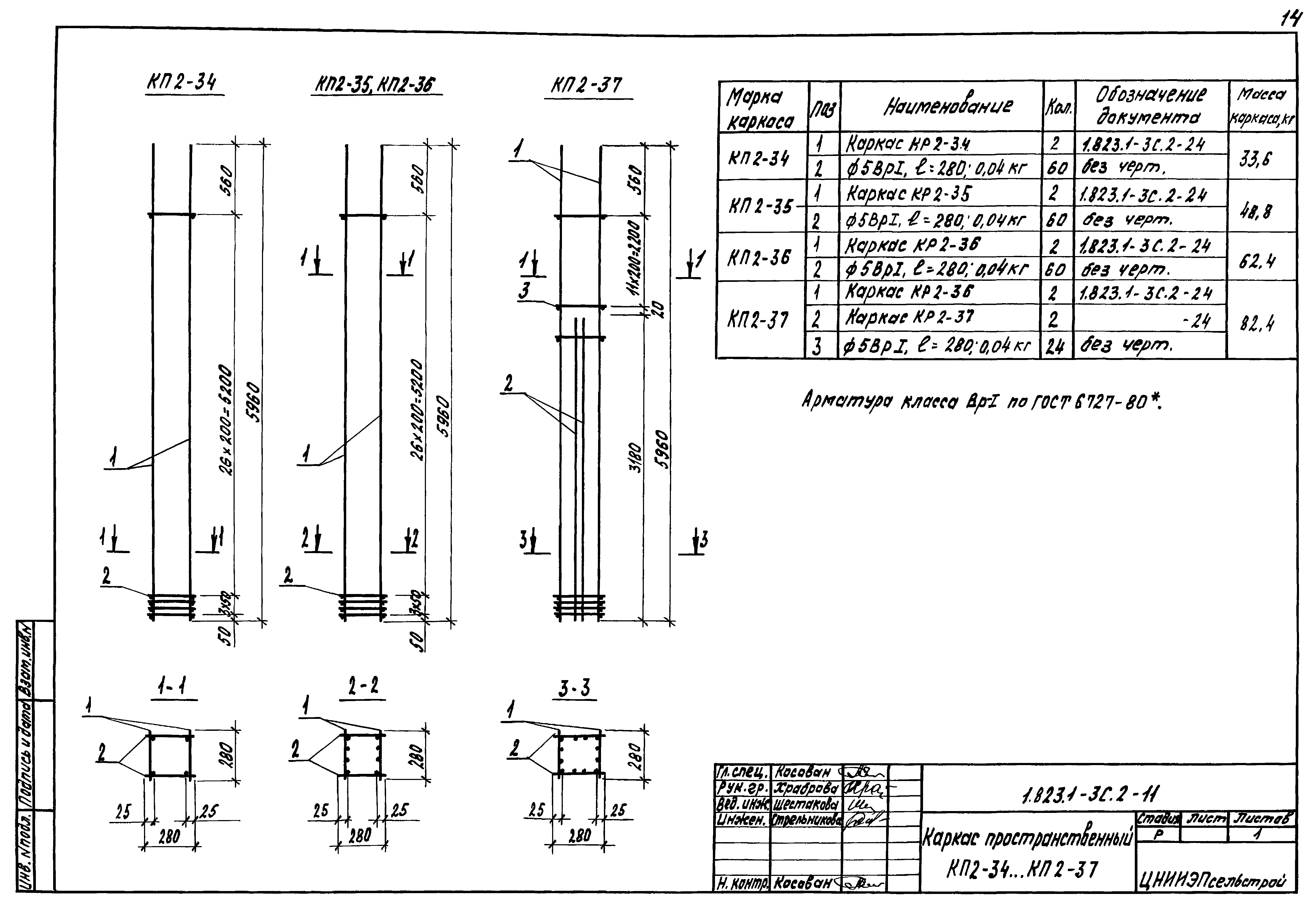
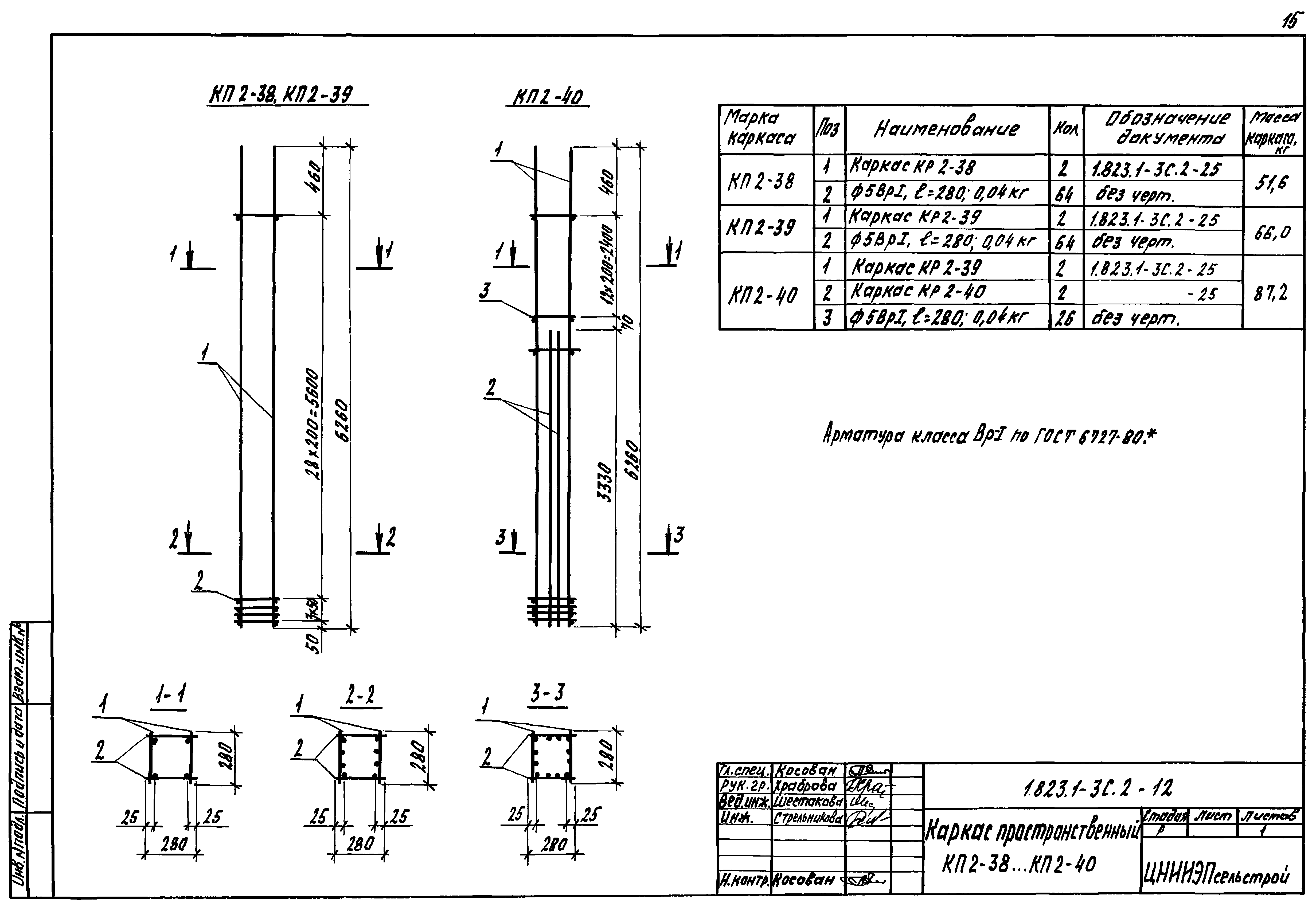
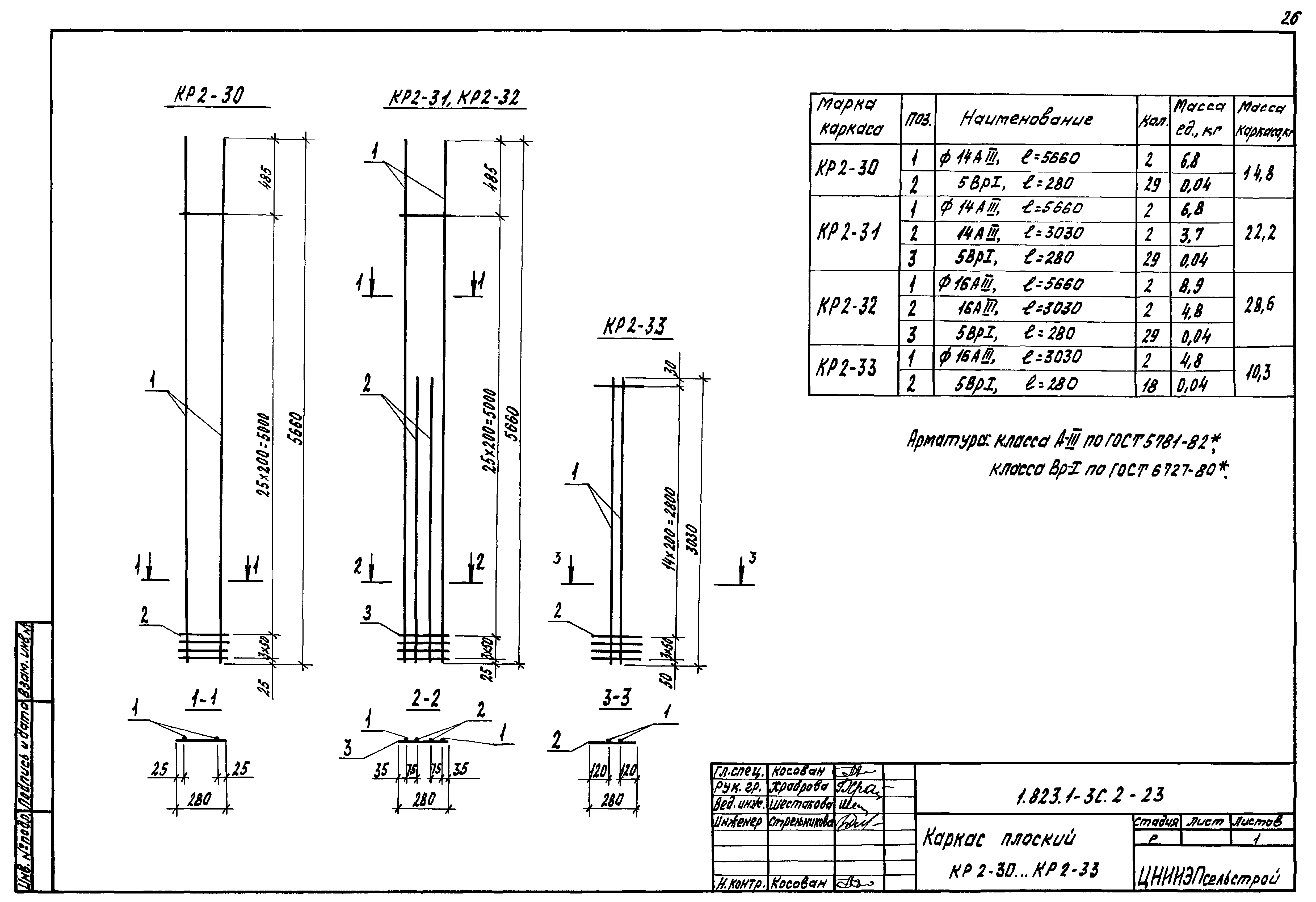
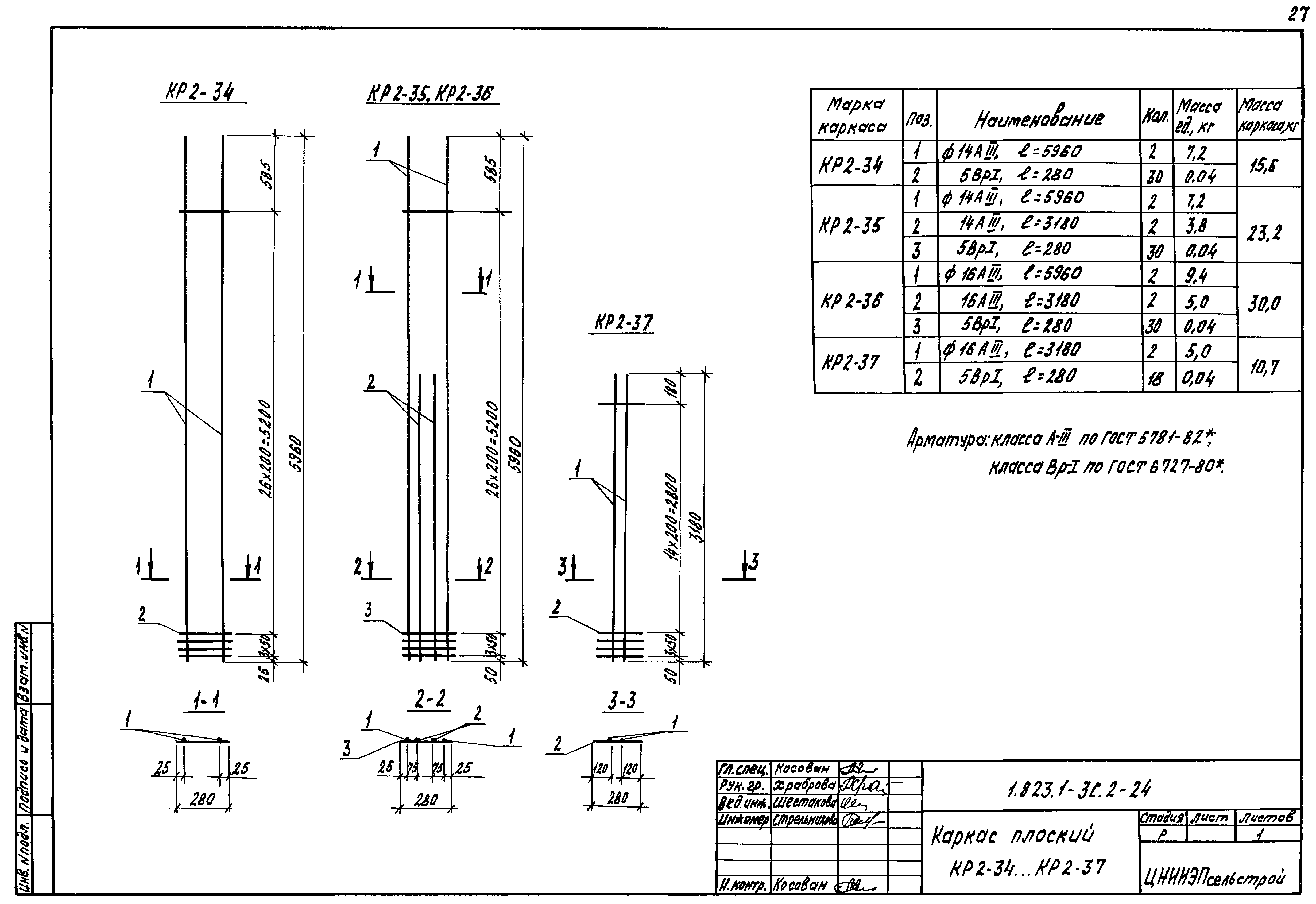
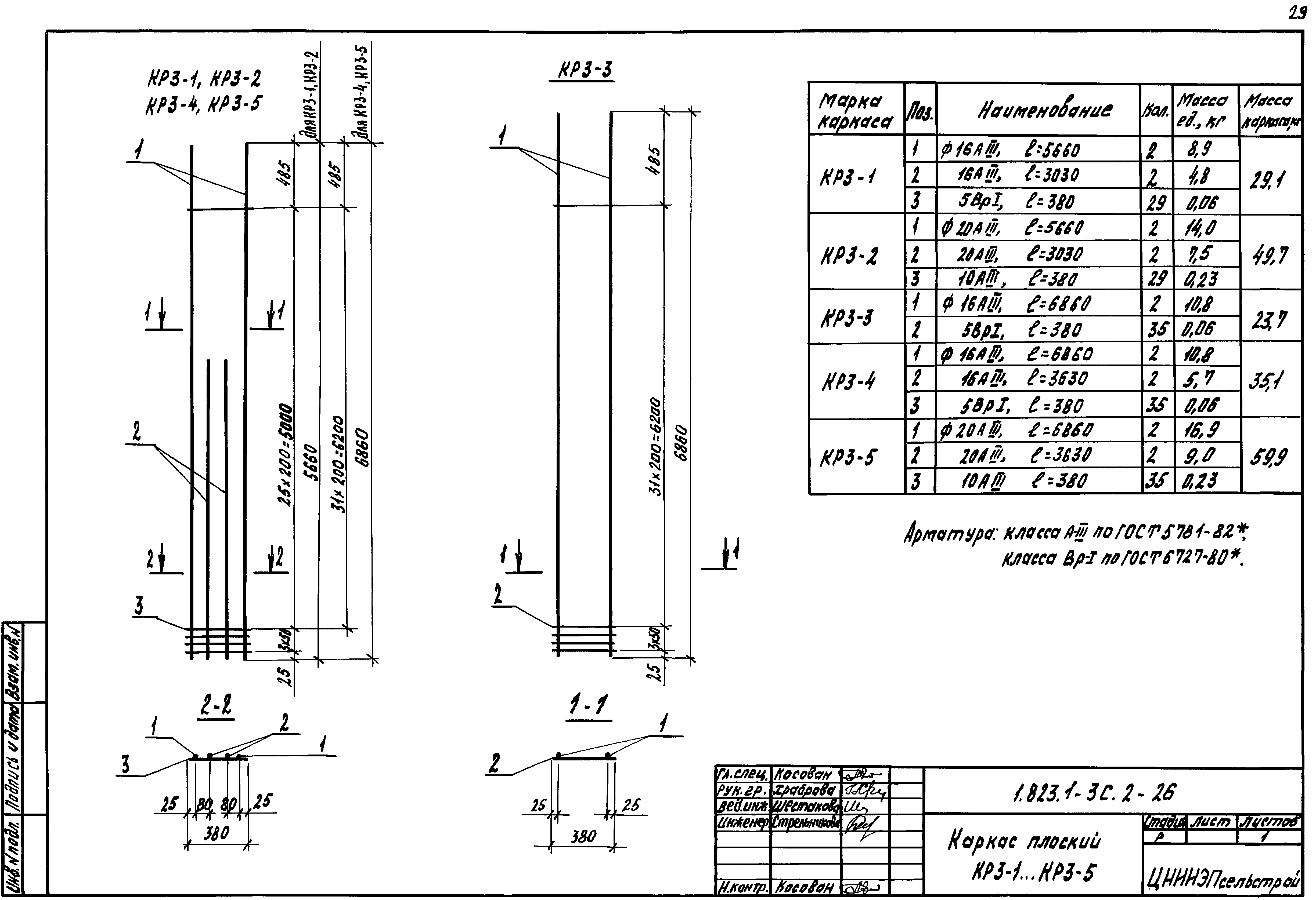
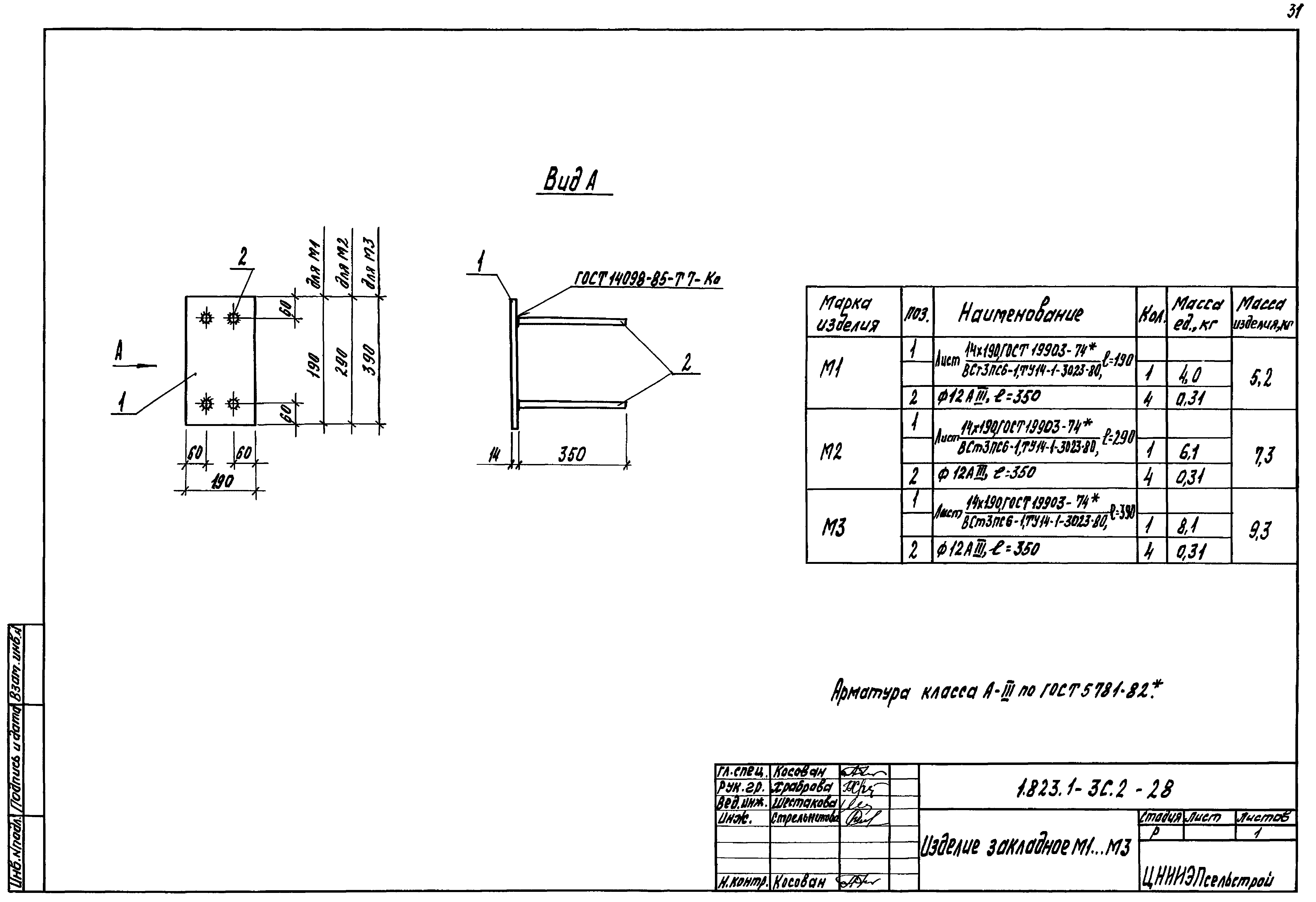
| Оглавление: | 1.823.1-3С.2-ТТ Технические требования 1.823.1-3С.2-1 Каркас пространственный КП1-1…КП1-9 1.823.1-3С.2-2 Каркас пространственный КП2-1…КП2-4 1.823.1-3С.2-3 Каркас пространственный КП2-5…КП2-8 1.823.1-3С.2-4 Каркас пространственный КП2-9…КП2-12 1.823.1-3С.2-5 Каркас пространственный КП2-13…КП2-16 1.823.1-3С.2-6 Каркас пространственный КП2-17…КП2-19 1.823.1-3С.2-7 Каркас пространственный КП2-20…КП2-22 1.823.1-3С.2-8 Каркас пространственный КП2-23…КП2-26 1.823.1-3С.2-9 Каркас пространственный КП2-27…КП2-29 1.823.1-3С.2-10 Каркас пространственный КП2-30…КП2-33 1.823.1-3С.2-11 Каркас пространственный КП2-34…КП2-37 1.823.1-3С.2-12 Каркас пространственный КП2-38…КП2-40 1.823.1-3С.2-13 Каркас пространственный КП3-1…КП3-5 1.823.1-3С.2-14 Каркас плоский КР1-1…КР1-9 1.823.1-3С.2-15 Каркас плоский КР2-1…КР2-4 1.823.1-3С.2-16 Каркас плоский КР2-5…КР2-8 1.823.1-3С.2-17 Каркас плоский КР2-9…КР2-12 1.823.1-3С.2-18 Каркас плоский КР2-13…КР2-16 1.823.1-3С.2-19 Каркас плоский КР2-17…КР2-19 1.823.1-3С.2-20 Каркас плоский КР2-20…КР2-22 1.823.1-3С.2-21 Каркас плоский КР2-23…КР2-26 1.823.1-3С.2-22 Каркас плоский КР2-27…КР2-29 1.823.1-3С.2-23 Каркас плоский КР2-30…КР2-33 1.823.1-3С.2-24 Каркас плоский КР2-34…КР2-37 1.823.1-3С.2-25 Каркас плоский КР2-38…КР2-40 1.823.1-3С.2-26 Каркас плоский КР3-1…КР3-5 1.823.1-3С.2-27 Сетка С1…С6 1.823.1-3С.2-28 Изделие закладное Изделие закладное М1…М3 1.823.1-3С.2-29 Изделие закладное М4 1.823.1-3С.2-30 Изделие закладное М5, М6 1.823.1-3С.2-31 Изделие закладное М7, М8, М9 |
| Разработан: | НИИЖБ ЦНИИЭПсельстрой |
| Утверждён: | 18.09.1990 Госстрой СССР (Государственный комитет Совета Министров СССР по делам строительства) (USSR Gosstroy 5/6-791) |

































