Скачать Серия 1.090.1-1/88 Выпуск 0-1. Указания по применению изделийДата актуализации: 01.01.2021
|
| Обозначение: | Серия 1.090.1-1/88 |
| Обозначение англ: | Series 1.090.1-1/88 |
| Статус: | не определен законодательством |
| Название рус.: | Выпуск 0-1. Указания по применению изделий |
| Дата добавления в базу: | 01.09.2013 |
| Дата актуализации: | 01.01.2021 |
| Дата введения: | 01.10.1989 |
| Дата окончания срока действия: | 30.06.2003 |
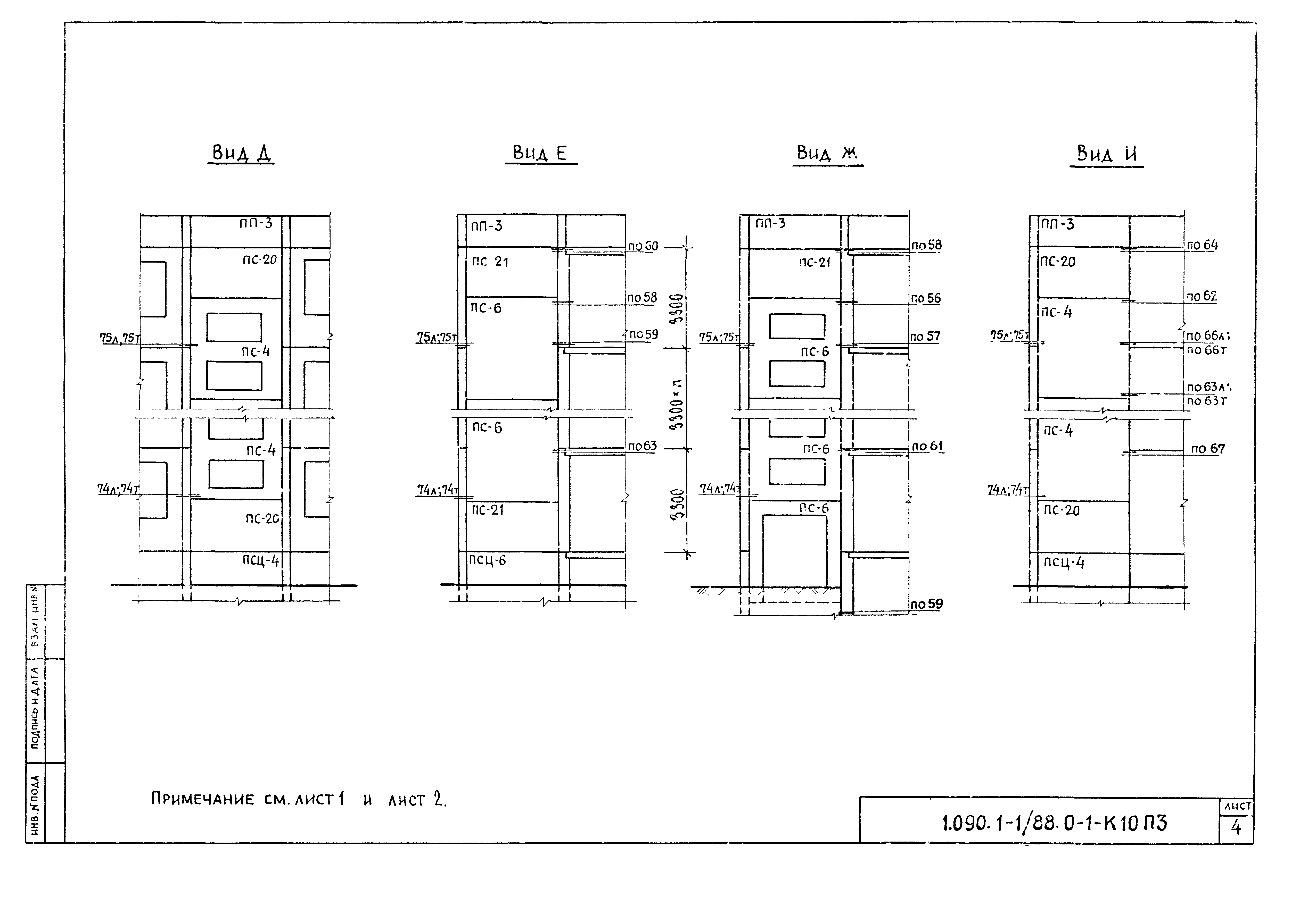
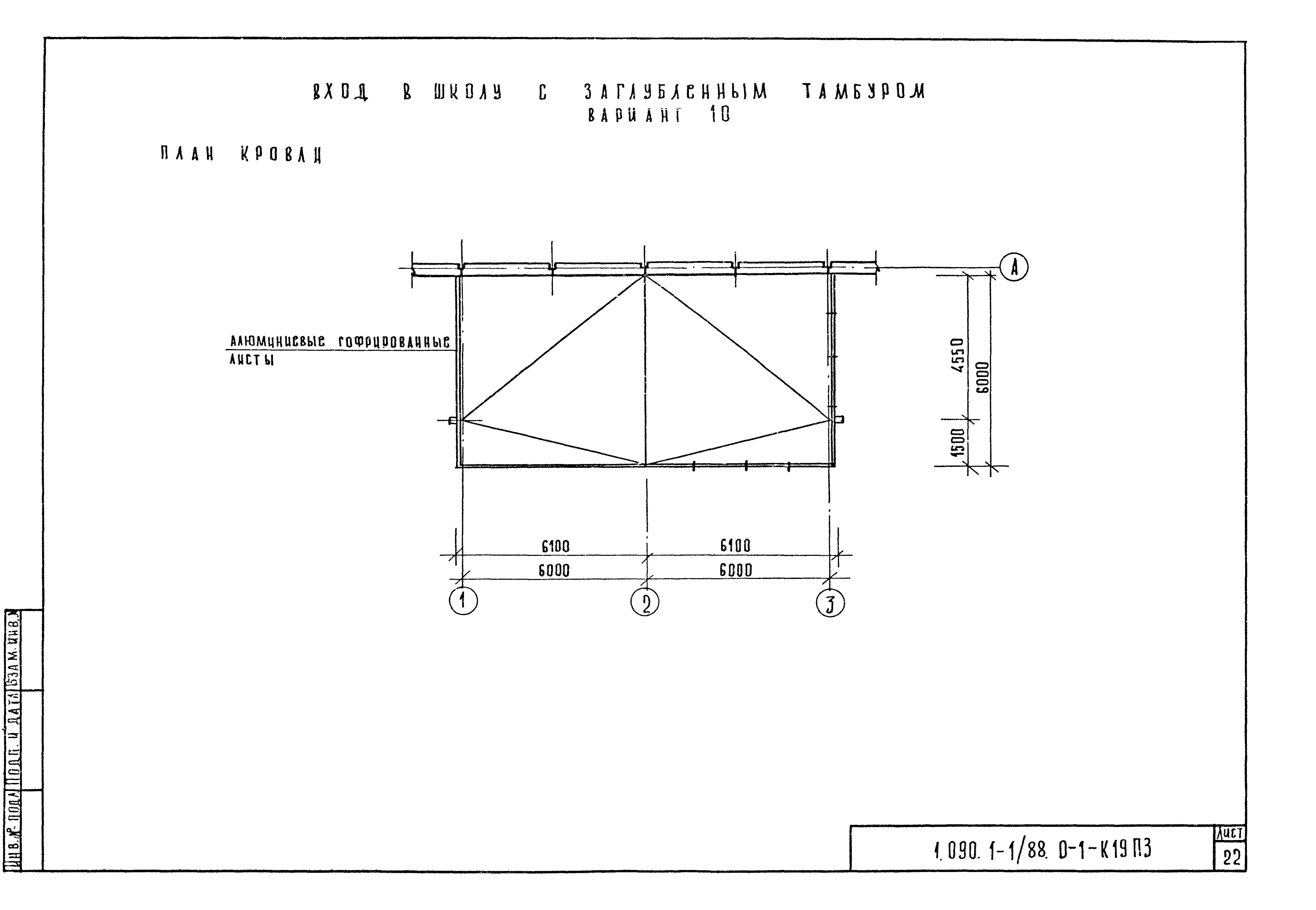
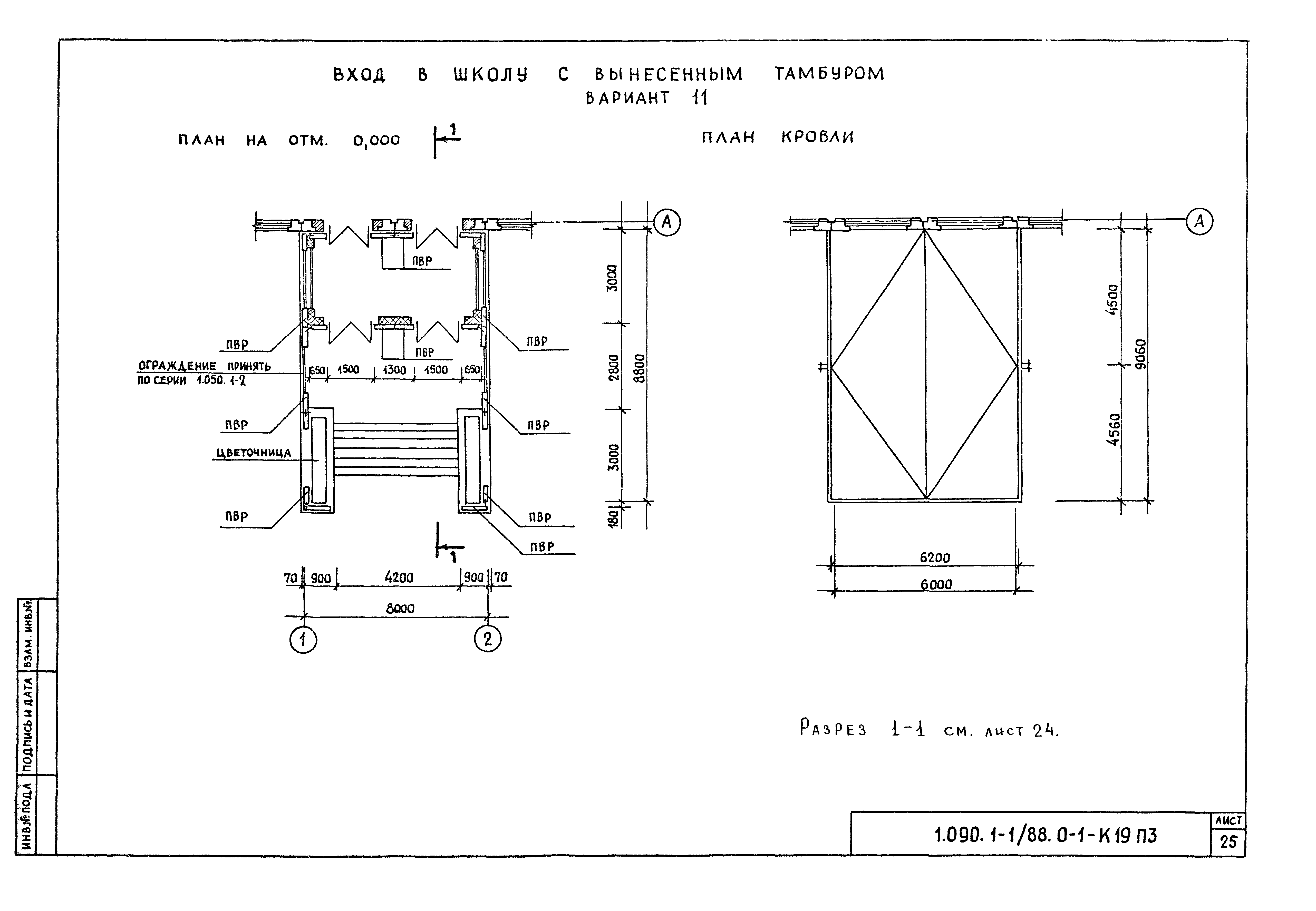
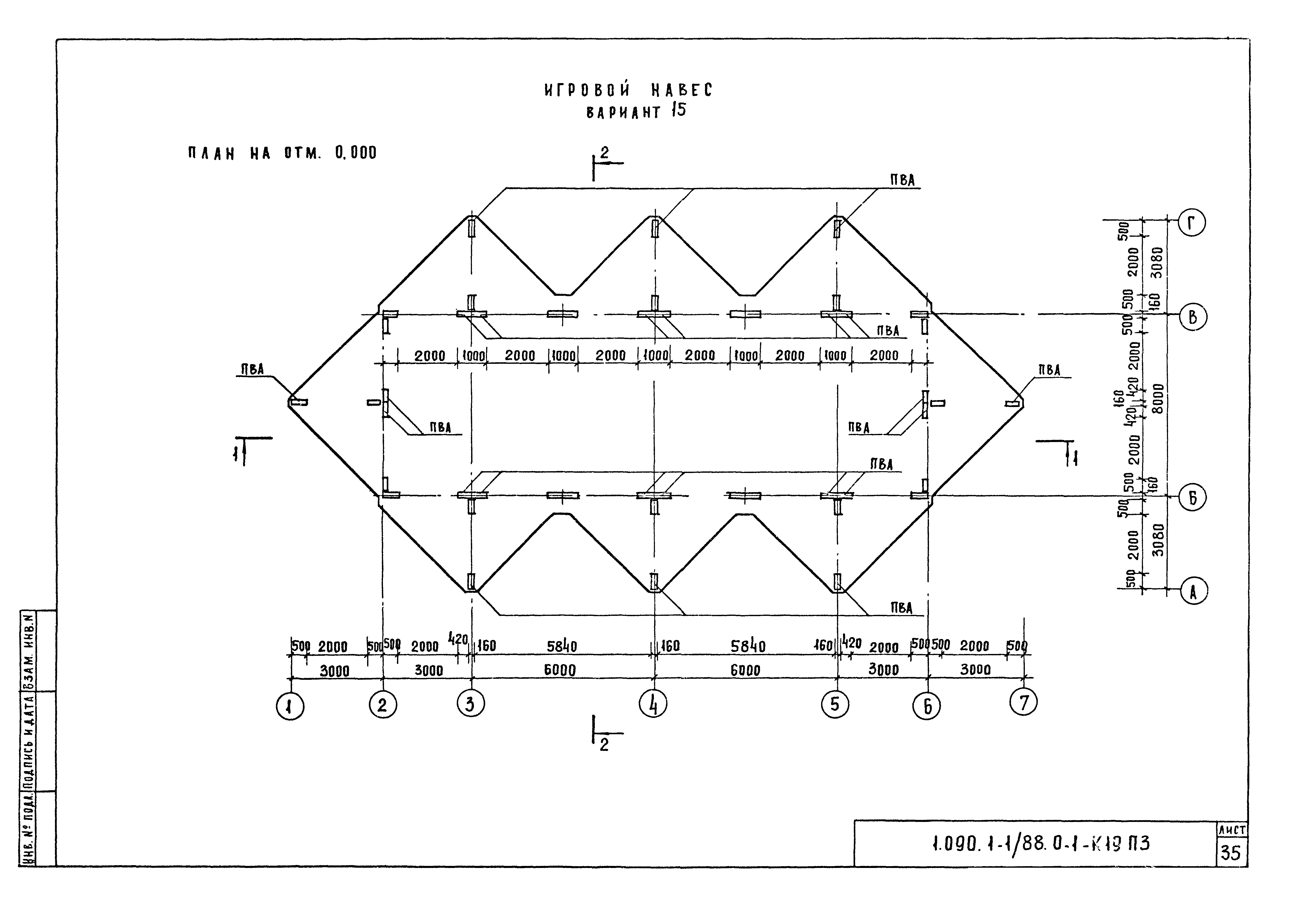
| Оглавление: | 1.090.1-1/88.0-1-К1ПЗ Общая часть 1.090.1-1/88.0-1-К2ПЗ Конструктивные решения 1.090.1-1/88.0-1-К3ПЗ Номенклатура изделий серии 1.090.1-1/88.0-1-К4ПЗ Расчет элементов зданий на вертикальную нагрузку 1.090.1-1/88.0-1-К5ПЗ Расчет несущих систем крупнопанельных зданий на совместное действие горизонтальных и вертикальных нагрузок 1.090.1-1/88.0-1-К6ПЗ Предельные длины грузового фронта горизонтальной нагрузки для диафрагм жесткости, составленных панелями внутренних стен 1.090.1-1/88.0-1-К7ПЗ Предельные длины грузового фронта горизонтальной нагрузки для диафрагм жесткости, составленных панелями наружных стен 1.090.1-1/88.0-1-К8ПЗ Предельные пролеты дисков перекрытия 1.090.1-1/88.0-1-К9ПЗ Компоновка крупнопанельных общественных зданий 1.090.1-1/88.0-1-К10ПЗ Варианты расположения лестничных клеток 1.090.1-1/88.0-1-К11ПЗ Примеры схем расположения панелей наружных и внутренних стен, вентблоков и плит перекрытий 1.090.1-1/88.0-1-К12ПЗ Схемы компоновки элементов лестничной клетки со схемой установки ограждения 1.090.1-1/88.0-1-К13ПЗ Схемы расположения лестничных маршей и верхних лестничных площадок при ширине ступеней 1210 и 1350 мм 1.090.1-1/88.0-1-К14ПЗ Схемы расположения проступей лестничных маршей и площадок лестниц 1.090.1-1/88.0-1-К15ПЗ Развертки панелей вентблоков и сечения 1.090.1-1/88.0-1-К16ПЗ Указания по способу выполнения электрических проводок 1.090.1-1/88.0-1-К17ПЗ Принципы планировочных решений общественных зданий массового типа 1.090.1-1/88.0-1-К18ПЗ Принципы архитектурной разработки вариантов фасадов крупнопанельных общественных зданий 1.090.1-1/88.0-1-К19ПЗ Примеры проектных решений входов и фрагментов фасадов 1.090.1-1/88.0-1-К20ПЗ Указания по применению конструкций, возводимых в зимнее время 1.090.1-1/88.0-1-К21ПЗ Пример доработки документации для выполнения изделия полной заводской готовности 1.090.1-1/88.0-1-К22ПЗ Монолитная балка-пояс в стыке панелей "лежачей" лестничной клетки |
| Разработан: | ЦНИИЭП торгово-бытовых зданий и туристских комплексов |
| Утверждён: | 28.03.1989 Госстрой СССР (Государственный комитет Совета Министров СССР по делам строительства) (USSR Gosstroy АЧ-14) |
| Издан: | ЦИТП Госстроя СССР (CITP, Gosstroy (USSR) 1989 г. ) |







































































































