Скачать Серия 1.090.1-1/88 Выпуск 4-2. Панели внутренних стен. Пространственные каркасы. Рабочие чертежиДата актуализации: 01.01.2021
|
| Обозначение: | Серия 1.090.1-1/88 |
| Обозначение англ: | Series 1.090.1-1/88 |
| Статус: | не определен законодательством |
| Название рус.: | Выпуск 4-2. Панели внутренних стен. Пространственные каркасы. Рабочие чертежи |
| Дата добавления в базу: | 01.09.2013 |
| Дата актуализации: | 01.01.2021 |
| Дата введения: | 01.10.1989 |
| Дата окончания срока действия: | 30.06.2003 |
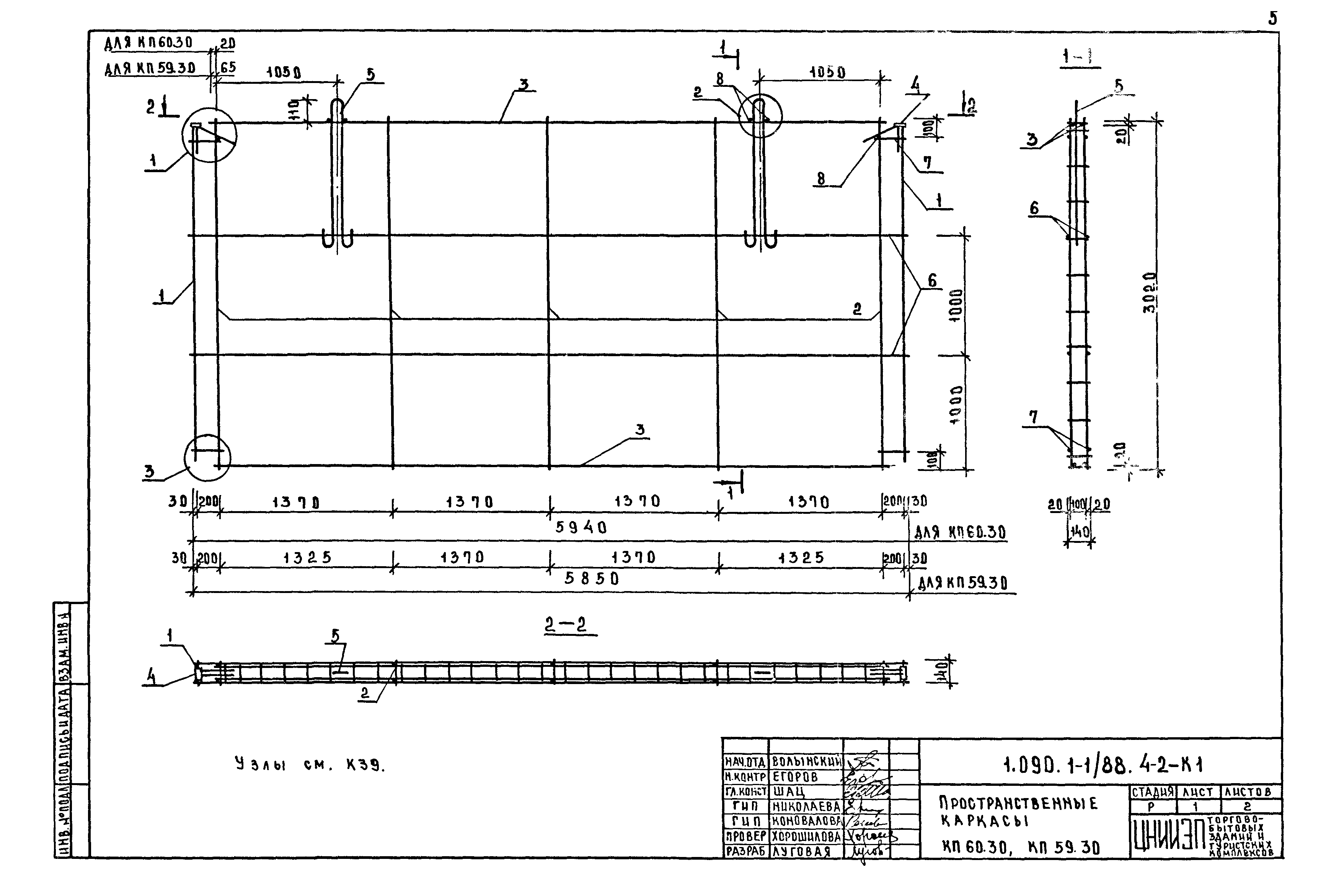
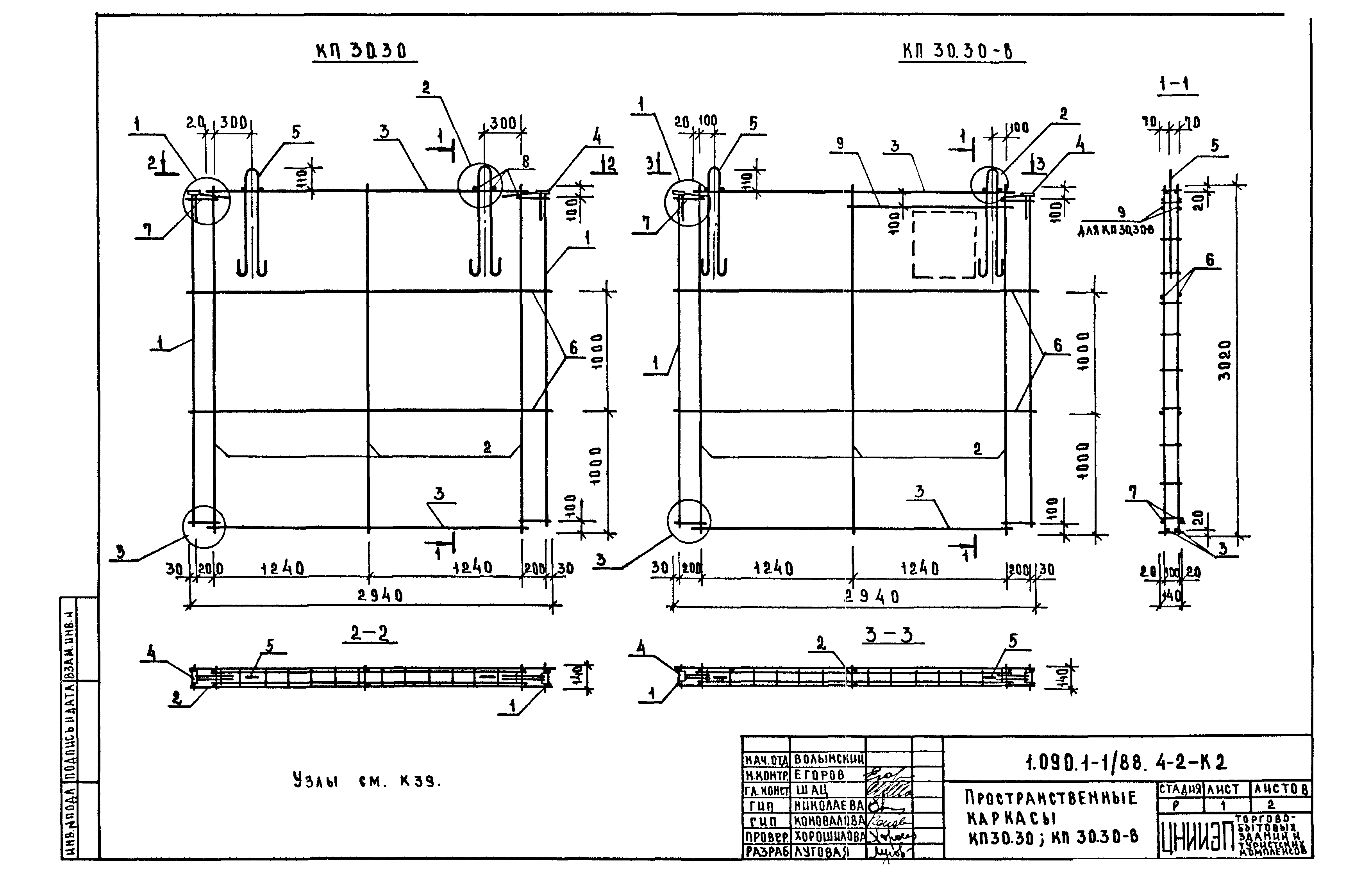
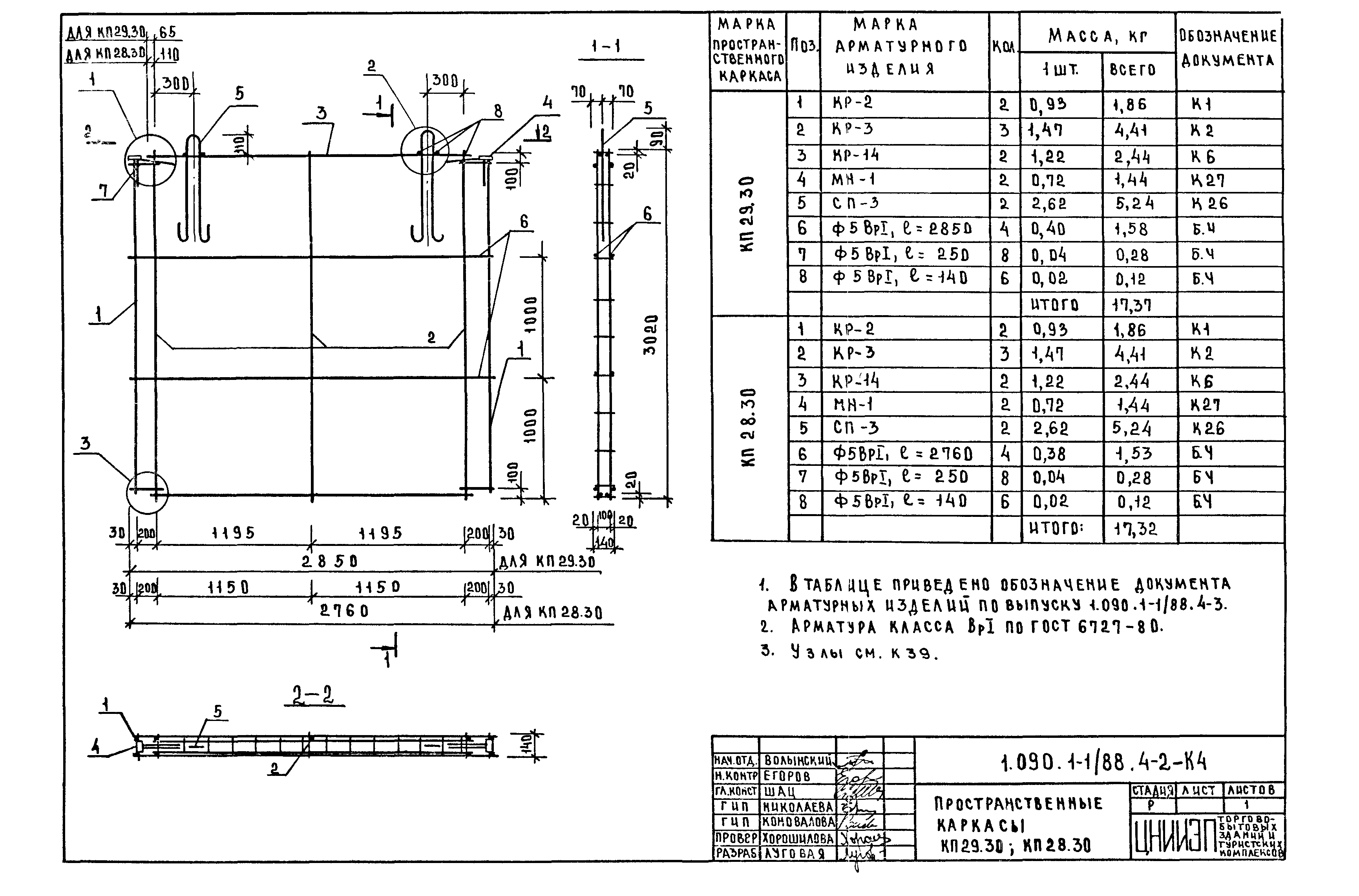
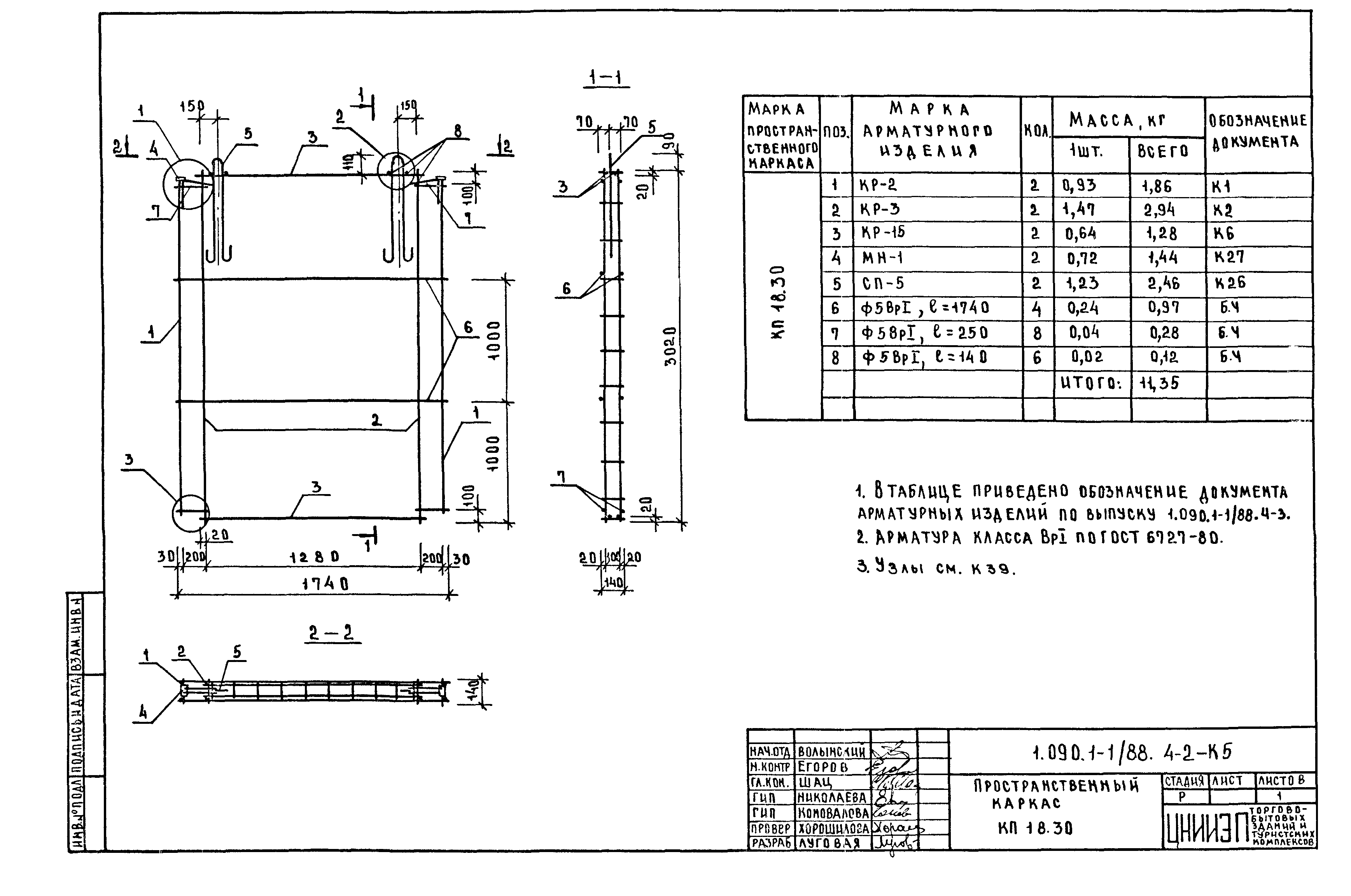
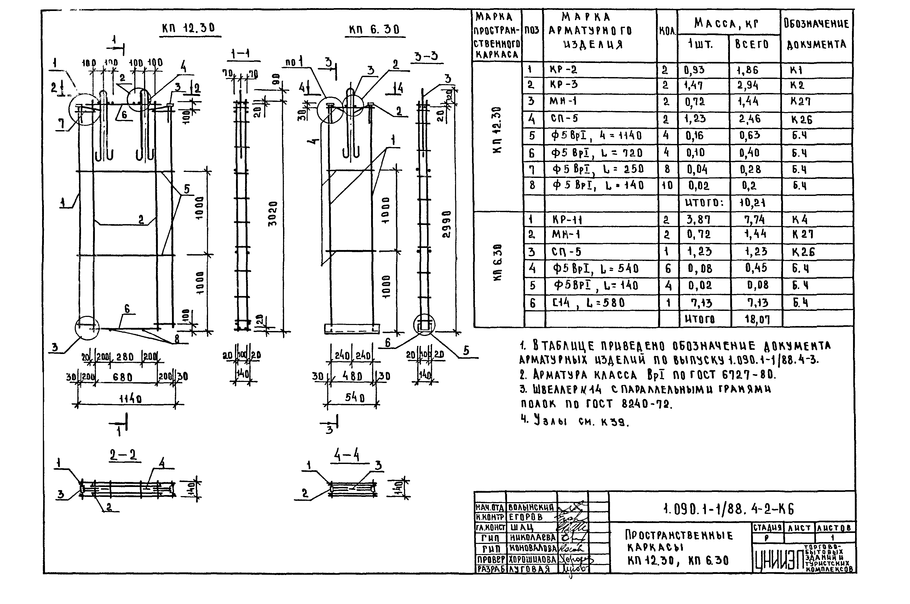
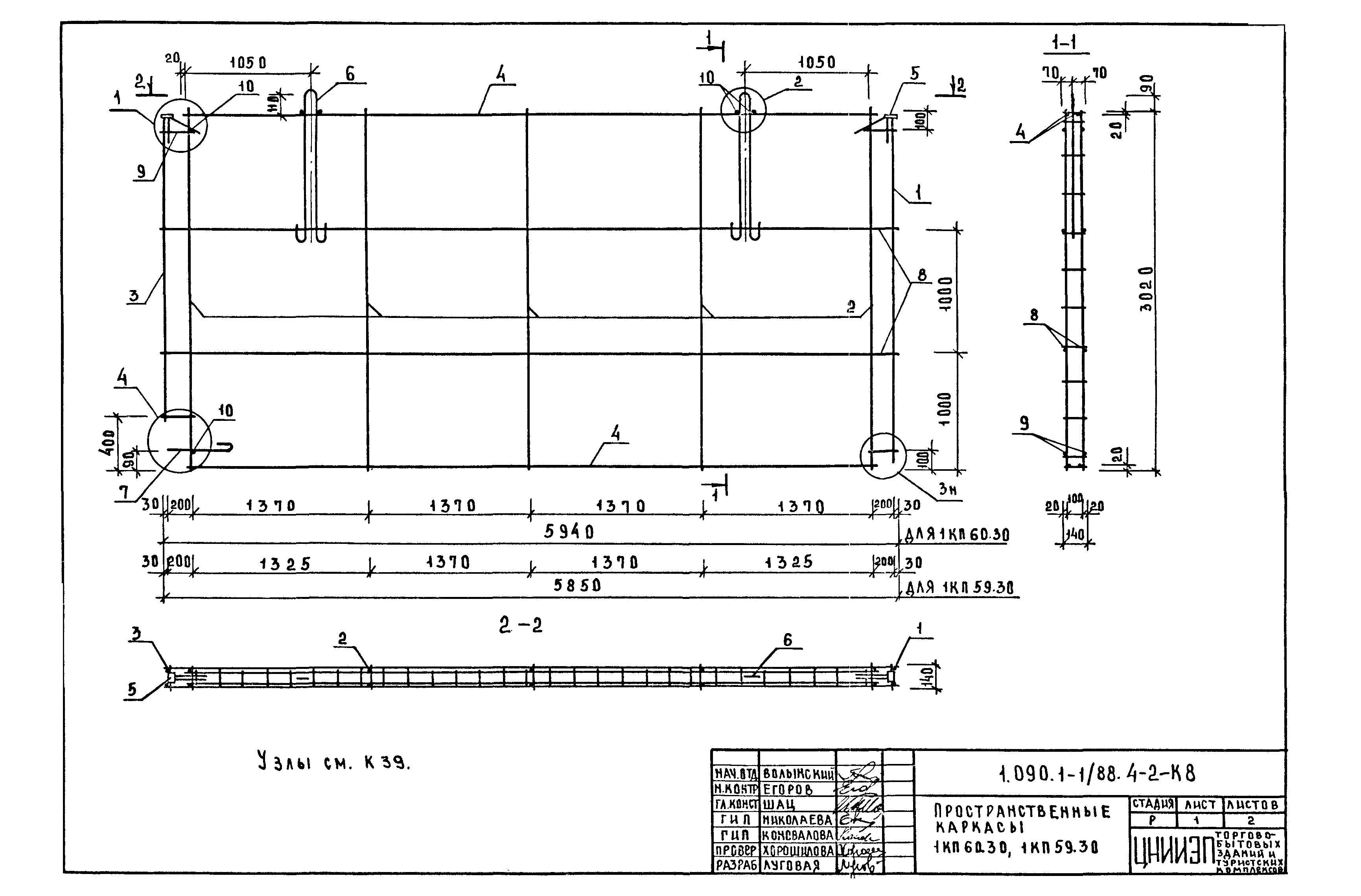
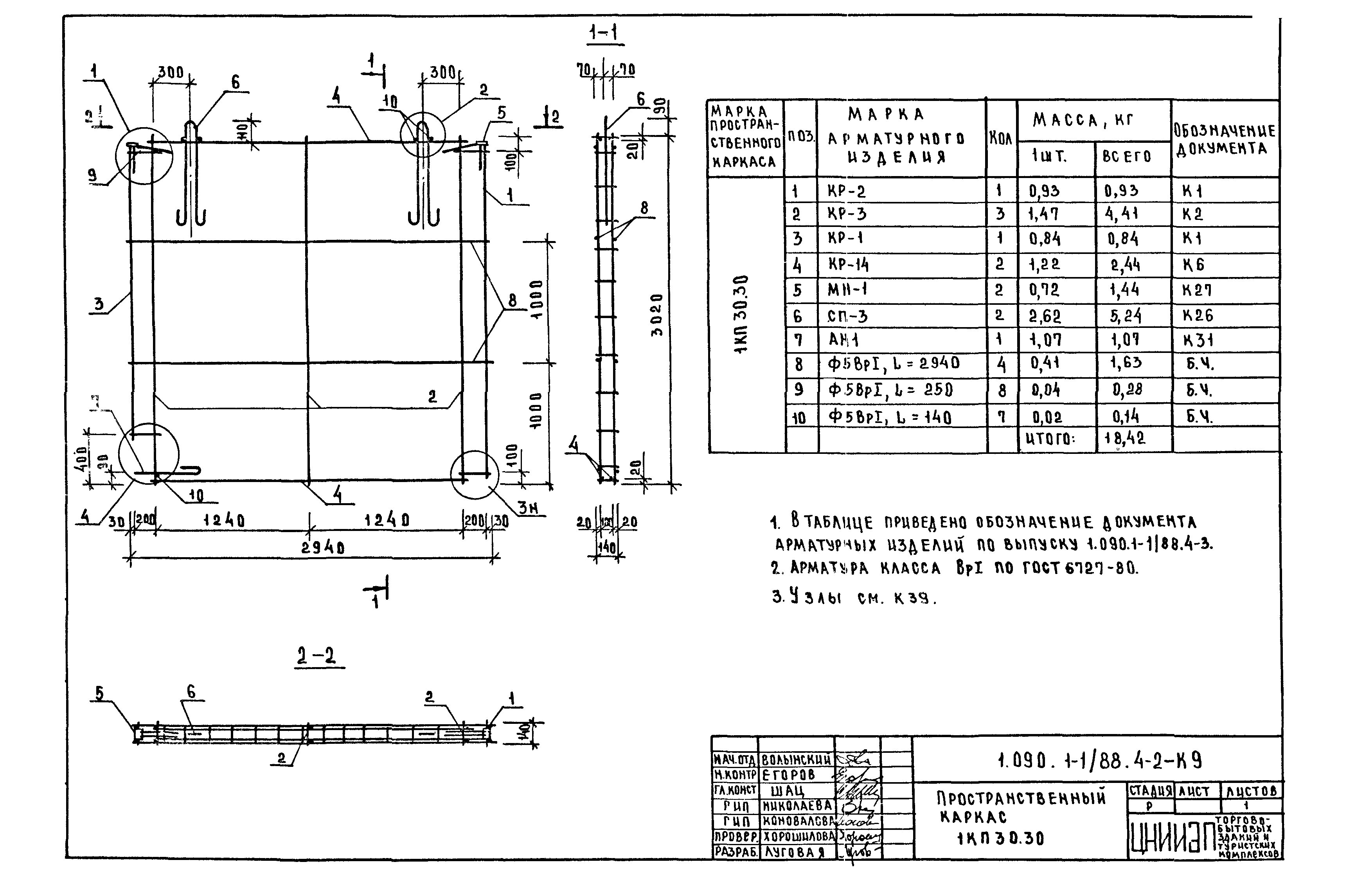
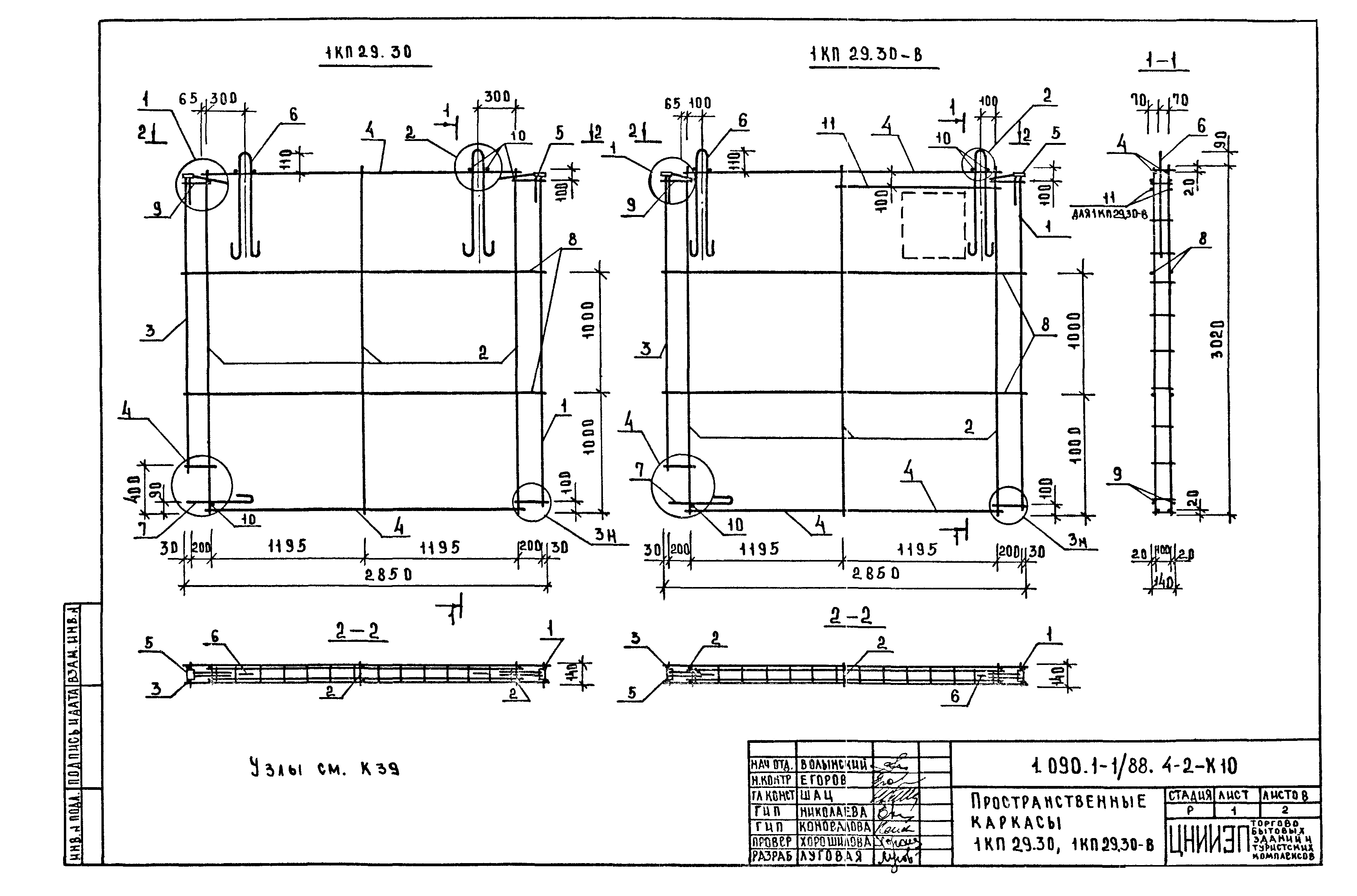
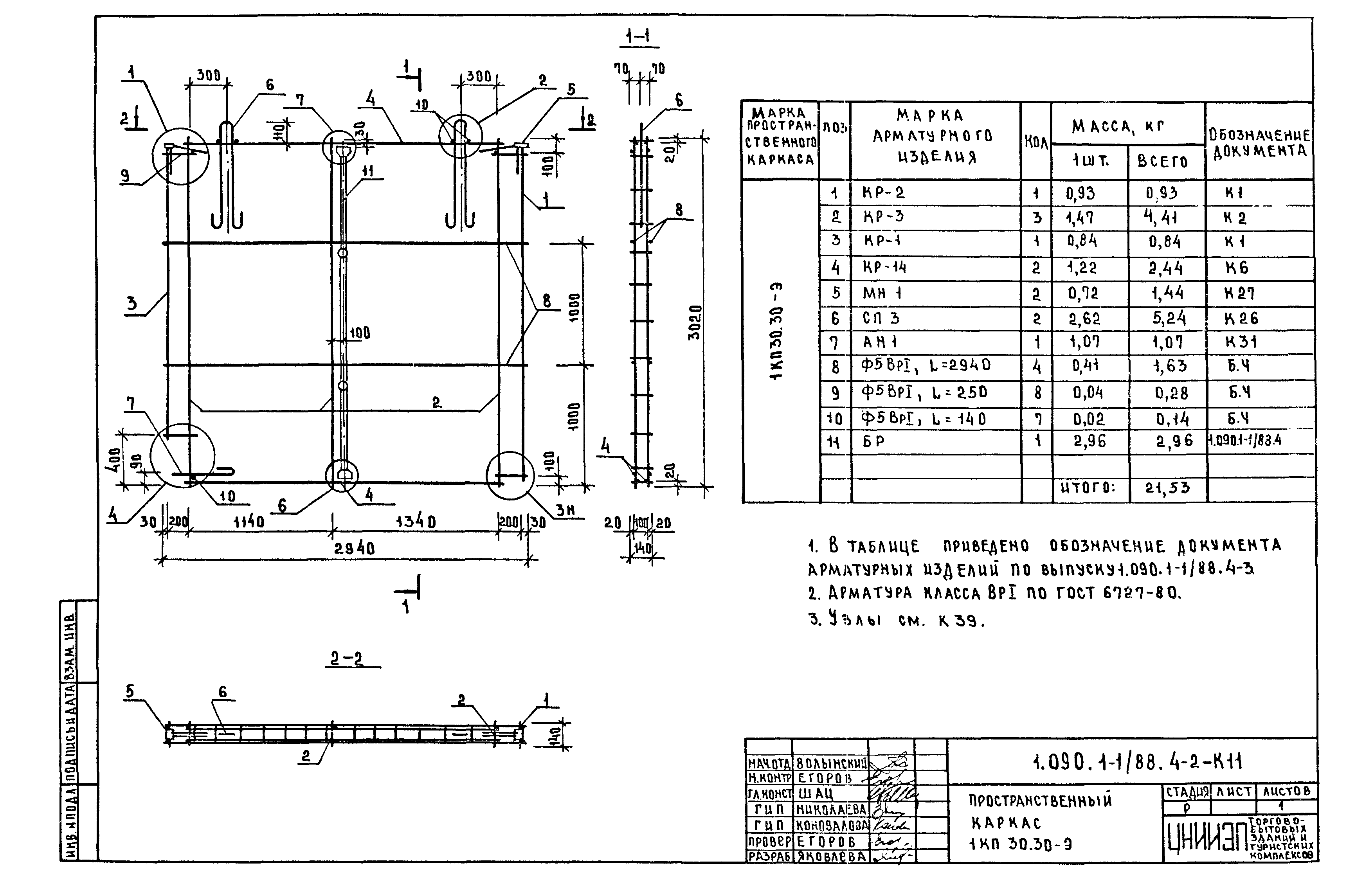
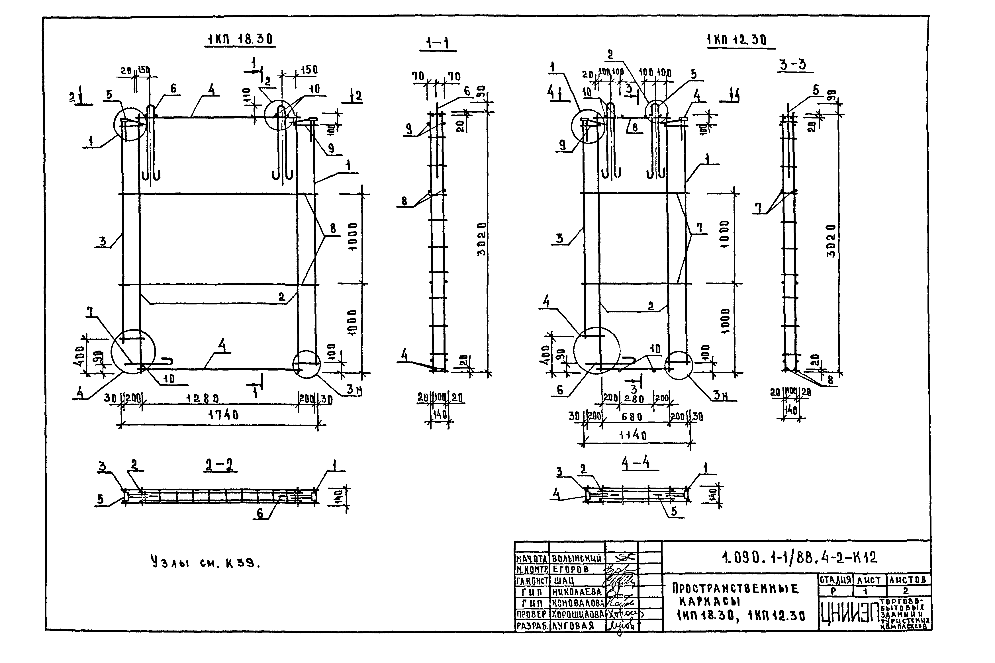
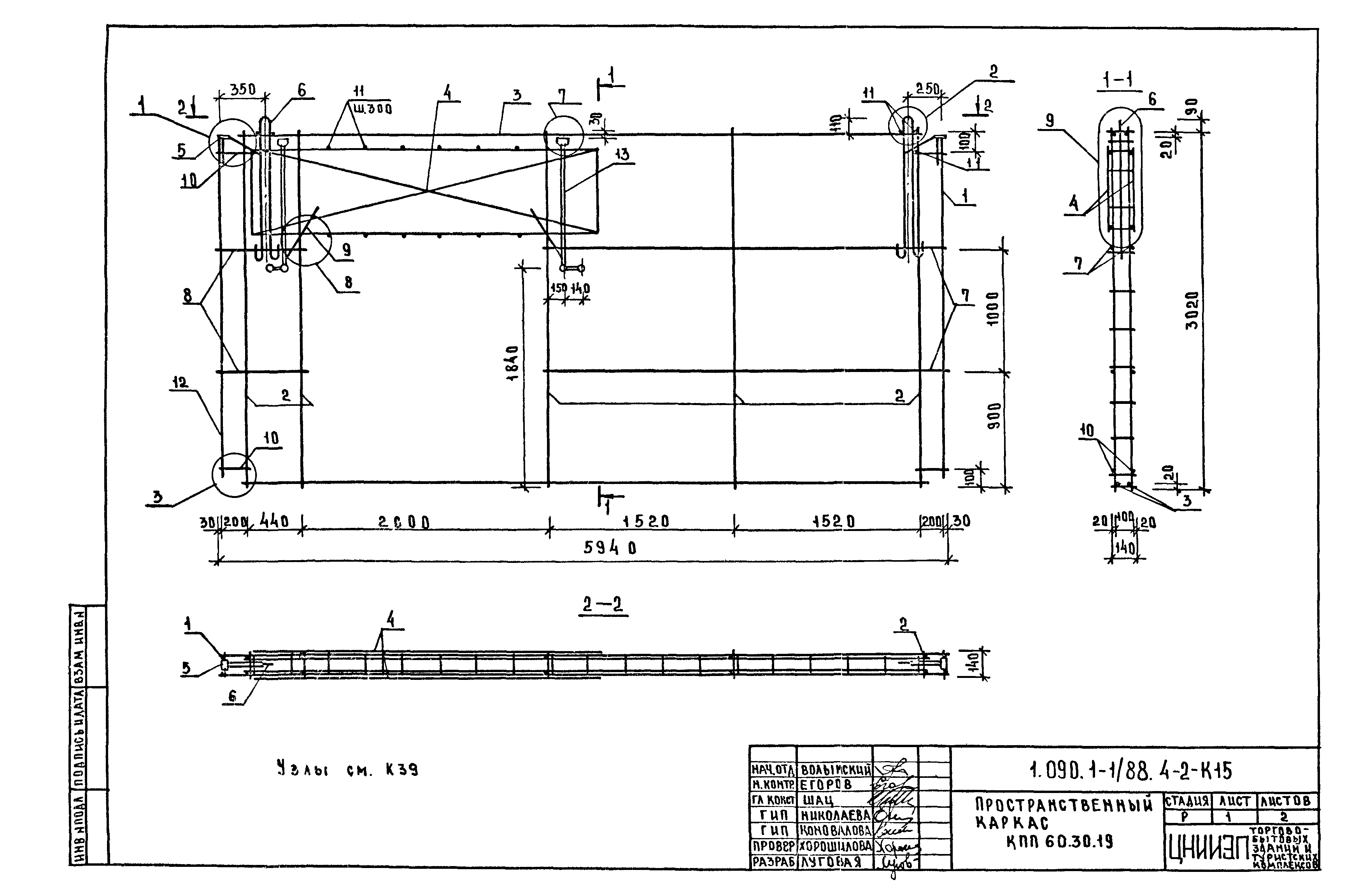
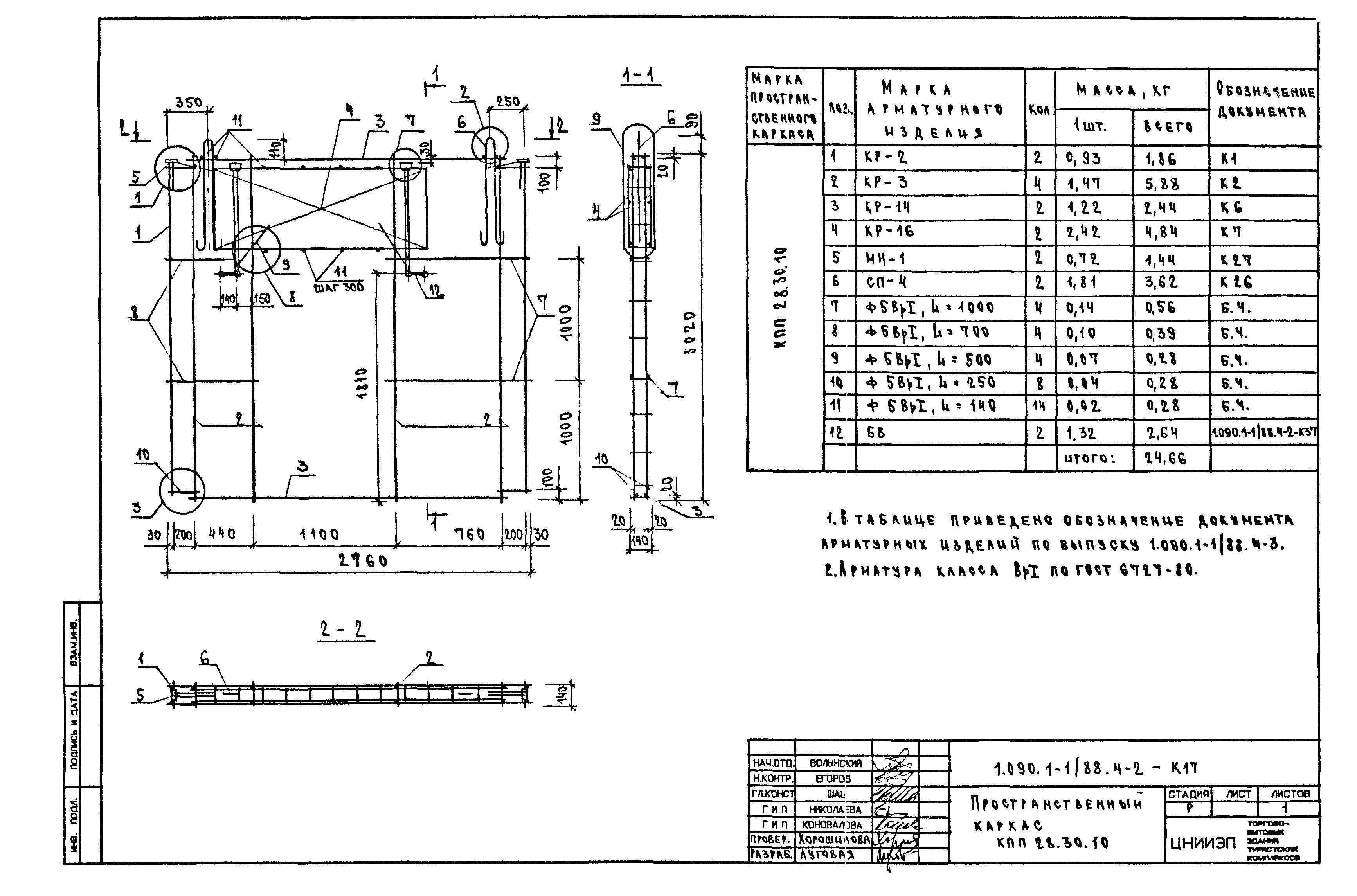
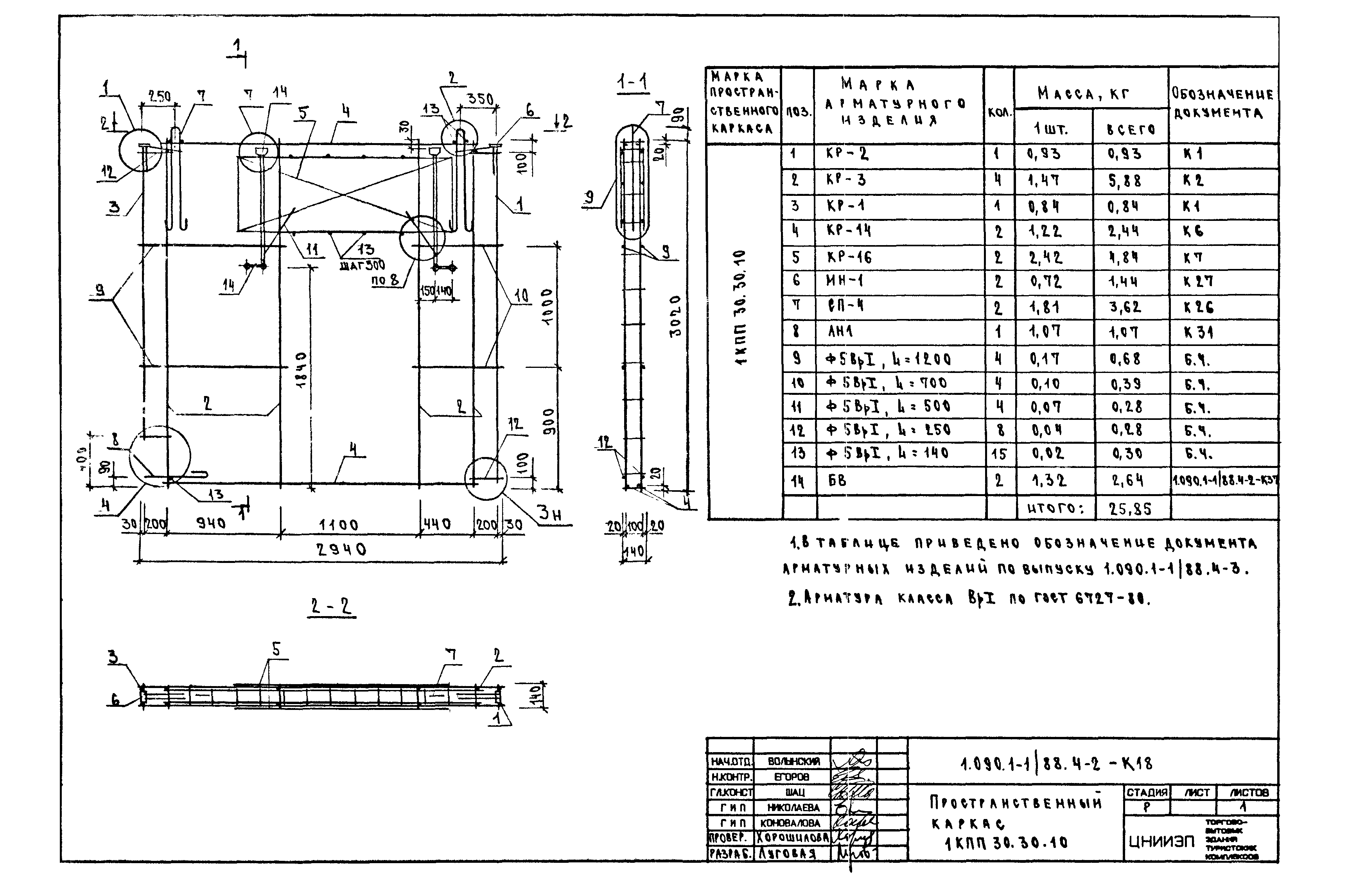
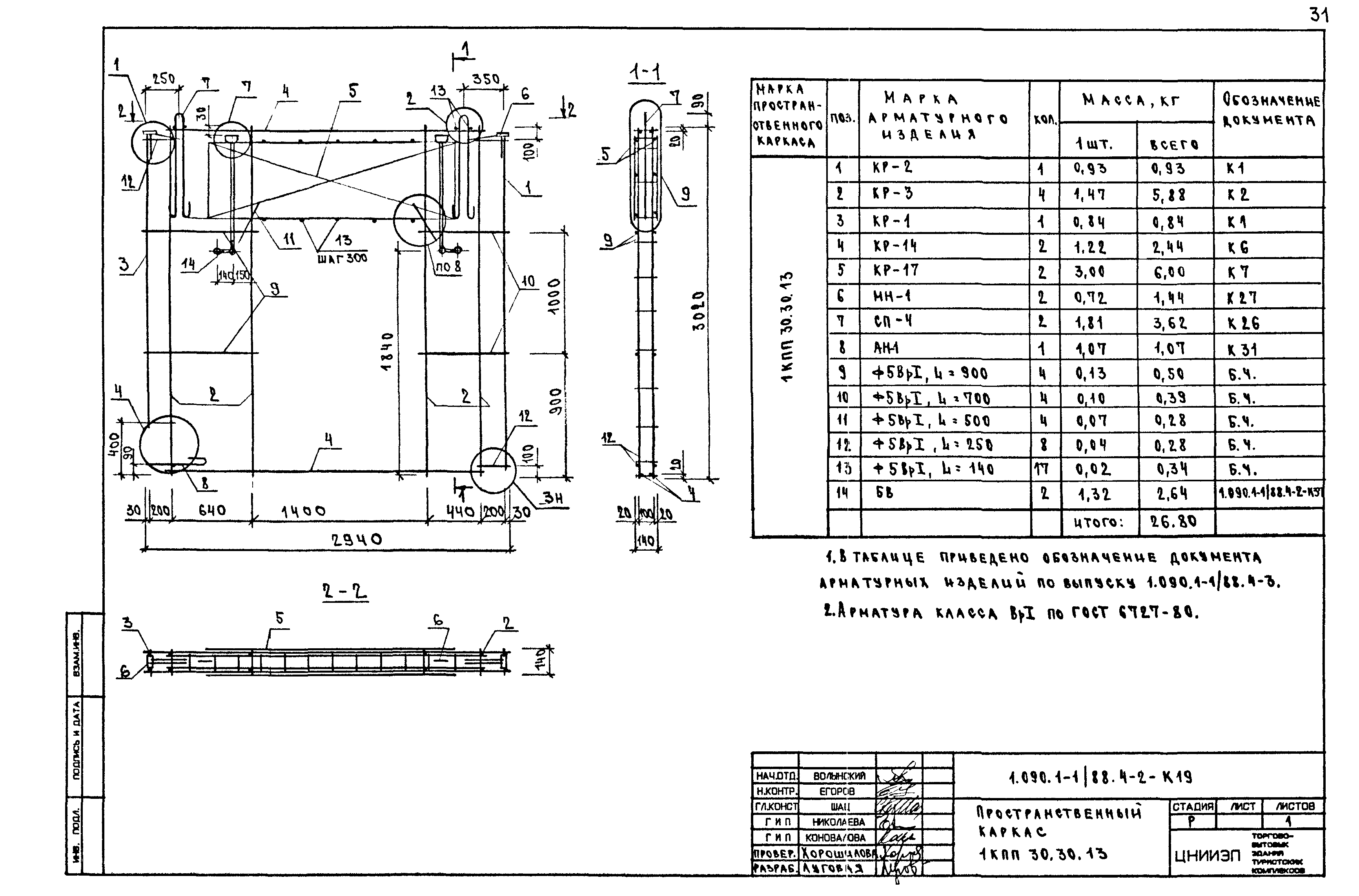
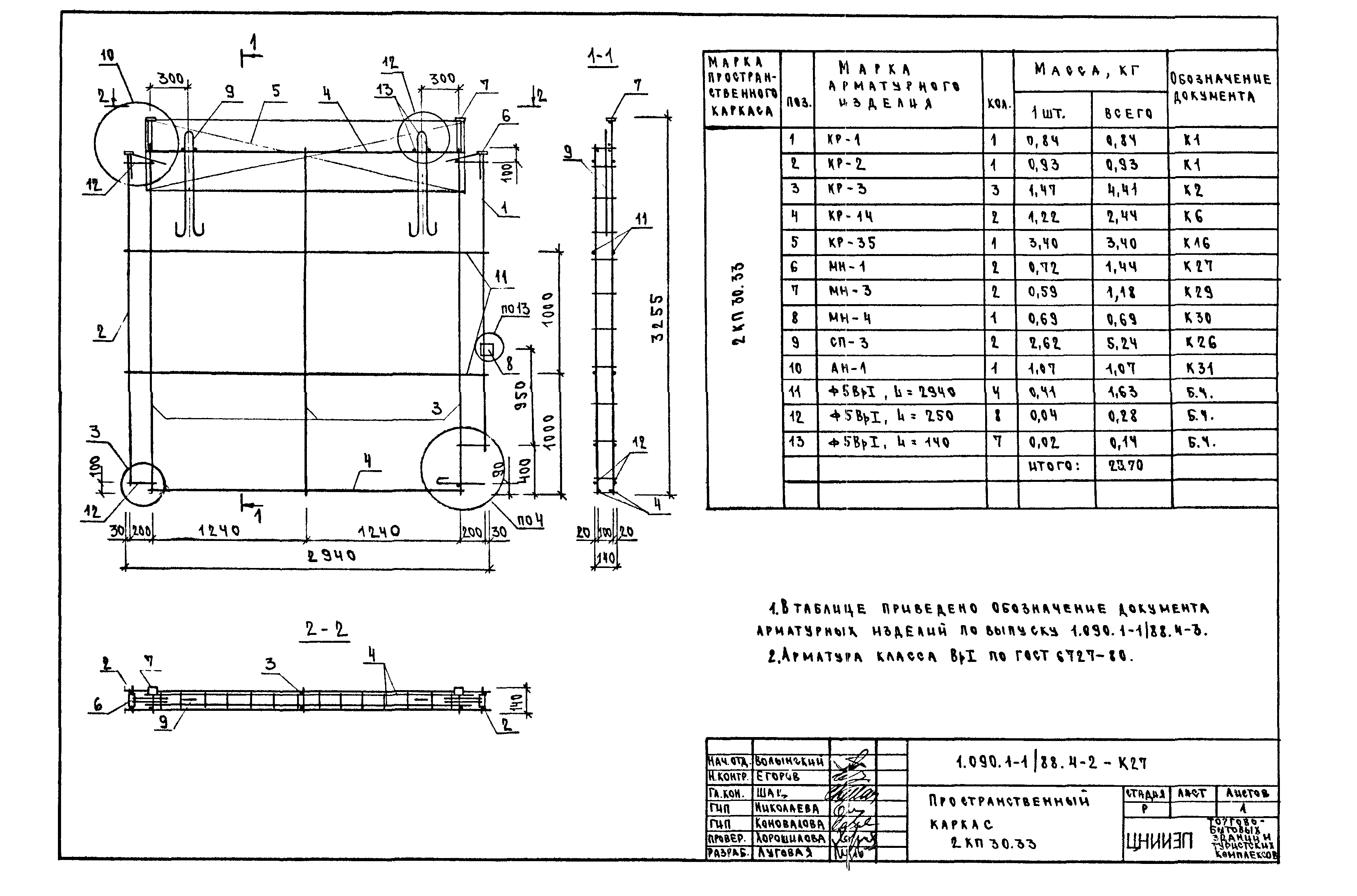
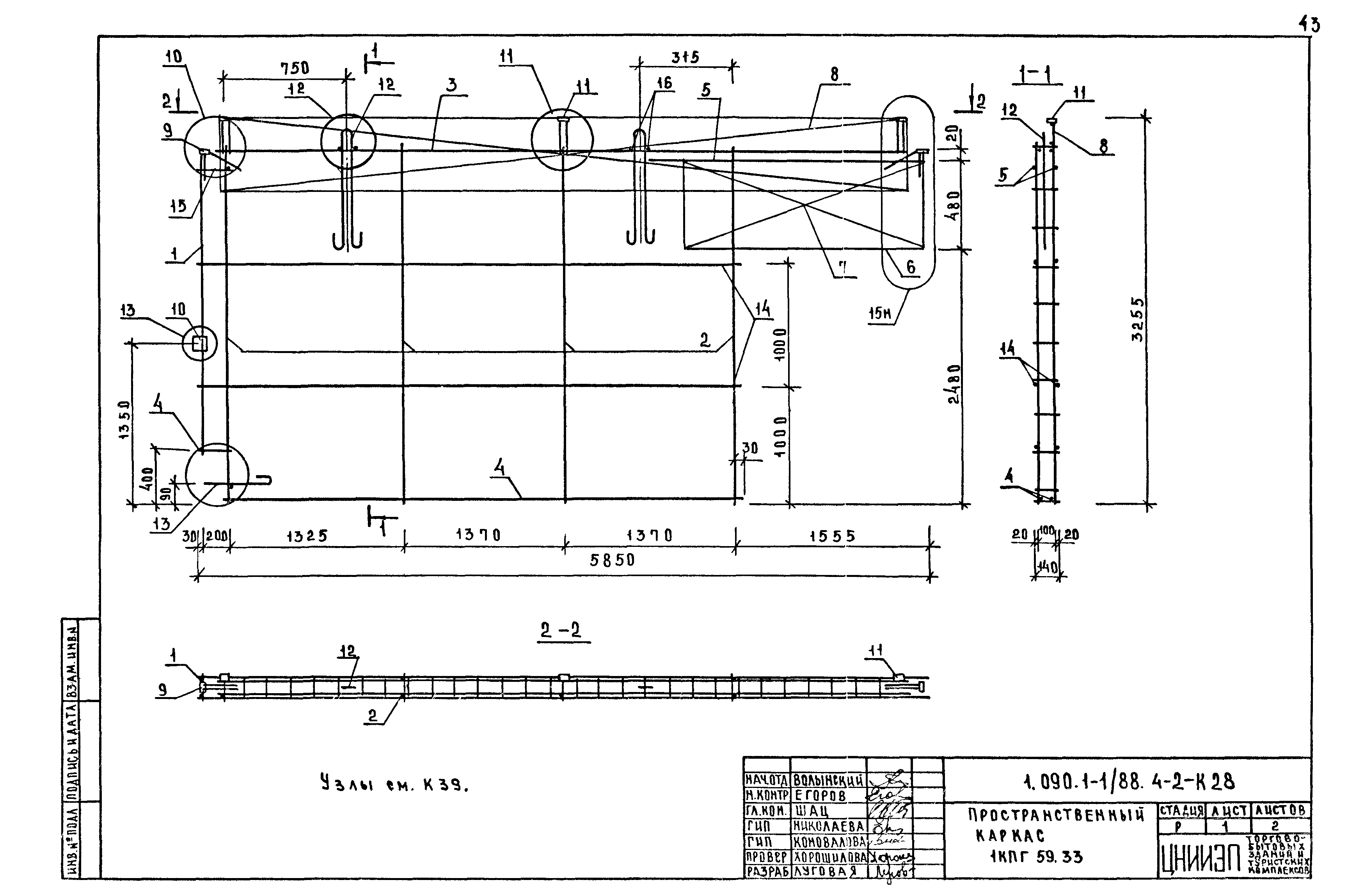
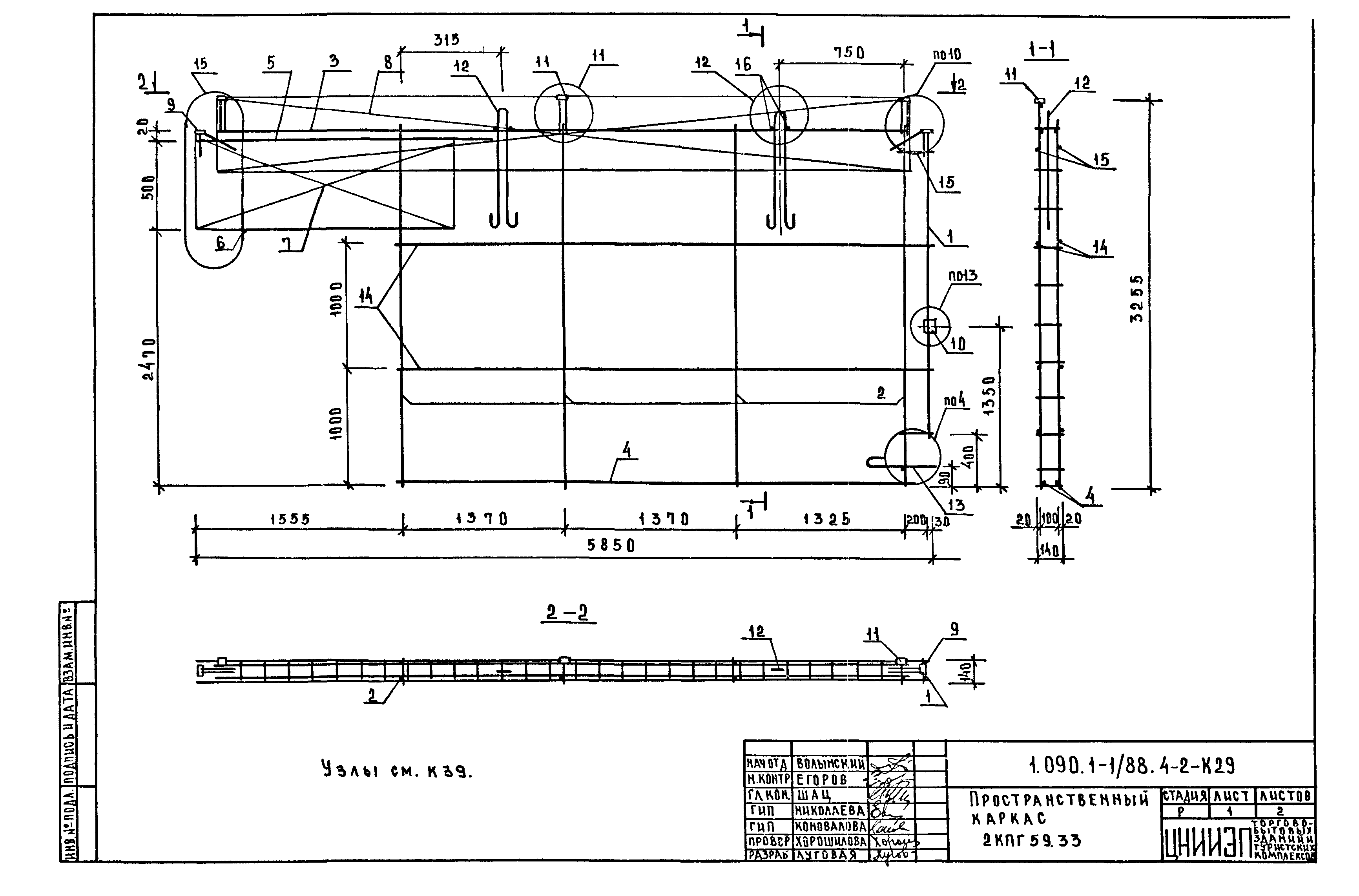
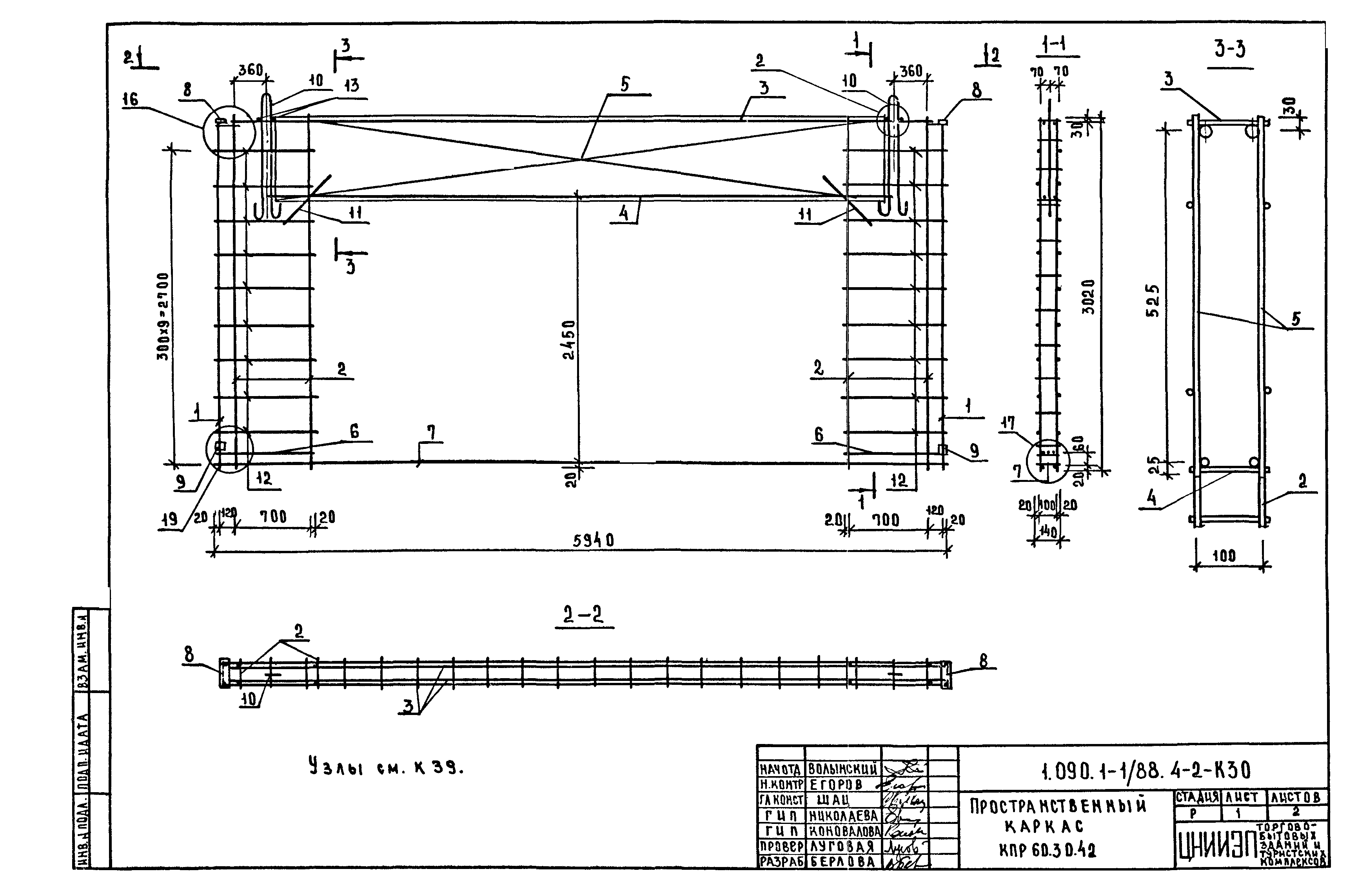
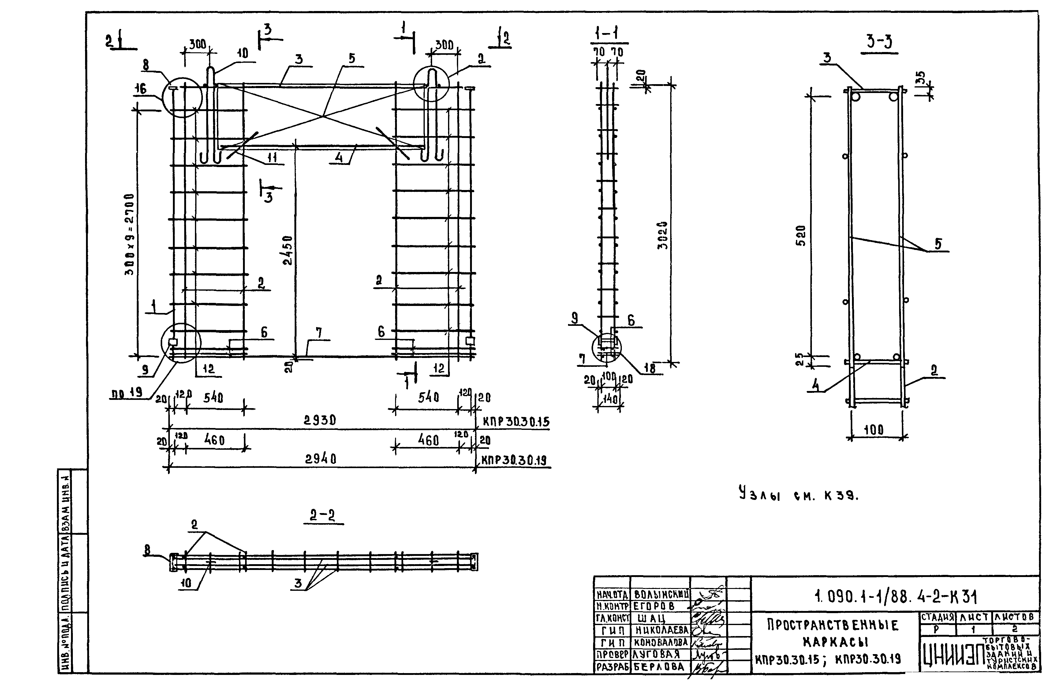
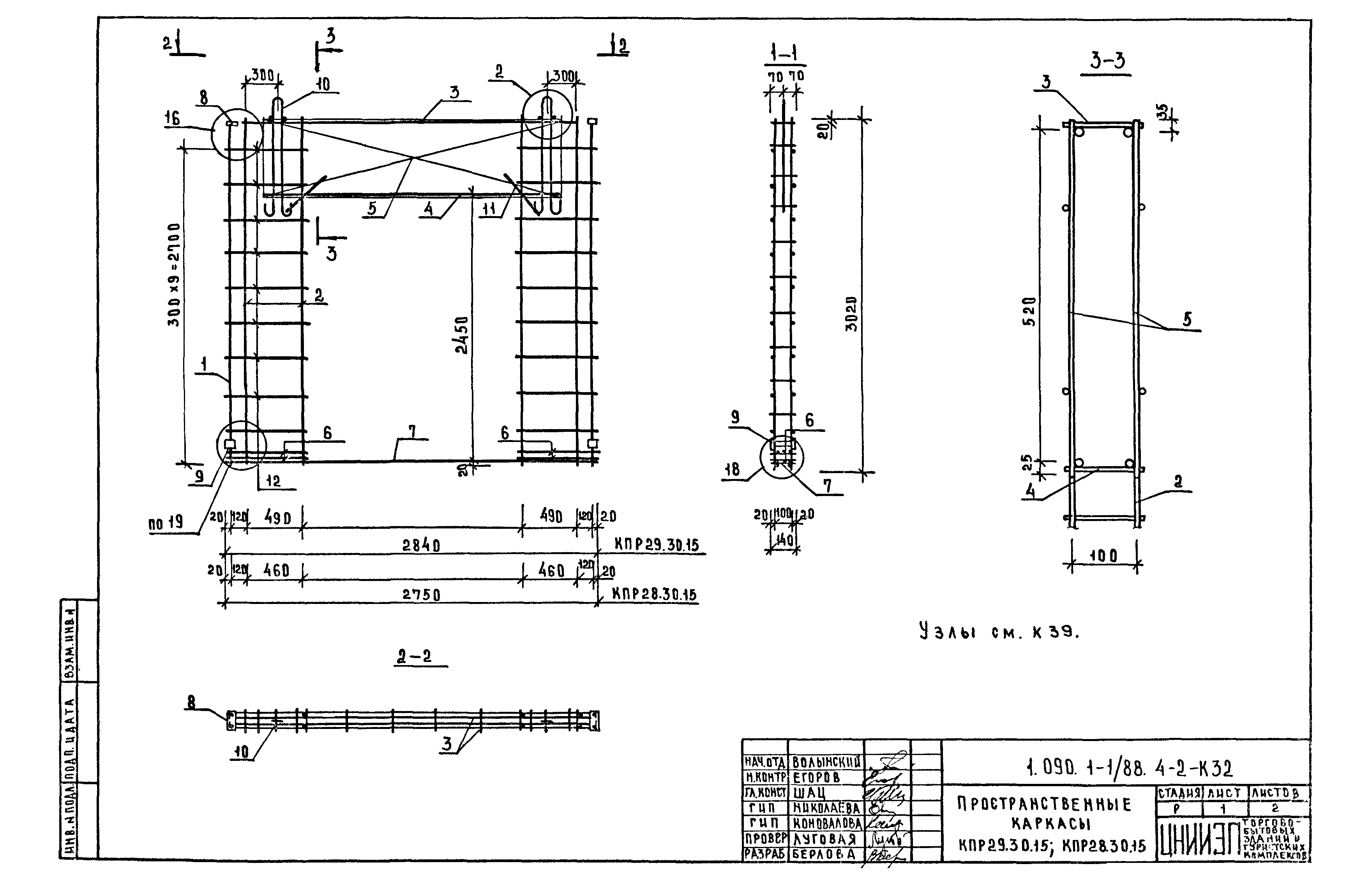
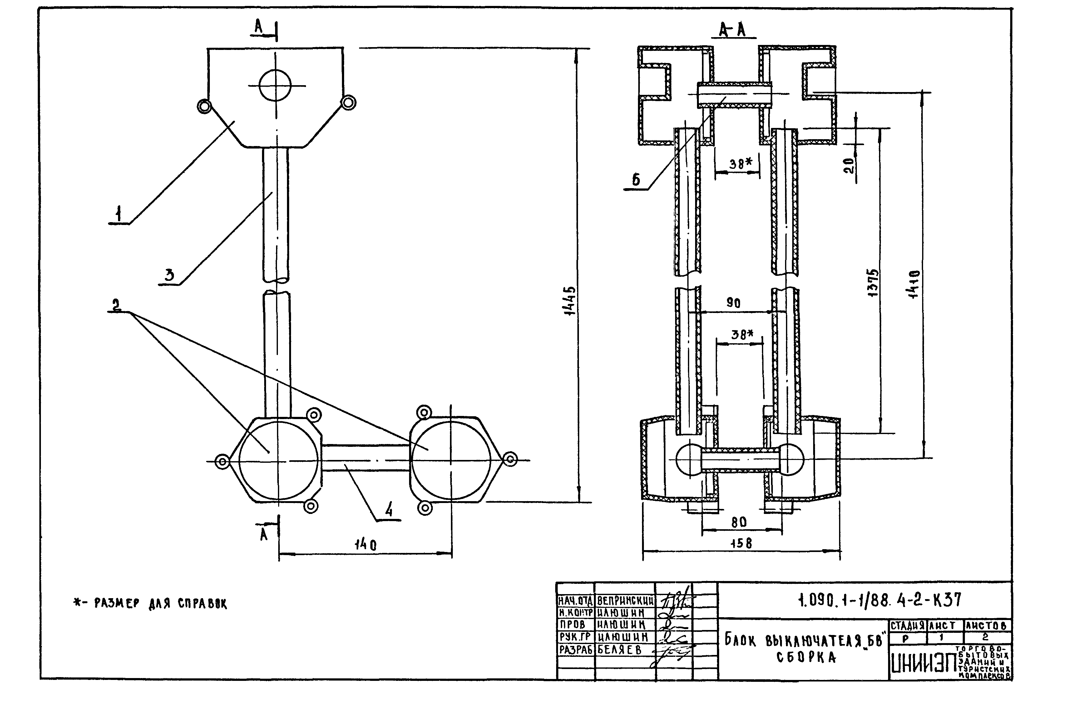
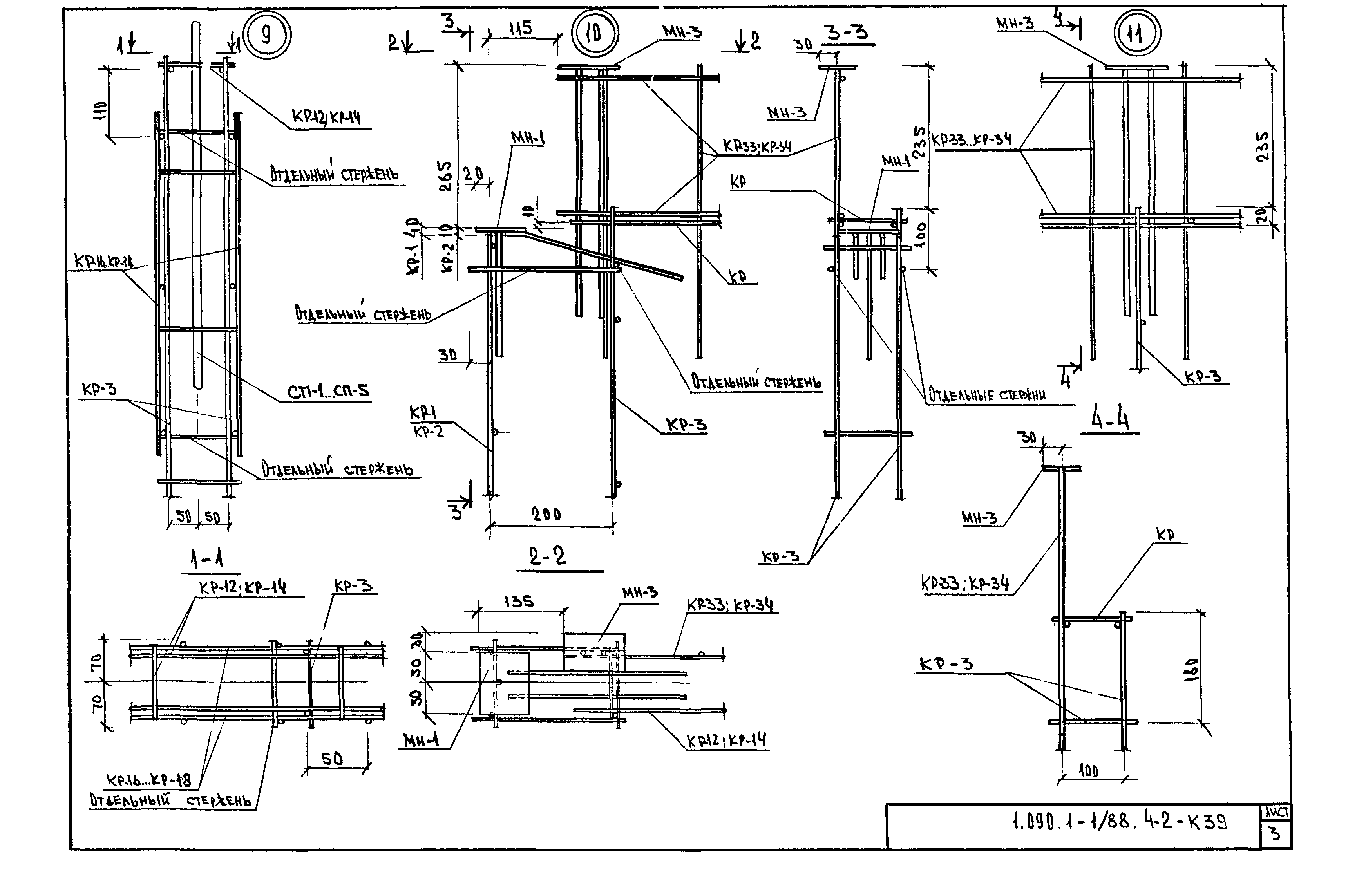
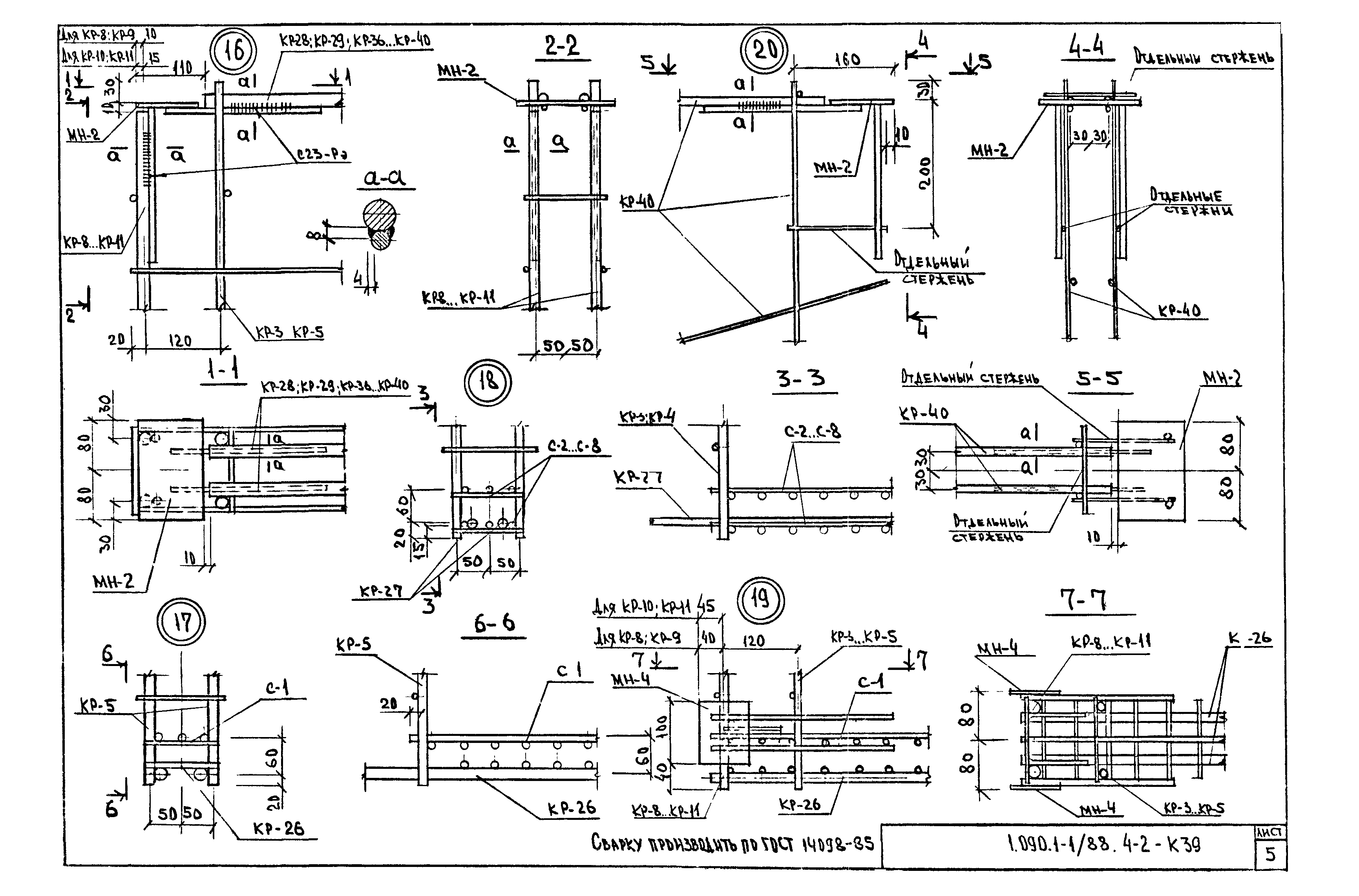
| Оглавление: | 1.090.1-1/88.4-2-ТТ Технические требования 1.090.1-1/88.4-2-К1 Пространственные каркасы КП 60.30, КП 59.30 1.090.1-1/88.4-2-К2 Пространственные каркасы КП 30.30, КП 30.30-В 1.090.1-1/88.4-2-К3 Пространственный каркас КП 30.30-9 1.090.1-1/88.4-2-К4 Пространственные каркасы КП 29.30, КП 28.30 1.090.1-1/88.4-2-К5 Пространственный каркас КП 18.30 1.090.1-1/88.4-2-К6 Пространственные каркасы КП 12.30, КП 6.30 1.090.1-1/88.4-2-К7 Пространственный каркас КП 12.30-Э 1.090.1-1/88.4-2-К8 Пространственные каркасы 1КП 60.30, 1КП 59.30 1.090.1-1/88.4-2-К9 Пространственный каркас 1КП 30.30 1.090.1-1/88.4-2-К10 Пространственные каркасы 1КП 29.30, 1КП 29.30-В 1.090.1-1/88.4-2-К11 Пространственный каркас 1КП 30.30-Э 1.090.1-1/88.4-2-К12 Пространственные каркасы 1КП 18.30, 1КП 12.30 1.090.1-1/88.4-2-К13 Пространственный каркас 1КП 12.30-Э 1.090.1-1/88.4-2-К14 Пространственный каркас КПП 60.30.10 1.090.1-1/88.4-2-К15 Пространственный каркас КПП 60.30.19 1.090.1-1/88.4-2-К16 Пространственные каркасы КПП 30.30.10, КПП 30.30.13 1.090.1-1/88.4-2-К17 Пространственный каркас КПП 28.30.10 1.090.1-1/88.4-2-К18 Пространственный каркас 1КПП 30.30.10 1.090.1-1/88.4-2-К19 Пространственный каркас 1КПП 30.30.13 1.090.1-1/88.4-2-К20 Пространственный каркас КП 59.33 1.090.1-1/88.4-2-К21 Пространственный каркас КП 30.33 1.090.1-1/88.4-2-К22 Пространственный каркас КП 29.33 1.090.1-1/88.4-2-К23 Пространственный каркас КП 30.16 1.090.1-1/88.4-2-К24 Пространственный каркас 1КП 59.33 1.090.1-1/88.4-2-К25 Пространственный каркас 2КП 59.33 1.090.1-1/88.4-2-К26 Пространственный каркас 1КП 30.33 1.090.1-1/88.4-2-К27 Пространственный каркас 2КП 30.33 1.090.1-1/88.4-2-К28 Пространственный каркас 1КПГ 59.33 1.090.1-1/88.4-2-К29 Пространственный каркас 2КПГ 59.33 1.090.1-1/88.4-2-К30 Пространственный каркас КПР 60.30.42 1.090.1-1/88.4-2-К31 Пространственные каркасы КПР 30.30.15, КПР 30.30.19 1.090.1-1/88.4-2-К32 Пространственные каркасы КПР 29.30.15, КПР 28.30.15 1.090.1-1/88.4-2-К33 Пространственный каркас КПА 60.30.42 1.090.1-1/88.4-2-К34 Пространственный каркас КПА 30.30.20 1.090.1-1/88.4-2-К35 Пространственные каркасы КПА 29.30.20, КПА 28.30.20 1.090.1-1/88.4-2-К36 Пространственный каркас КПГ 30.12 1.090.1-1/88.4-2-К37 Блок выключателя "БВ". Сборка 1.090.1-1/88.4-2-К38 Блок выключателя "БР". Сборка 1.090.1-1/88.4-2-К39 Узлы |
| Разработан: | ЦНИИЭП торгово-бытовых зданий и туристских комплексов |
| Утверждён: | 28.03.1989 Госстрой СССР (Государственный комитет Совета Министров СССР по делам строительства) (USSR Gosstroy АЧ-14) |
| Издан: | ЦИТП Госстроя СССР (CITP, Gosstroy (USSR) 1989 г. ) |


































































