Скачать Серия 1.262-1 Выпуск 3. Клееные двускатные балки пролетом 21, 24 м с шагом 3 м. Рабочие чертежиДата актуализации: 01.01.2021
|
| Обозначение: | Серия 1.262-1 |
| Обозначение англ: | Series 1.262-1 |
| Статус: | не действует |
| Название рус.: | Выпуск 3. Клееные двускатные балки пролетом 21, 24 м с шагом 3 м. Рабочие чертежи |
| Дата добавления в базу: | 01.09.2013 |
| Дата актуализации: | 01.01.2021 |
| Дата введения: | 01.04.1982 |
| Дата окончания срока действия: | 01.12.1988 |
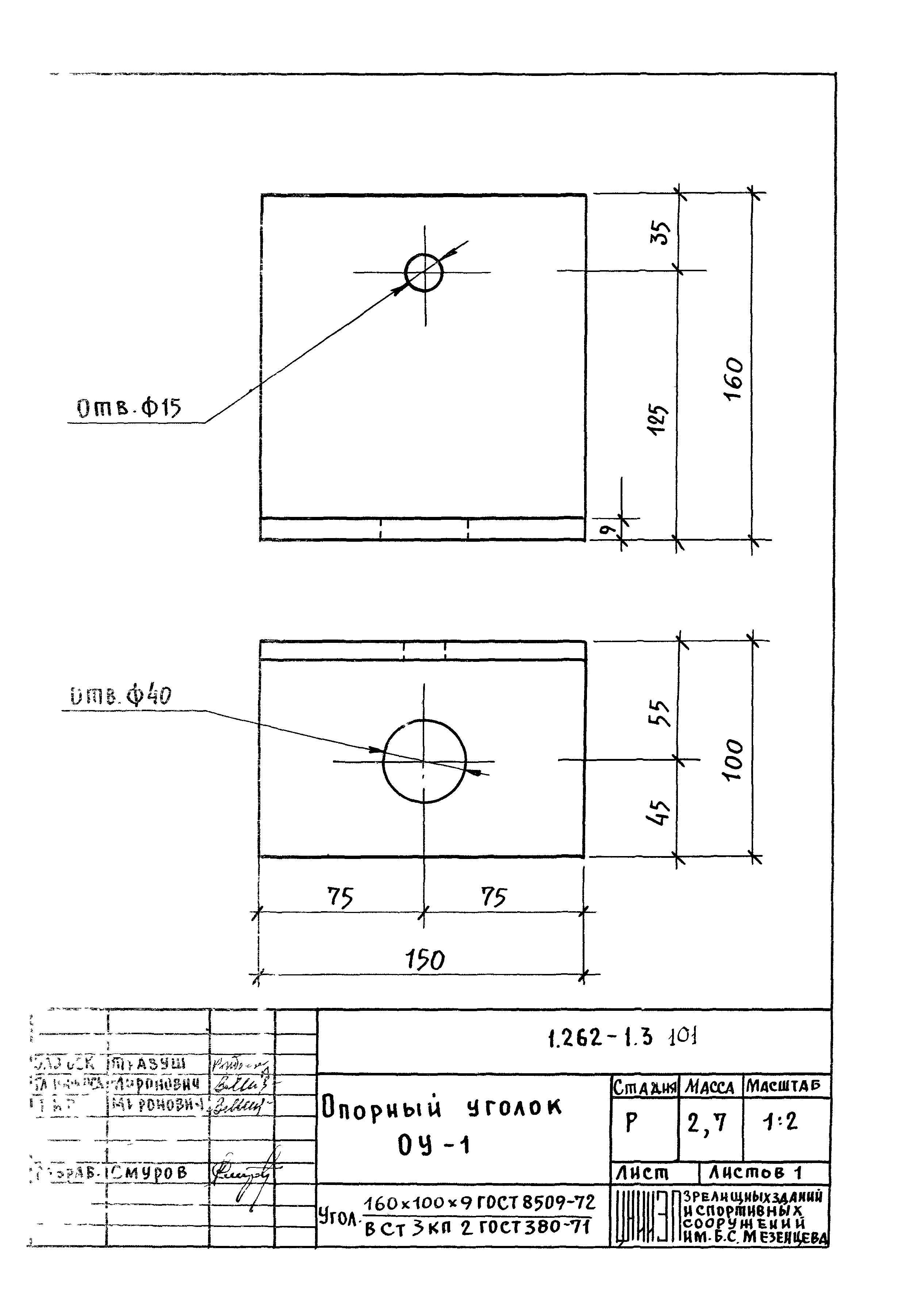
| Оглавление: | 1.262-1.3 000ТО Техническое описание 1.262-1.3 010 Номенклатура балок 1.262-1.3 100 Балки КДБ 21-6...КДБ 21-12.5 1.262-1.3 100СБ Балки КДБ 21-6...КДБ 21-12.5. Сборочный чертеж 1.262-1.3 110 Клееный пакет КП21…КП24 1.262-1.3 110СБ Клееный пакет КП21…КП24. Сборочный чертеж 1.262-1.3 101 Опорный уголок ОУ-1 1.262-1.3 102 Шайба ШМ-1 1.262-1.3 120 Балки КДБ 24-6...КДБ 24-12.5 1.262-1.3 120СБ Балки КДБ 24-6...КДБ 24-12.5. Сборочный чертеж 1.262-1.3 130 Клееный пакет КП25…КП28 1.262-1.3 130СБ Клееный пакет КП25…КП28. Сборочный чертеж 1.262-1.3 000ВМ Выборка материалов |
| Разработан: | ЦНИИЭП зрелищных зданий и спортивных сооружений Госгражданстроя |
| Утверждён: | 12.02.1982 Госстрой СССР (Государственный комитет Совета Министров СССР по делам строительства) (USSR Gosstroy 48) |


























