Скачать Серия 1.063.1-4 Выпуск 2. Фермы пролетом 9 м. Рабочие чертежи

Дата актуализации: 01.01.2021

Серия 1.063.1-4

Выпуск 2. Фермы пролетом 9 м. Рабочие чертежи

Обозначение: Серия 1.063.1-4
Обозначение англ: Series 1.063.1-4
Статус:не определен законодательством
Название рус.:Выпуск 2. Фермы пролетом 9 м. Рабочие чертежи
Дата добавления в базу:01.09.2013
Дата актуализации:01.01.2021
Дата введения:01.10.1993
Дата окончания срока действия:30.06.2003
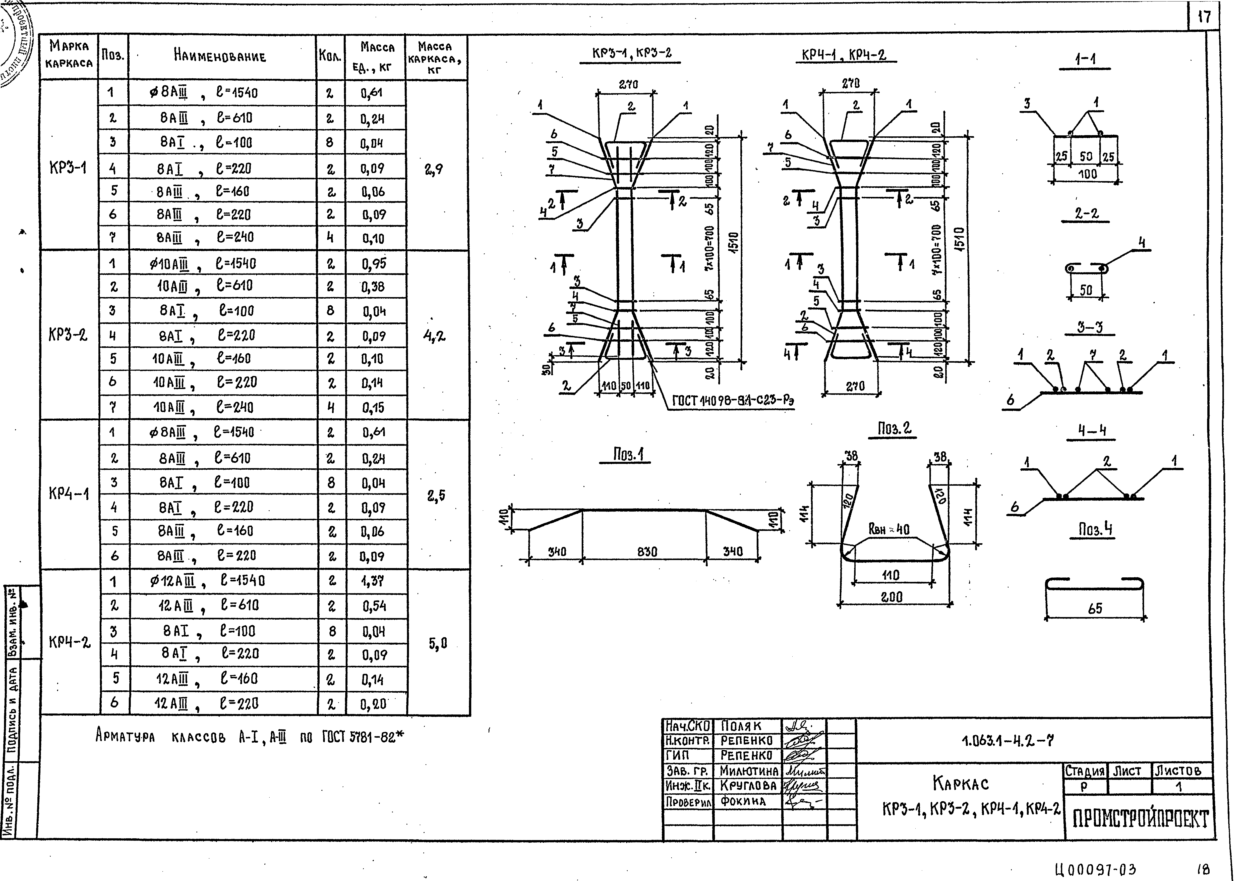
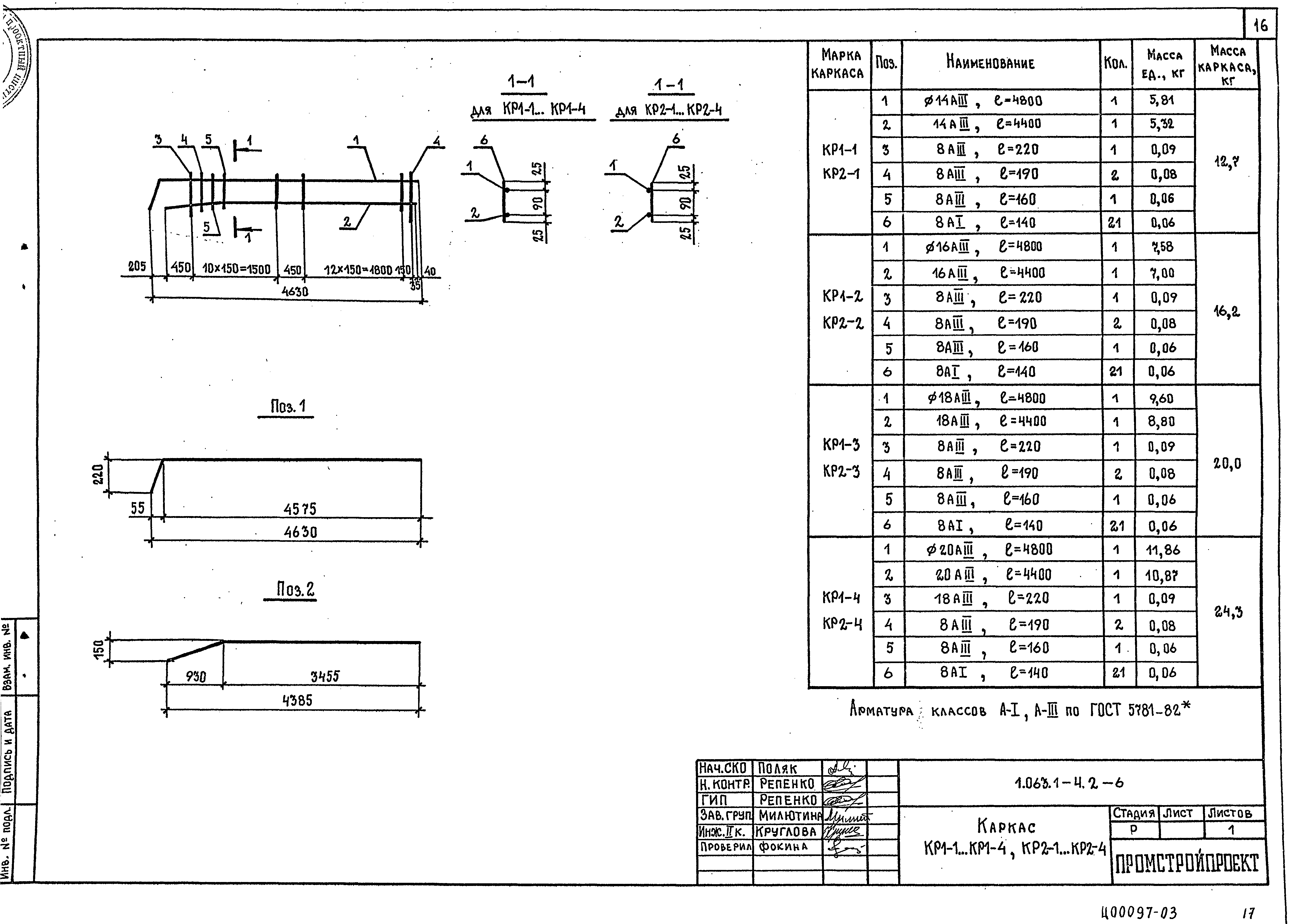
Область применения:Настоящий выпуск содержит рабочие чертежи стропильных ферм пролетом 9 м с ненапрягаемым и напрягаемым нижним поясом и арматурных изделий к ним
Разработан: Промстройпроект Госстроя СССР
ЦНИИЭПсельстрой
Утверждён:03.03.1993 Госстрой России (Russian Federation Gosstroy 9-3-2/35)
Серия 1.063.1-4Серия 1.063.1-4Серия 1.063.1-4Серия 1.063.1-4Серия 1.063.1-4Серия 1.063.1-4Серия 1.063.1-4Серия 1.063.1-4Серия 1.063.1-4Серия 1.063.1-4Серия 1.063.1-4Серия 1.063.1-4Серия 1.063.1-4Серия 1.063.1-4Серия 1.063.1-4Серия 1.063.1-4Серия 1.063.1-4Серия 1.063.1-4Серия 1.063.1-4Серия 1.063.1-4Серия 1.063.1-4