Скачать Серия 1.463.1-16 Выпуск 0. Материалы для проектированияДата актуализации: 01.01.2021
|
| Обозначение: | Серия 1.463.1-16 |
| Обозначение англ: | Series 1.463.1-16 |
| Статус: | не определен законодательством |
| Название рус.: | Выпуск 0. Материалы для проектирования |
| Дата добавления в базу: | 01.09.2013 |
| Дата актуализации: | 01.01.2021 |
| Дата введения: | 01.08.1989 |
| Дата окончания срока действия: | 30.06.2003 |
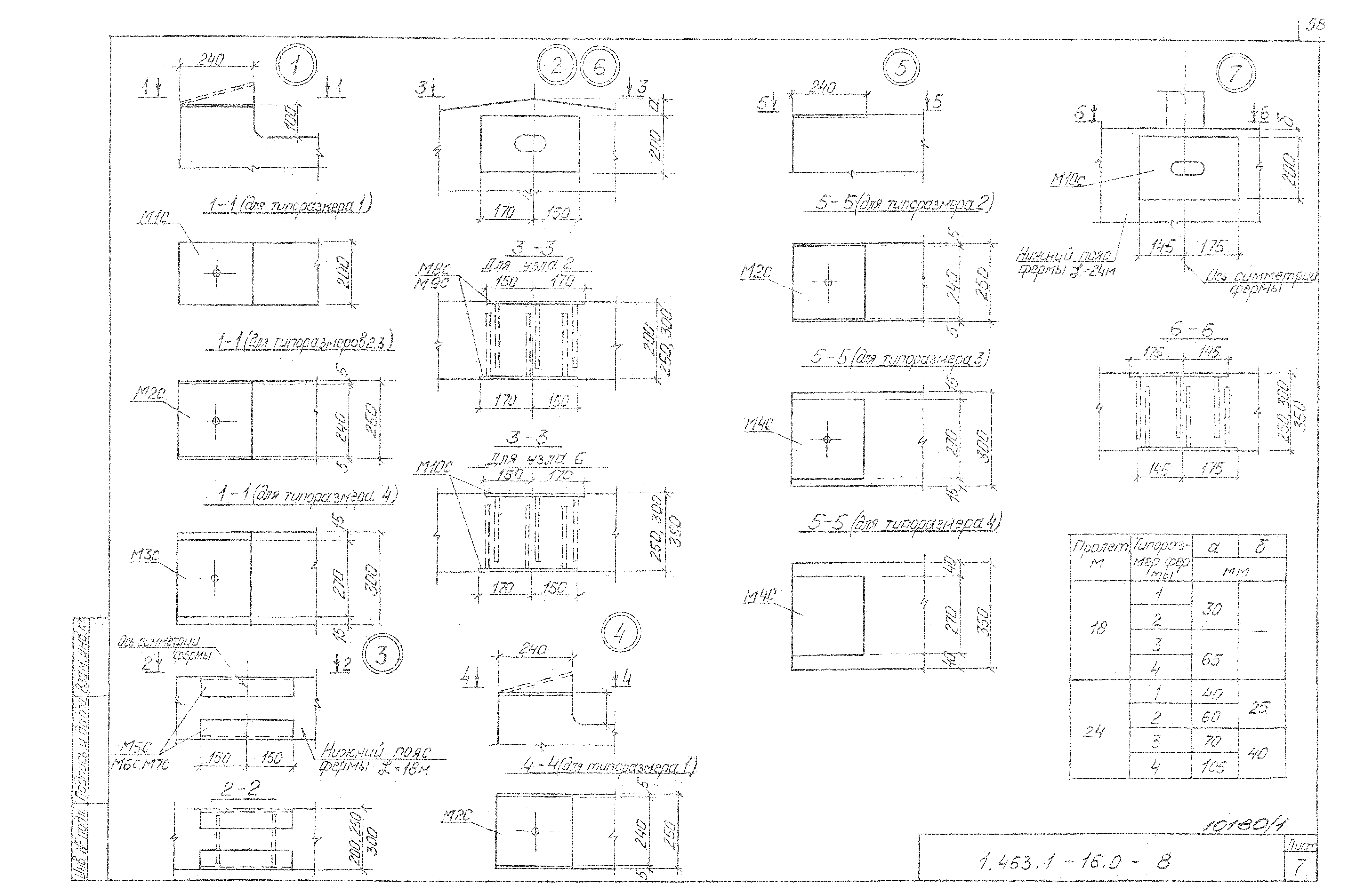
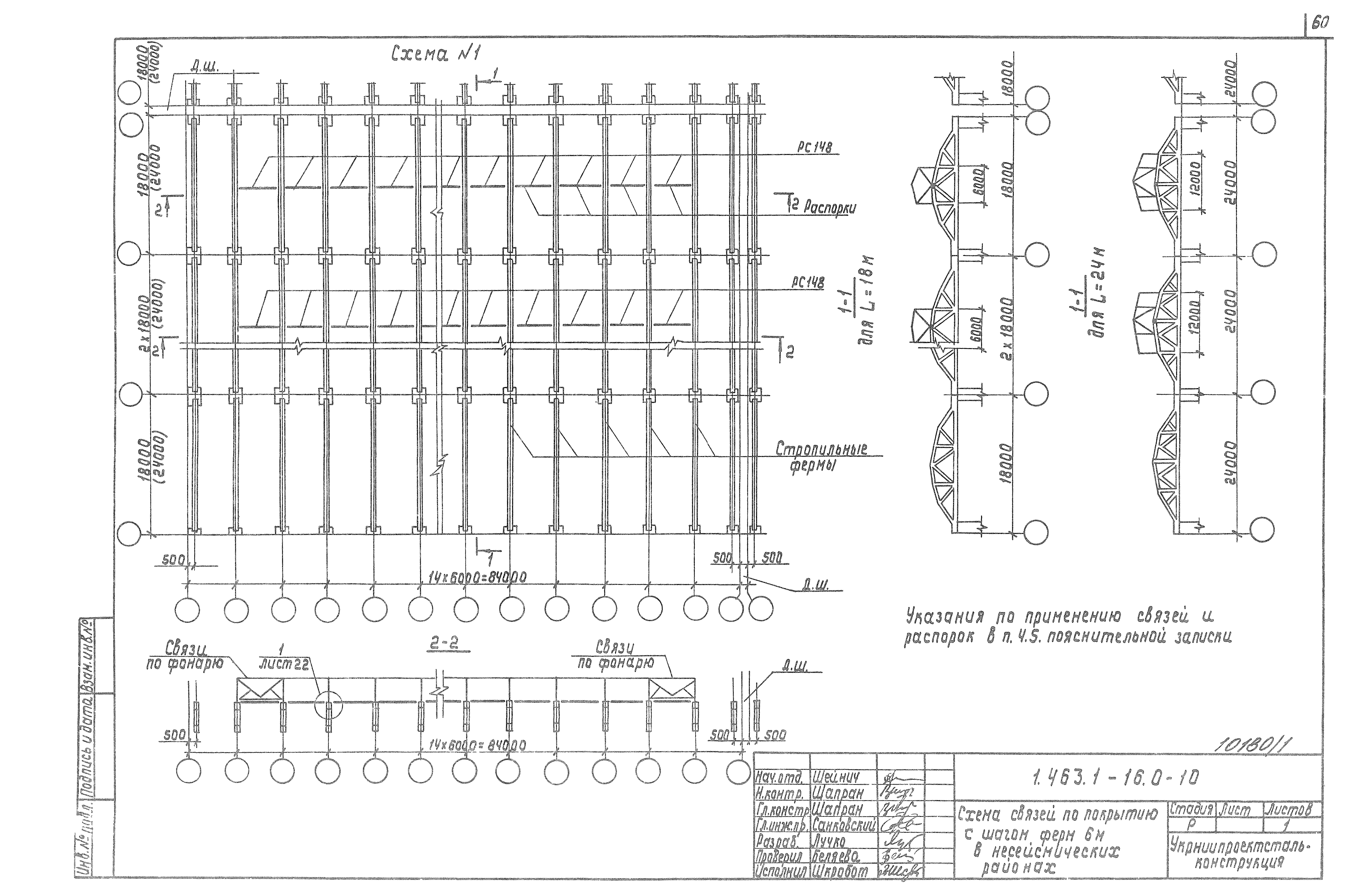
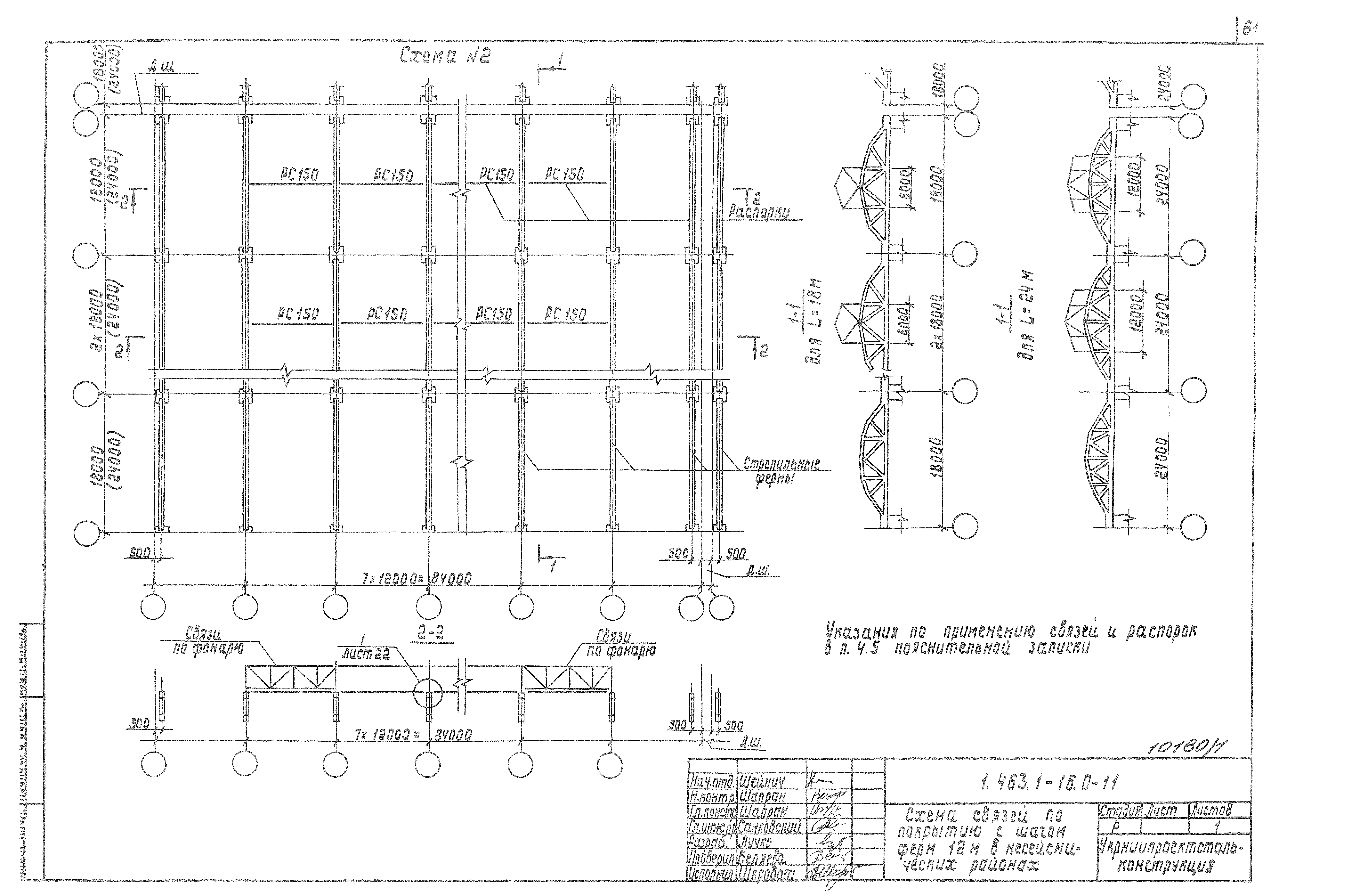
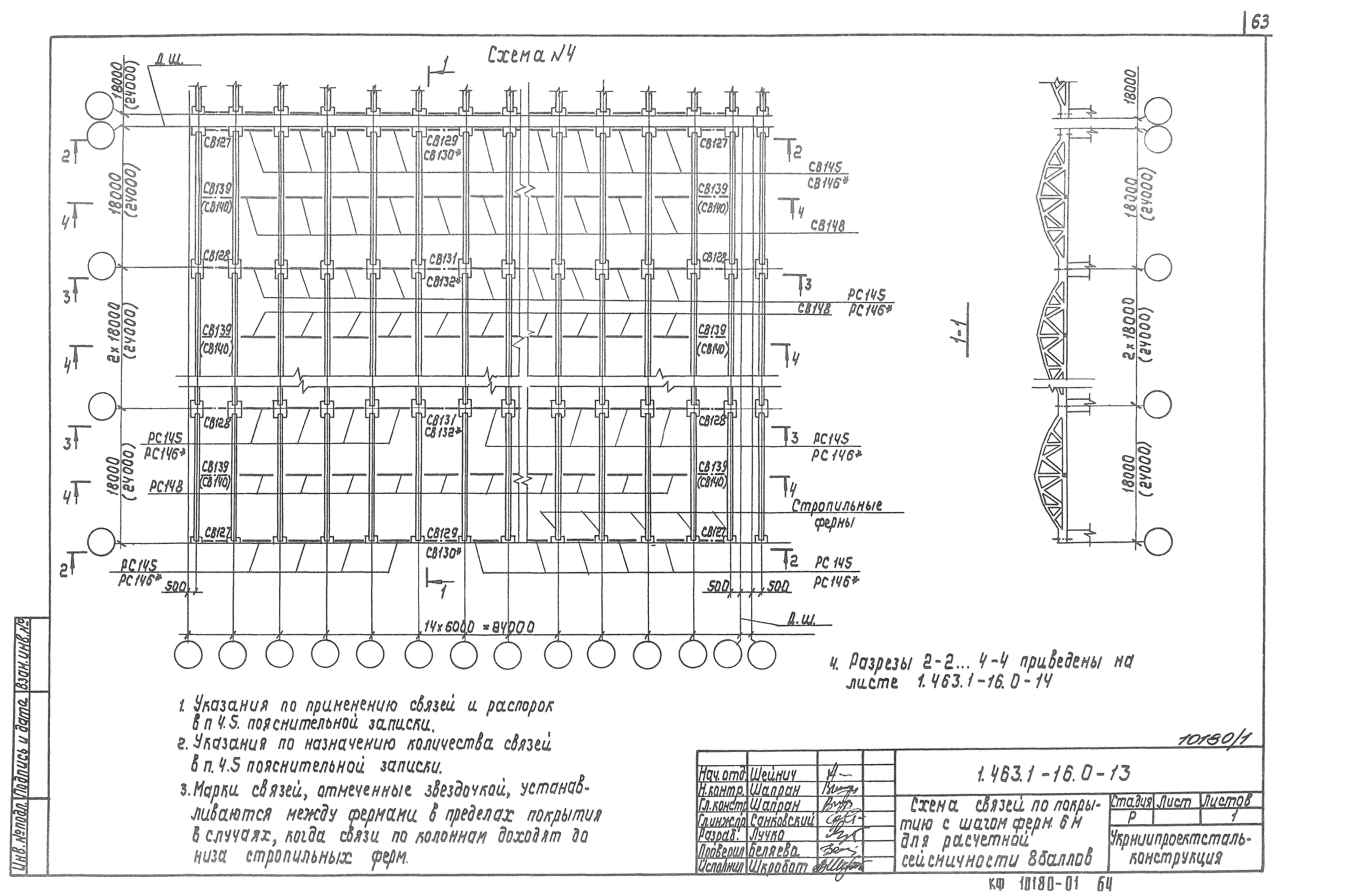
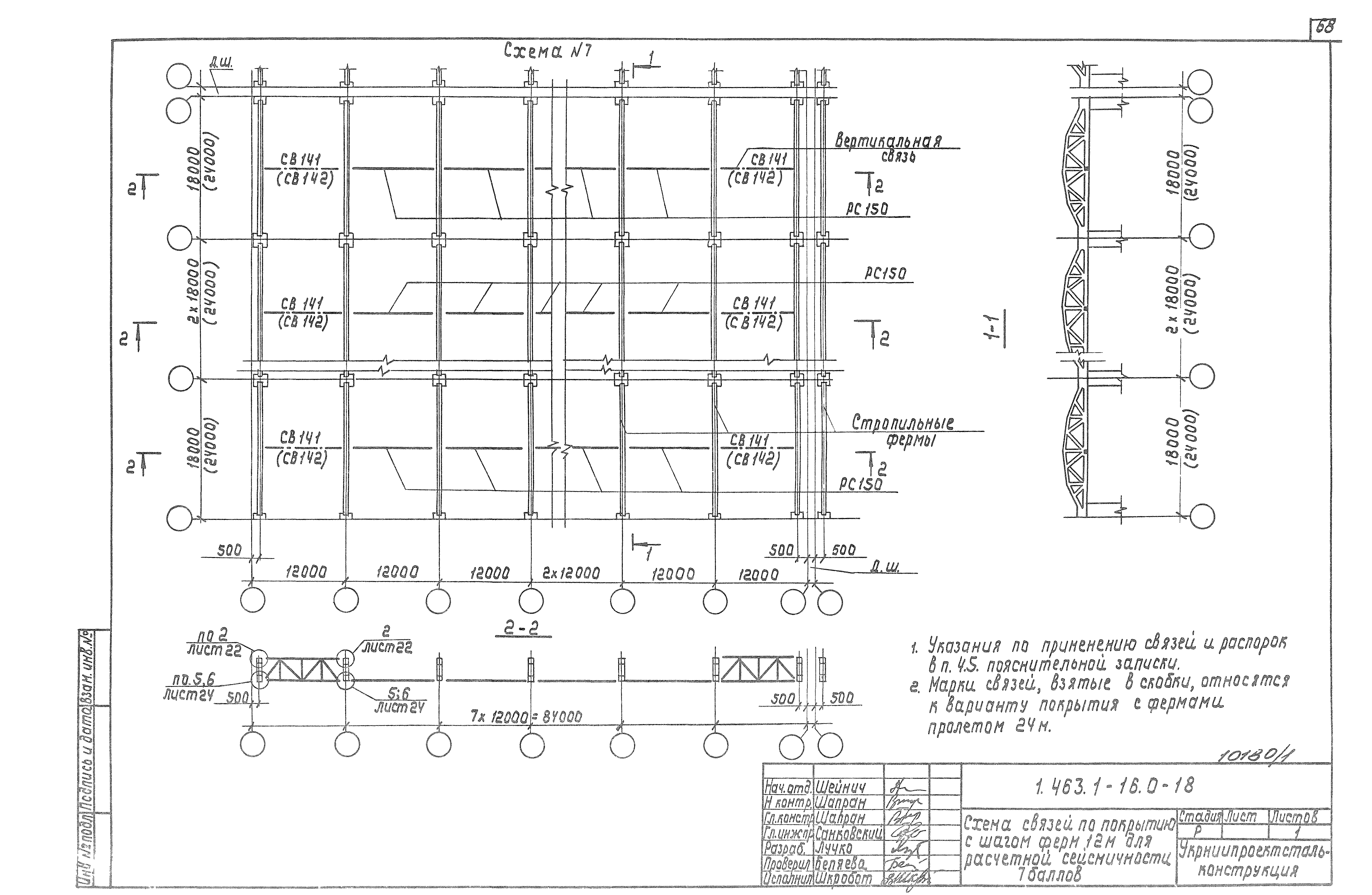
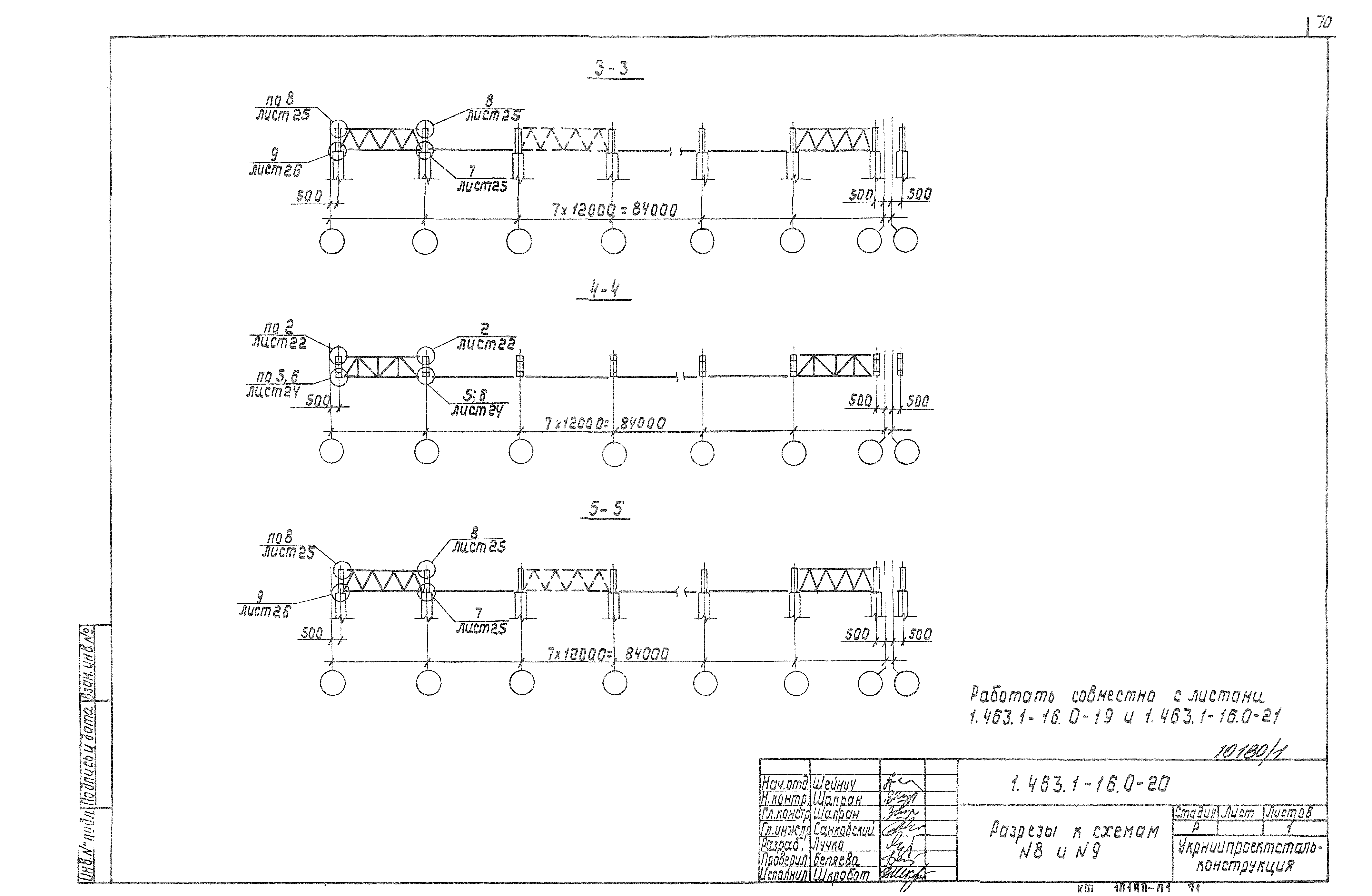
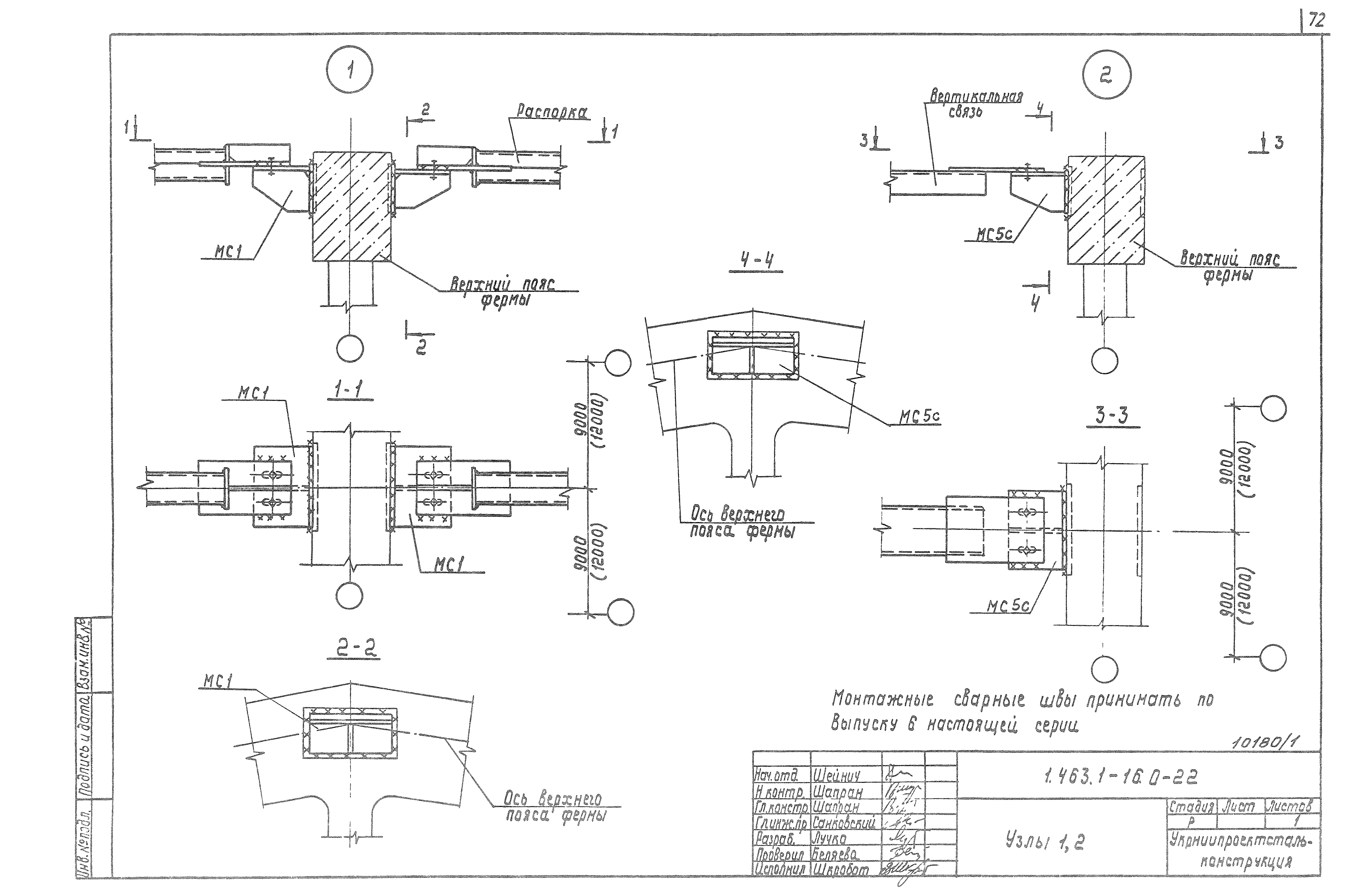
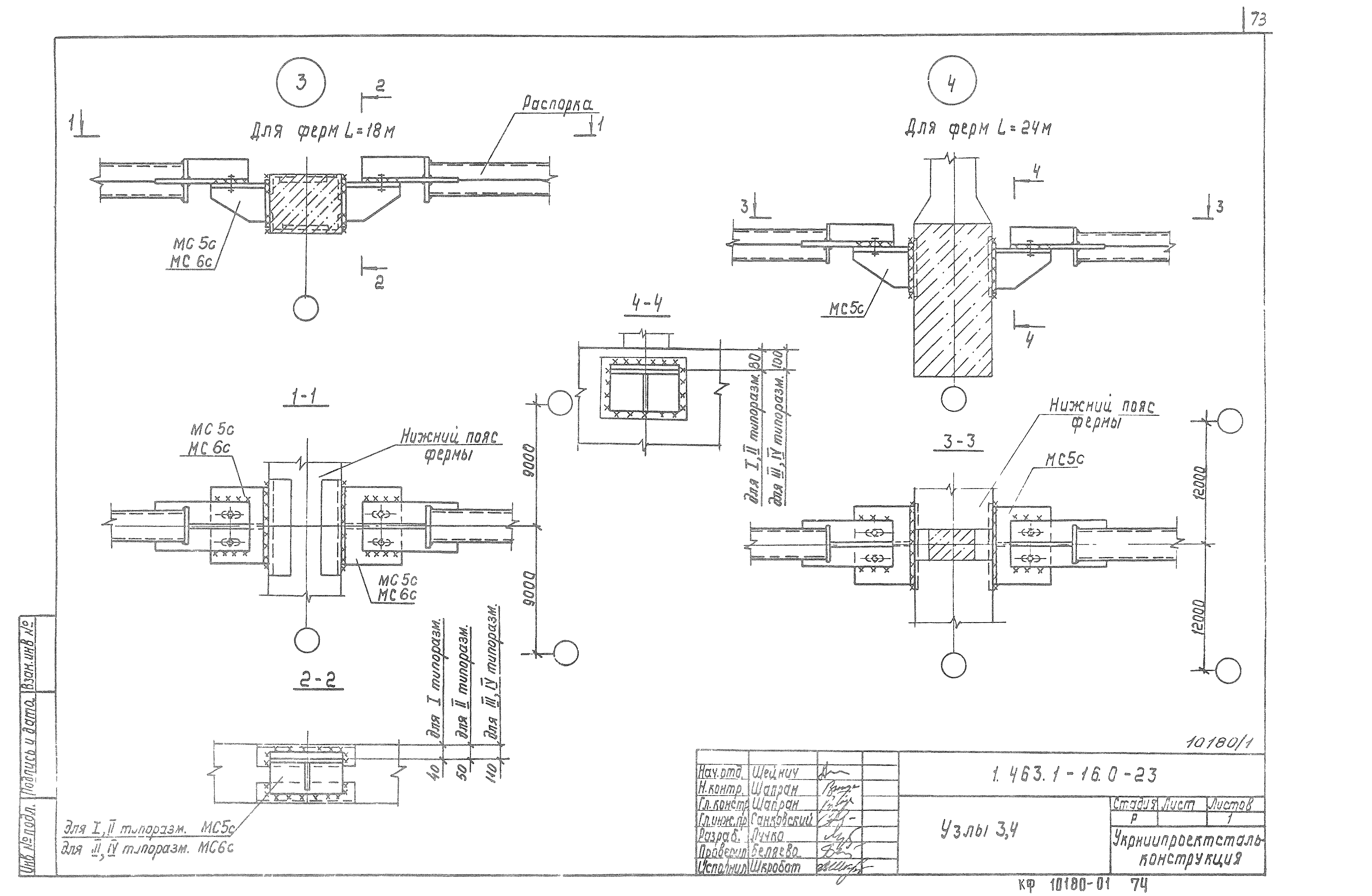
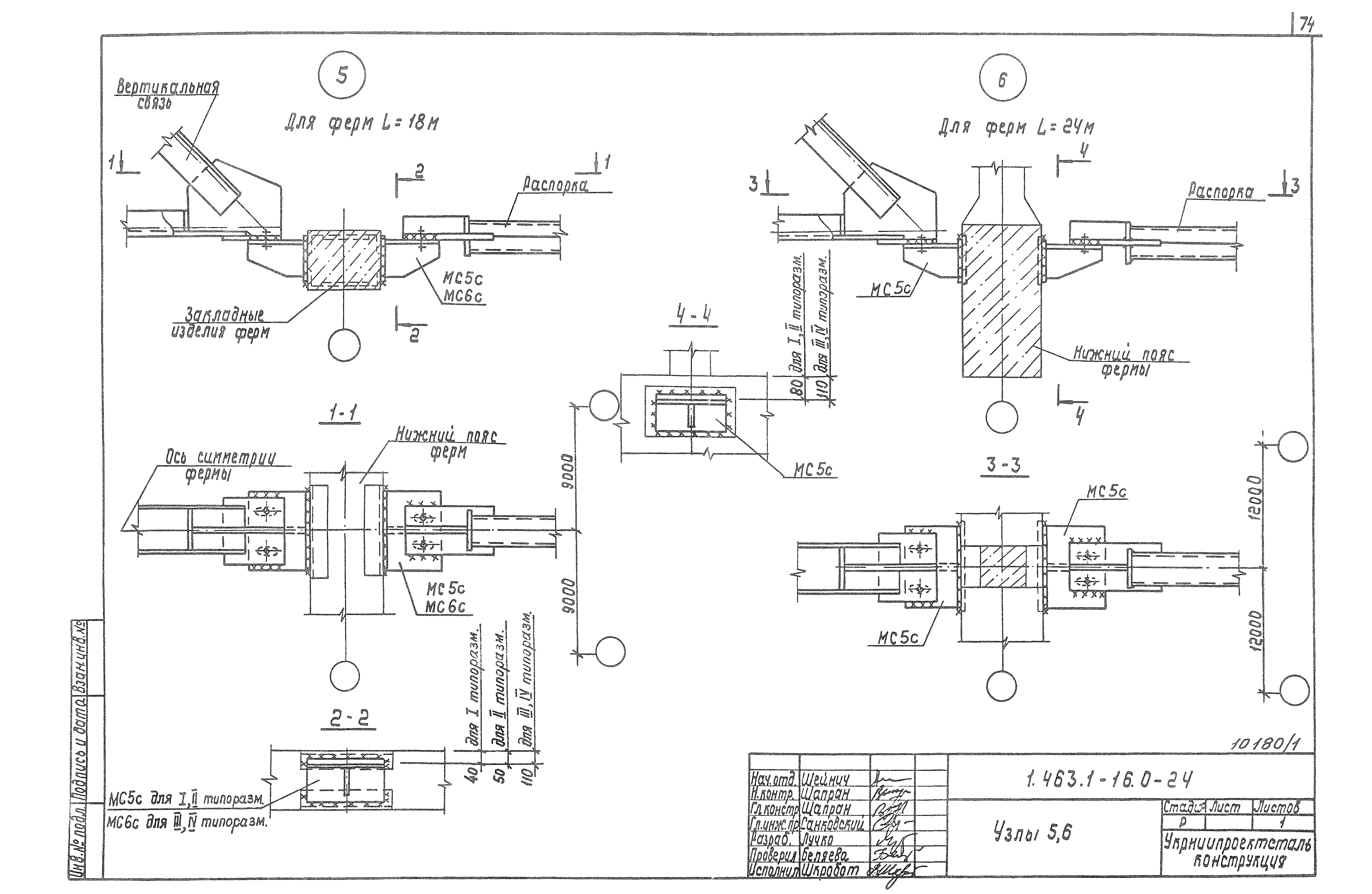
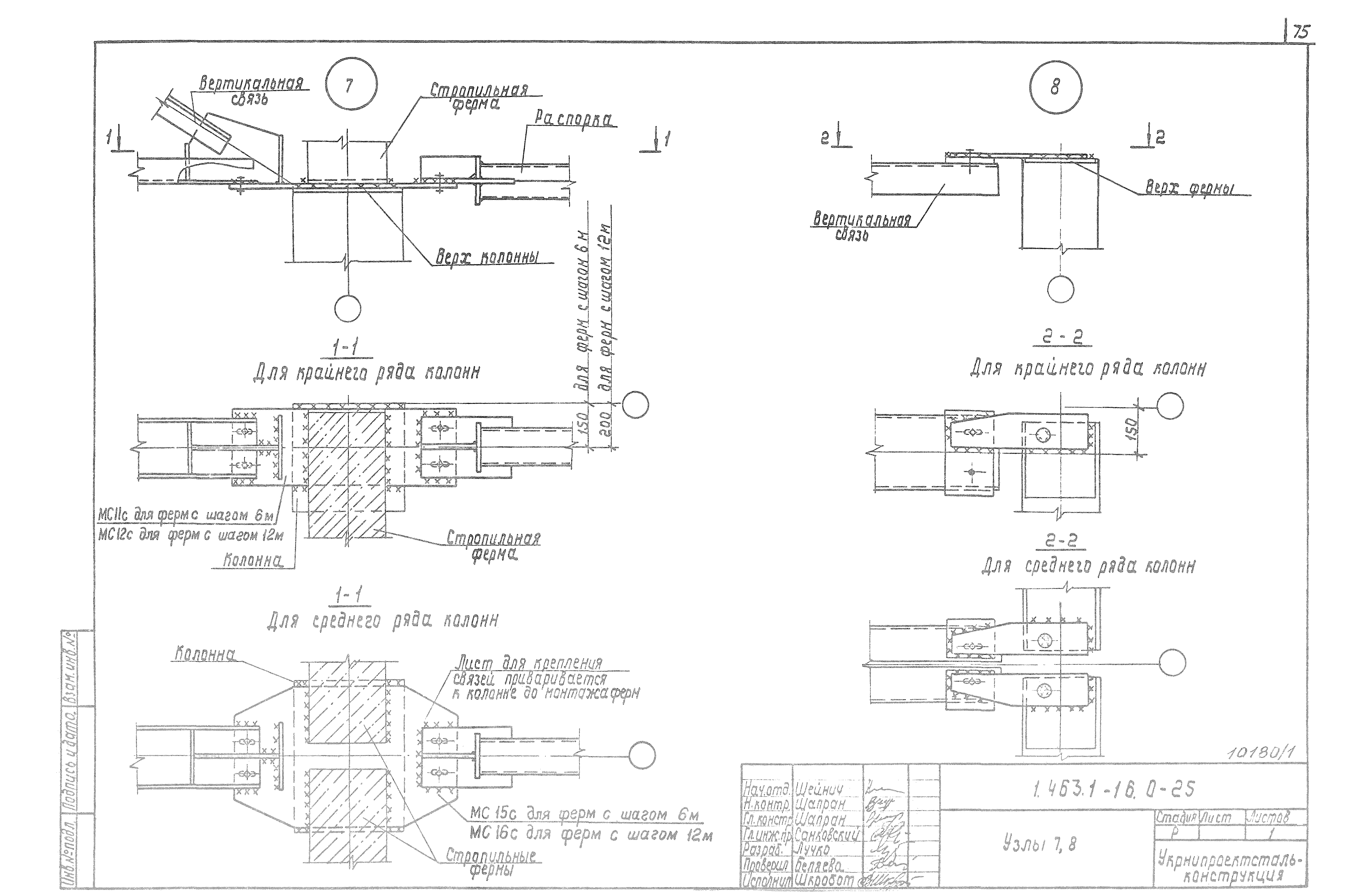
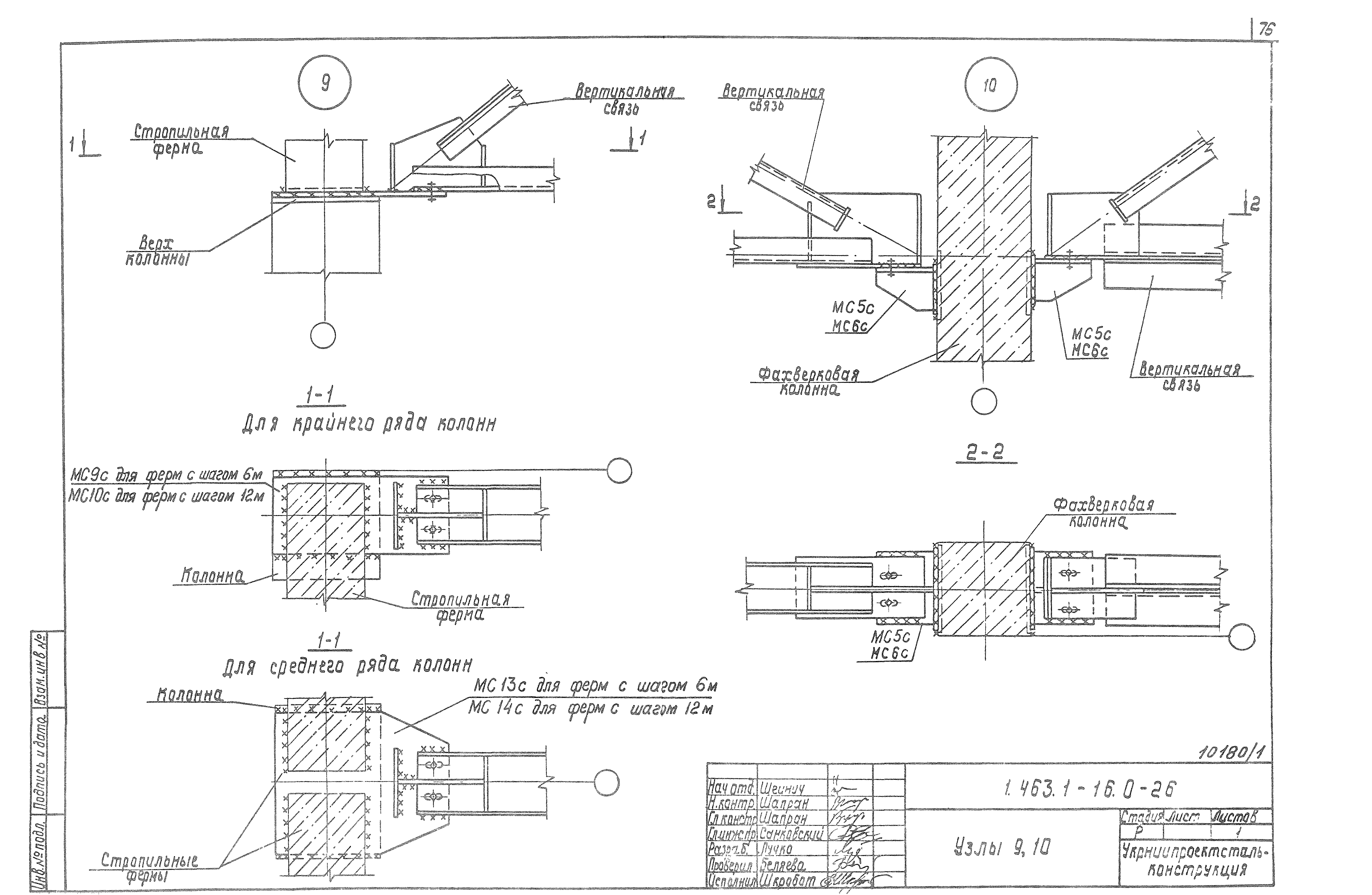
| Оглавление: | 1.463.1-16.0-ПЗ Пояснительная записка 1.463.1-16.0-1НИ Номенклатура ферм пролетами 18 м и 24 м из тяжелых бетонов 1.463.1-16.0-2НИ Номенклатура ферм пролетами 18 м и 24 м из легких бетонов 1.463.1-16.0-1 Ключ для подбора марок ферм пролетом 18 м с шагом 6 м 1.463.1-16.0-2 Ключ для подбора марок ферм пролетом 18 м с шагом 12 м 1.463.1-16.0-3 Ключ для подбора марок ферм пролетом 24 м с шагом 6 м 1.463.1-16.0-4 Ключ для подбора марок ферм пролетом 24 м с шагом 12 м 1.463.1-16.0-5 Расчетные усилия в элементах ферм пролетами 18 и 24 м 1.463.1-16.0-6 Усилия в элементах ферм пролетами 18 и 24 м от единичных узловых нагрузок 1.463.1-16.0-7 Моменты в верхнем поясе ферм пролетами 18 и 24 м от единичных неузловых нагрузок 1.463.1-16.0-8 Примеры разбивки закладных изделий для ферм пролетами 18 и 24 м 1.463.1-16.0-9 Пример раскладки железобетонных плит покрытия 1.463.1-16.0-10 Схема связей по покрытию с шагом ферм 6 м в несейсмических районах 1.463.1-16.0-11 Схема связей по покрытию с шагом ферм 12 м в несейсмических районах 1.463.1-16.0-12 Схема связей по покрытию с шагом ферм 6 м для расчетной сейсмичности 7 баллов 1.463.1-16.0-13 Схема связей по покрытию с шагом ферм 6 м для расчетной сейсмичности 8 баллов 1.463.1-16.0-14 Разрезы к схеме № 4 1.463.1-16.0-15 Схема связей по покрытию с шагом ферм 6 м для расчетной сейсмичности 7 баллов (с подстропильными фермами) 1.463.1-16.0-16 Схема связей по покрытию с шагом ферм 6 м для расчетной сейсмичности 8 баллов (с подстропильными фермами) 1.463.1-16.0-17 Разрезы к схеме № 6 1.463.1-16.0-18 Схема связей по покрытию с шагом ферм 12 м для расчетной сейсмичности 7 баллов 1.463.1-16.0-19 Схема связей по покрытию с шагом ферм 12 м для расчетной сейсмичности 8 баллов 1.463.1-16.0-20 Разрезы к схемам № 8 и № 9 1.463.1-16.0-21 Схема связей по покрытию с шагом ферм 12 м для расчетной сейсмичности 8 баллов (вариант с фахверковыми стойками) 1.463.1-16.0-22 Узлы 1,2 1.463.1-16.0-23 Узлы 3,4 1.463.1-16.0-24 Узлы 5,6 1.463.1-16.0-25 Узлы 7,8 1.463.1-16.0-26 Узлы 9,10 1.463.1-16.0-27 Узлы 11...15 |
| Разработан: | НИИСК Киевский Промстройпроект НИИЖБ Укрниипроектстальконструкция АО ЦНИИпромзданий |
| Утверждён: | 16.12.1988 Госстрой СССР (Государственный комитет Совета Министров СССР по делам строительства) (USSR Gosstroy 6/6-2884) |
| Издан: | ЦИТП Госстроя СССР (CITP, Gosstroy (USSR) 1990 г. ) |
| Заменяет собой: |













































































