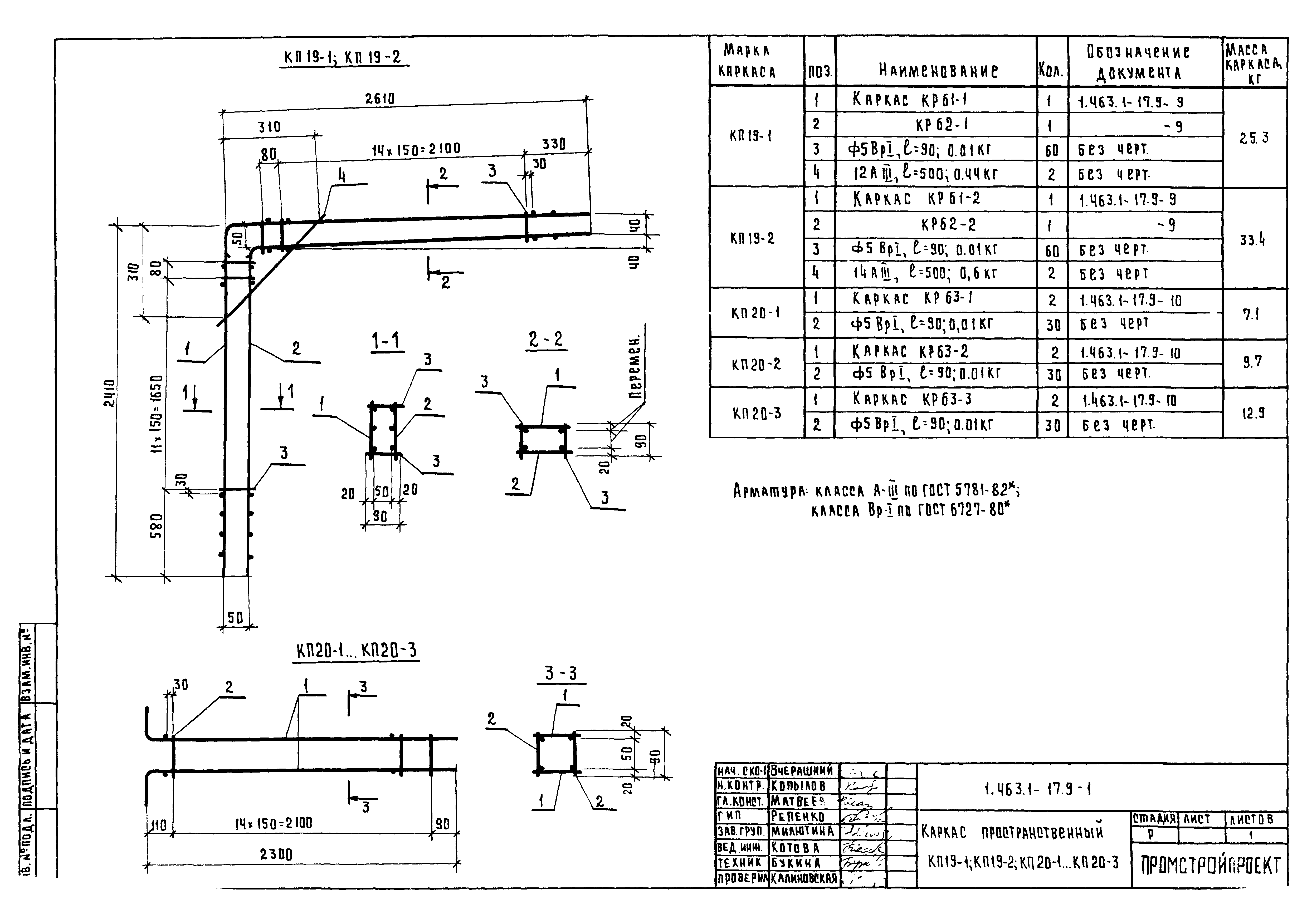
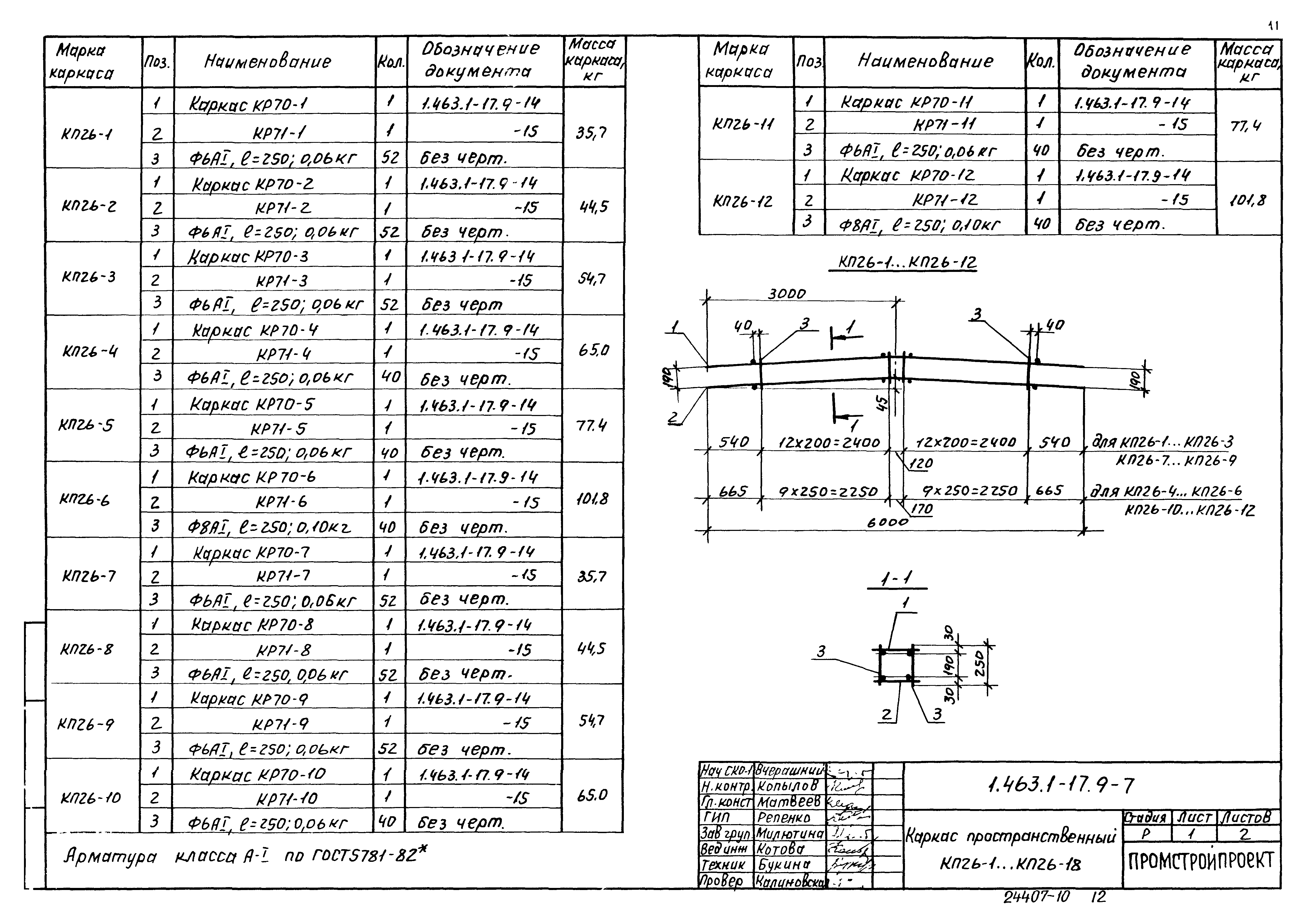
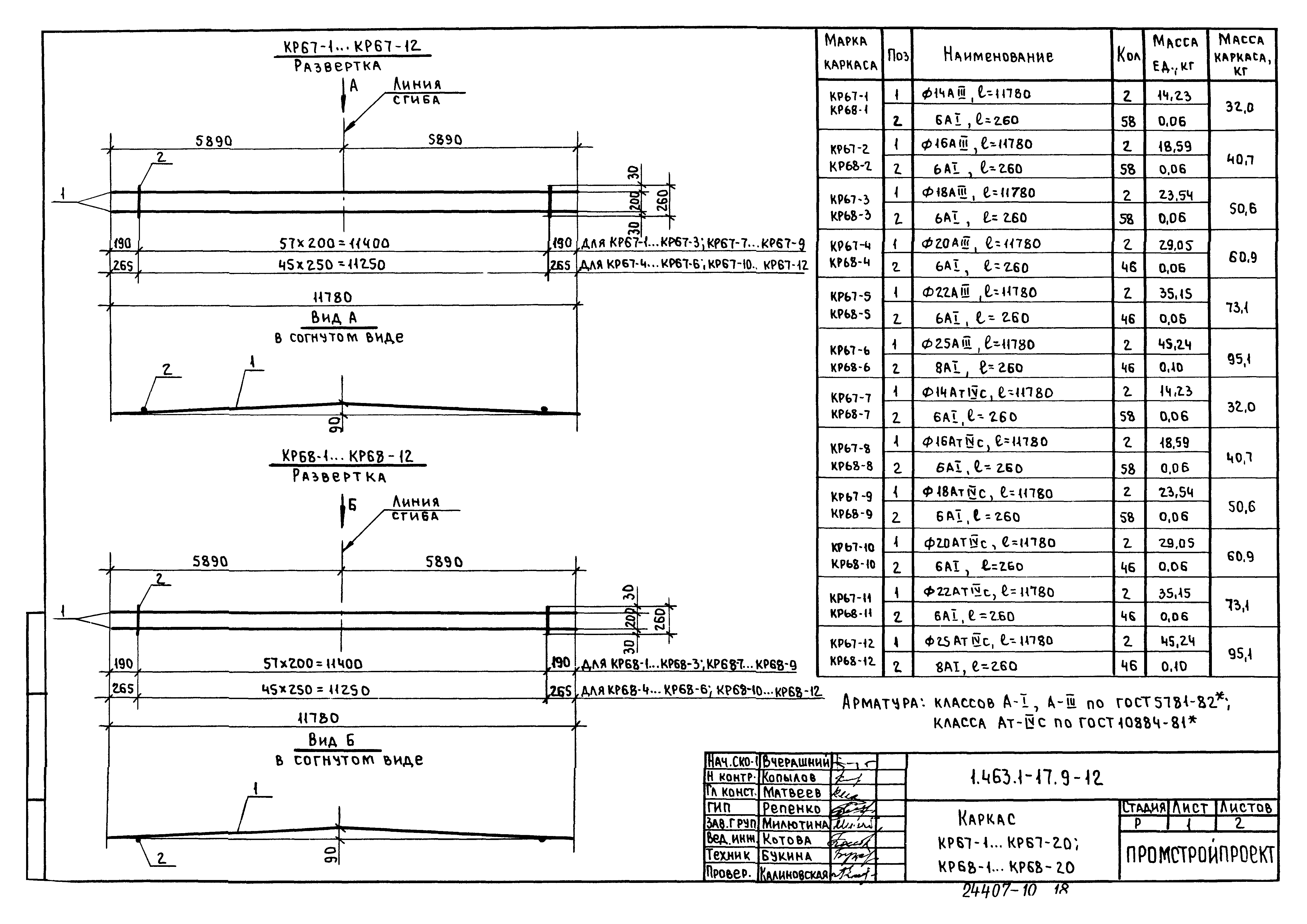
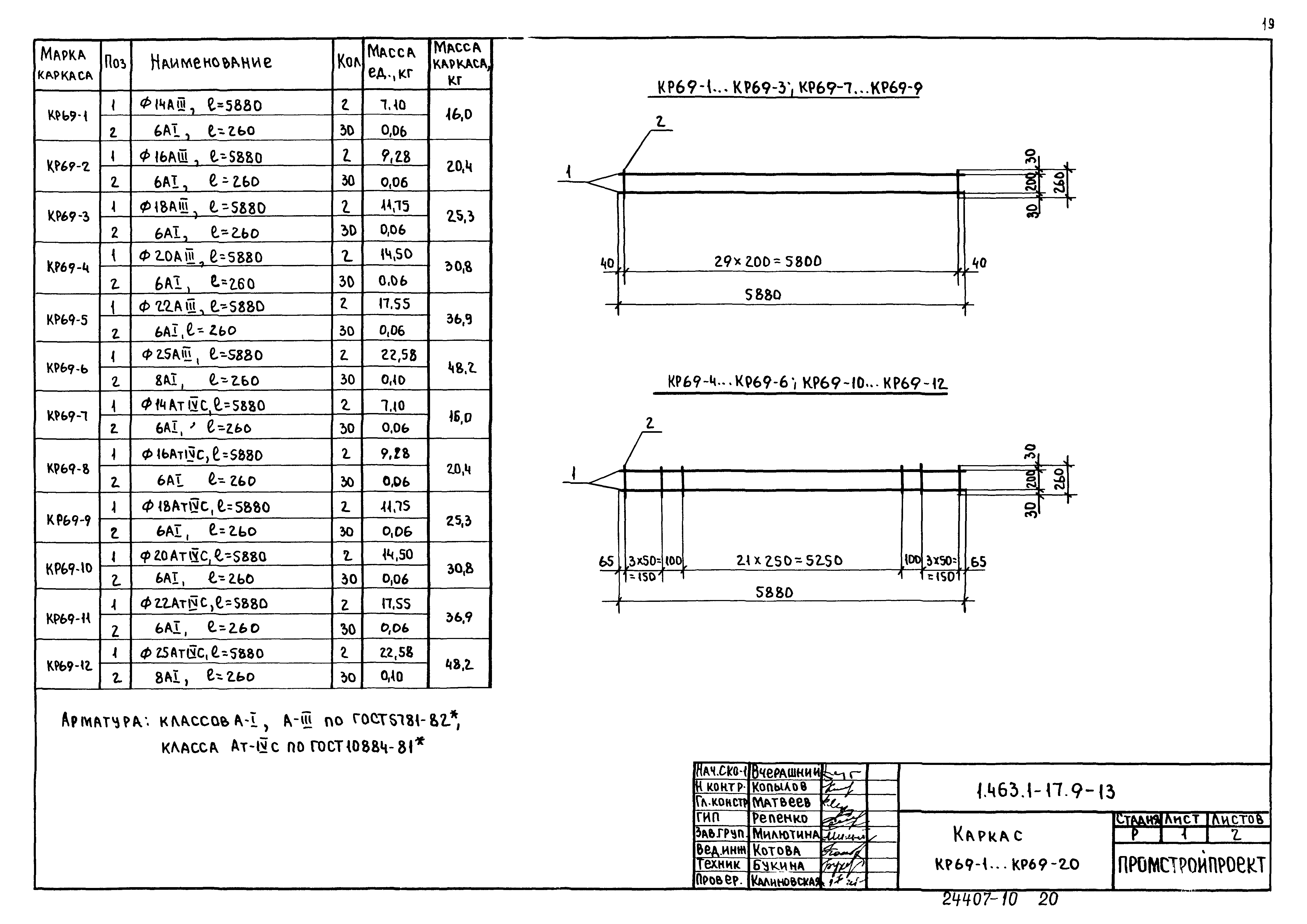
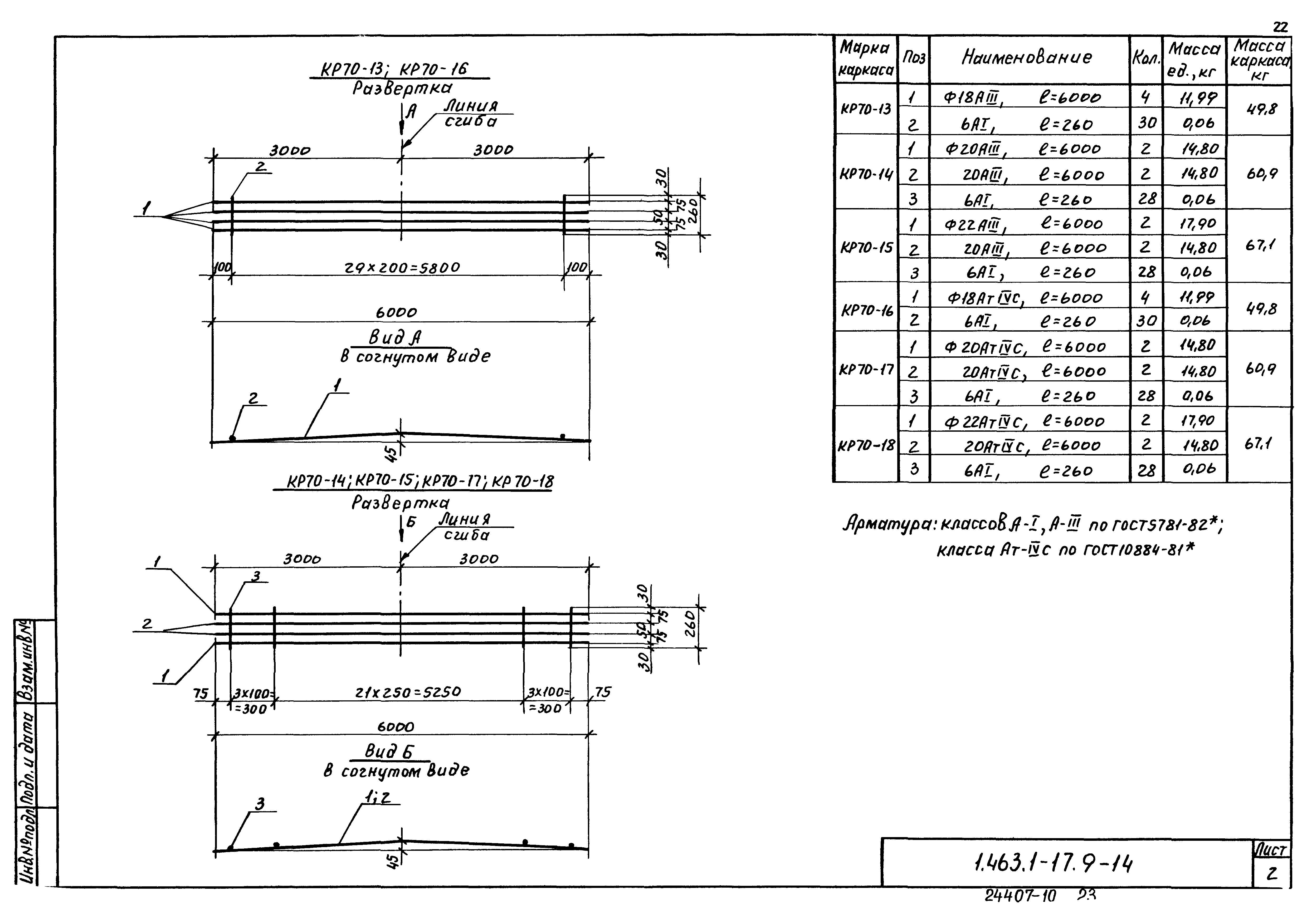
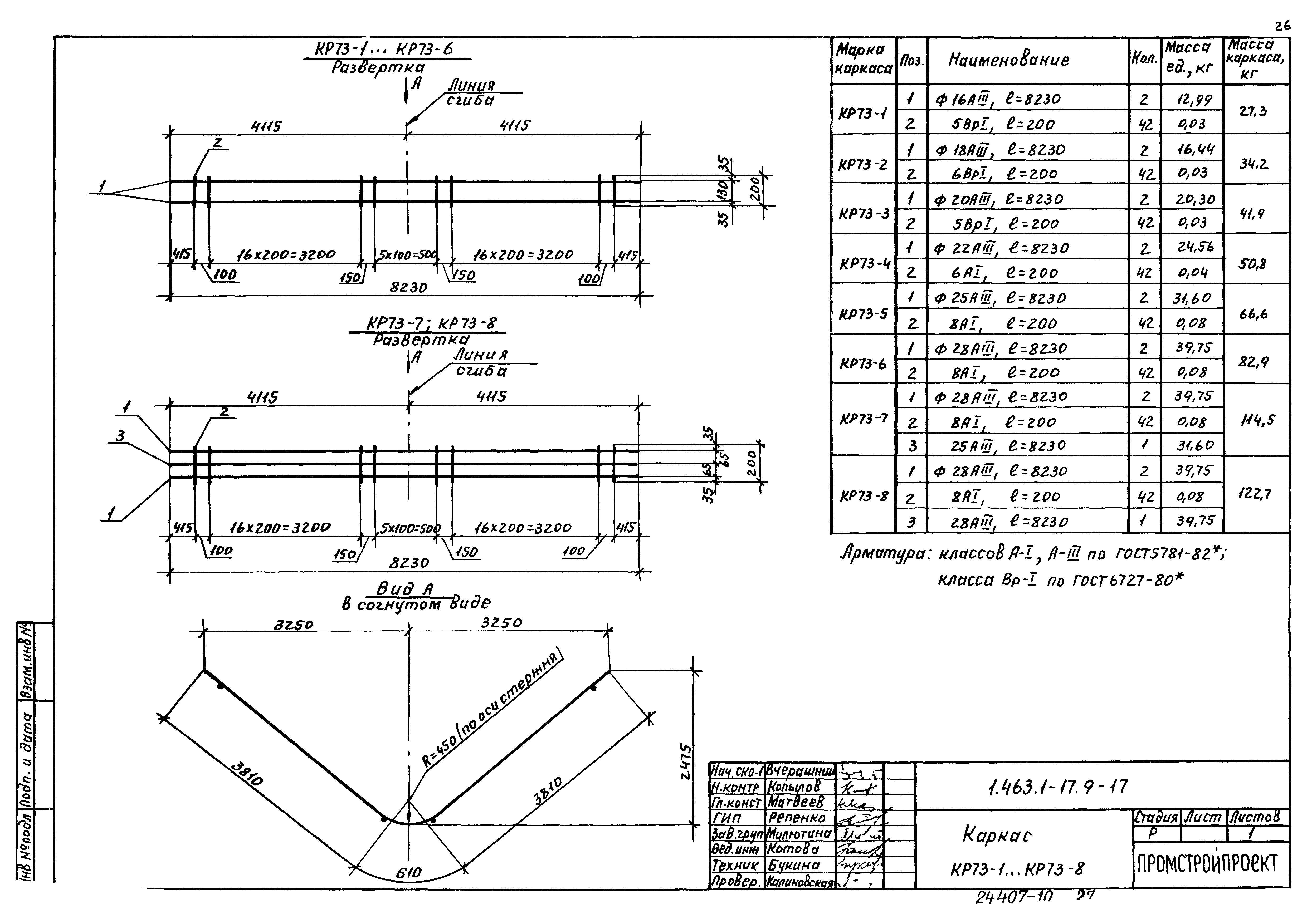
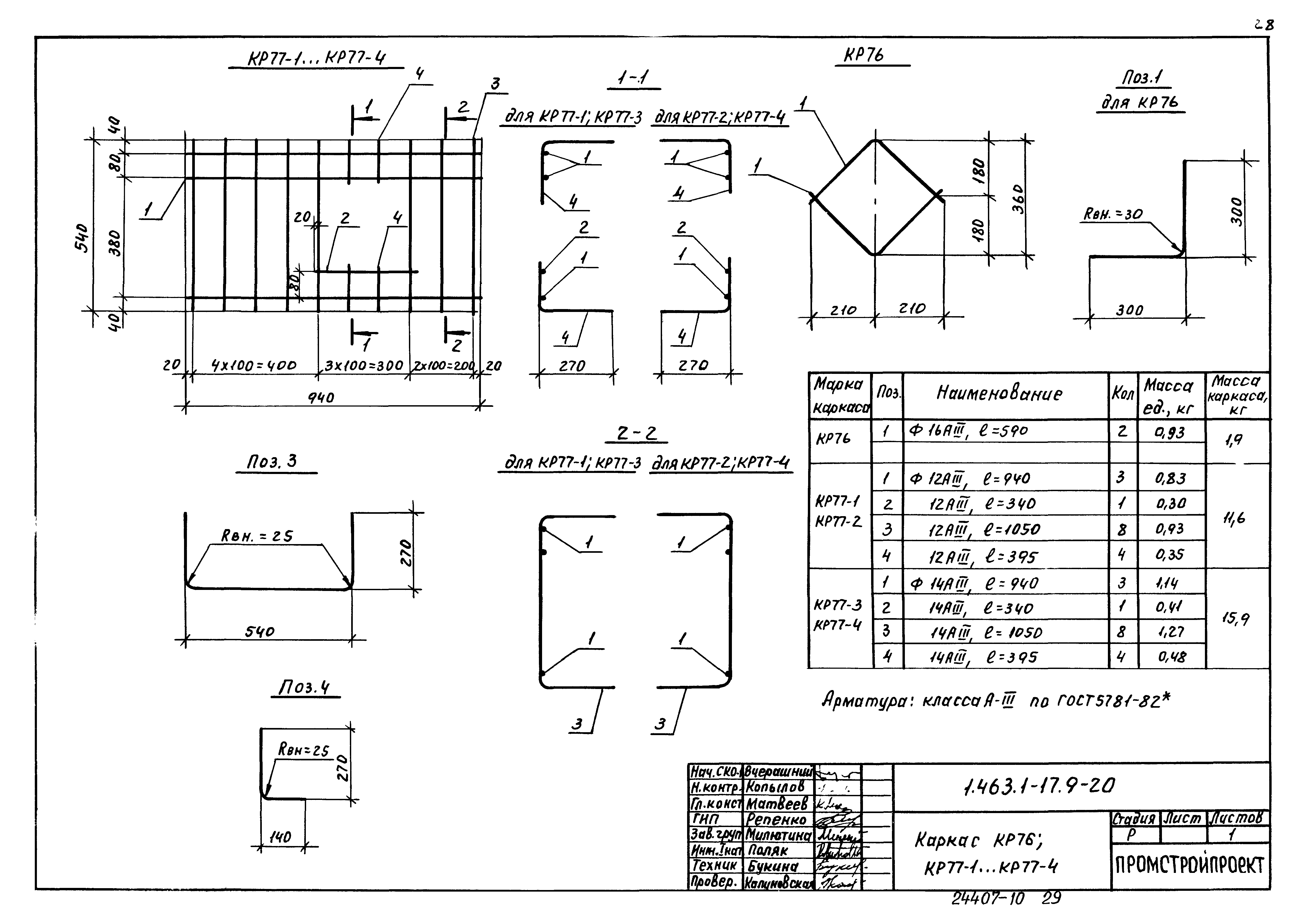
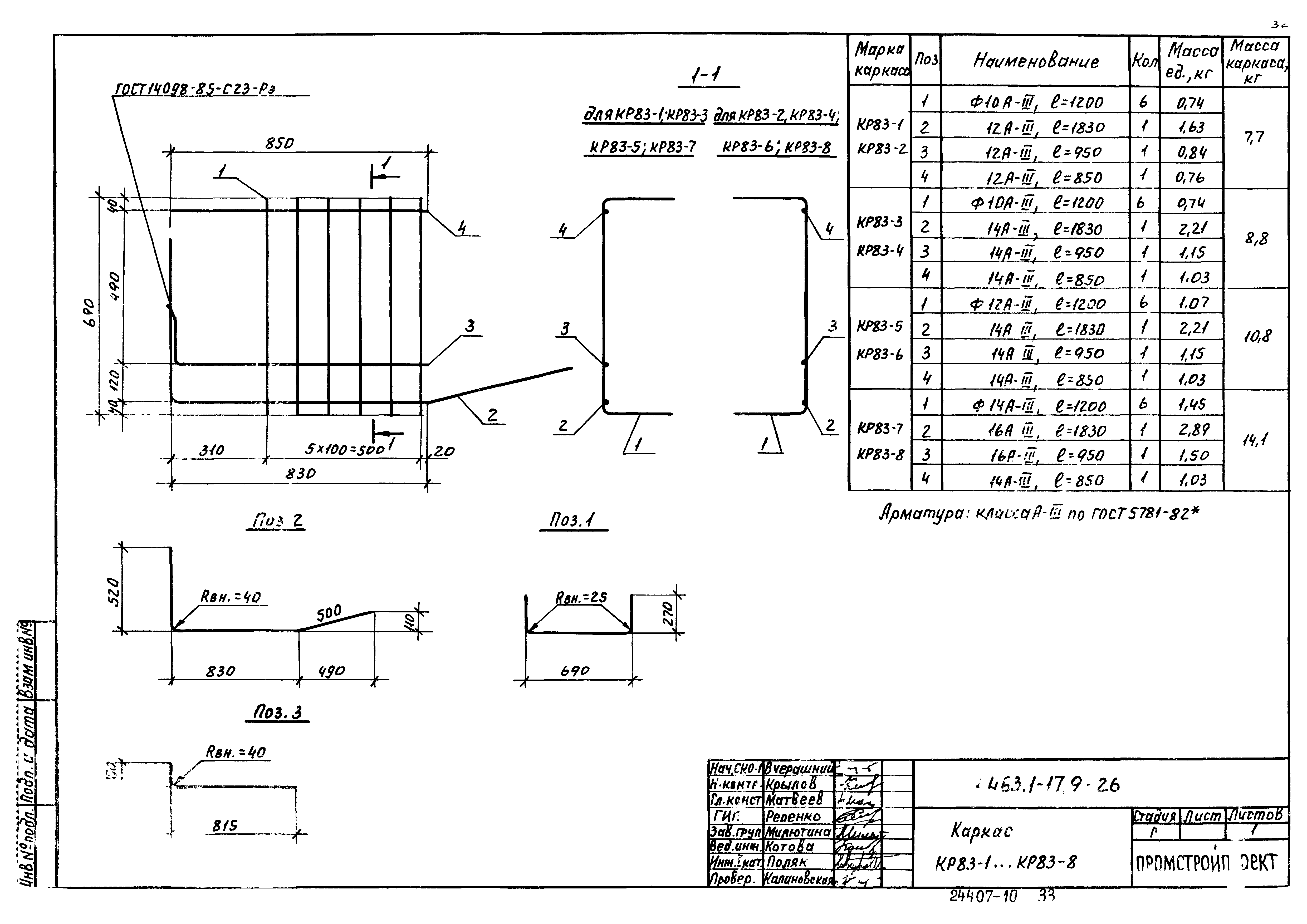
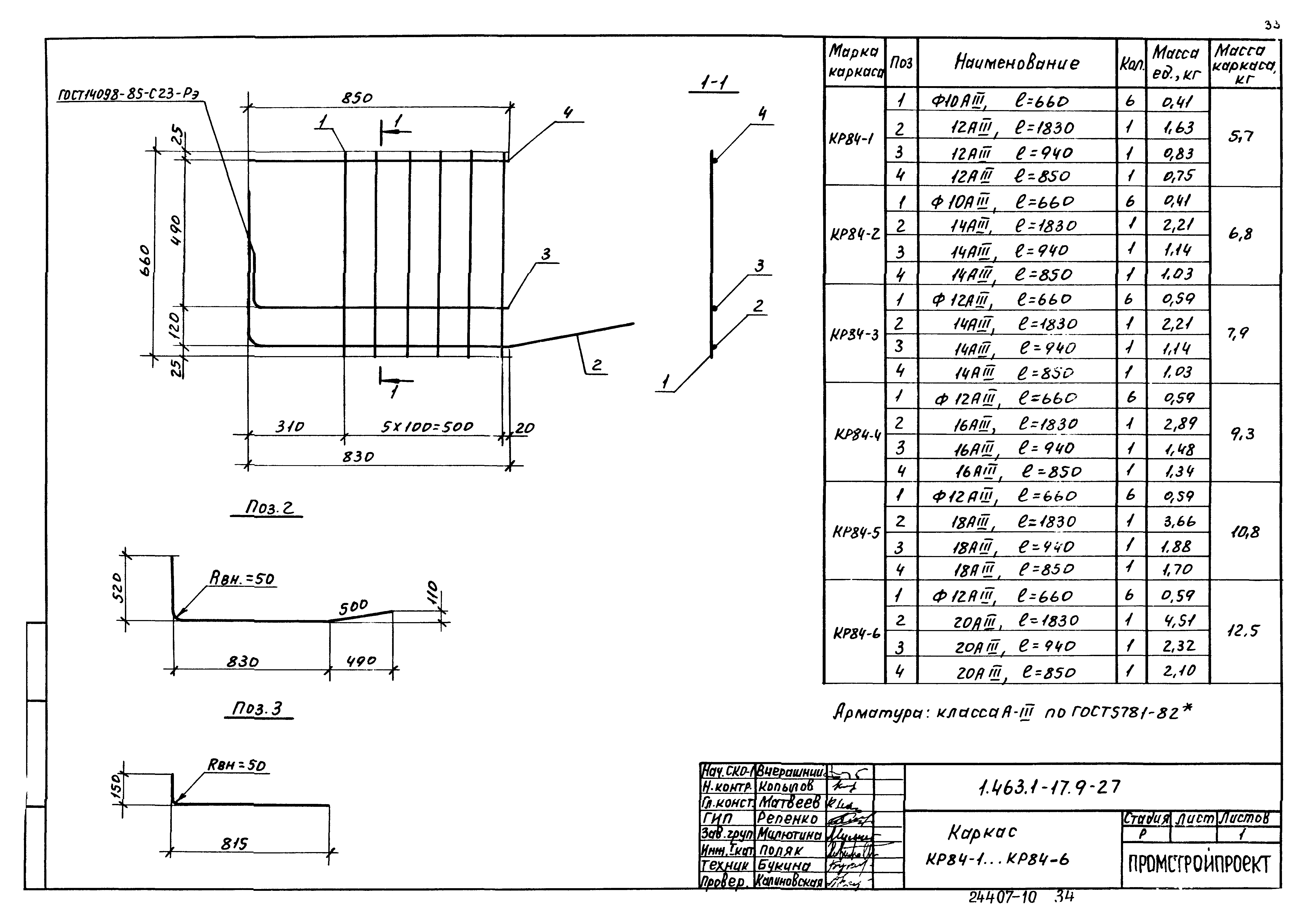
Скачать Серия 1.463.1-17 Выпуск 9. Фермы пролетами 18 и 24 м типоразмера 3. Арматурные изделия. Рабочие чертежиДата актуализации: 01.01.2021
|
| Обозначение: | Серия 1.463.1-17 |
| Обозначение англ: | Series 1.463.1-17 |
| Статус: | не определен законодательством |
| Название рус.: | Выпуск 9. Фермы пролетами 18 и 24 м типоразмера 3. Арматурные изделия. Рабочие чертежи |
| Дата добавления в базу: | 01.09.2013 |
| Дата актуализации: | 01.01.2021 |
| Дата введения: | 01.08.1990 |
| Дата окончания срока действия: | 30.06.2003 |
| Разработан: | НИИСК НИИЖБ ГПИ Промстройпроект |
| Утверждён: | 18.12.1989 Главоргпроект Госстроя СССР (4/5-1546) |
| Издан: | ЦИТП Госстроя СССР (CITP, Gosstroy (USSR) 1990 г. ) |





































