Скачать Серия 1.463.1-17 Выпуск 10. Фермы пролетами 18 и 24 м типоразмера 1 и 2. Закладные изделия. Рабочие чертежиДата актуализации: 01.01.2021
|
| Обозначение: | Серия 1.463.1-17 |
| Обозначение англ: | Series 1.463.1-17 |
| Статус: | не определен законодательством |
| Название рус.: | Выпуск 10. Фермы пролетами 18 и 24 м типоразмера 1 и 2. Закладные изделия. Рабочие чертежи |
| Дата добавления в базу: | 01.09.2013 |
| Дата актуализации: | 01.01.2021 |
| Дата введения: | 01.08.1990 |
| Дата окончания срока действия: | 30.06.2003 |
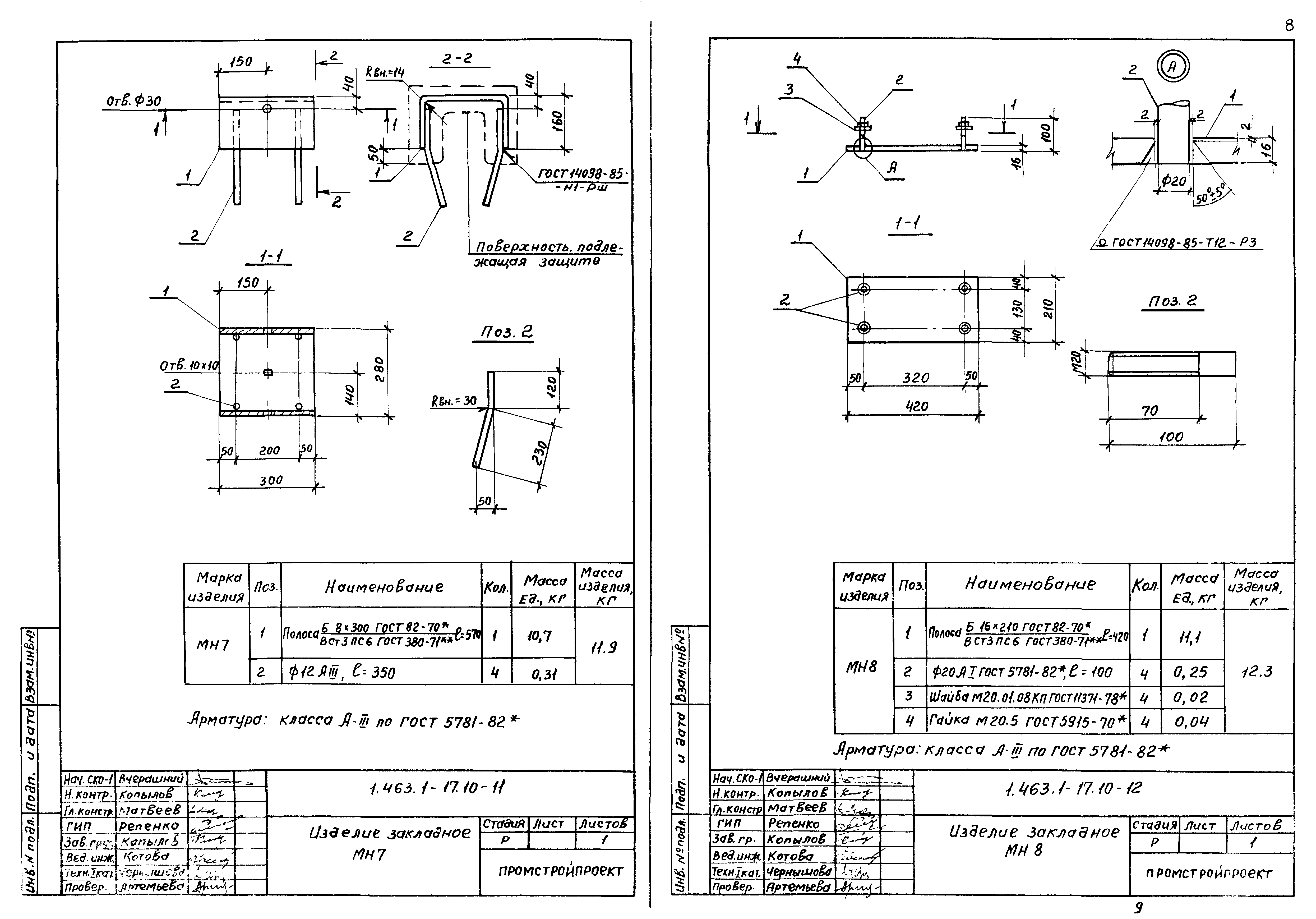
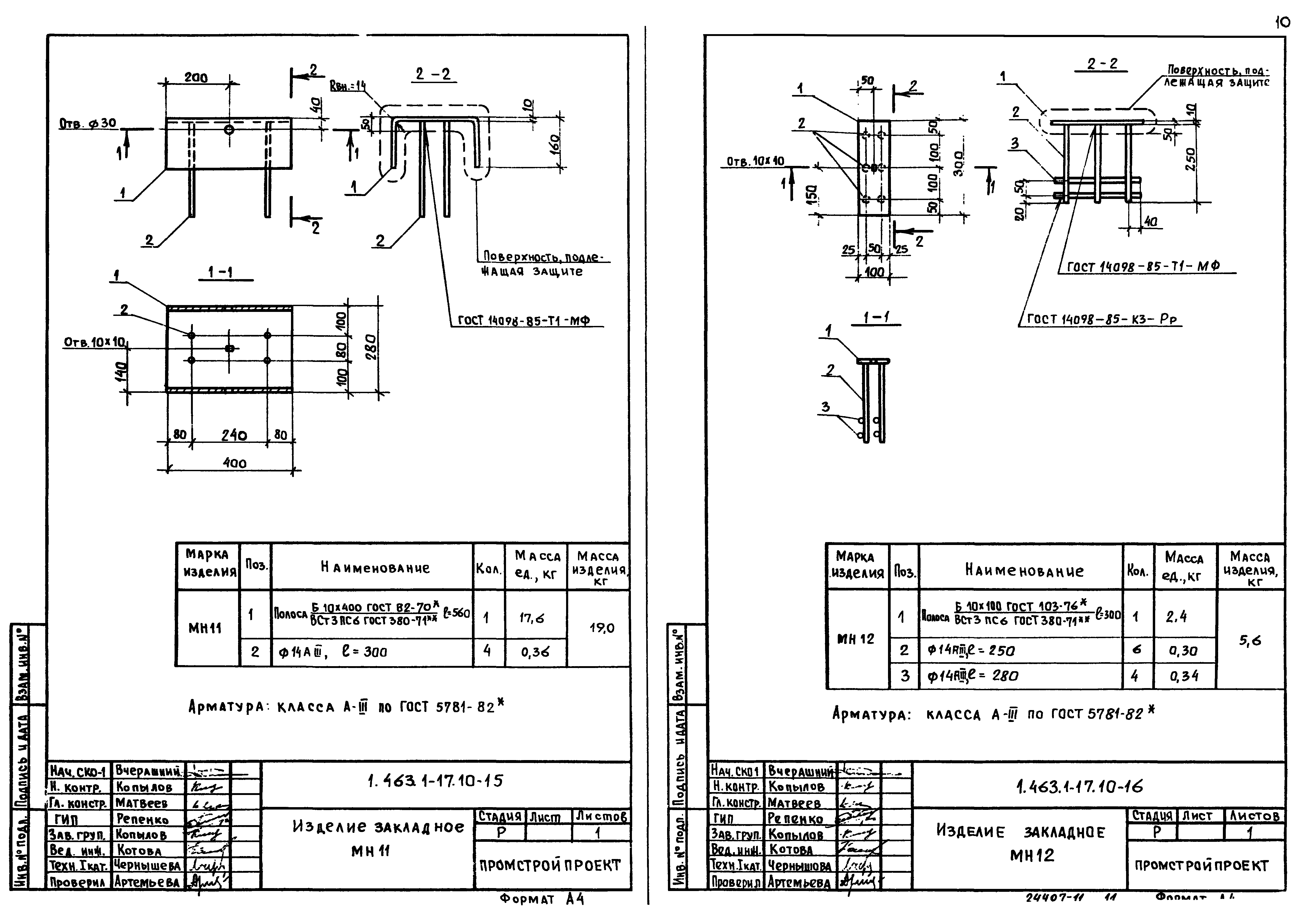
| Оглавление: | 1.463.1-17.10-ТТ Технические требования 1.463.1-17.10-1 Изделие закладное МН1-1 1.463.1-17.10-2 Изделие закладное МН1-2 1.463.1-17.10-3 Изделие закладное МН2-1,МН2-2 1.463.1-17.10-4 Изделие закладное МН2-3,МН2-4 1.463.1-17.10-5 Изделие закладное МН2-5,МН2-6 1.463.1-17.10-6 Изделие закладное МН2-7,МН2-8,МН2-9 1.463.1-17.10-7 Изделие закладное МН3-1,МН3-2 1.463.1-17.10-8 Изделие закладное МН4-1,МН4-2 1.463.1-17.10-9 Изделие закладное МН5 1.463.1-17.10-10 Изделие закладное МН6 1.463.1-17.10-11 Изделие закладное МН7 1.463.1-17.10-12 Изделие закладное МН8 1.463.1-17.10-13 Изделие закладное МН9 1.463.1-17.10-14 Изделие закладное МН10 1.463.1-17.10-15 Изделие закладное МН11 1.463.1-17.10-16 Изделие закладное МН12 1.463.1-17.10-17 Изделие закладное МН13 1.463.1-17.10-18 Изделие закладное МН14 |
| Разработан: | НИИСК НИИЖБ ГПИ Промстройпроект |
| Утверждён: | 18.12.1989 Главоргпроект Госстроя СССР (4/5-1546) |
| Издан: | ЦИТП Госстроя СССР (CITP, Gosstroy (USSR) 1990 г. ) |












