Скачать Серия 1.463.1-4/87 Выпуск 2. Арматурные и закладные изделия. Рабочие чертежиДата актуализации: 01.01.2021
|
| Обозначение: | Серия 1.463.1-4/87 |
| Обозначение англ: | Series 1.463.1-4/87 |
| Статус: | не определен законодательством |
| Название рус.: | Выпуск 2. Арматурные и закладные изделия. Рабочие чертежи |
| Дата добавления в базу: | 01.09.2013 |
| Дата актуализации: | 01.01.2021 |
| Дата введения: | 01.09.1988 |
| Дата окончания срока действия: | 30.06.2003 |
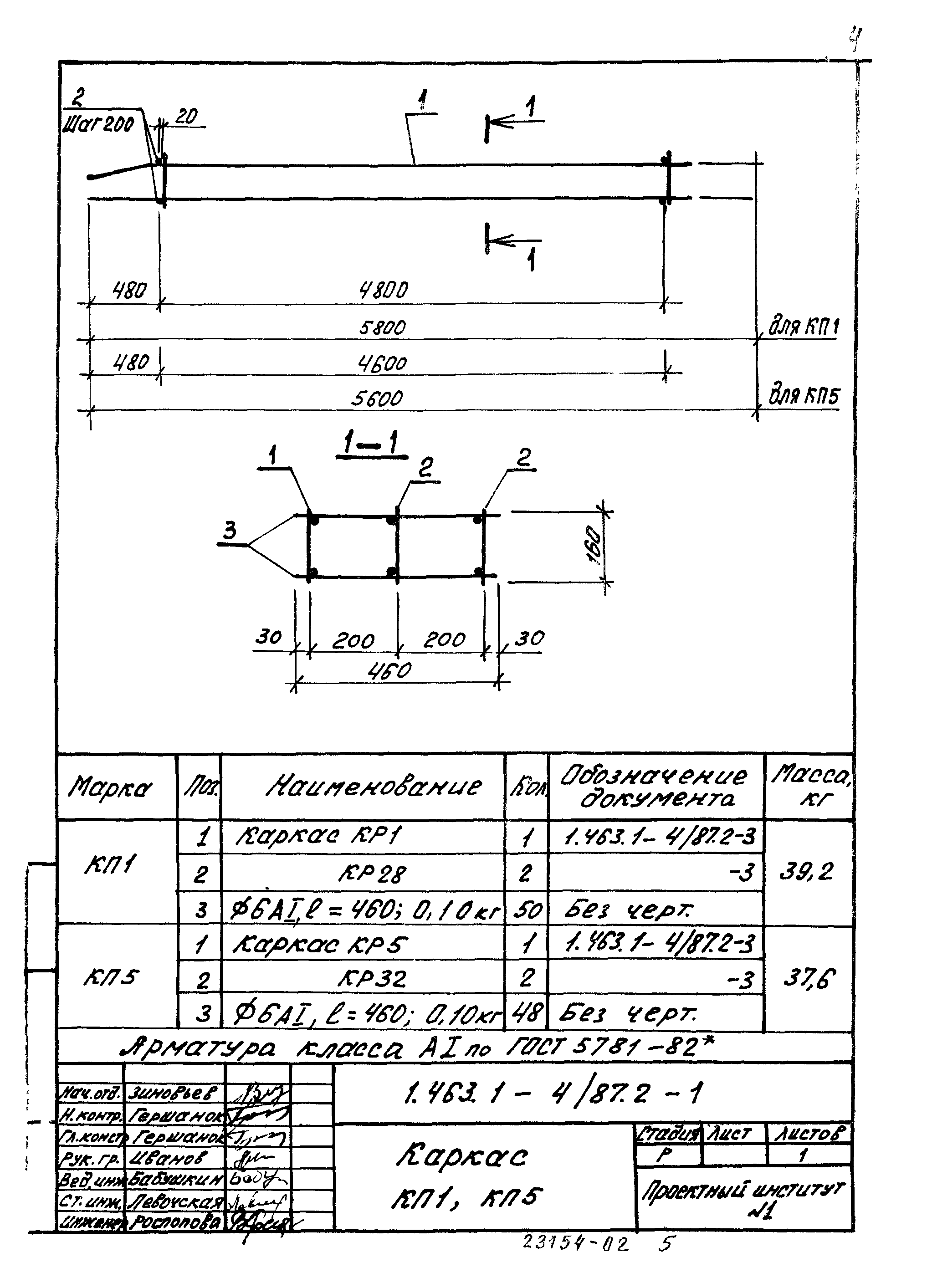
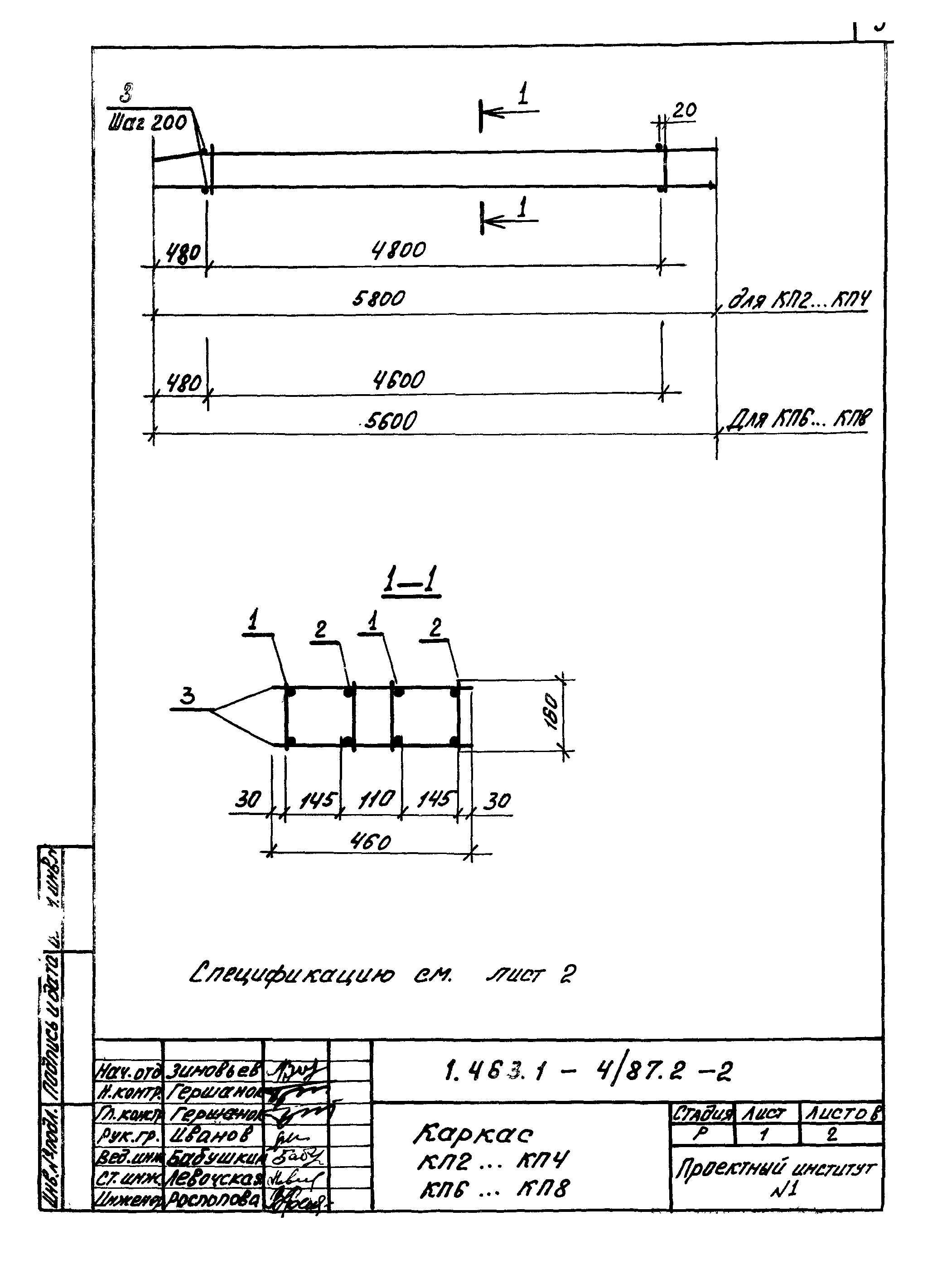
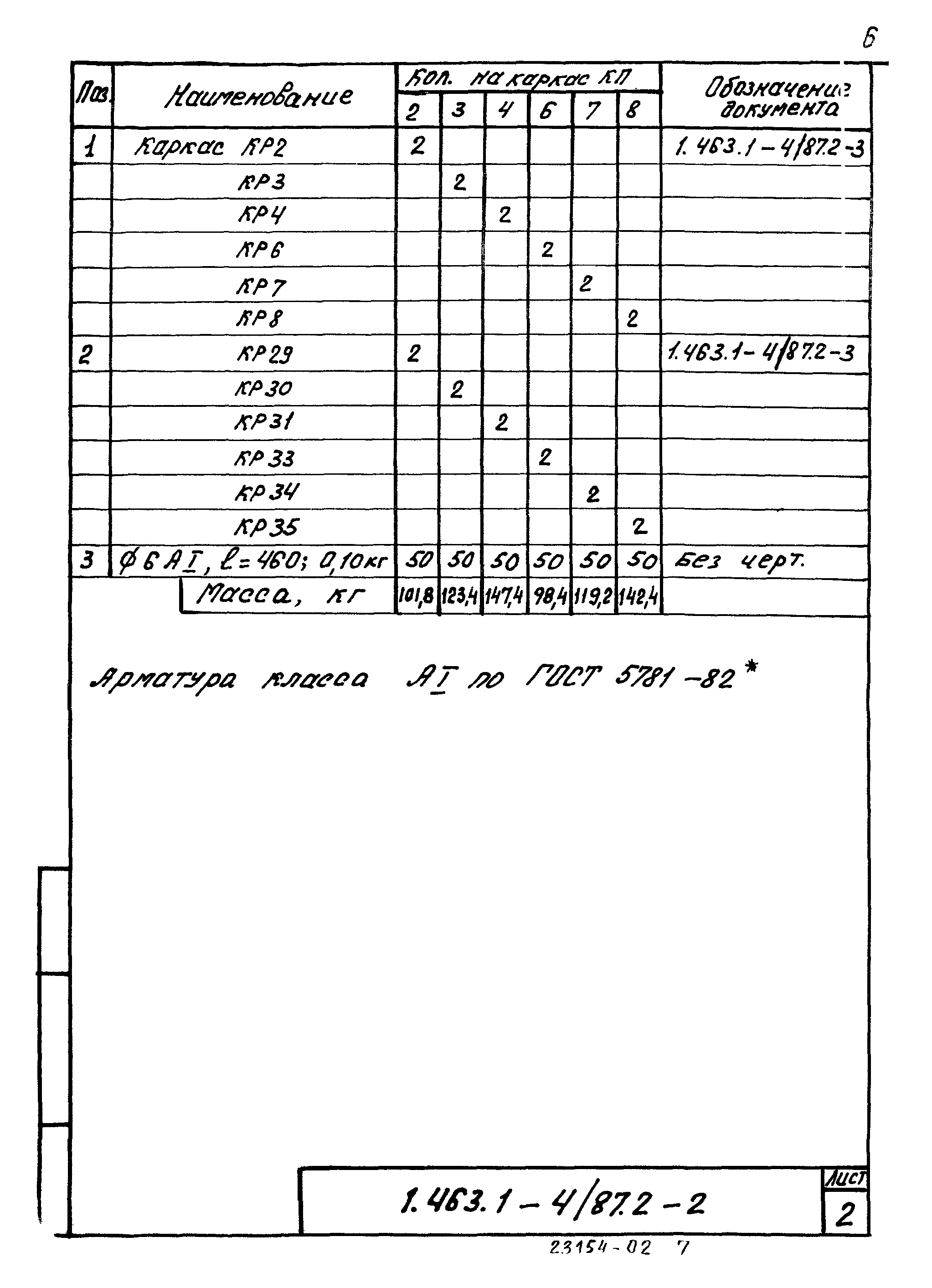
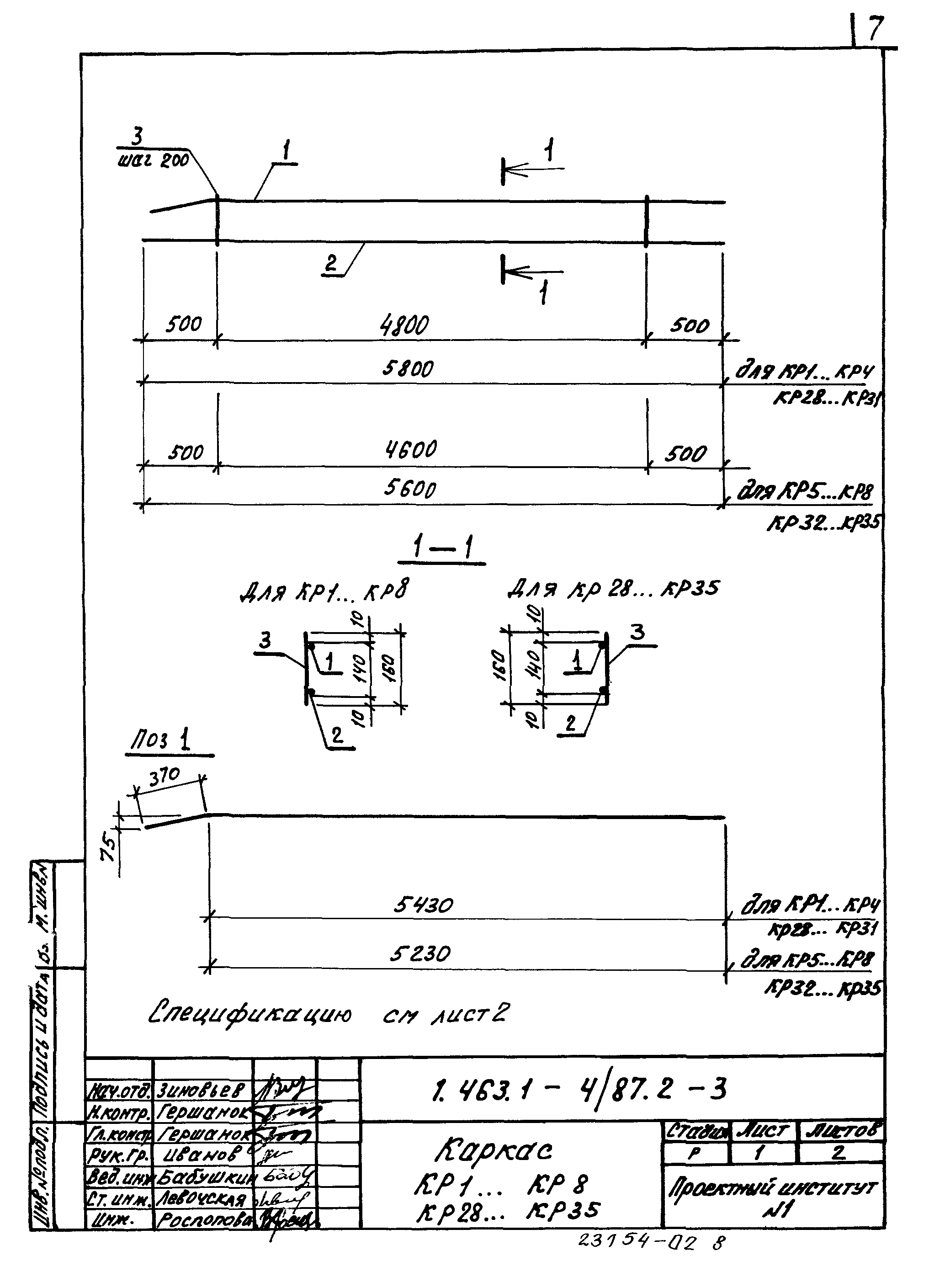
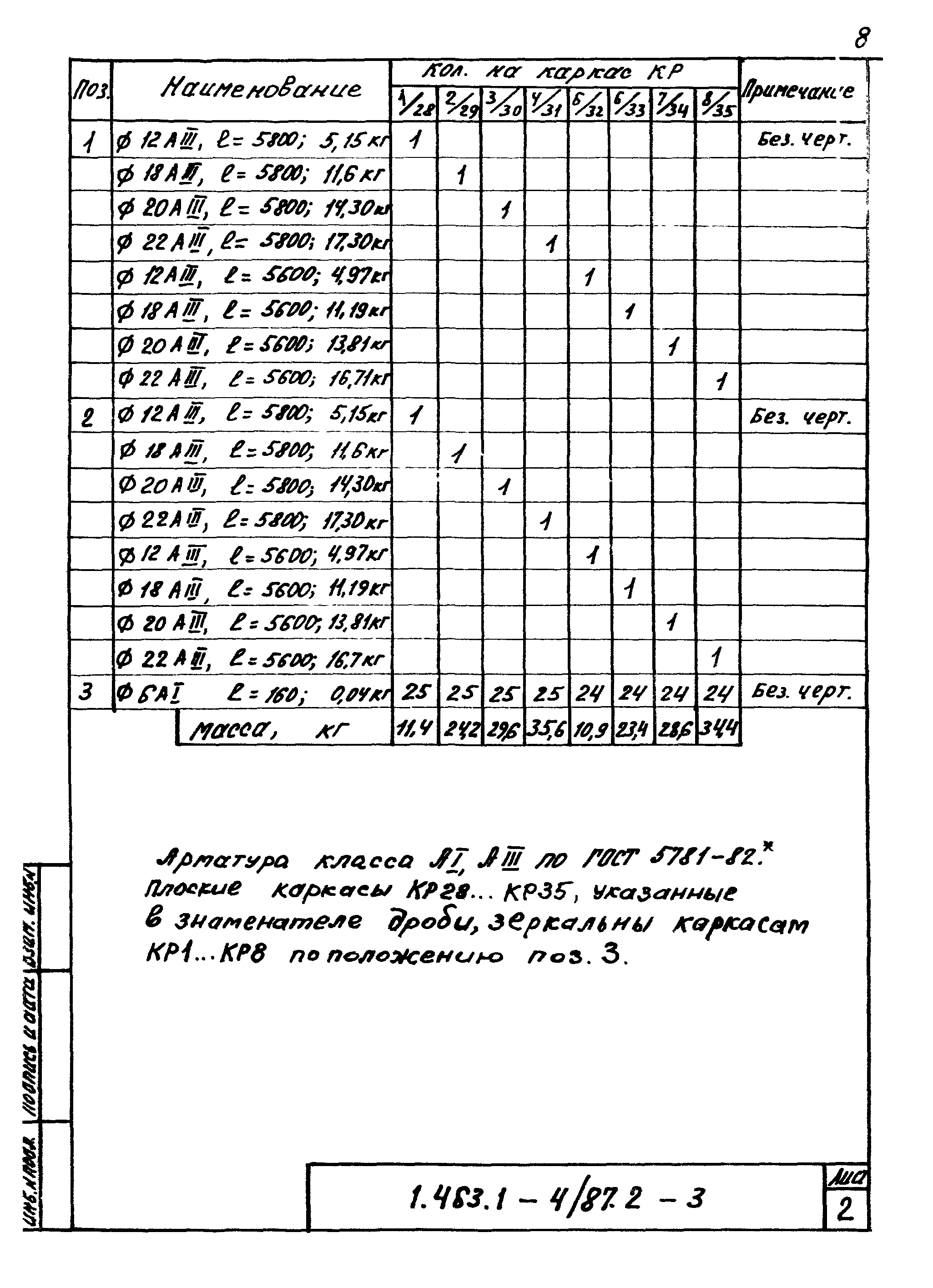
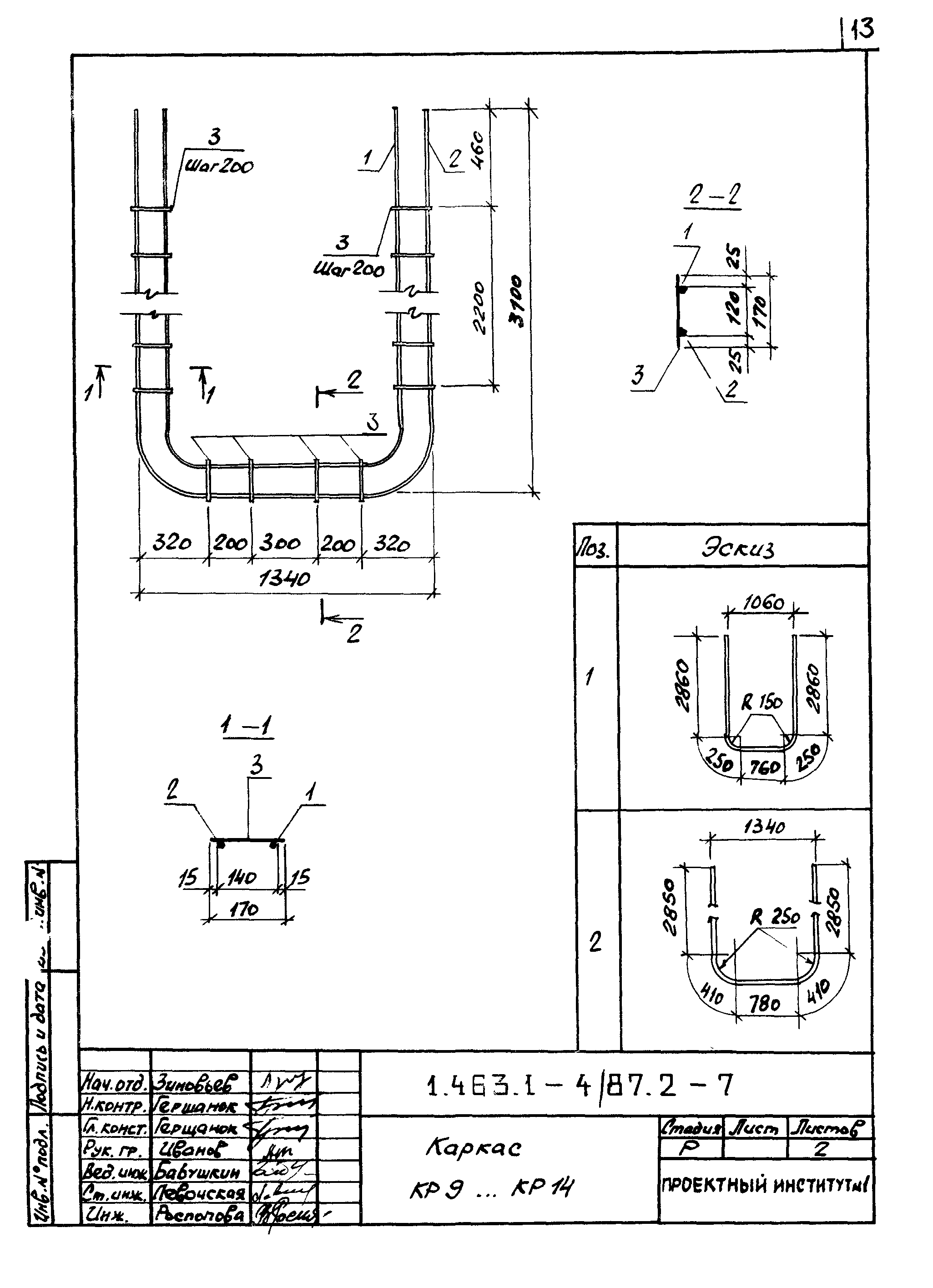
| Оглавление: | 1.463.1-4/87.2-ТТ Технические требования 1.463.1-4/87.2-1 Каркас КП1,КП5 1.463.1-4/87.2-2 Каркас КП2...КР4КП6...КП8 1.463.1-4/87.2-3 Каркас КР1...КР8,КР28...КР35 1.463.1-4/87.2-4 Каркас КП9...КП15 1.463.1-4/87.2-5 Каркас КРС1...КРС6 1.463.1-4/87.2-6 Каркас КРК1...КРК6 1.463.1-4/87.2-7 Каркас КР9...КР14 1.463.1-4/87.2-8 Каркас КР15...КР18 1.463.1-4/87.2-9 Каркас КР19...КР22 1.463.1-4/87.2-10 Каркас КР23 1.463.1-4/87.2-11 Каркас КР24 1.463.1-4/87.2-12 Каркас КР25 1.463.1-4/87.2-13 Каркас КР26 1.463.1-4/87.2-14 Каркас КР27 1.463.1-4/87.2-15 Сетка С1,С2. Изделие арматурное СТ1 1.463.1-4/87.2-16 Сетка С3,С4 1.463.1-4/87.2-17 Сетка С5,С6 1.463.1-4/87.2-18 Изделие арматурное СТН1,СТН2,СТН7...СТН8,СТН9,СТН11,СТН12 1.463.1-4/87.2-19 Изделие арматурное СТН3,СТН4,СТН10,СТН13,СТН14 1.463.1-4/87.2-20 Изделие арматурное СТН5,СТН6,СТН15,СТН16 1.463.1-4/87.2-21 Стакан анкерный СА1...СА3 1.463.1-4/87.2-22 Изделие закладное М1 |
| Разработан: | ПИ № 1 Госстроя СССР НИИЖБ |
| Утверждён: | 29.04.1988 Госстрой СССР (Государственный комитет Совета Министров СССР по делам строительства) (USSR Gosstroy АЧ-20) |





























