Скачать Серия 1.463.1-19 Выпуск 1. Указания по применению и рабочие чертежи фермДата актуализации: 01.01.2021
|
| Обозначение: | Серия 1.463.1-19 |
| Обозначение англ: | Series 1.463.1-19 |
| Статус: | не определен законодательством |
| Название рус.: | Выпуск 1. Указания по применению и рабочие чертежи ферм |
| Дата добавления в базу: | 01.09.2013 |
| Дата актуализации: | 01.01.2021 |
| Дата введения: | 01.07.1993 |
| Дата окончания срока действия: | 30.06.2003 |
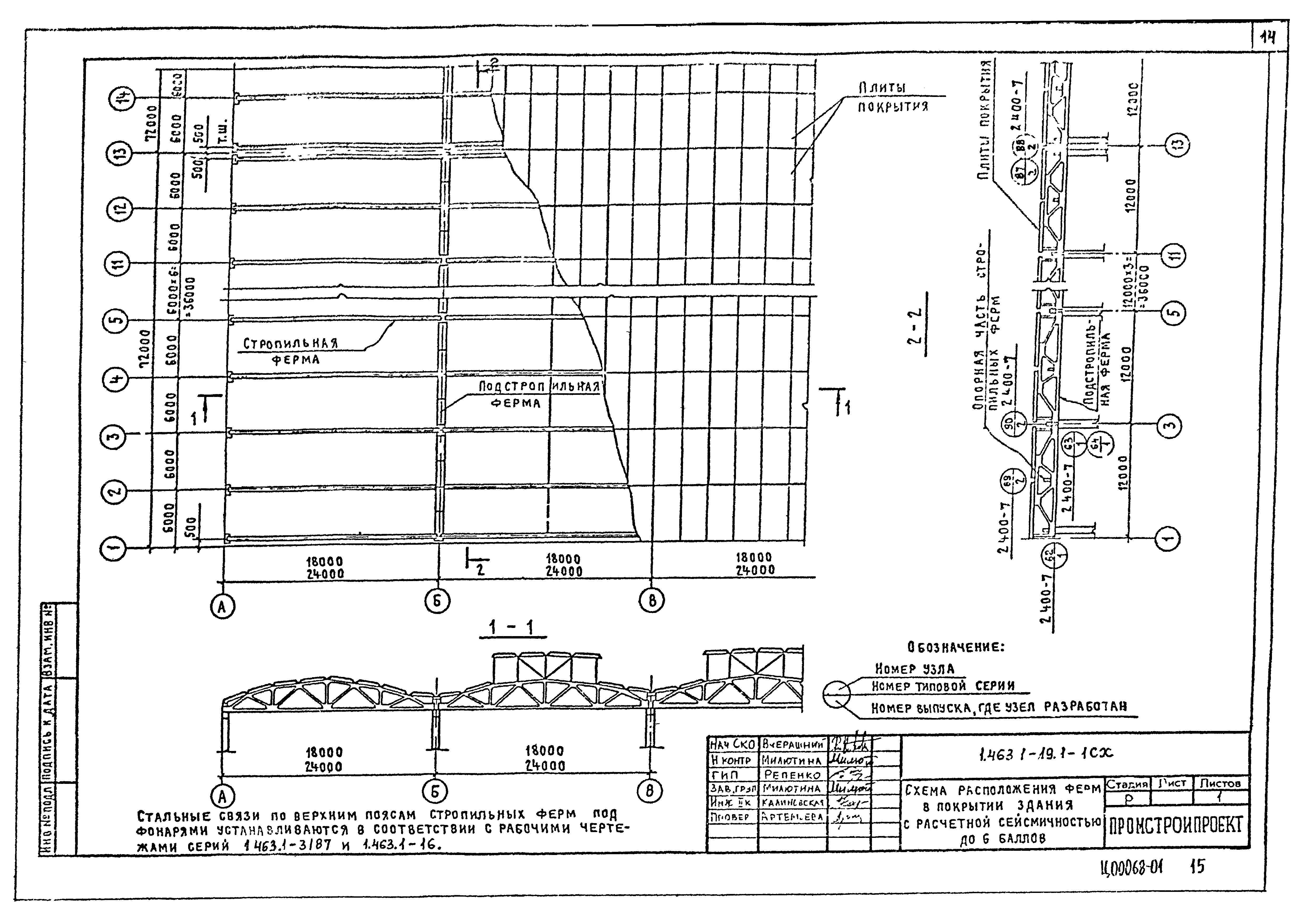
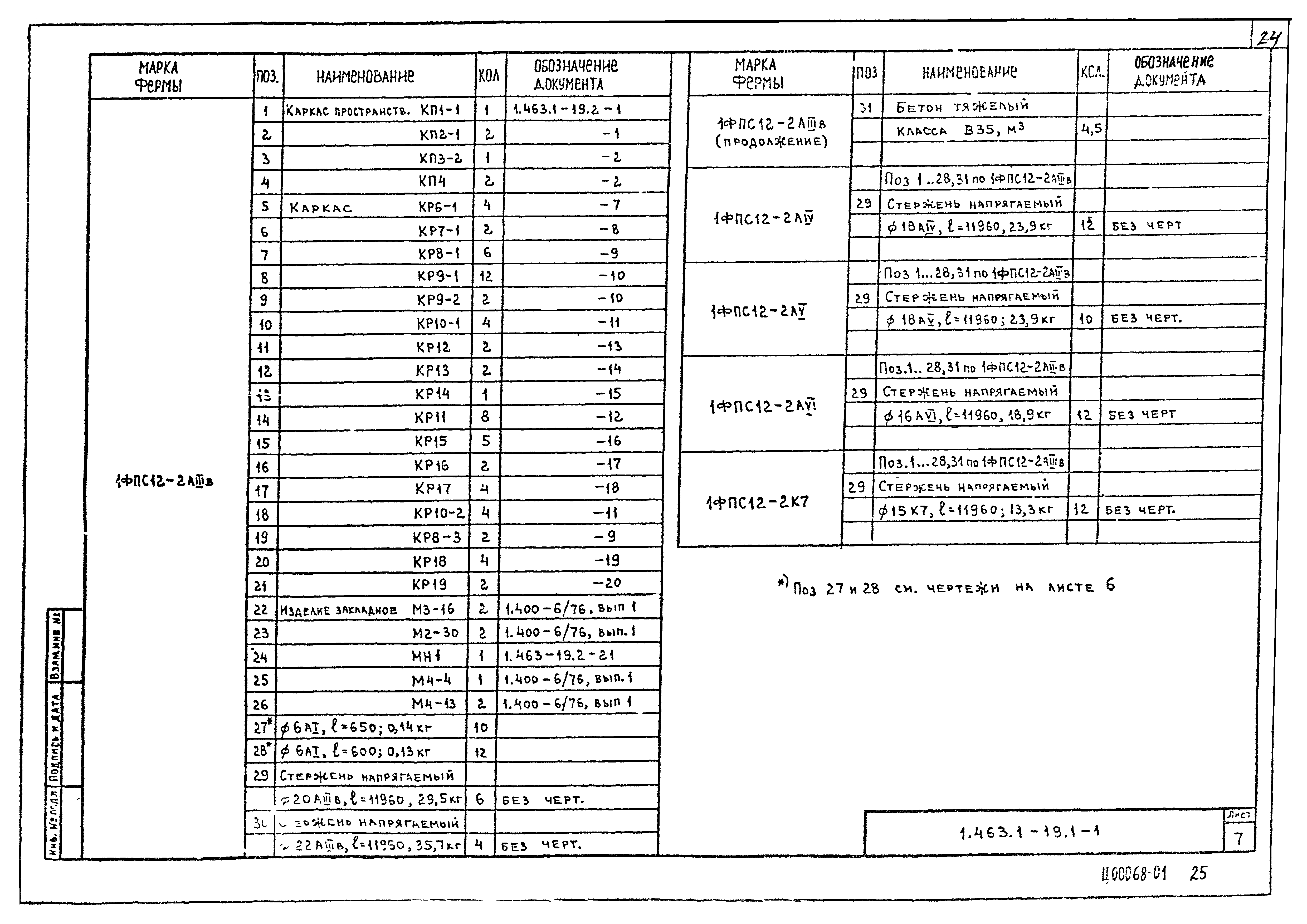
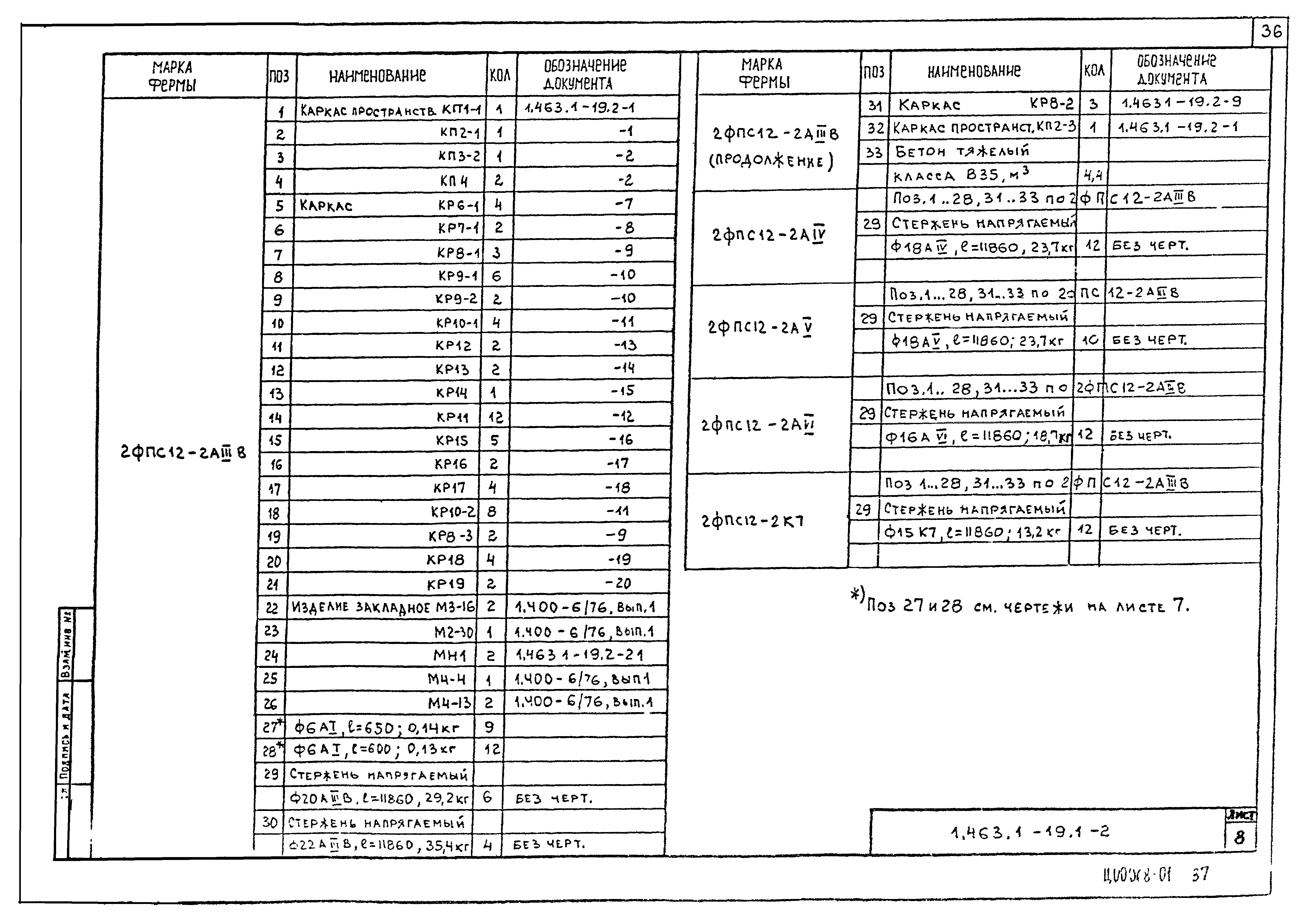
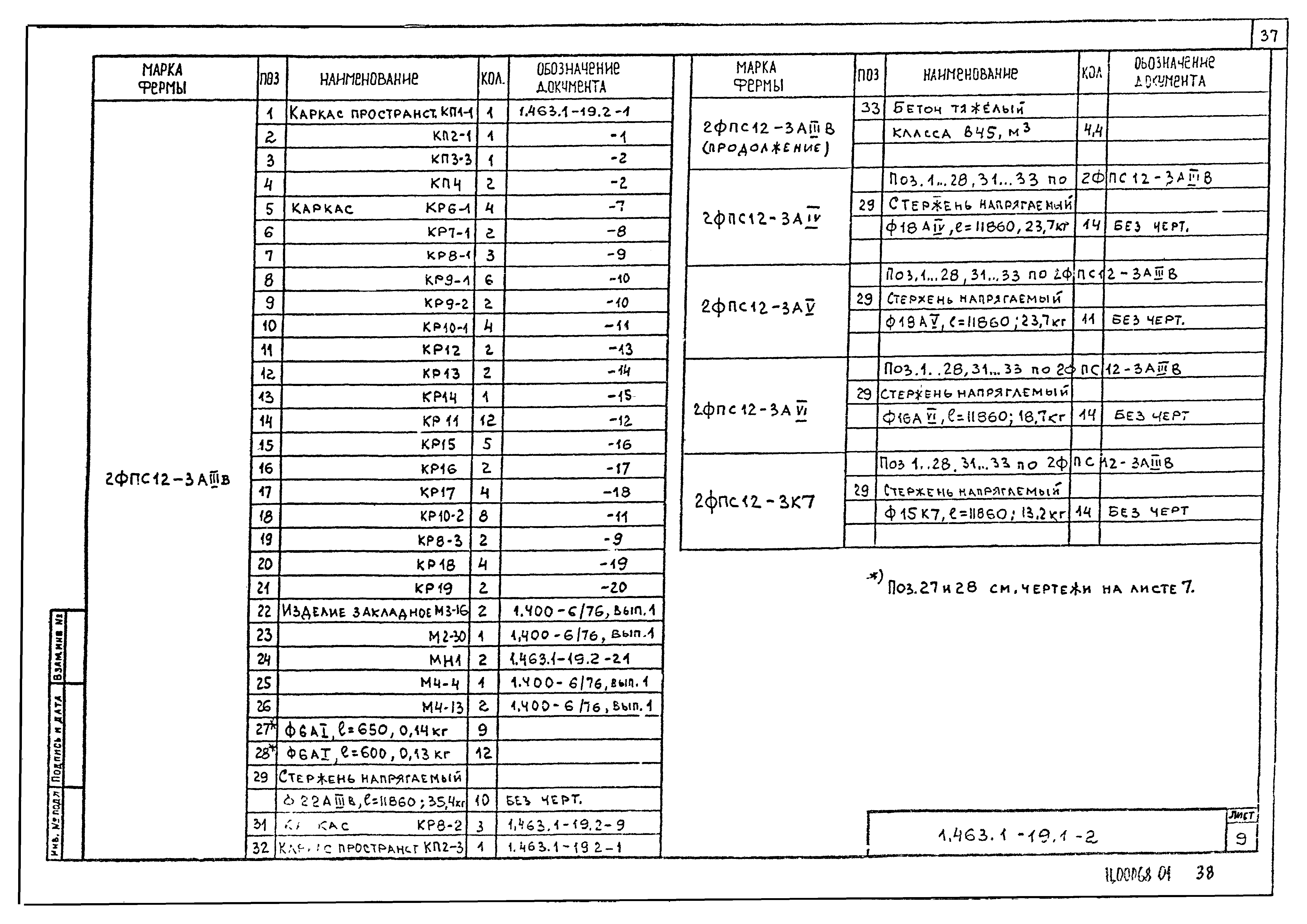
| Оглавление: | 1.463.1-19.1-ПЗ Пояснительная записка 1.463.1-19.1-НИ Номенклатура ферм 1.463.1-19.1-1СХ Схема расположения ферм в покрытии здания с расчетной сейсмичностью до 6 баллов 1.463.1-19.1-2СХ Схема расположения ферм в покрытии здания с расчетной сейсмичностью 7 и 8 баллов 1.463.1-19.1-1ФЧ Ферма типоразмера 1ФПС12. Опалубочный чертеж 1.463.1-19.1-1 Ферма типоразмера 1ФПС12. Армирование Опалубочный чертеж 1.463.1-19.1-1РС Ферма типоразмера 1ФПС12. Ведомость расхода стали 1.463.1-19.1-2ФЧ Ферма типоразмера 2ФПС12. Опалубочный чертеж 1.463.1-19.1-2 Ферма типоразмера 2ФПС12. Армирование Опалубочный чертеж 1.463.1-19.1-2РС Ферма типоразмера 2ФПС12. Ведомость расхода стали 1.463.1-19.1-СМ1 Данные для испытания подстропильных ферм 1.463.1-19.1-СМ2 Ферма типоразмера 1ФПС12. Вариант замены напрягаемой арматуры 1.463.1-19.1-См3 Ферма типоразмера 2ФПС12. Вариант замены напрягаемой арматуры 1.463.1-19.1-СМ4 Фермы типоразмеров 1ФПС12-С7,2ФПС12-С7 для зданий с расчетной сейсмичностью 7 баллов 1.463.1-19.1-СМ5 Фермы типоразмеров 1ФПС12-С8,2ФПС12-С8 для зданий с расчетной сейсмичностью 8 баллов |
| Разработан: | Промстройпроект Госстроя СССР НИИЖБ |
| Утверждён: | 01.12.1992 Минстрой России (Russian Federation Minstroy 9-1/371) |
| Заменяет собой: |

















































